Ультрафиолетовым называют электромагнитное излучение с длиной волны от 400 до 10 нм (частота - 7,5·1014...3·1016 Гц) [1]. Весь спектр ультрафиолетового излучения по стандарту lSO-DIS-21348 [2] делят на четыре диапазона: ближний - 400...300 нм, средний - 300...200 нм, дальний - 200...122 нм и экстремальный - 121...10 нм. Излучение среднего диапазона практически на 90 %, а дальнего и экстремального диапазонов на все 100% поглощает земная атмосфера. Следовательно, воздействует на организм человека в основном излучение ближнего диапазона. При большой интенсивности это воздействие становится неблагоприятным и даже опасным. Поэтому её измерение весьма актуально. Согласно санитарным нормам [3], интенсивность ультрафиолетового излучения не должна превышать 5 мВт/см2.
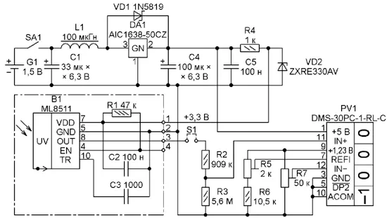
Схема прибора для измерения интенсивности ультрафиолетового излучения изображена на рис. 1. В нём использован датчик ультрафиолета ML8511 [4] с максимальной чувствительностью в ближнем диапазоне. Выходное напряжение датчика прямо пропорционально интенсивности излучения. В отсутствие излучения оно равно 1 В, а при его интенсивности 15 мВт/см2 достигает 2,75 В.

Рис. 1. Схема прибора для измерения интенсивности ультрафиолетового излучения
Цифровой вольтметр PV1 измеряет напряжение на выходе датчика. Его предварительно масштабируют с помощью делителя напряжения R2R3. Ноль шкалы вольтметра и его чувствительность устанавливают соответственно подстроечными резисторами R7 и R5. Расчёт цепей масштабирования и коррекции показаний детально изложен в инструкции по применению микросхемы цифрового вольтметра [5]. При их правильной регулировке нулевой интенсивности излучения на табло вольтметра должно соответствовать значение 0,00, а максимальной интенсивности 15 мВт/см2 - 15,00.
Измеритель питают от одного гальванического элемента G1 типоразмера AA. Ток потребления - не более 20 мА. Напряжение элемента повышает до 5 В преобразователь на микросхеме DA1. Питание датчика B1 напряжением 3,3 В обеспечивает стабилитрон VD2.
Настройка измерителя не представляет сложности. Соберите технологический делитель образцовых напряжений +1 и +2,75 В по схеме, изображённой на рис. 2. Снимите перемычку S1, подайте на вход делителя R2R3 образцовое напряжение +1 В. Подстроечным резистором R7 установите показания вольтметра равными 0,00. Затем подайте образцовое напряжение 2,75 В и подстроечным резистором R5 установите на табло 15,00.

Рис. 2. Схема технологического делителя образцовых напряжений
Поскольку микросхема датчика ML8511 очень миниатюрна и малопригодна для пайки в любительских условиях, в приборе применён готовый модуль с этой микросхемой, установленной на печатной плате размерами 16x16x3 мм (рис. 3). Он незначительно дороже самой микросхемы, а работать с ним гораздо удобнее. Детали модуля на рис. 1 заключены в штрихпунктирную рамку.

Рис. 3. Печатная плата прибора
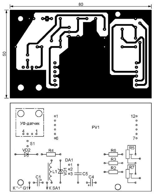
Микросхема цифрового вольтметра DMS-30PC-1-RL-C имеет номинальный интервал измеряемого напряжения -1,999...+1,999 В, о чём свидетельствует индекс 1 в её обозначении, красный цвет отображаемых на табло цифр (индекс R) и потребляемый ток не более 17 мА (индекс L). Резисторы R2 и R3 должны быть с допуском не хуже ±0,5 или ±1 %. Подстроечные резисторы R5 и R7 лучше применить многооборотные. Печатная плата измерителя показана на рис. 4.

Рис. 4. Печатная плата измерителя
В заключение хочу отметить, что описанный прибор можно с успехом использовать для проверки степени поглощения ультрафиолетового излучения солнцезащитными очками. Сначала измерьте интенсивность излучения при открытом датчике, апотом закройте его линзой от очков. Разность показаний и покажет эффективность обеспечиваемой очками защиты.
Литература
1. Рябцев А. Н. Ультрафиолетовое излучение. //Физическая энциклопедия. - М.: Большая Российская энциклопедия, 1998, т. 5, с. 221.
2. International Standard ISO 21348. Space environment (natural and artificial). Process for determining solar irradiances. - URL: http:// www.spacewx.com/Docs/ISO_21 348-2007.pdf (18.09.15).
3. Санитарные нормы ультрафиолетового излучения в производственных помещениях (утв. Главным государственным санитарным врачом СССР 23 февраля 1988 г № 4557-88). - URL: http://www.norm-load.ru/SNiP/Data1 / 47/47650/index.htm (18.09.15).
4. ML8511 -00FC. Reference Board Manual for UV Sensor (QFN). - URL: http://media. digikey.com/pdf/Data%20Sheets/Rohm%2 0PDFs/ML8511 -00FC_RefBrd_Manual-01. pdf (18.09.15).
5. DMS Application Note 12. Signals with Zero Offsets. - URL: http://www. datelmeters.com/data/meters/dms-an12. pdf (18.09.15).
Автор: А. Корнев, г. Одесса, Украина
