Описываемый в статье тахометр предназначен для измерения частоты вращения воздушного винта авиамоделей, но его можно использовать для контроля работы и других лопастных механизмов - роторов, крыльчаток, обтюраторов. Принцип действия этого прибора основан на измерении частоты прерывания лопастями воздушного винта модулированного потока инфракрасного излучения, создаваемого тахометром и падающего на его фото-чувствительный элемент.
По сравнению с тахометрами аналогичного назначения [1-3], схожими с описываемым по принципу действия, предлагаемый прибор более помехоустойчив. Им можно измерять частоту вращения воздушных винтов, содержащих две, три и четыре лопасти. Тахометр оснащён стрелочным индикатором частоты вращения, что обеспечивает не только количественную, но и качественную информацию о динамике изменения контролируемого параметра [4].
Прибор имеет два предела измерений частоты вращения воздушного винта: до 3000 об/мин и до 30000 об/мин. Погрешность измерения - не более ±2,5 %. Имеется кварцевый калибратор, что повышает точность измерения и позволяет оперативно контролировать работоспособность прибора. Тахометр выполнен на доступной элементной базе и прост в налаживании.
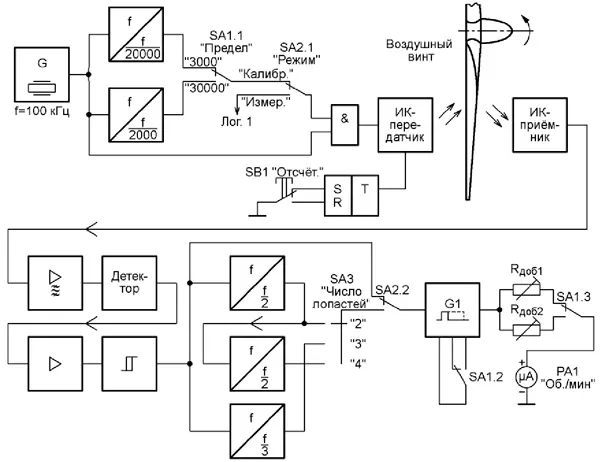
Функциональная схема прибора изображена на рис. 1. Кварцевый генератор вырабатывает периодическую последовательность прямоугольных импульсов, следующих с частотой 100 кГц. С выхода генератора эти импульсы поступают на делители частоты на 20000 и на 2000, формирующие импульсы, следующие с частотой 50 и 500 Гц соответственно. Эти импульсы предназначены для калибровки тахометра перед проведением измерения. Частота 50 Гц соответствует частоте вращения воздушного винта 3000 об/мин (максимальной на первом пределе измерения), а частотой 500 Гц - 30000 об/мин (максимальной на втором пределе измерения). Переключателем SA1 выбирают предел измерения, а переключателем SA2 - режим работы прибора (калибровку или проведение измерений).

Рис. 1. Функциональная схема тахометра
В режиме калибровки прибора импульсы частотой 50 или 500 Гц поступают через переключатели SA1.1 и SA2.1 на один из входов логического элемента И, на второй вход которого поданы импульсы частотой 100 кГц с выхода кварцевого генератора. На выходе логического элемента формируется последовательность следующих с частотой 50 или 500 Гц пачек импульсов частотой 100 кГц. Эта последовательность поступает на сигнальный вход ИК-передатчика, работу которого разрешают нажатием и удержанием кнопки SB1. Триггер в цепи кнопки устраняет дребезг её контактов.
Достигнув ИК-приёмника, удалённого от передатчика на некоторое расстояние и расположенного с ним на одной оптической оси, ИК-излучение вновь преобразуется в электрический импульсный сигнал. Его усиливает и отфильтровывает от помех полосовой усилитель. Усиленный сигнал детектируется по амплитуде и превращается в последовательность импульсов, следующих с частотой повторения пачек ИК-излучения. После усиления и формирования триггером Шмитта эти импульсы становятся прямоугольными с крутыми перепадами.
В режиме калибровки импульсы с выхода триггера Шмитта запускают одновибратор, нормирующий их длительность, которую, в зависимости от выбранного предела измерения, изменяет переключатель SA1.2. Постоянную составляющую выходного напряжения одновибратора, прямо пропорциональную частоте, измеряет вольтметр из микроамперметра PA1 и добавочных резисторов Rдоб1 и Rдоб2, выбираемых переключателем SA1.3. Эти резисторы - подстроечные, с их помощью в режиме калибровки устанавливают стрелку микроамперметра PA1 на последнее деление шкалы на каждом пределе измерения.
При переводе переключателя SA2 в положение "Измер." на вход клапана (логического элемента И) вместо калибровочных импульсов поступает постоянный уровень логической единицы, в результате чего последовательность излучаемых ИК-импульсов частотой 100 кГц становится непрерывной. ИК-излучение на пути от передатчика к приёмнику периодически прерывают лопасти вращающегося воздушного винта авиамодели, введённого в зазор между передатчиком и приёмником. Поэтому частота импульсов на выходе триггера Шмитта равна произведению частоты вращения воздушного винта на число его лопастей. Их может быть две, три или четыре. Для учёта этого фактора в тракт сигнала между триггером Шмитта и одновибратором включают с помощью переключателей SA3 и SA2.2 делитель частоты следования импульсов на два, три или четыре.
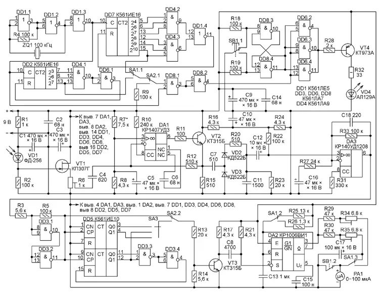
Принципиальная схема тахометра приведена на рис. 2. Генератор импульсов частотой 100 кГц состоит из логических элементов DD1.1, DD1.2, резистора R4 и кварцевого резонатора ZQ1. Логический элемент DD1.3 - буферный. Делители частоты построены на двоичных счётчиках DD2, DD7 и логических элементах DD1.4, DD4.1-DD4.3, DD6.1. Импульсы частотой 50 Гц снимают с вывода 15 счётчика DD7, а импульсы частотой 500 Гц - с вывода 13 счётчика DD2.

Рис. 2. Принципиальная схема тахометра
Элементы DD8.1, DD8.2 выполняют логическую функцию И. Триггер, формирующий разрешающий работу передатчика сигнал, состоит из логических элементов DD8.3, DD8.4. Логические элементы DD6.2-DD6.4, соединённые параллельно, и транзистор VT4 образуют усилитель импульсов, питающих ИК излучающий диод VD4.
ИК-приёмник состоит из фотодиода VD1 и истокового повторителя на транзисторе VT1. Полосовой усилитель построен на ОУ DA1 и транзисторе VT2. Цепь R7R8C5 задаёт постоянное смещение на неинвертирующем входе ОУ, а резистор R10 - его ток управления. Цепь отрицательной обратной связи усилителя образована резистором R12 и разделительным конденсатором C4. Конденсатор C6 служит для частотной коррекции ОУ. Транзистор VT2 - эмиттерный повторитель, повышающий нагрузочную способность ОУ DA1.
В изготовленном автором тахометре коэффициент усиления полосового усилителя по напряжению на частоте 100 кГц равен 400. Граничные частоты полосы пропускания по уровню -3 дБ - 75 и 135 кГц. От образца к образцу прибора значения этих параметров могут отличаться от приведённых на 15...20 %, что не оказывает существенного влияния на работу прибора. Однако частота максимального усиления должна находиться в пределах 100±5кГц. При необходимости её корректируют подборкой резисторов R10, R12 и конденсаторов C4, C6. Обычно бывает достаточно подобрать резистор R10.
Амплитудный детектор собран на диодах VD2 и VD3, а усилитель проде-тектированных импульсов - на ОУ DA3. Цепь R16R24C10 обеспечивает необходимое постоянное смещение на неинвертирующем входе ОУ. Резистор R31 задаёт его ток управления. Конденсатор C12 - разделительный. Цепь отрицательной обратной связи усилителя образована резисторами R27, R33 и конденсаторами C16, C18. Коэффициент усиления по напряжению в середине полосы пропускания равен 5. Конденсаторы C12, C16 формируют частотную характеристикуусилителя в низкочастотной области (частота среза 1...2 Гц), а конденсатор C18 - в верхнечастотной (частота среза 8 кГц). Входное сопротивление усилителя задано резистором R22.
Триггер Шмитта состоит из логических элементов DD3.1, DD3.2 и задающих пороги его переключения резисторов R3, R5. Сдвоенный двоичный счётчик DD5 и логические элементы DD3.3, DD3.4 образуют делители частоты на два, три и четыре.
Одновибратор выполнен на интегральном таймере DA2, времязадающие элементы которого - конденсатор C13 и переключаемые при изменении предела измерения резисторы R25 и R26. Конденсатор C15 - фильтрующий. Электронный ключ на транзисторе VT3 и дифференцирующая цепь R21C8 формируют короткие импульсы запуска одновибратора в моменты нарастающих перепадов импульсов на входе электронного ключа.
Резисторы R29, R30, R34, R35 образуют добавочные сопротивления для микроамперметра PA1. Конденсатор C17 уменьшает дрожание стрелки микроамперметра на нижнем пределе измерения. Контакты кнопки SB1.2 шунтируют микроамперметр PA1, когда кнопка не нажата, и считывать показания прибора не требуется. Это устраняет опасные для микроамперметра резкие колебания его стрелки в моменты включения и выключения тахометра, переключения пределов измерения и режимов работы.
Прибор питают от источника стабилизированного напряжения +9 В с максимальным выходным током не менее 0,5 А. Конденсаторы C2, C3, C9, C14 - фильтрующие в цепи питания.
Детали тахометра смонтированы навесным способом на макетной плате. Излучающий диод VD4 и фотодиод VD1 расположены вне платы на расстоянии 150...200 мм один от другого, образуя промежуток, который при измерении частоты вращения пересекают лопасти вращающегося воздушного винта.
В приборе применены оксидные конденсаторы К50-35, вместо них можно использовать другие аналогичные. Керамические конденсаторы - К10-17, вместо них подойдут КМ-6 или импортные. Времязадающий конденсатор C13 - K73-17, он может быть заменён конденсатором K73-9, K73-24 или другим плёночным. Постоянные резисторы - С2-33. Подстроечные резисторы - СП2-2а или другие подобные. В приборе применены галетные переключатели ПГК и сдвоенная кнопка КМ2-1, вместо которых можно использовать другие аналогичные. Микроамперметр - М906 или другой с током полного отклонения стрелки 100 мкА.
Диоды КД522Б можно заменить диодами этой же серии или, например, серий КД503, КД521. Вместо ИК-излучающего диода АЛ129А подойдут диоды такого же назначения серий АЛ107, АЛ118 или импортные. Фотодиод ФД-256 можно заменить фотодиодами ФД-21КП, ФД-25К, ФД-26К. Замена полевого транзистора КП307Г - транзисторы той же серии с другим индексом или серии КП303, транзисторов КТ315Б - другие маломощные кремниевые структуры n-p-n. Вместо транзистора КТ973А допустимо применить КТ973Б.
При замене ОУ КР1407УД3 и КР140УД1208 на соответственно 1407УД3 и 140УД12 следует учитывать их различия в типе корпуса и назначении выводов. Микросхемы серии К561 могут быть заменены микросхемами серии 564 или импортными аналогами, а микросхема КР1006ВИ1 - импортной серии 555.
Налаживание функциональных узлов тахометра особенностей не имеет и производится по известным методикам. Совмещение оптических осей излучающего диода VD4 и фотодиода VD1 контролируют по максимуму амплитуды сигнала частотой 100 кГц на выходе полосового усилителя (эмиттере транзистора VT2) при нажатой кнопке SB1. Стрелку микроамперметра PA1 устанавливают на последнее деление шкалы при калибровке прибора на пределах измерений 3000 и 30000 об/мин соответственно подстроечными резисторами R35 и R34.
При измерении частоты вращения воздушного винта, лопасти которого изготовлены из материала, слабо поглощающего ИК-излучение, нормальной работы тахометра добиваются уменьшением его чувствительности к ИК-излучению. Для этого подстроеч-ным резистором R6 уменьшают амплитуду сигнала на входе полосового усилителя.
Литература
1. Миль Г. Электронное дистанционное управление моделями. - М.: ДОСААФ, 1980.
2. Евстратов В. Винт на контроле. - Моделист-конструктор, 1992, № 11, с. 6, 7.
3. Оптический тахометр. - URL: http:// radiokot.ru/circuit/digital/measure/03/ (23.06.15).
4. Межлумян А. Цифровая или аналоговая? - Радио, 1986, № 7, с. 25, 26.
Автор: О. Ильин, г. Казань, Татарстан
