Входная емкость современных осциллографов составляет порядка 30...50 пФ. При измерениях к ней добавляется емкость соединительного кабеля, и суммарная входная емкость достигает 100...150 пФ. Это может привести к существенному искажению результатов измерений и неправильной настройке, например, фильтров-пробок выходных каскадов усилителей записи магнитофонов. Вот почему при проведении исследований в цепях, критичных к вносимой емкости измерительного прибора, необходимо применять специальные согласующие устройства, имеющие большое входное сопротивление и небольшую емкость.
Для большинства практических работ необходимы два основных вида устройств: для гармонических сигналов малой амплитуды (1...50 мВ) с коэффициентом передачи К>1 и для сигналов большой амплитуды (до 10...20 В), позволяющие передавать постоянную составляющую сигнала и имеющие коэффициент передачи К=0,2...0,5.
Широкое распространение в последние годы быстродействующих аналоговых и цифровых микросхем, работающих при сравнительно больших напряжениях (ОУ широкого применения, микросхемы серии К561-до 15 В), выявило необходимость устройства, работающего в широком диапазоне напряжений с возможностью передачи постоянной составляющей сигнала.

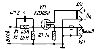
Схема такого устройства в виде щупа приведена на рис. 1. Он выполнен по классической схеме истокового повторителя с использованием транзистора МОП-структуры и содержит минимальное количество деталей. Диапазон рабочих частот составляет О...5 МГц. Питание осуществляется от любого источника тока напряжением 7...15 В, например, аккумуляторной батареи 7Д-0,115-У1.1 или гальванических батарей "Крона", "Корунд". Входная емкость щупа - не более 4 пФ, входное сопротивление - не менее 3 МОм. Выходное напряжение при Uвх=0 co-ставляет 2,5 В. Диапазон входных напряжений в области отрицательных значений (до отсечки) - 7 В, в области положительных значений (до начала ограничения) составляет 13 В при Uпит=9В и 26В при Uпит=15В.
Коэффициент передачи в указанном диапазоне частот составляет 0,4.
Резисторы R1 и R2 образуют входной делитель напряжения, конденсатор С1 служит для частотной компенсации.
Ввиду значительного разброса параметров конкретных экземпляров транзисторов характеристики конструкций щупов также могут отличаться в основном по напряжению отсечки и коэффициенту передачи. Для получения максимального рабочего диапазона в области отрицательных значений входных напряжений необходимо применять транзисторы с максимальным (по абсолютной величине) напряжением отсечки. Автором был применен транзистор с Uзи oтc=4,2 В. Большинство транзисторов КП305И имеют меньшее значение Uзи отс, поэтому при необходимости напряжение отсечки щупа может быть увеличено путем уменьшения коэффициента передачи входного делителя, например, увеличив сопротивление резистора R1. Впрочем, для многих измерений, где требуется настройка по максимуму или минимуму напряжения, значение напряжения отсечки щупа не является существенным, поскольку настройку можно проводить по положительной полуволне сигнала.
Щуп собран в корпусе от фломастера. Монтаж объемный, без применения дополнительных конструктивных элементов. Выводы радиоэлементов соединены непосредственно между собой. Щуп подключают к осциллографу экранированным кабелем длиной не более 30 см.
В конструкции применены резисторы типа МЛТ-0,125. Конденсатор С1 конструктивный, его выполняют проводом ПЭВ диаметром 0,15...0,35 мм. Провод нужно подпаять к левому (по схеме) выводу резистора R1 и намотать 12 витков на правый вывод. Подбор емкости производят изменением числа витков. По окончании настройки на полученном таким образом конденсаторе мелкозернистой шкуркой зачистить дорожку, залудить ее и пропаять тонким слоем (для устранения паразитной индуктивности).
Монтируя щуп, следует принимать меры по предупреждению пробоя полевого транзистора статическим электричеством и наводками от сети.
Настройка устройства заключается в калибровке для получения требуемого коэффициента передачи и подборе емкости конденсатора С1. Проведение калибровки потребует применения регулируемого источника постоянного тока и вольтметра. Подбором сопротивления резистора R1 устанавливают коэффициент передачи К=0,4 (или 0,5), при этом учитывают начальное напряжение смещения на выходе.
При подборе емкости конденсатора С1 необходим генератор прямоугольных импульсов с амплитудой сигнала на выходе 2...10 В и частотой следования 1...10 кГц. Для обеспечения крутых фронтов можно использовать триггерный делитель частоты, например, на микросхемах серий К155, К176, К561. Изменением емкости конденсатора С1 частотной компенсации добиваются получения на экране осциллографа прямоугольных импульсов без завала фронтов, амплитуда выбросов на фронтах должна быть не более 10 % от амплитуды импульсов. Слишком большая емкость вызывает значительные выбросы по фронтам, недостаточная - их затягивание.
На корпус изготовленной конструкции необходимо нанести надписи параметров устройства - входной емкости, сопротивления и коэффициента передачи.
При проведении измерений с отсчетом постоянной составляющей осциллограф необходимо скорректировать по уровню отсчета. Для этого следует замкнуть вход щупа и луч осциллографа установить на нулевую отметку.
А. ГРИШИН г.Москва
