Предлагаемая приставка - по существу измеритель резонансной частоты последовательного колебательного контура, в котором, кроме измеряемой индуктивности, обязательно имеется конденсатор известной ёмкости. Контур связан с внешним генератором немодулированных синусоидальных колебаний через резистор. Измерив резонансную частоту контура по минимуму напряжения на нём (грубо) или по совпадению фаз тока, протекающего через контур, и приложенного к нему напряжения (точно), индуктивность определяют расчётом. Приставка позволяет при необходимости измерять индуктивность на той частоте, для работы на которой предназначена катушка, а также измерять ёмкость конденсаторов и подгонять параметры элементов контура для настройки его на заданную частоту.
В предлагаемой приставке аналогичного назначения, описанной в [1], был использован последовательный колебательный контур, связанный с генератором ГСС-6 через резисторный аттенюатор из его комплекта. Частоту резонанса контура определяли по максимуму напряжения на его конденсаторе. В [2] рассказано о методе измерения резонансной частоты колебательных контуров (параллельного или последовательного), связанных с генератором через резистор, причём момент резонанса предложено определять по минимуму напряжения.
В предлагаемой приставке измеряемая индуктивность входит в состав последовательного колебательного контура, также связанного с генератором через резистор. Момент резонанса контура грубо определяют по минимуму падения напряжения на контуре. Входящий в состав приставки фазометр сравнивает фазу сигнала генератора с фазой протекающего через контур тока. Момент резонанса контура определяют по нулевой разности фаз. Это существенно повышает точность измерения. Милливольтметр и фазометр имеют общий переключаемый стрелочный индикатор.
Основные технические характеристики
Измеряемая индуктивность, мкГн.................0,1...100000
Входное сопротивление канала образцового напряжения, Ом ....................50
Входное сопротивление измерительного канала при резонансе, Ом, не менее .......50
Пределы измерения встроенного милливольтметра, мВэфф.................100,1000
Измеряемая разность фаз, градусов..................0-180
Напряжение питания, В ............5
Потребляемый ток, мА, не более .......................350
Для работы с приставкой был использован генератор сигналов АКИП3409/4, имеющий два выхода с раздельной регулировкой напряжения и начальных фаз генерируемых сигналов. Он особенно удобен при налаживании приставки.
Используемый генератор должен иметь параметры не хуже следующих:
- синусоидальный немодулирован-ный сигнал с коэффициентом гармоник не более 5 % и без постоянной составляющей;
- частота, перестраиваемая в окрестности предполагаемой резонансной частоты контура, образованного измеряемой катушкой и образцовым конденсатором;
- цифровой отсчёт частоты или возможность подключения внешнего частотомера;
- уход частоты за 15 мин после тридцатиминутного самопрогрева не более 2,5-10 f + 50 Гц, где f - частота генератора;
- выходное напряжение на нагрузке 50 Ом не менее 1 Вэфф.
Напряжение на колебательном контуре и сдвиг его фазы относительно приложенного к измерительной цепи напряжения измеряют имеющиеся в приставке милливольтметр и фазометр со стрелочной индикацией показаний. На знак разности фаз (опережение или отставание) указывает соответственно красное или синее свечение имеющегося в приставке светодиода. Фазометр и индикатор знака разности фаз можно использовать и по прямому назначению.

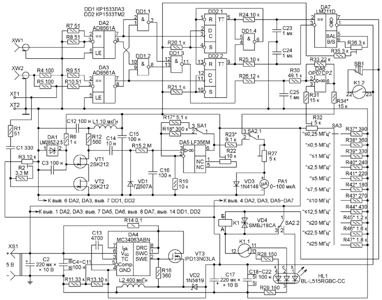
Рис. 1. Схема приставки
Схема приставки изображена на рис. 1. Высокочастотный милливольтметр построен по схеме "усилитель переменного тока - детектор - усилитель постоянного тока". Его входное сопротивление - 3 МОм, входная ёмкость - 4 пФ. Пределы измерения 0-100 мВэфф и 0-1000 мВэфф выбирают переключателем SA1. Входной усилитель милливольтметра выполнен на транзисторах VT1 и VT2 по каскодной схеме. Напряжение +2,5 В на затворе транзистора VT1 стабилизировано интегральным источником образцового напряжения DA1. На затвор транзистора VT2 подано отрицательное напряжение смещения, устанавливаемое под-строечным резистором R3. Усиленное напряжение высокой частоты поступает через конденсатор C14 на детектор (диод VD1) и далее через ФНЧ R15C16 на усилитель постоянного тока на ОУ DA5. В режиме измерения напряжения переключателем SA2.1 к выходу этого ОУ подключён стрелочный микроамперметр PA1. Для защиты индикатора от перегрузок установлен диод VD3.
Поскольку детекторная характеристика диода при малых значениях приложенного к нему переменного напряжения нелинейна, нелинейной получается и шкала прибора. В рассматриваемом случае это не существенно, так как требуется лишь найти частоту, на которой показания милливольтметра минимальны. В результате нелинейности детектора и отношение сопротивлений резисторов обратной связи R17 и R18 далеко от отношения верхних границ соответствующих пределов измерения.
Основа фазометра - фазовый детектор на логическом узле "Исключающее ИЛИ" из элементов DD1.1-DD1.3. Входные импульсные последовательности для него формируют быстродействующие компараторы напряжения DA2 и DA3, служащие детекторами переходов входного напряжения через ноль.
Постоянную составляющую импульсного напряжения с выхода фазового детектора (выхода элемента DD1.3) выделяет интегрирующая цепь R26C25. Одну из слагаемых этой составляющей - не равное нулю напряжение низкого логического уровня на выходе элемента DD1.3 - компенсирует напряжение, поступающее на неинвертирующий вход ОУ DA6 с движка подстроечного резистора R32. С помощью переключателя SA3 эту поправку изменяют в зависимости от частоты измеряемого сигнала. В режиме измерения разности фаз микроамперметр PA1 подключён к выходу ОУ DA6.
Детектор знака разности фаз построен на основе фазо-частотного детектора, образованного D-триггерами DD2.1 и DD2.2 и логическим элементом DD1.4. Входные импульсные последовательности для него те же, что и для фазового детектора.
На выходе одного из триггеров при ненулевой разности фаз входных последовательностей будут следовать с частотой входных сигналов импульсы, коэффициент заполнения которых пропорционален разности фаз. В это время на выходе другого триггера импульсы будут очень короткими, длительностью, зависящей от быстродействия триггеров и логического элемента. При совпадении фаз такие короткие импульсы присутствуют на выходах обоих триггеров. Следовательно, постоянные составляющие сигналов на выходах триггеров, выделенные интегрирующими цепями R24C23 и R25C24 и поданные на входы компаратора напряжения DA7, будут существенно разными при несовпадении фаз и одинаковыми при их совпадении.
Компаратор, непрерывно сравнивая напряжения на своих входах, управляет реле K1. Если фаза сигнала на входе компаратора DA2 опережает фазу сигнала на входе компаратора DA3, контакты реле K1.1 включают красный кристалл светодиода HL1. Когда соотношение фаз этих сигналов обратное, вместо красного включён синий кристалл светодиода HL1. При измерении напряжения цепь питания реле K1 разорвана контактами переключателя SA2.2 и включён зелёный кристалл светодиода.
Неизбежную ошибку сравнения фаз необходимо скомпенсировать с помощью подстроечного резистора R36, доведя её до 1...2°. Во избежание неопределённости вблизи резонанса при первом же срабатывании компаратора реле K1 блокируют замкнувшиеся контакты K1.2. Цепь блокировки можно разорвать нажатием на кнопку SB1 или переводом приставки в режим милливольтметра. Ни ошибки сравнения компаратора DA7, ни самоблокировка реле K1 не отражаются на точности измерения разности фаз описанным выше фазометром.
Для получения необходимого для питания ОУ приставки напряжения -5 В использован инвертор полярности на основе ШИ-контроллера DA4 с внешним полевым транзистором VT3. Поскольку частота преобразования выбрана небольшой (3 кГц), применено простейшее управление затвором транзистора VT3.
Приставка собрана в литом алюминиевом корпусе G0476 размерами 82,5x152,4x50,8 мм. Почти все её детали смонтированы на печатной плате размерами 90x75 мм, чертёж печатных проводников которой приведён на рис. 2, а схема расположения элементов на нёй - на рис. 3. Плату надевают на выводы микроамперметра PA1 и закрепляют на них гайками. Общий провод соединён с корпусом устройства.

Рис. 2. Печатная плата приставки

Рис. 3. Схема расположения элементов на плате
Непосредственно на корпусе размещены разъёмы XS1, XW1 и XW2, зажимы XT1, XT2, зажим заземления, переключатели SA1-SA3, кнопка SB1 и светодиод HL1. Резисторы R4, R5 и R8 смонтированы на выводах разъёмов XW1 и XW2, а R37-R47 - на переключателе SA3.
Микроамперметр PA1 - М592 0- 100 мкА, переключатели SA1 - МТ-1, SA2 - МТ-3, SA3 - ПМ 11П1Н, кнопка SB1 - КМ1-1. Разъёмы XW1, XW2 - импортные приборные розетки BNC 50 Ом или отечественные СР-50-65ФВ. Зажимы XT1, XT2 - на основе импортного винтового зажимного блока для проводов сечением не более 1 мм2.
Реле K1 - РГК-14 исполнения Бг4.569.000-03. Дроссель L1 - AL0307. Дроссель L2 имеет тороидальный магнитопровод DT60-52 размерами 15,2x8,53x5,94 мм. На нём намотаны 85 витков провода ПЭТВ-0,2.
Постоянные резисторы - МЛТ или им подобные, за исключением R2 и R15 - КИМ-0,125 и резистора R14, изготовленного из подходящего высокоомного провода. Подстроечные резисторы R3, R22, r27, R32, R36 - 3266W мощностью 0,25 Вт. Все конденсаторы - импортные, C2 и C17 - оксидные, остальные - керамические.
Собранный без ошибок из исправных деталей инвертор полярности напряжения в налаживании не нуждается. Необходимо лишь проверить напряжение на его выходе, которое должно находиться в пределах -(5...5,2) В относительно общего провода.
Перед началом работы с приставкой необходимо её заземлить. Следует заземлить и работающий с ней генератор.
Налаживание приставки начните, не включая её, с отсоединения верхнего по схеме вывода и движка построечного резистора R27 от подвижного контакта переключателя SA2.1. Измеряя мультиметром в режиме омметра сопротивление между движком подстроечного резистора и общим проводом приставки, установите его равным 1 кОм. Во время измерения сопротивления ток через микроамперметр не должен значительно превышать ток максимального отклонения его стрелки. По завершении этой процедуры восстановите соединение подстроечного резистора R27 и переключателя SA2.1.
Включите приставку и переведите её переключателем SA2 в режим милливольтметра. В первую очередь, в отсутствие сигнала на входе подстроечным резистором R22 установите на ноль стрелку микроамперметра PA1.
Для налаживания милливольтметра потребуется генератор с регулируемым выходным напряжением, соединённый с разъёмом XS2 отрезком коаксиального кабеля с волновым сопротивлением 50 Ом и длиной не более метра. Установите частоту сигнала генератора 25 МГц и его напряжение 1 Вэфф. Переключатель SA1 переведите в верхнее по схеме положение. Подстроечным резистором R3 отрегулируйте смещение на затворе транзистора VT2 так, чтобы наблюдаемый с помощью осциллографа сигнал на стоке транзистора VT1 был неискажённой синусоидой. Подбирая резистор R17, установите напряжение на выходе ОУ DA5 равным 1 В.
Уменьшите напряжение на выходе генератора до 100 мВэфф и переведите переключатель SA1 в нижнее по схеме положение. Подборкой резистора R18 ещё раз установите напряжение на выходе ОУ DA5 равным 1 В. Резистор R23 необходимо подобрать таким, чтобы стрелка микроамперметра PA1 в обоих случаях отклонилась на всю шкалу.
Для калибровки фазометра необходимо временно отпаять любой вывод резистора R4 и соединить центральные контакты разъёмов XW1 и XW2 проволочной перемычкой. Генератор подключите к одному из этих разъёмов и установите на его выходе частоту 25 МГц при напряжении 1 Вэфф. Переключателем SA2 переведите приставку в режим измерения разности фаз. Переключатель SA3 установите в положение "<25 МГц".
При указанном на схеме номинальном сопротивлении резистора R47 добейтесь нулевых показаний микроамперметра PA1 подстроечным резистором R32. Если этого сделать не удаётся, необходимо заменить резистор R47 на резистор ближайшего номинала из рядов Е24 или Е48 и повторить установку нуля.
Далее, не изменяя положение движка построечного резистора R32, переводите переключатель SA3 поочерёдно во все положения от "<22,5 МГц" до "<0,25 МГц". Устанавливая частоту генератора, соответствующую положению переключателя, подбирайте резисторы R46-R37, добиваясь в каждом случае нулевых показаний микроамперметра.
Если имеется двухканальный генератор с регулировкой сдвига фаз между выходами, то снимите установленную ранее перемычку между разъёмами XW1, XW2 и припаяйте на место резистор R4. Соедините второй выход генератора с разъёмом XW1 точно таким же кабелем, каким подключён к разъёму XW2 его первый выход. Задайте сдвиг фазы любого из каналов 180о. Если такого генератора нет, необходимо будет временно отсоединить правые по схеме выводы резисторов R9 и R10 от входов 2 и 3 компаратора DA3 соответственно и подключить их к входам 3 и 2 компаратора DA2.
В положении переключателя SA3 "<0,25 МГц" установите частоту генератора равной этому значению. Резистор R34 подберите таким, чтобы стрелка микроамперметра PA1 отклонилась на всю шкалу. После этого нужно восстановить соединение резисторов R9 и R10.
Для налаживания детектора знака фазы желательно иметь генератор сигналов специальной формы АКИП 3409/4 или другой с близкими функциональными возможностями и параметрами. Подключите его к двум входам приставки, как было описано выше, и установите частоту сигнала равной 25 МГц при нулевом сдвиге фазы между каналами. Зафиксируйте кнопку SB1 в нажатом положении.
Изменяйте начальную фазу сигнала любого из каналов генератора до момента переключения реле K1 и изменения цвета свечения светодиода HL1. Небольшими изменениями фазы в окрестностях этого значения определите ширину зоны нечувствительности детектора фазы, а подстроечным резистором R36 добейтесь её минимума - не более 2,5о на частоте 25 МГц. С понижением частоты она станет меньше: 2о - на частоте 16 МГц, 1о - на частоте 2,5 МГц и ниже. После этого отпустите кнопку SB1. На точность измерения фазы фазометром приставки эта регулировка не влияет.
При отсутствии двухканального генератора нулевую разность фаз можно имитировать, закоротив перемычками конденсаторы C23 и С24. Сделав это, движок подстроечного резистора R36 установите посередине между точками срабатывания и отпускания реле K1 (при нажатой кнопке SB1). Правда, измерить в градусах ширину зоны нечувствительности при этом уже не удастся.
Для измерения резонансной частоты колебательного контура приставку соединяют с генератором, как при калибровке фазометра. Однако, если предполагается использовать только амплитудный метод измерения, сигнал на разъём XS1 можно не подавать. Поскольку входная часть фазометра подключена постоянно, в режиме измерения фазы на выбранной рабочей частоте перед началом работы необходимо откорректировать фазу одного из каналов генератора, контролируя совпадение фаз по стрелочному индикатору РА1, при свободных зажимах ХТ1, ХТ2. О правильности знака коррекции свидетельствует включение элемента HL1 синего свечения.
Напряжение опорного канала не должно превышать 1 Вэфф, напряжение измерительного канала не должно превышать 3 Вэфф во всём рабочем диапазоне частот.
Делать это следует на частоте, близкой к предполагаемой резонансной частоте исследуемого контура.
Подключите этот контур к зажимам ХТ1 иХТ2. Резонанс найдите традиционно - изменением частоты генератора по минимуму показаний сначала милливольтметра, а затем более точно - фазометра. Зная резонансную частоту и ёмкость контура, по формулам, приведённым, например, в [1], [2] и [3], можно найти индуктивность и собственную ёмкость катушки.
Таблица
Катушка | L1 | L2 | L3 | |
Расчётная (номинальная) индуктивность, мкГн | 0,335 | 0,609 | (12) | |
Контурная ёмкость, пФ | 300±10 % | 220±10 % | 330±10 % | |
Резонансная частота, МГц | Расчётная с учётом разброса ёмкости | 15,1...16,7 | 13,1...14,5 | 2,41.-2,66 |
Измеренная амплитудным методом (f0a) | 15.9...16,2 | 14,03...14,1 | 2,264.-2,274 | |
Измеренная фазовым методом (f0ф) | 16,0576...16,0624 | 14,065 | 2,27147 | |
Вычисленная при номинальной ёмкости конденсатора индуктивность, мкГн | По f0a | 0,322...0,334 | 0,579.-0,585 | 14,84.-14,98 |
По f0ф | 0,3272...0,3274 | 0,582 | 14,88 | |
Результаты измерения резонансной частоты трёх контуров с разными катушками индуктивности (L1 и L2 изготовлены самостоятельно, L3 - стандартный дроссель) амплитудным (с помощью милливольтметра) и фазовым (с помощью фазометра) методами приведены в таблице. Измеренные резонансные частоты контуров указаны в ней как интервалы, в пределах которых показания микроамперметра PA1 оставались настолько близкими к минимуму (нулю), что точно определить значение резонансной частоты оказывалось невозможно. При фазовом методе измерения эта "мёртвая зона" значительно уже или вообще отсутствует, что свидетельствует о его повышенной точности.
Индуктивность катушек вычислена исходя из измеренной резонансной частоты и номинальной ёмкости конденсатора колебательного контура.
Литература
1. Пахомов Ю. Приставка к ГСС для измерения L и C. - Радио, 1964, № 6, с. 53, 54, 57.
2. Ильенко С. Простая настройка сложных LC-фильтров. - Радио, 2010, № 8, с. 27.
3. Винокуров В. И., Каплин С. И., Петелин И. Г. Электрорадиоизмерения. - М.: Высшая школа, 1986.
Автор: Д. Молоков, г. Нижний Тагил Свердловской обл.
