При проведении лабораторных исследований, обучении студентов, разработке новых изделий, проверке длинных кабелей, ёмкостных и индуктивных нагрузок были случаи выхода из строя генераторов прямоугольных однополярных импульсов, вызванных замыканиями выхода и соединениями его с источниками высокого напряжения. После того, как генераторы стали подключать через буферные усилители, именно они повреждались от ошибок человека, а генераторы оставались исправными. Это сэкономило значительные средства.

Рис. 1
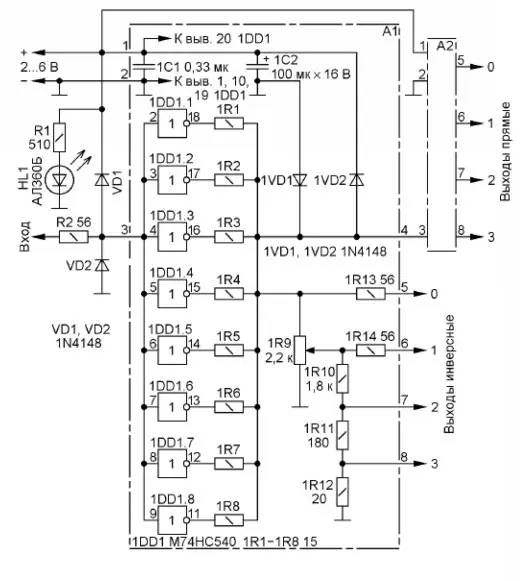
Часто требуется не только прямой, но и инверсный выход. Буферный усилитель, схема которого показана на рис. 1, предоставляет такую возможность. Он содержит два одинаковых блока A1 и A2, резистор R2, защитные диоды VD1 и VD2, индикатор включения - светодиод HL1 с токоограничи-вающим резистором R1.
Входной сигнал через резистор R2 поступает на вход (вывод 3) блока A1 - параллельно соединённые входы всех инверторов микросхемы 1DD1. Хотя диоды VD1 и VD2 подключены параллельно встроенным защитным диодам внутри микросхемы 1DD1, по мнению автора, дополнительная защита не помешает. Выходы инверторов микросхемы 1DD1 соединены параллельно через токоограничивающие резисторы 1R1 - 1R8. В точке их соединения образуется инверсный сигнал, который подаётся на выход (вывод 4) блока A1 через резистор 1R13 на другой выход (вывод 5) и на верхний по схеме вывод переменного резистора 1R9.
Движок 1R9 соединён с делителем напряжения 1R10-1R12. Переменный резистор 1R9 служит регулятором напряжения на инверсных выходах 1-3. Резисторы 1R13 и 1R14 - токоогра-ничивающие. Диоды 1VD1 и 1VD2 также выполняют защитную функцию.
Выходной сигнал блока A1 с его вывода 4 поступает на вход (вывод 3) аналогичного блока A2, который вырабатывает на выводах 5-8 аналогичные выходные сигналы. Так как каждый блок инвертирует сигнал, то на сигналы выходах блока A1 инверсные по отношению к входному, а на выходах блока A2 в результате двойной инверсии получаются сигналы, повторяющие входной.
Максимальная рабочая частота буферного усилителя зависит от используемых микросхем. Для M74HC540 она не менее 25 МГц, для 74ALS540 - 50 МГц, для 74F540 - 100 МГц. Максимальный выходной ток примерно в восемь раз больше, чем для одного элемента. Сопротивления токоограни-чивающих резисторов 1R1 - 1R8 можно при необходимости уменьшить до 10 Ом или увеличить до 47 Ом.

Рис. 2
Раздельная регулировка амплитуды прямых и инверсных импульсов может быть неудобна при проведении некоторых измерений. Чтобы осуществить совместную регулировку амплитуды, применено регулируемое напряжение питания. Его вырабатывает блок, схема которого показана на рис. 2. Напряжение сети через выключатель SA1 и плавкую вставку FU1 поступает на первичную обмотку (I) сетевого трансформатора Т1. Переменное напряжение 10...12 В со вторичной (II) обмотки трансформатора Т1 выпрямляет диодный мост VD1-VD4 и сглаживает конденсатор C2. На микросхеме DA1, включённой по типовой схеме, собран стабилизатор напряжения, которое переменным резистором R3 можно регулировать в пределах 2.6 В. Выходное напряжение Uвых вычисляют по формуле
Uвых = (1+(R3+R4)/R2)-1,25 В.
Сопротивление резистора R2 изменять нежелательно, так как он обеспечивает минимальный ток нагрузки микросхемы 10 мА. Нижний предел регулирования устанавливают подбором резистора R4, интервал регулирования - подбором R3.
При проведении студенческих лабораторных работ сопротивление R3 было выбрано 510 Ом, а резистор R4 заменён перемычкой, чтобы получить пределы регулировки напряжения 1,25...6,6В. Изучалась работа микросхем при низком напряжении питания. Для микросхем 74ALS540 и 74F540 устанавливают интервал 4,5.6,5 В. При этом сопротивление резистора R2 увеличивают до 320 Ом, а R4 - до 840 Ом.
При отсутствии переменного резистора R3 нужного номинального сопротивления выбирают большее сопротивление и шунтируют его постоянным резистором, сопротивление которого подбирают экспериментально.
Светодиод АЛ360Б (HL1) выбран с малым прямым напряжением, чтобы его свечение было заметно даже при минимальном напряжении питания 2 В. При отсутствии подходящей замены другим светодиодом вместо него можно применить миниатюрную лампу накаливания СМН-6,3-20, заменив резистор R1 перемычкой.
Все постоянные резисторы - МЛТ, переменные - СП-1А с номинальной мощностью 1 Вт. Оксидные конденсаторы - алюминиевые, неполярные конденсаторы - плёночные или керамические. В буферном усилителе (см. рис. 1) диоды 1 N4148 можно заменить на 1N914 или другие аналогичные. В блоке питания (рис. 2) вместо диодов 1N4001 (VD1-VD6) можно применить 1N4002-1N4007 или КД243А-КД243Ж. Микросхема стабилизатора напряжения LM317T (DA1) заменима на КР142ЕН12А. Если на микросхеме рассеивается мощность больше 1 Вт, её надо установить на теплоотвод с площадью охлаждающей поверхности из расчёта примерно 20 см2 на 1 Вт рассеиваемой мощности. Сетевой трансформатор Т1 - любой с габаритной мощностью 10.20 Вт и напряжением вторичной обмотки 10.12 В. Можно применить трансформатор от ламповой аппаратуры, соединив две накальные обмотки синфазно последовательно.
Автор: П. Петров, г. София, Болгария
