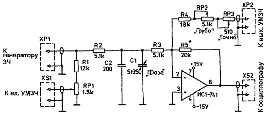
В [1] была описана приставка для измерения коэффициента нелинейных искажений на двух транзисторах. Предлагаемые схемы являются ее развитием. Приставка предназначена для работы со стандартными ЗЧ-генераторами и осциллографами. Желательно, чтобы выходное напряжение генератора было около 10 В (например, ГЗ-35 или ГЗ-102), что упрощает необходимые математические вычисления.
Принцип действия приставок, основанный на безфильтровой селекции гармонической составляющей сигнала, разработан И.Т. Акулиничевым [2]. Схема, приведенная на рис.1, является, по существу, инвертирующим суммирующим усилителем. Ее можно использовать для измерения Кг мощного низкочастотного усилителя в случаях, когда он инвертирует сигнал и обладает следующими примерными параметрами:
- входная чувствительность, В-0,75;
- коэффициент усиления по напряжению, дБ-26;
- номинальная выходная мощность, Вт-50;
- сопротивление нагрузки, Ом-4.

Рис.1. Принципиальная схема измерителя Кг мощного инвертрующего НЧ-усилителя
Предполагается, что выходы генератора и УМЗЧ имеют нулевой потенциал по постоянному току. Если это условие не выполняется, приставка подключается к выходу генератора и УМЗЧ через разделительный конденсатор с подходящей емкостью (обеспечивающей пропускание требуемой полосы частот).
Порядок работы с устройством следующий. Включается питание УМЗЧ и операционного усилителя ИС1 приставки. На вход ХР1 от генератора ЗЧ подается сигнал с размахом 20 В, что соответствует примерно 7,5 В эффективного значения по шкале генератора. С выхода XS1 приставки на вход усилителя мощности подается сигнал с эффективным значением 0,75 В. Выходной сигнал УМЗЧ подается на вход ХР2 приставки, а осциллограф подключается к выходу XS2.
Регулировкой RP2 и RP3 нужно получить минимальный сигнал на выходе ИС1. Затем производится подстройка фазы суммарного сигнала с помощью С1 по минимальному выходному сигналу ИС1. Эту процедуру нужно повторить несколько раз, т.е., регулируя RP3 и С1, добиться минимально возможного сигнала. В результате, при точной настройке амплитуда сигнала на выходе XS2 будет равна амплитуде гармоник.
Конечно, точно определить коэффициент нелинейных искажений (гармоник) Кг можно только путем снятия спектра гармоник посредством низкочастотного спектроанализатора. Однако с достаточной для практики точностью Кг можно считать равным отношению амплитуды сигнала на экране осциллографа к амплитуде выходного напряжения испытываемого усилителя. Вычисление Кг производится следующим образом:- размах выходного напряжения (от пика до пика) Uвых.p испытываемого усилителя определяется по формуле
где Uвх - эффективное значение входного напряжения испытываемого усилителя; Кu - коэффициент передачи усилителя.
Для простоты расчетов выходное напряжение УМЗЧ можно установить Uвых.р = 40 В, регулируя входной сигнал с помощью RP1. Если цена деления вертикальной шкалы осциллографа составляет 0,01 В, и получен сигнал гармоник ±1 деление (соответствующее величине 0,02 В), то выраженный в процентах коэффициент Кг будет равен 0,05%. В некоторых осциллографах, например, С1-49, С1-73, основное деление шкалы подразделяется еще на 5 частей. Следовательно, можно будет определить минимальный Кг порядка 0,01%. Если необходима еще более высокая чувствительность, резистор R5 сопротивлением 20 кОм нужно заменить на резистор 200 кОм, т. е. увеличить коэффициент усиления ИС1 еще в 10 раз, а минимальный измеряемый Кг будет 0,001%. Большие значения Кг измеряются переключением осциллографа на больший диапазон.
Приставку можно упростить, если не ставить целью измерение таких малых значений Кг. ИС1 служит исключительно для увеличения чувствительности рассмотренного устройства. Методика измерения остается прежней, но вход осциллографа включается в точку соединения резисторов R3 и R4. Тогда минимальное деление шкалы для Кг станет равным 0,15%, а самое малое измеряемое значение Кг может составить 0,03%.
Для определения Кг мощных неинвертирующих усилителей рассмотренная схема трансформируется в схему, приведенную на рис.2. В ней параметры приставки аналогичны рассмотренной. Методика измерений остается прежней.

Рис.2. Принципиальная схема измерителя Кг мощного неинвертрующего НЧ-усилителя
В обеих приставках использованы операционные усилители типа А741С. Подходят и другие ИМС, например, 1УО741С, МАА741С, К140УД7 или TL081 (TL071, TL061). Наиболее удобно использовать объединенную схему, установив дополнительный переключатель. Можно также менять чувствительность приставки, коммутируя R5.
Источники
- Костов Д., Имануэл И. Приставка для измерения коэффициента нелинейных искажений. - Радиомир, 2002, N1, С.ЗЗ.
- Акулиничев И. Векторный индикатор нелинейных искажений. - Радио, 1977, N6, С.42.
