При ремонте и настройке аппаратуры где-нибудь вдали от хорошо оснащенной лаборатории, незаменимыми помощниками радиолюбителя становятся "братья меньшие" измерительных приборов — всевозможные пробники, индикаторы и Щупы. Наверняка, в арсенале любого специалиста найдется хотя бы одно, а то и несколько подобных устройств. Но вот похвалиться наличием малогабаритного осциллографа может далеко не каждый. Появившиеся в последнее время импортные осциллографы на ЖКИ по своей цене доступны единицам. А так хотелось бы иметь малогабаритный прибор, позволяющий визуально контролировать сигнал и хотя бы примерно определять его форму, частоту и амплитуду!
В результате многочисленных экспериментов на свет появился малогабаритный осциллографический щуп. К его "плюсам" следует отнести малогабаритность, автономное питание, малое энергопотребление, удобную форму, позволяющую, не отрывая взгляда от пробника, производить регулировку и ремонт аппаратуры. К сожалению, из-за применяемых микросхем, не отличающихся высоким быстродействием, щуп получился низкочастотным, но ему можно найти массу применений. Например, щуп прошел испытания при ремонте и настройке телевизоров, часов, магнитофонов и других аналоговых и цифровых устройств. Как и настоящий осциллограф, щуп позволяет визуально контролировать входной сигнал и примерно определять его параметры, а также служит индикатором фазного провода сети. Схема щупа приведена на рис.1.

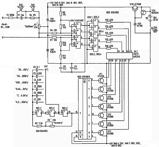
Рис.1. Принципиальная схема щупа
Его основой является светодиодная матрица АЛС340, которая содержит 35 светодиодов - 7 рядов по 5 колонок.
Генератор тактовых импульсов (развертки по горизонтали) собран на элементах DD1.1...DD1.3. Переключателем SA1 выбирают необходимый частотный диапазон, а резистором R3 синхронизируют сигнал. С генератора импульсы поступают на счетчик-дешифратор DD2, выходы которого управляют работой транзисторных ключей. Ключи поочередно перебирают ряды матрицы, за счет чего формируется развертка по горизонтали. Хотя разрешающая способность матрицы и невелика, она все же способна отобразить синусоиду, прямоугольные импульсы, пилу и другие периодические сигналы. Особенно эффективно и "удобочитаемо" смотрится сигнал, находящийся у порога синхронизации. Тогда он перемещается в одну из сторон, что во многих случаях предпочтительнее полной остановки.
Устройство вертикального отклонения луча состоит из конденсатора С1, переключателя SA2, позволяющего контролировать постоянное или переменное напряжение, резистивного делителя R1-R4-R5, переключателя SA3, выбирающего необходимый диапазон входного сигнала, четырех компараторов микросхемы DA1 и элементов совпадения DD1.4, DD3. Диоды VD1, VD2 защищают входы компараторов от перегрузок. Резисторы R6...R11 устанавливают пороговые напряжения на компараторах, с одной стороны, а с другой - создают "виртуальную землю", необходимую для нормальной работы микросхемы DA1.
Когда входной сигнал отсутствует, все компараторы выключены, и поэтому в устройстве совпадения активным является элемент DD1.4. В этом случае излучают светодиоды средней колонки, образуя нулевую линию развертки. При появлении входного сигнала положительной полярности поочередно срабатывают компараторы DA1.1, DA1.2, а отрицательного - DA1.3, DA1.4. Логика устройства совпадения выбрана такой, чтобы в случае срабатывания всех компараторов горели только крайние светодиоды. Это позволило добиться на экране изображения из цепочки светящихся точек, объективно передающих информацию о форме исследуемого сигнала. Резисторы R12...R16 - токоограничительные для светодиодной матрицы. Уменьшая их сопротивление, можно повысить яркость, но это повлечет за собой увеличение энергопотребления щупа. Элементы VT8, VT9, VD3 образуют стабилизатор напряжения.
В авторском варианте щуп собран в корпусе от "Знакового логического индикатора", выпускавшегося ранее нашей промышленностью. Его вид изображен на рис.2. В нем вместо "родного" индикатора АЛС324 установлена матрица АЛС340. Монтаж деталей - смешанный (печатно-навесной), что обусловлено его большой плотностью. Компоновка и размеры щупа в основном определяются используемыми переключателями и переменными резисторами. В качестве корпуса можно использовать любую пластиковую коробочку, например, футляр от зубной щетки, авторучки, пенал. Светодиодная матрица устанавливается в нижней части корпуса вблизи металлической иглы-щупа, туда же выводятся органы регулировки. Монтаж выполнен тонким проводом МГТФ.

Рис.2. Схема монтажа
Источник питания - батарейка 6F22 или "Крона". В качестве SA3 и SA4 использованы микропереключатели ПД9-2, SA1 совместно с SA2 - блок переключателей от импортного сетевого адаптера. Переменные резисторы R3, R5 - регуляторы громкости плейера. Эти элементы могут быть и другими, главное, чтобы они были малогабаритными. Вместо АЛС340 можно установить АЛ306А, Б, Ж, И. Стабилитрон VD3 - в стеклянном корпусе. Конденсатор С1 - К73-9, С2...С7 - керамические, малогабаритные. Все микросхемы серии К561 заменяются на К176. Вместо К561ИЕ8 можно применить К561ИЕ9 (с учетом различий в цоколевке). Счетверенный ОУ К1401УД2 можно заменить на два сдвоенных К157УД2, установив их друг на друга.
Щуп, собранный из заведомо исправных деталей, начинает работать сразу. Возможно, придется подобрать величину R2 - для небольшого перекрытия соседних диапазонов, и R8, R11 -для равномерного срабатывания компараторов положительного и отрицательного сигналов. Работа со щупом практически ничем не отличается от работы с обыкновенным осциллографом.
Источники
- Горошков Б.И. Элементы радиоэлектронных устройств. - МРБ, N1125.
- Гутников B.C. Интегральная электроника в измерительных устройствах.
- Пароль Н.В., Кайдалов С.А. Знакосинтезирующие индикаторы и их применение. - МРБ, N1122.
- Шило В.Л. Популярные микросхемы КМОП: Справочник.
Автор: В.РУБАШКА, г.Лисичанск
