В радиолюбительской практике, при построении перестраиваемых генераторов напряжений, для проверки и настройки передатчиков может быть полезен сверхширокополосный усилитель (СШУ) с электронной регулировкой усиления. На рис.1 приведена схема такого усилителя.

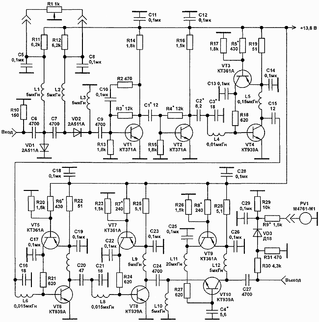
Рис.1. Принципиальная схема СШУ
| Коэффициент усиления, дБ | 68 |
| Полоса частот, МГц | 8...240 |
| Неравномерность амплитудно-частотной характеристики, дБ | ±1,5 |
| Глубина регулировки усиления, дБ | 34 |
| Выходная мощность (на нагрузке 50 Ом), Вт, не менее | 1 |
| Напряжение питания, В | 12 |
| Максимальный потребляемый ток, А | 1 |
| Габаритные размеры, мм | 160x53x35 |
Усилитель содержит Г-образный аттенюатор на p-i-n диодах VD1 и VD2, 6 каскадов усиления на транзисторах VT1, VT2, VT4, VT6, VT8, VT10 и датчик уровня выходного напряжения на диоде VD3.
Аттенюатор изменяет уровень сигнала на входе усилительных каскадов, регулируя тем самым коэффициент усиления. При перемещении движка резистора R1 в крайнее левое (по схеме) положение, напряжение на диоде VD1 становится равным нулю, и его сопротивление — максимально. В это время напряжение на диоде VD2 — максимально, а его сопротивление — минимально. В этом случае коэффициент передачи усилителя максимален. При перемещении движка R1 вправо коэффициент усиления плавно уменьшается. В процессе регулировки усиления происходит небольшое изменение наклона АЧХ усилителя, однако в диапазоне регулировки (34 дБ) ее неравномерность не превышает ±1,5 дБ.
В первом усилительном каскаде на транзисторе VT1 используется параллельная обратная связь по напряжению через резистор R2, уменьшающая входное сопротивление каскада и обеспечивающая тем самым увеличение глубины электронной регулировки усиления. Во втором каскаде использована корректирующая цепь первого порядка C1-R15. Требуемый режим работы первых двух каскадов (ток покоя - 5 мА) устанавливается подбором резисторов R3 и R4.
В остальных каскадах на транзисторах VT4, VT6, VT8, VT10 применена активная коллекторная термостабилизация [1]. Токи покоя указанных транзисторов выбираются равными 50 мА (для VT4 и VT6), 400 мА (для VT8 и VT10), и устанавливаются они подбором резисторов R5...R8. Требуемая полоса пропускания в каскадах на транзисторах VT4, VT6 и VT8 достигается благодаря использованию реактивных межкаскадных корректирующих цепей третьего порядка [2].
Выходной каскад выполнен по схеме со сложением напряжений [3] и обеспечивает суммирование на нагрузке сигнальных напряжений, отдаваемых транзисторами VT8 и VT10.
Печатная плата усилителя (рис.2) состоит из двух частей размерами 65x45 мм и 82x45 мм. Она изготавливается из двустороннего фольгированного стеклотекстолита толщиной 1,5...2 мм. Пунктирной линией на рис.2 обозначены места металлизации торцов платы, что можно также сделать с помощью металлической фольги, которая припаивается к нижней и верхней частям платы. Металлизация необходима для устранения паразитных резонансов и заземления нужных участков печатной платы. После металлизации торцов с помощью напильника выравнивается нижняя часть платы, и она устанавливается в корпус.

Рис.2. Печатная плата усилителя
Настройка усилителя состоит из нескольких этапов. Вначале производится покаскадная настройка АЧХ усилителя. Для этого с помощью резисторов R3...R8 устанавливаются токи покоя транзисторов. Затем в качестве нагрузки VT1 через разделительный конденсатор подключается резистор 50 Ом. Подбором R2 достигается равномерная АЧХ каскада до частоты 250 МГц. Далее к первому каскаду подключается второй, и подбором емкости конденсатора С1 выравнивается АЧХ двух первых каскадов. После подключения каскада на транзисторе VT4 подбором С2 устанавливается равномерная АЧХ трех первых каскадов в области нижних и средних частот. Подбором СЗ выравнивается АЧХ в области верхних частот. Если этого не удается достичь, следует уменьшить величину С2.
Далее подключается следующий каскад, и процесс настройки повторяется. После подключения каскада на VT10, с помощью С4 достигается максимальная выходная мощность усилителя. Ориентировочно это условие соответствует коэффициенту передачи по напряжению выходного каскада, равному двум [3].
На фотографии, приведенной на рис.3, видна панель с 5 выводами, к которым подводится напряжение питания усилителя, а также подключается потенциометр R1 и стрелочный индикатор уровня выходной мощности PV1 (М4761). Коррекция показаний индикатора осуществляется с помощью R9.

Рис.3. Печатная плата усилителя
Источники
- Титов А.А. Расчет схемы активной коллекторной термостабилизации и ее использование в усилителях с автоматической регулировкой потребляемого тока. — Электронная техника, 2001, N2, С.26
- Титов А.А. Параметрический синтез межкаскадной корректирующей цепи сверхширокополосного усилителя мощности. — Известия вузов. Электроника, 2002, N6, С.81.
- Бабак Л.И., Дьячко А.Н. Мощный наносекундный видеоусилитель по схеме со сложением напряжений. — Приборы и техника эксперимента, 1981, N3, С.127.
Автор: А.ТИТОВ, г.Томск, E-mail: titov_aa@rk.tusur.ru
