В статье приводится описание конструкции простого индикатора радиоактивности с электропитанием от ручного электрогенератора, в качестве которого использован шаговый электродвигатель. Прибор выполнен на базе датчика СТС-5, допустимо его заменить датчиком СБМ-20 или СИ-22Г. Конструкция разработана с использованием наиболее широко распространённых компонентов, не требует для своего повторения сложных технологий и может быть изготовлена начинающим любителем электроники.
В настоящее время нетрудно приобрести самые разнообразные модели индикаторов радиоактивности и дозиметров [1]. Кроме этого, любители электроники регулярно предлагают свои варианты таких приборов [2, 3]. Тем не менее, практически все конструкции, которые знакомы автору, требуют для своей работы химического источника тока, солнечной батареи или подключения к электросети. Поэтому по настоящему большая катастрофа сделает эти приборы бесполезными, особенно если будут проблемы с использованием солнечной энергии [4, 5], что не позволит применять солнечные батареи в качестве основного источника энергии.
Следует отметить, что известна конструкция полностью автономного индикатора радиоактивности [6]. Она представляет собой электроскоп, который заряжается за счёт электризации трением. Недостатком этой конструкции является то, что она предъявляет довольно высокие требования к качеству изготовления отдельных деталей и проведению сборки, а кроме этого, электроскоп пригоден только для оценки по-настоящему больших уровней радиации, вроде тех, которые могут возникнуть при выпадении радиоактивных осадков сразу после ядерного взрыва [7, 8].
Индикатору радиоактивности для работы требуется относительно немного энергии, это позволяет организовать питание такого прибора от ручного электрогенератора. Данная особенность является главной отличительной чертой описываемого устройства, которая редко встречается в подобных конструкциях [9-11].

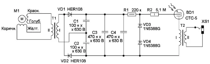
Рис. 1.
Схема индикатора показана на рис. 1. В качестве электрогенератора использован шаговый электродвигатель WESTON 4SHG-023A 39S 2.3V 1.5E 1.8’/STEP J.D.K 891. Этот электродвигатель имеет две обмотки, которые соединяют последовательно. К электродвигателю подключён трансформатор T1, который повышает напряжение, вырабатываемое генератором, примерно до 150...200 В. Применён понижающий маломощный трансформатор с максимально допустимым током вторичной обмотки 0,3 А, при этом его низкоомная (в обычном случае вторичная) обмотка под ключена к шаговому двигателю, а высокоомная (в обычном случае первичная) обмотка подключена к удвоителю напряжения, который собран на конденсаторах С1, С2 (К73-17) и диодах VD1, VD2. На выходе удвоителя напряжения установлены накопительные конденсаторы С3, C4 (К73-11). Напряжение с этих конденсаторов поступает на параметрический стабилизатор напряжения R1VD3VD4, который предотвращает появление на счётчике Гейгера напряжения выше 400 В даже при быстром вращении вала генератора. От этого стабилизатора через резистор R2 (МЛТ) осуществляется питание счётчика Гейгера BD1 (СТС-5).
Для индикации срабатывания детектора в данном устройстве используются стандартные широко распространённые низкоомные головные телефоны с номинальным сопротивлением 32Ом. Сигнал на телефоны подаётся через маломощный понижающий трансформатор T2 230 В/8 В с максимально допустимым током вторичной обмотки 0,3 А, который аналогичен трансформатору T1. В цепь счётчика Гейгера включена первичная высоковольтная обмотка трансформатора T2, головные телефоны подключены к низкоомной вторичной обмотке этого трансформатора. Для подключения головных телефонов использовано моногнездо XS1 (Jack 3,5 мм), но можно применить и стереогнездо FT6320 (Jack 3,5 мм; с выключателем). Это позволяет использовать для работы с этим индикатором обычные широко распространённые головные телефоны с разъёмом Jack 3,5 мм, что выгодно отличает этот прибор от устройств, которые требуют использование высокоомных головных телефонов ТОН-2 [9, 12] или пьезокерамического звукоизлучателя ЗП-1, который в подобной конструкции [10] даёт плохо различимый тихий звук.
Единственным относительно мало распространённым компонентом в устройстве является счётчик Гейгера BD1. Все остальные компоненты или их аналоги могут быть легко приобретены или найдены в ненужной электронной аппаратуре. Это делает сборку данного устройства возможной почти в любых условиях.
Большая часть элементов индикатора размещена на односторонней печатной плате, изготовленной из стеклотекстолита толщиной 1,5...2 мм методом прорезания фольги. Чертёж платы показан на рис. 2.

Рис. 2.

Рис. 3.
Корпус индикатора изготовлен из отрезка пластмассового кабельного короба длиной 240 мм с поперечными размерами 60x35 мм [13]. Крышка имеет длину 175 мм, закрывая все основные компоненты, кроме шагового двигателя, который располагается в одном из торцов корпуса (рис. 3). На вал шагового двигателя надет маховик от детской швейной машинки (рис. 4).

Рис. 4.
Противоположный торец корпуса закрыт Г-образной заглушкой, вырезанной из того же самого кабельного канала. Торцевая заглушка крепится на месте с помощью мебельного уголка МК размерами 16x16x12 мм (рис. 5). Разумеется, вместо неё можно использовать штатную заглушкудля кабельного короба.

Рис. 5.

Рис. 6.
К корпусу с помощью четырёх винтов М4х50 с гайками крепится шаговый двигатель (рис. 6). Трансформаторы T1 и T2 закреплены с помощью хомутов, изготовленных из перфорированной металлической ленты. Счётчик BD1 крепится с помощью пластиковых самодельных хомутов. Общее расположение элементов устройства в корпусе показано на рис. 7.

Рис. 7.

Рис. 8.
Правильно собранное устройство начинает работать сразу и налаживания не требует. Индикатор радиоактивности с подключёнными головными телефонами показан на рис. 8. Если устройство работоспособно, то в головных телефонах будут слышны периодические щелчки, частота которых увеличивается, если к детектору поднести какой-либо объект, содержащий радиоактивные вещества, которые испускают гамма- или жёсткое бета-излучение. Для проверки индикатора в качестве импровизированного "контрольного источника" можно, например, использовать урановое стекло [14], вольфрамовые сварочные электроды (подойдут только электроды, легированные торием) [15] или калиевые удобрения [16]. Подсчитывая щелчки в головных телефонах, можно примерно оценить дозу ионизирующего излучения. Число щелчков за 40 с будет примерно соответствовать мощности экспозиционной дозы, выраженной в микрорентгенах в час [12]. Разумеется, подобный способ "измерения" не точен и не так удобен, как считывание показаний с экрана или стрелочного индикатора, но это неудобство является обратной стороной простоты конструкции этого прибора. Также следует отметить, что ни этот простейший индикатор, ни сложное профессиональное оборудование не будут полезны, если пользователь не будет иметь минимальных представлений о действии ионизирующего излучения на живые организмы [17-21].
Чертёж печатной платы находится здесь.
Литература
1.Как выбрать дозиметр? - URL: https:// mydozimetr. ru/blog/stati/kak-vybrat-dozimetr/ (26.11.2023).
2.Народная дозиметрия. Бюджетный детектор радиации своими руками. - URL: https://habr.com/ru/articles/662343/ (26.11.2023).
3.Дозиметр для Серёжи. Часть II. "Столетние трубки" vs мирный атом. - URL: https://habr.com/ru/articles/461 107/ (26.11.2023).
4.Ядерная зима и её компьютерное моделирование в 80-х. - URL: https:// habr.com/ru/companies/ruvds/articles/ 668256/ (26.11.2023).
5.Тарко А. М., Пархоменко В. П. Ядерная зима: история вопроса и прогнозы. - URL: https://cyberleninka.ru/article/n/ yadernaya-zima-istoriya-voprosa-i-prognozy/viewer (26.11.2023).
6.Дозиметр для Серёжи. Часть III. Народный радиометр. - URL: https://habr. com/ru/articles/471236/ (26.11.2023).
7.Гражданская оборона на железнодо-рожномтранспорте. Под. ред. Волкова В.А. и Ильина Г. Т. - М.: Транспорт, 1987. - 280 с.
8.Полинг Л. Не бывать войне! - М.: Издательство иностранной литературы, 1960. - 236 с.
9.Автономный индикатор радиоактивности без батареек. - URL: https://habr.com/ ru/articles/752844/ (26.11.2023).
10.Индикатор радиоактивности без батареек. - URL: https://tabun.everypony.ru/ blog/electro/212349.html (26.11.2023).
11.Лекомцев Д. Демонстрационный индикатор радиоактивного излучения. - Радио, 2015, №1,с. 40, 41.
12.Поляков В. Индикатор радиоактивности. - Юный техник, 2011,№7, с. 74-78.
13.Миниатюрный пластиковый корпус из бросовых материалов. - URL: http://arv. radioliga. com/content/view/22 1 /43/ (26.11.2023).
14.Урановое стекло. Радиоактивная красота! [Радиоактивные материалы]: - URL: https://www.youtube.com/watch?v=oGtfb QZD4uE (26.11.2023).
15.Радиоактивные ториевые электроды WT-20. - URL: https://www.youtube.com/ watch?v=nAYP2ow6xp4 (26.11.2023).
16.Радиоактивные удобрения. - URL: https://www.youtube.com/watch?v=QsSbe ZePJL8 (26.11.2023).
17.Константинов А. Занимательная радиация. Всё, о чём вы хотели спросить: чем нас пугают, чего мы боимся, чего следует опасаться на самом деле, как снизить риски. - Новоуральск: ООО Аристократ, 2016, 224 с.
18.Мюллер Р. Физика для будущих президентов. - М.: Астрель: Полиграфиздат, 2011. - 416 с.
19.Радиохимия (часть 1). Начало. Химия - просто. - URL: https://www.youtube.com/ watch?v=RkMJkqjNObY (26.11.2023).
20.Бекман И. Н. Радиохимия. Т 1. Фундаментальная радиохимия. Учебник и практикум. - М.: Из-во Юрайт, 2014. - 473 с.
21.Хала И., Навратил Дж. Д. Радиоактивность, ионизирующее излучение и ядерная энергетика. - М.: ЛКИ, 2012. - 432 с.
Автор: Д. Лекомцев, г. Орёл
