В этом термометре, построенном на стандартном, широко распространённом в промышленности датчике температуры серии ТСМ и микросхеме АЦП двойного интегрирования КР572ПВ2, специально предназначенной для измерительных приборов, приняты все меры для компенсации влияния источников погрешности и повышения точности отсчёта температуры.
Логометрический метод измерения сопротивления резистивного датчика температуры (метод отношений) позволяет простым способом устранить влияние нестабильности тока, протекающего через датчик, на точность преобразования. Принцип этого метода иллюстрирует рис. 1. Ток I создаёт на сопротивлении датчика Rд падение напряжения Uд=I·Rд. Последовательно с датчиком включено образцовое сопротивление R0, на котором падает напряжение U0. Результат измерения N=Uд/U0=Rд/Ro не зависит от тока, поскольку Uд и Uо изменяются пропорционально ему. Точность измерения зависит только от температурной стабильности образцового сопротивления R0.

Рис. 1. Логометрический метод измерения сопротивления резистивного датчика температуры
Микросхема КР572ПВ2 (аналог импортной ICL7107) предназначена именно для таких измерений. Она имеет дифференциальные взаимно развязанные входы измеряемого (входного) Uвх и образцового Uобр напряжения, а результат измерения - отношение Uвх к Uобр.

Рис. 2. Схема измерительной цепи
При измерении температуры по шкале Цельсия требуется отображать ещё и знак температуры. Для этого в измерительную цепь нужно ввести, как показано на рис. 2, резистор смещения Rсм, сопротивление которого должно быть равно сопротивлению датчика при температуре 0 оС. Результат измерения будет равен
N = (Uд - Uсм)/Uо = (Rд - Rсм)/Rо .
Точность измерения в этом случае зависит от температурной стабильности не только Rо, но и Rсм. Однако у микросхемы КР572ПВ2 входы для подачи напряжения Uсм не предусмотрены. В предлагаемом варианте термометра решена не только эта, но и другие проблемы. Он нечувствителен к стабильности тока, протекающего через датчик, дрейфу нуля и дрейфу коэффициента усиления входящего в состав прибора операционного усилителя, к сопротивлению проводов, соединяющих датчик и термометр, переходному сопротивлению контактов разъёма датчика, а в случае применения нескольких переключаемых датчиков - к переходному сопротивлению контактов переключателя.
Термометр измеряет температуру в интервале от -50 до 180 оС с разрешающей способностью 0,1 оС. Датчиком служит стандартный медный термометр сопротивления (ТСМ) с характеристикой 23 [1] и сопротивлением 53 Ом при 0 оС. Линейность шкалы прибора зависит только от датчика и сохраняется во всём интервале измеряемой температуры.
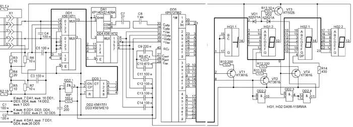
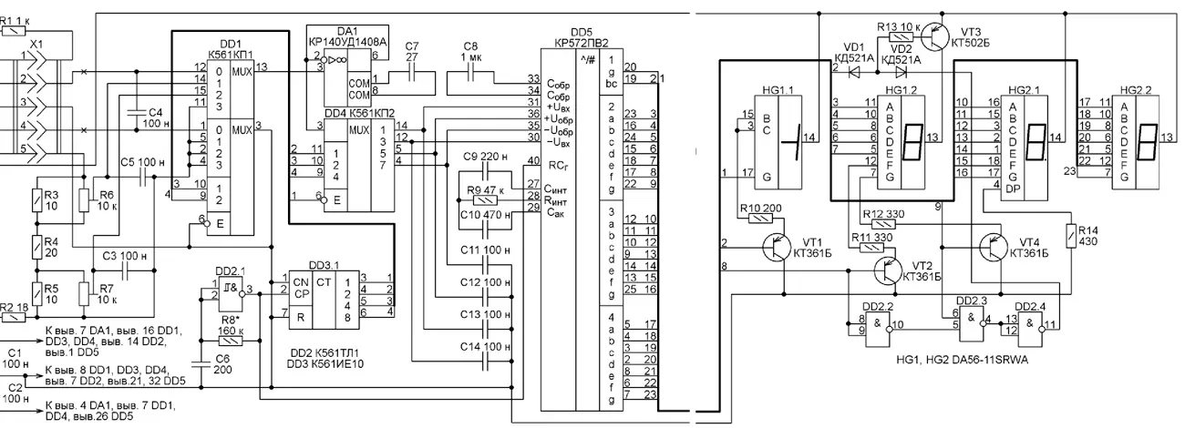
Схема термометра показана на рис. 3. Подаваемые на входы микросхемы DD5 напряжения формируются на конденсаторах C11-C14, поочерёдно подключаемых к выходу ОУ DA1 селектором-мультиплексором DD4 (К561КП2), способным коммутировать и аналоговые сигналы. Синхронно с DD4 селектор-мультиплексор DD1 (К561КП1) подключает к входу ОУ напряжение с резисторов измерительной цепи.
Рис. 3. Схема термометра
Селекторами-мультиплексорами управляет счётчик DD3.1, на вход которого поданы импульсы частотой 50 кГц от генератора на триггере Шмитта DD2.1. Частоту устанавливают подборкой резистора R8. Резистор R1 задаёт ток, протекающий через датчик RK1, а на резисторах R2-R7 формируются напряжения Uсм и Uобр.
ОУ DA1 (КР140УД1408А) служит повторителем напряжения, имеющим высокое входное, низкое выходное сопротивление и коэффициент передачи, равный единице. Однако он смещает уровни сигналов, проходящих через повторитель, на величину дрейфа нуля ОУ Uдн. Чтобы выделить дрейф нуля, селектор-мультиплексор DD1 при коде 11 на адресных входах соединяет вход повторителя с общим проводом. Затем селектор-мультиплексор DD4 подключает к выходу повторителя конденсатор C11, который заряжается до напряжения Uдн. Это напряжение поступает на вход -Uобр микросхемы DD5. Можно показать, что этим влияние дрейфа нуля ОУ на результат измерения температуры полностью устраняется.
Элементы DD2.2-DD2.4, резисторы R11-R13, диод VD2, транзисторы VT2-VT4 служат для гашения незначащего нуля на индикаторе HG1.2 (разряд десятков градусов). Диод VD1 блокирует гашение нуля при температуре выше 99,9 оС, когда на индикаторе HG1.1 выводится единица. Транзисторы VT1, VT2 и VT4 умощняют выходы микросхемы DD5, обеспечивая их уровни, приемлемые для микросхемы DD2.

Рис. 4. Схема блока питания
Если измерять температуру выше 99,9 оС не предполагается, резистор R10, диоды VD1, VD2 и транзистор VT1 можно удалить, а оставшиеся свободными выводы элемента DD2.4 и резистора R13 соединить между собой.
В блоке питания (рис. 4) отрицательное напряжение -4,7 В формируется способом, описанным в [2], что позволяет использовать трансформатор T1 с меньшим числом вторичных обмоток.
Резисторы, применяемые в термометре, могут быть любыми. Для ответственных измерений рекомендуется применять резисторы R2-R5 с низким температурным коэффициентом сопротивления - С2-29В, С2-36, С2-14. Подстроечные резисторы R6 и R7 лучше использовать непроволочные многооборотные, например, СП3-24, СП3-36, СП3-37, СП3-39, СП3-40, РП1-48, РП1-53, РП1-62а. Их номиналы могут отличаться от указанных на схеме и достигать нескольких десятков килоом.
Конденсаторы C9-C14 - К72-9, К71-4, К71-5, К73-16, К73-17. Оксидные конденсаторы могут быть любыми. Остальные конденсаторы - любые малогабаритные керамические. Конденсаторы C1 и C2 располагают как можно ближе к выводам питания ОУ DA1, а конденсаторы С23-С25 - вблизи микросхем DD1-DD5.
Интегральный стабилизатор DA3 устанавливают на алюминиевую пластину площадью не менее 16 см2. Трансформатор T1 - ТП132-19 или другой габаритной мощностью не менее 3 В·А с двумя вторичными обмотками напряжением 9 В.
Для налаживания термометра требуется магазин сопротивлений, который подключают вместо датчика RK1. Перед началом налаживания все переключатели магазина проверните несколько раз от упора до упора, чтобы удалить окисную плёнку, образовавшуюся на их контактных поверхностях. Движки подстроечных резисторов R6 и R7 установите примерно в среднее положение, а переключатели магазина сопротивлений - в положение 53 Ом. Сделав это, подстроечным резистором R6 установите на индикаторе термометра 0,0 оС.
Далее переключатели переведите либо в положение 77,61 Ом, что соответствует температуре 99,0 оС, либо в положение 93,64 Ом (температура 180,0 оС). Подстроечным резистором R7 установите на индикаторе заданную температуру. Для контроля переключатели переведите в положение 41,71 Ом. Индикатор должен показать -50,0 оС. Описание подобной операции имеется в [3].
При отсутствии магазина сопротивлений регулировку можно выполнить общеизвестным способом. Датчик и образцовый термометр скрепите между собой и поместите в сосуд с тающим льдом, где количество нерастаявшего льда должно преобладать над количеством талой воды. Термометр и датчик не должны касаться льда и стенок сосуда. После погружения выждите некоторое время для установления показаний термометра. Когда они стабилизируются, подстроечным резистором R6 установите на индикаторе 0,0 оС.
Затем датчик и образцовый термометр поместите в тщательно перемешанную подогретую воду. Чем выше её температура, тем точнее будет регулировка. После стабилизации показаний подстроечным резистором R7 доведите их до показаний образцового термометра. Рекомендуется повторить регулировку несколько раз.
При самостоятельном изготовлении датчика отмерьте для него отрезок медного провода любого диаметра такой длины, чтобы его сопротивление при фактической температуре окружающей среды соответствовало указанному в табл. 1. Расчётная длина провода при температуре 20 оС в зависимости от его диаметра приведена в табл. 2. Удельное сопротивление меди при этой температуре принято равным 0,0175 Ом·мм2/м.
Таблица 1
T, оС | Rд, Ом | T, оС | Rд, Ом |
0 | 53,00 | 20 | 57,52 |
15 | 56,39 | 21 | 57,74 |
16 | 56,61 | 22 | 57,97 |
17 | 56,84 | 23 | 58,19 |
18 | 57,06 | 24 | 59,42 |
19 | 57,29 | 25 | 58,65 |
Таблица 2
Номинальный диаметр по меди, мм | Длина, м |
0,05 | 6,45 |
0,03 | 9,29 |
0,07 | 12,65 |
0,08 | 16,52 |
0,09 | 20,91 |
0,1 | 25,85 |
Самый простой вариант - отмерить провод с запасом, а затем укорачивать его, добиваясь нужного сопротивления.
Но особенно точно подгонять сопротивление датчика под указанные в табл. 1 значения не стоит. Ведь в процессе налаживания всё равно придётся пользоваться подстроечными резисторами R6 и R7.
Провод датчика намотайте на катушку бифилярным способом, предварительно сложив его вдвое. Такой датчик не обладает индуктивностью, а все электромагнитные наводки на каждую половину его провода взаимно нейтрализуются. При налаживании прибора с самостоятельно изготовленным датчиком с помощью магазина сопротивлений необходимо учитывать отклонения фактического сопротивления датчика от стандартного [1].
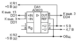
Источник напряжения 5 В (д), питающий цепь датчика, должен быть гальванически изолирован от других цепей. Отказаться от такого источника позволит применение инструментального усилителя AD623.
Такой усилитель желателен ещё и потому, что он обладает большим коэффициентом ослабления синфазных помех, неизбежно возникающих на соединительных проводах датчика. Схема включения усилителя в термометр изображена на рис. 5. Можно применить инструментальный усилитель и другого типа, например, AD8221, LT1168, MAX4194.

Рис. 5. Схема включения усилителя в термометр
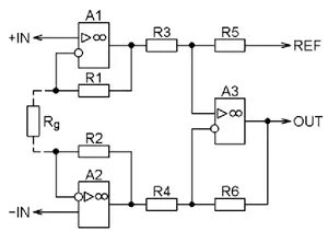
На рис. 6 представлена схема инструментального усилителя, в которой могут быть применены любые ОУ. Рекомендуемые номиналы всех резисторов - 51 кОм, однако они могут быть и другими. Необходимо лишь выполнить с возможно большей точностью (с погрешностью в доли процента) условия R1=R2 и R3=R4=R5=R6.

Рис. 6. Схема инструментального усилителя
От сопротивления внешнего резистора Rg зависит коэффициент усиления инструментального усилителя:
K = 1 + (R1 + R2)/Rg .
В его отсутствие он равен единице, а резисторы R1 и R2 можно заменить перемычками.
Ток, проходящий через датчик, нагревает его, что приводит к ошибке измерения температуры. Резистор R1 (см. рис. 3) рассчитан так, что в цепи датчика протекает ток около 4,43 мА, при котором изменение температуры на один градус вызывает изменение напряжения Uд на 1 мВ. Уменьшить ток можно увеличением сопротивления R1. Однако во сколько раз был уменьшен ток, во столько же раз необходимо увеличить коэффициент усиления ступени на ОУ DA1, для чего надо изменить схему термометра, как показано на рис. 7. В данном случае коэффициент усиления равен
K = 1 + R2`/R1`.
Но уменьшением тока не следует увлекаться, поскольку при усилении полезного сигнала будут усиливаться и помехи. Температурный дрейф коэффициента усиления на результатах измерения не скажется, так как все участвующие в измерении сигналы проходят поочерёдно через один и тот же усилитель и изменяются пропорционально. Их отношения остаются неизменными.

Рис. 7. Изменённая часть схемы термометра
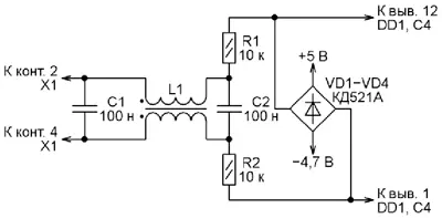
Применение фильтра, схема которого изображена на рис. 8, позволит значительно ослабить синфазные помехи, а также защитить входы микросхемы DD1 от перенапряжений, которые могут в каких-либо аварийных ситуациях образоваться на проводах, соединяющих датчик с термометром. Двухобмоточный дроссель L1 можно найти в цепях сетевого питания многих электронных приборов, например, компьютерных мониторов. Фильтр включают в разрывы цепей, соединяющих контакты 2 и 4 разъёма X1 с выводами микросхемы DD1. Места разрывов показаны на рис. 3 крестами.

Рис. 8. Схема фильтра
Если предполагается использовать несколько датчиков, то коммутировать следует все пять проводов, соединяющих датчик с термометром, включая общий провод. Переключатель может быть любым.
Литература
1. Градуировки термометров сопротивления. - URL: http://www.axwap.com/kipia/ docs/datchiki-temperatury/termometry-soprotivleniya.htm (24.09.15).
2. Два напряжения от одной обмотки трансформатора (За рубежом). - Радио, 1981, № 5-6, с. 72.
3. Хоменков Н., Зверев А. Цифровой термометр. - Радио, 1985, № 1, с. 47, 48.
Автор: В. Прокошин, г. Орёл

