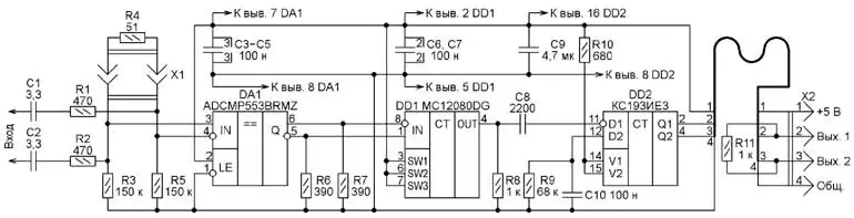
Автор предлагает выносные щупы, расширяющие пределы измерения частотомера. Они делят на 100 частоту измеряемого сигнала, имеют дифференциальные входы и в одном варианте такие же выходы. Во втором варианте выход обычный, несимметричный. Напряжение питания щупов - 5 В, потребляемый ток - 51 мА. Они построены на аналоговом компараторе ADCMP553 и делителях частоты МС12080 и КС193ИЕ3.
На рис. 1 изображена схема щупа с симметричным выходом. Измеряемый сигнал с входных контактов по цепям C1R1 и C2R2 поступает на симметричный вход компаратора напряжения ADCMP553 (DA1), выполненного на полевых транзисторах, изолированные затворы которых защищены обратно-смещёнными диодами. Выводы 1 и 2 DA1 управляют внутренней "защёлкой", позволяющей в нужный момент зафиксировать состояние выходов компаратора. При показанном на схеме подключении этих выходов "защёлка" отключена.

Рис. 1. Cхема щупа с симметричным выходом
Как установлено экспериментально, чувствительность компаратора ADCMP553 зависит от синфазного напряжения смещения на его входах, которое поступает от внутреннего источника положительного напряжения. Если в цепях входов нет резисторов R3 и R5, соединяющих их с общим проводом, напряжение на входах - более 3 В, а чувствительность компаратора понижена. Максимальная чувствительность достигается при напряжении смещения 1...1,15 В, которое устанавливают подборкой этих резисторов.
При указанном на схеме их сопротивлении 150 кОм входное сопротивление щупа - около 230 кОм. Размах входного сигнала, при котором щуп работает устойчиво в полосе частот от 1 МГц до 600 МГц, - не менее 0,3 В, 0,7 В на частоте 0,9 ГГц и 1 В на частоте 1,2 ГГц.
Максимальная рабочая частота компаратора ADCMP553, согласно техническому описанию в [1], - всего 800 МГц. Между его входами с помощью разъёма X1 можно подключить резистор R4 сопротивлением 51 Ом. При этом входное сопротивление щупа уменьшается до 1 кОм, а полоса расширяется в сторону высоких частот. На частотах от 0,6 ГГц до 1 ГГц чувствительность - не хуже 0,3 В, на частоте 1,4 ГГц - 0,7 В, на частоте 1,55 ГГц - 1 В. Однако на частотах ниже 0,6 ГГц частотомер, к которому подключён щуп, завышает показания.
Резисторы R6 и R7 в цепях выходов компаратора (выводов 5 и 6) соединены с общим проводом. Их сопротивление не 100 Ом, как рекомендовано, а 390 Ом, чтобы не допустить превышения допустимого выходного тока. Сопротивление нагрузки при этом не превышено, поскольку к выходам компаратора подключены входы первого делителя частоты - микросхемы МС12080 (DD1), имеющей входное дифференциальное сопротивление менее 100 Ом.
Эксперименты показали, что этот делитель работает на частотах от 1 МГц до 1,6 ГГц, хотя в его документации [2] область устойчивой работы простирается от 100 МГц до 1,1 ГГц. Управляющие входы SW1-SW3 делителя МС12080 соединены с плюсом питания, что задаёт его коэффициент деления равным 10. С выхода первого делителя сигнал амплитудой 1,2 В с крутыми перепадами поступает на вход микросхемы КС193ИЕ3 (DD2) - второго делителя частоты на 10.
Плата щупа соединена с выходным разъёмом X2 жгутом из четырёх проводов длиной 80 см. Резистор R11 находится в непосредственной близости к контактам разъёма. Разъём X2 рассчитан на подключение к симметричному входу доработанного мной частотомера FC250 [3, 4]. По жгуту на щуп подано напряжение питания 5 В со стабилизатора напряжения, имеющегося в FC250, а на дифференциальные входы этого частотомера, доработанного в соответствии с [3, 4], с выходов делителя DD2 щупа поступает противофазный сигнал размахом 0,6 В.
Поскольку время счёта входных импульсов в частотомере FC250 всего 0,1 с, без щупа-делителя на его индикатор выводится значение частоты в десятках герц (если не учитывать положение десятичной запятой). С учётом деления частоты щупом на 100, оно будет выражено в килогерцах.
Чертёж платы рассмотренного щупа изображён на рис. 2, а расположение деталей на нём - на рис. 3. Чертёж печатной платы для разъёма X2 и резистора R11 имеется на рис. 13 в [4]. Платы изготовлены из стеклотекстолита толщиной 1,5 мм, покрытого фольгой с двух сторон (для платы щупа) или с одной стороны (для платы разъёма). Края платы щупа "обмётаны" медным лужёным проводом диаметром 0,5 мм, который припаян к фольге с обеих сторон платы. Из такого же провода сделаны и припаяны к фольге показанные на рис. 3 перемычки. Входные контакты щупа выполнены из жёсткого лужёного провода диаметром 0,75 мм.

Рис. 2. Чертёж платы щупа

Рис. 3. Расположение деталей на плате щупа
Резистор R4 - МЛТ-0,25. Его выводы перед припайкой к контактам вилки разъёма X1 следует обрезать до минимальной длины. Остальные резисторы и конденсаторы - типоразмеров 0805 или 1206 для поверхностного монтажа. Разъём X1 - любая четырёхконтактная пара вилка - розетка с шагом расположенных в один ряд контактов 2,54 мм (например, CHU-4 и CWF-4), у которой оставлены только крайние контактные пары, а средние удалены. Вилка X2 - WF-4R. Корпусы разъёмов приклеены к соответствующим платам.
Под корпусами микросхем DA1 и DD1 плату перед их пайкой покройте лаком или тонким слоем термоклея. Конденсатор C8 и резистор R9 устанавливают на плату в процессе налаживания щупа.
Вставив вилку X2 с резистором R11 в соответствующий разъём частотомера, подбирают сопротивление резистора R9 до прекращения счёта микросхемой DD2, после чего монтируют на плату конденсатор C8. Затем основную плату проверенного в действии щупа и платы разъёмов обезжиривают и покрывают влагозащитным лаком. Основную плату помещают в термоусаживаемую трубку диаметром 25/12,5 мм, а плату разъёма X2 - в такую же трубку диаметром 12,5/7 мм. Экранирование щупа не предусмотрено, оно увеличило бы его входную ёмкость и уменьшило чувствительность. Внешний вид щупа показан на фотоснимке рис. 4.

Рис. 4. Внешний вид щупа
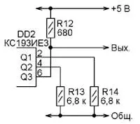
Для работы с частотомером, имеющим обычный несимметричный вход, был изготовлен второй вариант щупа, отличающийся лишь тем, что его выходные цепи выполнены по схеме, изображённой на рис. 5. Этот щуп соединяют с частотомером жгутом из трёх проводов. Нагрузка (резистор R11) на конце провода "Вых.", подключаемого к частотомеру, отсутствует. Уровни выходного сигнала - ТТЛ. Чертёж печатной платы этого щупа изображён на рис. 6. Элементы расположены на ней в соответствии с рис. 7.

Рис. 5. Схма выходных цепй

Рис. 6. Чертёж печатной платы второго варианта щупа

Рис. 7. Расположение элементов на плате
На рис. 8 показано измерение частоты гетеродина средневолнового радиоприемника, настроенного на радиостанцию, работающую на частоте 612 кГц. Измеренная частота гетеродина (1077 кГц) на 465 кГц (значение промежуточной частоты приёмника) выше несущей частоты радиостанции.

Рис. 8. Измерение частоты гетеродина средневолнового радиоприемника

Рис. 9. Демонстрация работы щупа
Частоту сигнала источника, создающего вокруг себя достаточно мощное электромагнитное поле (например, беспроводной телефонной трубки), можно измерять, не подключая к нему щуп, а превратив его входные выводы в антенну - полуволновый вибратор. На рис. 9 это сделано с помощью зажимов "крокодил". Рабочая частота передатчика телефонной трубки - 927076 кГц.
Литература
1. Single-Supply, High Speed PECL/ LVPECL Comparators ADCMP551 /ADCMP552/ ADCMP553. - URL: http://www.analog. com/media/en/technical-documentation/ data-sheets/ADCMP551_552_553.pdf (27.02.17).
2. MC12080 1,1 GHz Prescaler. - URL: http://www.nxp.com/assets/documents/ data/en/data-sheets/MC12080.pdf (27.02.17).
3. Паньшин А. Предварительный усилитель-формирователь для частотомера FC250. - Радио, 2015, № 2, с. 18-20.
4. Паньшин А. Доработка частотомера FC250. - Радио, 2016, № 3, с. 23, 24.
Автор: А. Паньшин, г. Москва
