Предлагаемый пробник предназначен для замены штатного выносного пробника универсального вольтметра В7-26 [1], в котором в качестве выпрямителя применён дефицитный сегодня высокочастотный диод 6Д24Н [2, с. 53], позволяющий измерять напряжение переменного тока синусоидальной формы частотой от 20 Гц до 1000 МГц. Размеры предлагаемого пробника дают возможность при необходимости установить в него любой миниатюрный вакуумный высокочастотный детекторный диод с катодом косвенного подогрева напряжением накала 5,7...6,9 В и током накала не более 300 мА в керамическом или стеклянном корпусе. Если достаточно производить измерения в интервале частот 4 Гц...80 МГц, можно применить менее высокочастотный и более доступный двойной диод 6Х2П [2, с. 54-56] с минимальной доработкой вольтметра В7-26.
Гарантированная наработка диода 6Д24Н, используемого в качестве выпрямителя измеряемого переменного напряжения в вольтметре В7-26, довольно мала - 1500 часов. Несмотря на это, даже при измерении постоянного напряжения или электрического сопротивления накал диода остаётся включённым. У двойного диода 6Х2П гарантированная наработка гораздо больше (5000 часов). Следует также отметить, что он намного дешевле диода 6Д24Н.
Примечание.Критерий долговечности диода 6Д24Н - снижение выпрямленного напряжения на 1 %, а двойного диода 6Х2П - снижение выпрямленного тока приблизительно на 5 %. С этим, видимо, и связано различие в гарантированной наработке этих ламп.
Допустимая погрешность вольтметра В7-26 при измерении через входные гнёзда в частотном диапазоне 20 Гц... 20 кГц достигает ±4 %, что объясняется нерациональным использованием выносного пробника. При таких измерениях пробник вставляют в предназначенное для него гнездо, где его щуп соединяется (согласно схеме [3]) с конденсатором С5, а измеряемое напряжение поступает на него по неэкранированным проводам, подключённым к гнёздам X2 и X4 (согласно той же схеме).
В новом пробнике вместо диода 6Д24Н применён двойной диод 6Х2П (использована только одна его половина). Он обеспечивает погрешность ±1 % в диапазоне частот 4Гц...1 МГц, при этом все измерения напряжения производят только с помощью самого пробника и изготовленных для него ВЧ- и НЧ-колпачков.
Пробник позволяет индицировать наличие высокочастотного напряжения с частотой 80...1000 МГц. АЧХ вольтметра с этим пробником показана на рис. 1, где уровень 0 дБ соответствует 1 Вэфф.

Рис. 1. АЧХ вольтметра с пробником
Основные технические характеристики вольтметра с новым пробником
Измеряемое синусоидальное переменное напряжение, Вэфф...............0,1...300
Частота измеряемого переменного напряжения, Гц......................4...80·106
Основная погрешность, %, от верхнего предела измерения в диапазоне частот:
4Гц...1 МГц .................±1
1 МГц...35 МГц...............±4
35 МГц...50 МГц ............±10
50 МГц...70 МГц ............±20
70 МГц...80 МГц ............±30
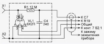
Принципиальная схема пробника изображена на рис. 2, а схемы ВЧ- и НЧ-колпачков для него - соответственно на рис. 3 и рис. 4. Нумерация резисторов и конденсаторов соответствует принципиальной схеме вольтметра В7-26 [3]. Позиционный номер конденсатора С5 НЧ-колпачка унаследован от имеющего такую же ёмкость конденсатора С5 вольтметра, который необходимо отключить. Конденсатор С3 ВЧ-колпачка унаследовал свой позиционный номер конденсатора С3 штатного пробника, который теперь не используется.

Рис. 2. Принципиальная схема пробника

Рис. 3. Схема ВЧ-колпачка

Рис. 4.Схема НЧ-колпачка
X1 - гнездо приборное Г1,6. Зажим X2 - "крокодил" AG-103-A. X4 и X6 - штекеры Ш1,6 без наружных изолирующих частей. Резистор R1 и конденсатор C4 аналогичны установленным в старом пробнике согласно схеме [3]. Конденсатор С3 - К15-5, конденсатор С5 - импортный или К73-17 на напряжение не менее 450 В.
Чтобы понизить нижний предел частоты измеряемого напряжения с 20 до 4 Гц, в вольтметре необходимо заменить конденсаторы МПО C7 и C8 (согласно схеме [3]) ёмкостью по 3000 пФ конденсаторами К73-16 ёмкостью 0,1 мкФ на напряжение 630 В.
Пробник собран в металлическом корпусе, служащем его экраном и состоящем из двух частей (2 и 5 на рис. 5). Внутри корпуса размещены лампа VL1 (14), резистор R1, конденсатор C4 и гнездо X1 (6). Корпус электрически соединён с выводом 1 лампы 6Х2П, а также с металлической окантовкой ламповой панели ПЛ7-3к (13). Зажим "крокодил" X2 (11) соединён с выводом 1 ламповой панели изолированным гибким многожильным проводом сечением по меди 4 мм2 и длиной не более 130 мм. Общий экран кабеля, соединяющего пробник с прибором,следует соединить с зажимом защитного заземления последнего, но он не должен соединяться с экраном пробника. Части корпуса зафиксированы упругими защёлками (3), на место стыка сверху надета термоусаживаемая трубка (4). В задней части корпуса расположен ввод кабеля (1) - пластмассовый серии MGA с наружной резьбой М12 или металлический с наружной резьбой 1 /2"-20 UNF.
Электрические соединения внутри пробника выполнены отрезками провода МГТФ, проходящими между стенкой корпуса и баллоном лампы, температура поверхности которого не превышает 50 оС (лампа работает при минимальном напряжении накала 5,7 В). При температуре окружающей среды 30 оС температура поверхности пробника после двухчасового прогрева не превышает 45 оС.
На рис. 5 пробник показан с установленным на нём ВЧ-колпачком, состоящим из пластикового корпуса (7), латунного щупа X4 (10), штыря X3 (8) и конденсатора С3 (9). После монтажа деталей вся полость корпуса (7) заполнена эпоксидным компаундом.

Рис. 5. Пробник с установленным ВЧ-колпачком
На рис. 6 показан фрагмент пробника с пристыкованным к нему НЧ-колпачком, состоящим из пластмассового корпуса (6), латунного щупаX6 (7), штыря X5 (2), пластмассовой втулки (4) с защитным буртиком, текстолитовой шайбы (1) и конденсатора С5 (3). Вся полость корпуса (6) после монтажа деталей до краёв заполнена эпоксидным компаундом. Сразу после его затвердевания пластиковая втулка (4) установлена буртиком вверх и тоже заполнена эпоксидным компаундом. Позиция 5 - отвердевший компаунд в месте стыка корпуса 6 с втулкой 4.

Рис. 6. Фрагмент пробника с пристыкованным к нему НЧ-колпачком
На плате вольтметра, кроме замены конденсаторов C7 и С8, необходимо на соприкасающиеся поверхности транзистора V4 [3] и теплоотвода нанести пасту КПТ-8 в случае её отсутствия. Температура поверхности теплоотвода после этого не превышает +60 ºC, температура поверхности силового трансформатора T1 [1] не превышает +40 °C после двухчасового прогрева при температуре окружающей среды +30 оС.
Подключив пробник к вольтметру, необходимо подстроечным резистором R31 последнего установить напряжение накала лампы 6Х2П 5,7±0,2 В. Собранные без ошибок и из исправных деталей пробник и измерительные колпачки в налаживании не нуждаются.
Перед началом работы необходимо заземлить вольтметр, включить его и прогреть не менее 15 мин. ВЧ-колпачок используют при измерении напряжения частотой 1 кГц... 80 МГц. НЧ-колпачок предназначен для измерения напряжения частотой 4 Гц...20 кГц. В остальном работа соответствует руководству по эксплуатации вольтметра B7-26.
Работа прибора с новым пробником была проверена при измерении напряжения синусоидальной формы частотой до 25 МГц, источником которого был генератор АКИП3409/4 со встроенным вольтметром. Источником напряжения синусоидальной формы частотой до 80 МГц был генератор Г4-116, имеющий калиброванный аттенюатор.
Таблица
Метод измерения | Измеряемое напряжение, В | Относительная погрешность, %, на частоте, Гц | ||||||||||||
| 4...20 | 20... 1·103 | 1·103... 3·103 | 3·103... 20·103 | 20·103... 1·106 | 1·106... 35·106 | 35·106... 50·106 | 50·106... 70·106 | 70·106... 80·106 | 80·106... 300·106 | 300·106... 600·106 | 600·106... 800·106 | 800·106... 1·109 | ||
С подключением к гнёздам | 1...300 | ±4 | ||||||||||||
С штатным пробником | 1...100 | ±4 | ±10 | ±30 | ||||||||||
С новым пробником и НЧ-колпачком | 1...300 | ±1 | ||||||||||||
С новым пробником и ВЧ-колпачком | 1...100 | ±1 | ±4 | ±10 | ±20 | ±30 | ||||||||
В таблице приведены значения относительной погрешности результатов проведённых измерений, выраженной в процентах от установленных верхних пределов измерения. Они получены при различной частоте измеряемого напряжения синусоидальной формы.
Литература
1. Универсальный вольтметр В7-26. - URL: http://mirznanii.eom/a/1 21906/ universalnyy-voltmetr-v7-26 (16.05.2019).
2. Кацнельсон Б. В., Ларионов А. С. Отечественные приёмно-усилительные лампы и их зарубежные аналоги. - М.: Энергоиздат, 1981.
3. Вольтметр универсальный В7-26. Электрическая схема. - URL: http:// izmer-tech.narod.ru/multim/V7-26.djvu (16.05.2019).
Автор: Д. Молоков, г. Нижний Тагил Свердловской обл.
Источник: журнал "Радио"
