Предлагаемый частотомер, собранный на микроконтроллере PIC16Т873А и двухстрочном 16-символьном ЖКИ, может производить последовательные измерения до восьми частот в составе сложного сигнала.
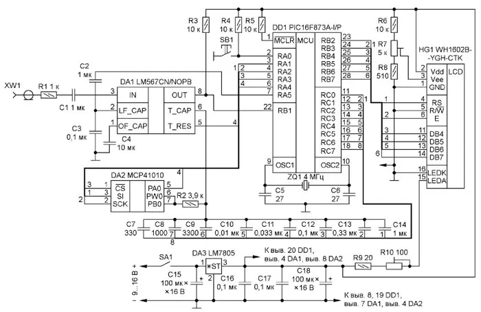
Схема частотомера приведена на рис. 1.

Рис. 1. Схема частотомера
Основные технические характеристики
Диапазон измерения частоты, кГц ...............0,1...500
Погрешность измерения, %, не более ...............0,1
Входное сопротивление, кОм ...............10
Интервал входного напряжения, В ...............0,1...1
Время сканирования всего диапазона, мин ...............1
Напряжение питания, В ...............9...16
Потребляемый ток, мА ...............50...100
Основа прибора - микроконтроллер (МК) DD1 (PIC16F873A), он тактируется импульсами, вырабатываемыми кварцевым генератором на элементах ZQ1 (HC49S), C5 и C6. Описание семейства МК PIC16F873А и программных средств для их программирования приведено в [1]. Стабилизатор питания +5 В собран на микросхеме DA3 (LM7805). Описание микросхемы стабилизатора приведено в [2]. Конденсаторы C15-C18 - блокировочные по цепи питания. На ЖКИ HG1 (WH1602B-YGH-CTK) собрано устройство индикации. Описание ЖКИ WH1602B-YGH-CIK приведено в [3]. Резистором R10 регулируют яркость подсветки ЖКИ. Резистором R7 регулируют контрастность ЖКИ. Резисторы R4, R5 поддерживают высокий уровень на входах МК. Кнопка SB1 подключена к порту RA0 МК и используется для управления прибором. Резистор R2 и микросхема DA2 (MCP41010) образуют электронный переменный резистор, который управляет частотой внутреннего генератора тон-декодера. Описание электронного переменного резистора MCP41010 приведено в [4]. На резисторах R1, R3, конденсаторах С1-С4 и микросхеме DA1 (LM567) собран тон-декодер. Описание тон-декодера общего назначения LM567 приведено в [5]. Конденсатор С4 определяет время задержки сигнала на выходе OUT тон-декодера. Конденсаторы С2 и С3 определяют полосу захвата ФАПЧ тон-декодера. Она имеет разное значение на поддиапазонах. На первых пяти поддиапазонах микроконтроллер подключает конденсатор С2 к выводу LF_CAP, и полоса захвата имеет меньшее значение, чем на поддиапазонах с шестого по восьмой.
Принцип измерения частоты основан на сравнении частоты входного сигнала и частоты тон-декодера, собранного на микросхеме DA1. Она содержит I- и Q-детекторы, управляемые генератором, который управляется напряжением и определяет центральную частоту декодера. Когда частота входного сигнала совпадает с полосой пропускания центральной частоты, на выходе микросхемы присутствует низкий уровень. Выход представляет собой транзистор с открытым коллектором, для которого требуется внешний нагрузочный резистор, используемый для регулирования выходного тока. Центральную частоту устанавливают внешним узлом синхронизации, состоящим из конденсатора и резистора. Полосу пропускания и задержку выходного сигнала устанавливают внешними конденсаторами. Чтобы исключить нежелательные сигналы, которые могут вызвать срабатывание выходного каскада, в модуле есть фильтр пост-детектирования. Этот фильтр состоит из внутреннего резистора сопротивлением 4,7 кОм и внешнего конденсатора. Хотя обычно ёмкость внешнего конденсатора не критична, её рекомендуют выбирать как минимум в два раза больше ёмкости конденсатора петлевого фильтра. Если ёмкость конденсатора выходного фильтра слишком велика, время включения и выключения выходного каскада будет иметь задержку, пока напряжение на этом конденсаторе достигает порогового уровня. Контур фазовой автоподстройки частоты (ФАПЧ), включённый в LM567, имеет вывод для подключения конденсатора фильтра контура низких частот. Выбор конденсатора для фильтра зависит от желаемой полосы пропускания. Выбор полосы пропускания устройства различается в зависимости от уровня входного напряжения.
Микросхема DA2 - электронный переменный резистор, управляется по SPI-интерфейсу. На вход SCK (выв. 2) подают синхроимпульсы, формируемые МК DD1 на линии порта RA2 (выв. 4). На вход SI (выв. 3) поступают данные, вырабатываемые МК на линии порта RA1 (выв. 3). На вход CS (выв. 1) подают инверсный сигнал разрешения с линии порта RA3 (выв. 5) МК. Данные представляют собой два байта: первый определяется как адрес микросхемы, второй - данные.
Осциллограммы на SPI-интерфейсе приведены на рис. 2. Жёлтым цветом показаны синхроимпульсы с линии порта RA2, синим цветом - данные с линии порта RA1 и красным цветом - сигнал разрешения с линии порта RA3.

Рис. 2. Осциллограммы на SPI-интерфейсе
В начальный момент сканирования к внутреннему RC-генератору тон-декодера DA1 подключён конденсатор С14 ёмкостью 1 мкФ с линии порта RC0 (выв. 11) МК.
Сопротивление времязадающей цепи - резистора R2 и сопротивления электронного переменного резистора - 10 кОм. Эта цепь обеспечивает частоту внутреннего генератора тон-декодера DA1 около 80 Гц, это нижний предел измерения первого поддиапазона с учётом перекрытия по поддиапазону. После нажатия на кнопку SB1 включается сканирование, сопротивление электронного переменного резистора уменьшается от 10 кОм до 0, а частота внутреннего генератора тон-декодера увеличивается от 80 Гц до 270 Гц. Сопротивление электронного переменного резистора имеет 256 отсчётов. Каждый отсчёт изменяется с периодом в 30 мс. Если в этом поддиапазоне во входном сигнале составляющих не обнаружено, прибор переходит на сканирование второго поддиапазона. Конденсатор С14 отключается, а к внутреннему RC-генератору тон-декодера подключается конденсатор С13 ёмкостью 0,33 мкФ. Этот конденсатор обеспечивает частоту внутреннего генератора тон-декодера второго поддиапазона в пределах от 230 до 830 Гц. Если в этом поддиапазоне во входном сигнале составляющих не обнаружено, частотомер переходит на сканирование третьего поддиапазона. И так далее до восьмого поддиапазона включительно. После сканирования восьмого поддиапазона, если составляющие во входном сигнале не обнаружены, прибор останавливает сканирование и выдаёт на ЖКИ информацию NO SIGNAL. Время сканирования одного поддиапазона равно восьми секундам. Время сканирования всего диапазона - в пределах одной минуты. Весь диапазон разбит на восемь поддиапазонов со следующим распределением частот:
1- 80...270 Гц;
2- 230...830 Гц;
3- 0,82...2,9 кГц;
4- 2,8...9,7 кГц;
5- 7,2...24,8 кГц;
6- 22,8...76,4 кГц;
7- 69...218кГц;
8- 196...540 кГц.
Рассмотрим работу прибора при обнаружении составляющих входного сигнала. После включения частотомера на ЖКИ появляется информация (рис. 3).

Рис. 3. Информация на ЖКИ частотомера

Рис. 4. Информация на ЖКИ частотомера

Рис. 5. Информация на ЖКИ частотомера
На вход прибора подают исследуемый сигнал. Кратковременным нажатием на кнопку SВ1 (TS-A3PG-130) включается сканирование (рис. 4). При определении первой (самой низкочастотной) составляющей входного сигнала прибор останавливает сканирование, производит измерение и индикацию (рис. 5). Следующим нажатием на кнопку БВ1 сканирование продолжается. По окончании сканирования, если никакие частоты не были определены, прибор выводит информацию NO SIGNAL (рис. 6). Если частоты определились, они сохраняются в памяти прибора и их можно посмотреть, нажимая длительно на кнопку SВ1 (рис. 7). Длительным нажатием на кнопку производится выход из режима просмотра.

Рис. 6. Информация на ЖКИ частотомера

Рис. 7. Информация на ЖКИ частотомера
Допустим, входной сигнал состоит из трёх составляющих: 200 Гц, 1000 Гц и 5000 Гц. После начала сканирования, как только частота внутреннего генератора тон-декодера сравняется с первой составляющей (200 Гц), на выходе тон-декодера DA1 (выв. 8) появляется низкий уровень. МК останавливает дальнейшее сканирование и производит измерение частоты внутреннего генератора тон-декодера. Измеренная частота сохраняется в памяти и индицируется на ЖКИ прибора в формате F1=xxxxxxHz. После нажатия на кнопку SB1 включается дальнейшее сканирование. Как только частота внутреннего генератора тон-декодера сравняется со второй составляющей (1000 Гц), на выходе тон-декодера появляется низкий уровень. МК останавливает дальнейшее сканирование и производит из-мерение частоты внутреннего генератора тон-декодера. Измеренная частота сохраняется в памяти и индицируется на ЖКИ прибора (F2=xxxxxxHz). После следующего нажатия на кнопку SВ1 включается дальнейшее сканирование. Как только частота внутреннего генератора тон-декодера сравняется с третьей составляющей (5000 Гц), на выходе тон-декодера появляется низкий уровень. МК останавливает дальнейшее сканирование и производит измерение частоты внутреннего генератора тон-декодера. Измеренная частота сохраняется в памяти и индицируется на ЖКИ прибора (F3=xxxxxxHz). После нажатия на кнопку SВ1 включается дальнейшее сканирование.

Рис. 8. Чертёж платы частотомера

Рис. 9. Расположение элементов на плате частотомера
Частотомер собран на плате из фольгированного с двух сторон стеклотекстолита толщиной 1 мм. Чертёж платы показан на рис. 8, а расположение элементов - на рис. 9. В отверстия, отмеченные чёрными точками, вставляют отрезки лужёного провода и пропаивают с обеих сторон платы. Кроме того, выводы некоторых деталей также пропаивают с обеих сторон платы. В приборе применены постоянные резисторы и неполярные конденсаторы для поверхностного монтажа типоразмера 0805. Обратите внимание, что на одной стороне платы установлены резисторы R1, R7, R10, конденсаторы С1, С15, С18, кварцевый резонатор ZQ1, МК DD1 и стабилизатор DA3. Остальные детали расположены на противоположной стороне платы.
ВЧ-разъём XW1 (24 BNC-50-2-20/133 NE) соединён с платой 50-омным экранированным кабелем. Центральную жилу кабеля припаивают к контактной площадке на плате, оплётку - к фольге общего провода. Гнездо питания и выключатель соединены с платой проводом МГТФ-0,5.
Блокировочные конденсаторы по цепи питания устанавливают как можно ближе к выводам питания микросхем. МК установлен в переходную панель.
Настройку частотомера начинают с установления подстроечным резистором R7 необходимой контрастности изображения на дисплее ЖКИ, а подстроечным резистором R10 - необходимой яркости подсветки.
Далее приступают к подбору времязадающих конденсаторов С7-С14. На первом поддиапазоне подбирают конденсатор С14. К выводу T_RES (выв. 5) DA1 через входной делитель 1:10 подключают частотомер. Вместо электронного переменного резистора DA2 подключают резистор сопротивлением 10 кОм. Включают прибор и подбором конденсатора С14 добиваются показаний частотомера, близких к 80 Гц, - нижней границе первого поддиапазона. Далее отключают (выпаивают) конденсатор С14, соединяют линию порта RC1 (выв. 12) МК с общим проводом. Подбором конденсатора С13 добиваются показаний частотомера, близких к 230 Гц. Далее отсоединяют конденсатор С13 от общего провода, соединяют линию порта RС2 (выв. 13) МК с общим проводом. Подбором конденсатора С12 добиваются показаний частотомера, близких к 820 Гц. И так далее. После подбора конденсаторов на всех поддиапазонах подключают конденсатор С14 и вместо резистора сопротивлением 10 кОм - электронный переменный резистор DA2. На этом настройка прибора закончена.
Литература
1.PIC16F87XA Data Sheet 28/40/44-Pin Enhanced Flash Microcontrollers. - URL: http://akizukidenshi.com/download/PIC16 F87XA.pdf (03.03.2022).
2.LM78XX/LM78XXA 3-Terminal 1A Positive Voltage Regulator. - URL: http://hades. mech.northwestern.edu/images/6/6c/LM7 805.pdf (03.03.2022).
3.LCD Дисплей 16х2, LCD дисплей 1602. - URL:https://www.winstar.com.tw/ru/products/character-lcd-display-modu-le/lcd-display-16x2.html (03.03.2022).
4.MCP41XXX/42XXX Single/Dual Digital Potentiometer with SPI™ Interface. - URL: https://ww1.microchip.com/downloads/en/ devicedoc/11195c.pdf (03.03.2022).
5.LM567x Tone Decoder. - URL: https:// www.ti.com/lit/ds/symlink/lm567c.pdf (03.03.2022).
Автор: В. Турчанинов, г. Севастополь
