Многие радиолюбители в своей практике сталкиваются с необходимостью быстрой проверки ЖКИ-модулей (индикаторов) на работоспособность и наличие кириллицы в памяти микроконтроллера. И нередки случаи, когда приобретённый в известном интернет-магазине ЖК-модуль с заявленным русским шрифтом после установки в конструкцию выдаёт "кракозябры".
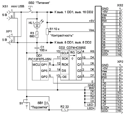
Возможность оперативно проверить различные ЖКИ-модули на базе контроллера HD44780 позволит предлагаемый стенд, схема которого приведена на рис. 1. Он собран на основе микроконтроллера (МК) DD1 PIC12F675-I/SN и сдвигового регистра DD2 (CD74HC595E), который управляет тестируемым ЖКИ-модулем, настроенным на работу по четырёхразрядной шине, в двух- и четырёхстрочных режимах с матрицей символа 5x7 точек.

Рис. 1.

Рис. 2.
Все элементы размещены на односторонней печатной плате, чертёж которой показан на рис. 2. Она изготовлена из фольгированного стеклотекстолита толщиной 1,5...2 мм. На плате установлены два штыревых разъёма на 16 контактов с шагом 2,54 мм: прямой XP2 (PCL) - для подключения к контактным площадкам дисплеев и угловой XS2 (PBS-R) - для дисплеев с разъёмом, он расположен с края платы. Для регу-лировки контрастности дисплея используется переменный резистор R1 (RV09BF), движок которого был укорочен для удобства наблюдения за показаниями тестируемого индикатора. Также на плате установлен и штыревой разъём XP1 (PLS), а со стороны печатных проводников - разъём XS1 (mini USB), предназначенные для питания стенда и проверяемого индикатора.
Питание на устройство подаётся кнопкой с фиксацией SB2 (PB22E06). Также на плате предусмотрена возможность временного включения подсветки индикатора с помощью кнопки SB1 (KAN0612) или постоянного включения подсветки с помощью перемычки S1. Светодиод HL1 (любого типа) индицирует наличие напряжения питания. Для устойчивости самого стенда на ровной поверхности в угловые отверстия вставлены пластмассовые монтажные стойки CS-10.
После установки в разъём проверяемого ЖКИ-модуля и последующей подачи напряжения питания на табло будут последовательно с периодом 1 с появляться буквы английского и русского алфавитов, а также цифры и символы. На рис. 3 - рис. 5 показаны примеры работы стенда с тремя разными ЖКИ-модулями.

Рис. 3.

Рис. 4.

Рис. 5.
Hex-файл для микроконтроллера, чертежи печатной платы в авторском исполнении находятся здесь.
Автор: В. Суров, г. Горно-Алтайск
