В последнее время в своих конструкциях радиолюбители стали широко использовать модули встраиваемых цифровых вольтметров постоянного тока, которые можно приобрести в интернет-магазинах. Такие вольтметры относительно недороги, имеют приемлемую точность измерения, а возможность выбора вольтметров с различными цветами свечения индикаторов и разной высотой цифр позволяет использовать их как при разработке новых, так и при модернизации существующих конструкций. Помимо своего основного назначения - измерения напряжения в интервале, определяемом параметрами вольтметра, их можно использовать в качестве индикаторов различных параметров или физических величин, как это сделано, например, в измерителе уровня воды, описанном в [1]. Одним из недостатков таких модулей является невысокое входное сопротивление, значение которого для большинства этих приборов лежит в интервале 100...500 кОм.
Схема входных цепей имеющегося у автора модуля цифрового вольтметра с маркировкой В15-04-01, способного измерять постоянное напряжение до 100 В и имеющего индикатор красного свечения с высотой цифр 14 мм, приведена на рис. 1 (нумерация элементов соответствует обозначениям на печатной плате). Измеряемое напряжение через делитель, образованный резисторами R15 и R16, поступает на вход установленного на плате микроконтроллера. Микроконтроллер питается напряжением 5 В, снимаемым с выхода интегрального стабилизатора U1, а диод D3 предотвращает повреждение вольтметра при подаче напряжения питания в неправильной полярности.

Рис. 1. Схема входных цепей модуля цифрового вольтметра с маркировкой В15-04-01
Для того, чтобы превратить встраиваемый вольтметр в индикатор, отображающий какой-либо параметр, необходимо знать коэффициент передачи K, определяющий зависимость между показаниями вольтметра и напряжением, поступающим на вход микроконтроллера. Вычислить этот коэффициент можно по формуле K = UR16 / Uинд , где UR16 - напряжение на резисторе R16 при данном индицируемом напряжении; Uинд - напряжение, индицируемое вольтметром (его показания). Далее необходимо изменить сопротивление резистора R15 так, чтобы показания вольтметра соответствовали требуемым при данном входном напряжении. Вычислить сопротивление этого резистора можно по формуле R15 = R16(UBX/(Uтреб · К) - 1), где UBX - напряжение на входе вольтметра, при котором его показания должны соответствовать Uинд, Uтреб - требуемые показания вольтметра. Устанавливать взамен резистора R15 перемычку, как это сделано в [1], можно только тогда, когда напряжение на входе гарантированно не может превысить напряжения питания микроконтроллера вольтметра, т. е. 5 В, иначе прибор можно вывести из строя.
Приведём конкретный пример расчёта. Для имеющегося у автора цифрового вольтметра коэффициент передачи K = 0,01523, а точное сопротивление резистора R16 = 7,92 кОм. Чтобы данный вольтметр мог индицировать какой-либо параметр в процентах при изменении входного напряжения от 0 до 12 В (Uтреб = 100 В при UBX = 12 В), сопротивление резистора R15 необходимо уменьшить до 54,48 кОм (установить резистор сопротивлением 51 кОм). При этом коэффициент передачи при новом сопротивлении резистора R15 K = 0,127. Чтобы иметь возможность точно установить показания на индикаторе вольтметра, последовательно с резистором R15 необходимо установить подстроечный резистор сопротивлением 5,1 кОм, а чтобы повысить входное сопротивление прибора, между источником измеряемого напряжения и вольтметром можно ввести каскад на операционном усилителе, включённом как повторитель напряжения или масштабирующий усилитель.
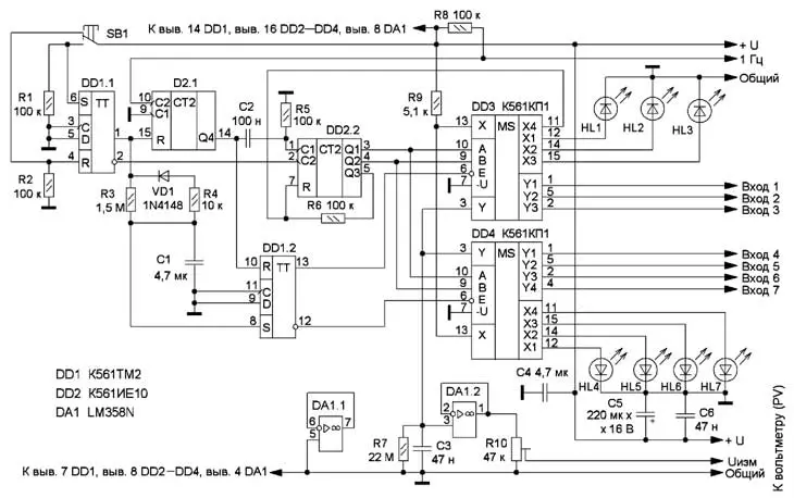
В том случае, если с помощью одного вольтметра требуется измерять напряжение в нескольких точках, вход вольтметра можно коммутировать с помощью механического переключателя. Однако применение в конструкции механического переключателя на несколько положений может оказаться неприемлемым по эстетическим или эргономическим соображениям, поэтому во многих практических случаях целесообразно воспользоваться предлагаемым электронным переключателем. Этот переключатель управляется с помощью одной кнопки и позволяет подключать вход вольтметра к семи точкам, в которых требуется контролировать напряжение. Входы переключателя разбиты на две группы, переключение в каждой из которых производится по кольцу, а выбор второй группы входов осуществляется удержанием управляющей кнопки нажатой в течение 5 с. В первой группе предусмотрено автоматическое переключение входов с интервалом шестнадцать секунд, позволяющее последовательно выводить на индикатор вольтметра информацию о напряжении на этих входах. Переключатель снабжён светодиодной индикацией, отображающей вход, к которому в данный момент подключён вольтметр, и не содержит в своём составе элементов, требующих программирования.

Рис. 2. Схема переключателя
Схема переключателя приведена на рис. 2. При подаче на устройство питающего напряжения триггер DD1.1 устанавливается в нулевое состояние, так как на его входе R присутствует напряжение высокого логического уровня, атриггер DD1.2 и счётчики микросхемы DD2 - в произвольное состояние. Счётчик DD2.1 начинает подсчитывать импульсы внешнего генератора, следующие с частотой 1 Гц, и когда на его выходе Q4 появляется высокий логический уровень, триггер DD1.2 сбрасывается и устройство переходит в состояние, являющееся для него исходным.
В этом состоянии происходит последовательное автоматическое подключение вольтметра к входам 1-3 устройства. Происходит это следующим образом. При поступлении шестнадцатого тактового импульса на выходе Q4 счётчика DD2.1 появляется высокий логический уровень, который через дифференцирующую цепь С2R5 поступает на вход C1 счётчика DD2.2 и увеличивает его содержимое на единицу. При этом двоичный код на выходе этого счётчика изменяется, и мультиплексор DD3 подключает вход повторителя, собранного на операционном усилителе DA1.2, последовательно к входам 1-3 устройства. Второй коммутатор, входящий в состав мультиплексора DD3, подключает к источнику питания через резистор R9 светодиоды HL1-HL3, индицирующие номер включённого канала. По достижении на выходе счётчика DD2.2 кода 011 включается четвёртый канал мультиплексора DD3 и высокий логический уровень с выхода Х4 поступает на вход сброса счётчика DD2.2 и устанавливает его в нулевое состояние, в результате чего цикл опроса входов начинается сначала.
Для ручного выбора одного из каналов необходимо нажать на кнопку SB1. При этом на прямом выходе триггера DD1.1, служащего подавителем дребезга контактов кнопки, появится высокий логический уровень, который установит счётчик DD2.1 в нулевое состояние, а по спаду напряжения на инверсном выходе триггера счётчик DD2.2 увеличит своё состояние на единицу. При следующем нажатии на кнопку описанный выше процесс повторяется, что позволяет вручную выбрать вход, к которому подключён вольтметр. Через 8 с после последнего нажатия на кнопку на выходе Q4 счётчика DD2.1 появится высокий логический уровень, поэтому возобновится процесс автоматического последовательного переключения входов.
Для подключения вольтметра к входам 4-7 необходимо удерживать кнопку SB1 нажатой в течение приблизительно 5 с. При этом конденсатор С1 заряжается через резистор R3, и когда напряжение на этом конденсаторе достигнет порогового, триггер DD1.2 переключится и на его прямом выходе появится высокий логический уровень, переводящий выходы мультиплексора DD3 в высокоимпедансное состояние, а низкий уровень на инверсном выходе разрешит работу мультиплексора DD4. Последующие нажатия на кнопку приводят к последовательному подключению вольтметра к входам 4-7, а номер активного в данный момент входа индицируют светодиоды HL4-HL7. Спустя 8 с после прекращения нажатий на кнопку на выходе Q4 счётчика DD2.1 появится высокий логический уровень, устанавливающий триггер DD1.2 в нулевое состояние, в результате чего работа мультиплексора DD4 будет запрещена, включится мультиплексор DD3, и начнётся процесс автоматического переключения вольтметра между входами 1-3.
Напряжение с выходов мультиплексоров DD3, DD4 поступает на вход повторителя напряжения, выполненного на операционном усилителе DA1.2 и служащего для повышения входного сопротивления вольтметра. Выход повторителя нагружен подстроечным резистором R10, с движка которого напряжение подаётся на вход вольтметра. Резистор R7 определяет входное сопротивление устройства, а конденсатор С3 подавляет высокочастотные помехи на входе повторителя. Неинвертирующий вход ОУ DA1. 1, входящего в состав микросхемы DA1, соединён с общим проводом, что повышает помехозащищённость устройства.
Питать переключатель можно от любого стабилизированного источника напряжением 7...15 В. Нижний предел питающего напряжения выбран исходя из обеспечения нормальной работы интегрального стабилизатора, входящего в состав цифрового вольтметра. Конденсатор С5 сглаживает пульсации питающего напряжения, конденсаторы С4, С6 - блокировочные в цепи питания операционного усилителя и цифровых микросхем. Напряжение, подаваемое на входы, не должно превышать напряжения питания переключателя.

Рис. 3. Чертёж печатной платы и расположение деталей устройства
Детали устройства можно смонтировать на печатной плате из одностороннего фольгированного стеклотекстолита толщиной 1,5...2 мм, чертёж которой приведён на рис. 3. Вывод 6 микросхемы DD2 перед установкой на плату следует отогнуть, а перемычку, расположенную под резистором R6, следует устанавливать до монтажа этого резистора. Резисторы R1, R2 устанавливают соответственно над микросхемами DD2, DD1, резистор R4 и диод VD1 монтируют перпендикулярно плате, а конденсатор С5 - параллельно. Микросхему dD4 монтируют над микросхемой DD3, предварительно отогнув её выводы 1, 2, 4, 5, 6, 11, 12, 14, 15, а остальные выводы припаивают к соответствующим выводам микросхемы DD3. Отогнутые выводы соединяют с контактными площадками на печатной плате с помощью отрезков изолированного провода. Подстроечный резистор R10 закреплён на плате с помощью винта М2. Внешний вид смонтированной платы приведён на рис. 4.

Рис. 4. Внешний вид смонтированной платы
В устройстве можно применить любые подходящие по габаритам постоянные резисторы, подстроечный резистор - многооборотный СП3-39А или другой подходящий, оксидный конденсатор - К50-35 или импортный, остальные конденсаторы - К10-17, КМ или другие подобные. Микросхемы серии К561 можно заменить функциональными аналогами из серии Кр 1561, а также импортными. ОУ LM358N заменим любым аналогичным ОУ в корпусе DIP-8 или отечественным аналогом КР1040УД1. Светодиоды - любые, имеющие достаточную яркость свечения при токе 2 мА. В том случае, если для индикации применены разноцветные светодиоды, имеющие различную яркость свечения при одинаковом токе, то для выравнивания яркости последовательно с наиболее яркими светодиодами можно включить дополнительные токоограничивающие резисторы. Кнопка SB1 - любая подходящая с самовоз-вратом, имеющая одну группу контактов на переключение, например КМ1-1.
Источник внешнего тактового сигнала частотой 1 Гц должен иметь выходное напряжение, не превышающее напряжение питания устройства. В том случае, если конструкция, в составе которой планируется использовать переключатель, не имеет в своём составе генератора частотой 1 Гц, в качестве генератора можно использовать любой подходящий мигающий светодиод, который устанавливают на печатную плату анодом в отверстие, обозначенное "1 Гц", а катодом - к общему проводу (на печатной плате для катода светодиода под отверстием, обозначенным "1 Гц", предусмотрено дополнительное отверстие). При использовании мигающего светодиода сопротивление резистора R8 необходимо уменьшить до 10 кОм.
Данный переключатель был разработан автором для работы в составе устройства защиты трёхфазной сети, подобного описанному в [2], но имеющему по два верхних и нижних порога срабатывания защиты. При этом вольтметр при подключении к входам 1-3 измеряет напряжение на фазах трёхфазной сети относительно нулевого провода, а входы 4-7 используются для индикации порогов срабатывания защиты. В том случае, если в первой группе переключателя необходимо не три, а четыре входа, перемычку, соединяющую вывод 11 мультиплексора DD3 с выводом 7 счётчика DD2.2, следует удалить, к выводу 11 мультиплексора подключить анод дополнительного светодиода, а вывод 4 использовать в качестве дополнительного входа (необходимые для этого контактные площадки на печатной плате предусмотрены). Если в одной из групп число входов необходимо уменьшить, вывод 7 счётчика DD2.2 следует соединить с тем из выходов мультиплексора, номер которого на единицу превышает требуемое число входов в группе.
Собранное правильно и из исправных деталей устройство начинает работать сразу. Налаживание переключателя сводится к подбору сопротивления резистора R3 и (или) ёмкости конденсатора С1 для получения желаемой продолжительности нажатия на кнопку, необходимой для подключения вольтметра ко второй группе входов. В том случае, если длительность цикла автоматического переключения входов необходимо изменить, на тактовый вход устройства можно подать частоту, отличную от 1 Гц. Если в устройстве не требуется вторая группа входов, микросхему DD4 не устанавливают, а выходы триггера DD1.2 можно использовать для управления какими-либо внешними цепями или исключить его, удалив элементы R3, R4, VD1 и установив вместо конденсатора С1 перемычку.
Описанное устройство можно использовать не только для переключения вольтметра, но и в других случаях, когда необходимо последовательное подключение различных источников сигнала к одному индикатору. Например, с помощью данного устройства можно управлять коммутатором, подключающим несколько видеокамер к одному монитору, или переключать микрофоны, расположенные в разных помещениях и предназначенные для контроля акустической обстановки на объекте в системе охраны.
Чертёж печатной платы в формате Sprint LayOut размещён здесь.
Литература
1. Бирюков С. Измеритель уровня воды. - Радио, 2020, № 4, с. 60, 61.
2. Коротков И. Защита трёхфазного электродвигателя. - Радио, 2003, № 12, с. 33-35.
Автор: А. Мельников, г. Барнаул
