Неприятной бывает ситуация, когда, выезжая на природу с фотоаппаратом, оказывается, что недавно заряженные аккумуляторы очень быстро "садятся". Этого можно избежать, если их заранее протестировать, определив емкость. Проверить аккумуляторы поможет устройство, предлагаемое вниманию читателей. Его особенность в том, что результаты проверки выводятся на ЖК индикатор от сотового телефона.
Тестер предназначен для одновре-JL менной проверки четырех Ni-Cd или Ni-MH аккумуляторов с номинальным напряжением 1,2 В. С его помощью можно подбирать аккумуляторы со схожими параметрами для составления из них батареи, проводить тренировку недавно купленных аккумуляторов или другие профилактические действия, где необходима их разрядка безопасным током. Для каждого из аккумуляторов предусмотрен отдельный индикатор разрядки. Принцип действия устройства прост - разряжая аккумулятор через известное сопротивление до напряжения 1 В, контролируется время разрядки. Полученные результаты выводятся на буквенно-цифровой ЖК индикатор.

Рис. 1
Схема устройства показана на рис. 1. Аналоговая часть состоит из четырех одинаковых узлов разрядки А1-А4. На резисторе R1 и светодиоде HL1 собран источник образцового напряжения, кроме того, этот светодиод выполняет функции индикатора включения питающего напряжения. На операционных усилителях DA1.1, DA1.2, DA2.1 и DA2.2 собраны компараторы напряжения, которые сравнивают напряжение на аккумуляторе с образцовым. Подстроечным резистором R2 устанавливают на неинвертирующих входах всех ОУ напряжение 1 В, соответствующее напряжению разряженного аккумулятора.
Но пока он не разряжен, его напряжение превышает 1 В и на выходе ОУ DA1.1 формируется низкий логический уровень, поэтому транзистор 1VT1 закрыт, a 1VT2 открыт и аккумулятор, подключенный к контактам 1X1, разряжается через резистор 1R4 и транзистор 1VT2. В таком состоянии светодиод 1HL1 не светит, что свидетельствует о процессе разрядки аккумулятора. Для указанных на схеме элементов максимальный ток разрядки составляет около 250 мА.
Когда аккумулятор разрядится до напряжения 1 В и менее, компаратор на ОУ DA1.1 переключится, транзистор 1VT1 откроется, a 1VT2 закроется, процесс разрядки остановится, а светодиод 1HL1 станет светить, сигнализируя об этом.
Поскольку постоянно следить за све-тодиодами неудобно, в устройство был введен цифровой узел контроля, который и фиксирует продолжительность разрядки каждого аккумулятора. Этот узел собран на микроконтроллере DD1 (PIC16F628A) и ЖКИ от сотового телефона NOKIA 3410, который подключают к гнезду XS1.
Для ЖК индикатора необходимо напряжение питания около 2,5 В (при токе до 1 мА), которое формируется резис-тивным делителем R4R5. Резисторы R6-R10 обеспечивают согласование уровней выходных сигналов микроконтроллера с ЖК индикатором. Конденсатор С4 (его емкость может быть от 1 до 10 мкФ) входит в состав фильтра внутреннего источника питания ЖК индикатора. Резонатор ZQ2 предназначен для встроенного генератора внутреннего таймера микроконтроллера DD1, отсчитывающего продолжительность разрядки.
После подачи питающего напряжения происходит инициализация ЖКИ, и если она прошла успешно, на него выводится сообщение "Ok". Затем в держатель устанавливают тестируемые аккумуляторы (или один аккумулятор) и нажимают на кнопку SB1 "Старт" - начнется отсчет продолжительности разрядки. Когда напряжение аккумулятора снизится до 1 В, отсчет останавливается и на ЖКИ выводится результат. Повторное нажатие на кнопку SB1 запустит процесс заново.

Рис. 2
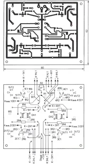
Большинство деталей аналоговой части прибора размещены на печатной плате из односторонне фольгированного стеклотекстолита толщиной 1,5...2 мм, чертеж которой показан на рис. 2. Здесь в основном применены элементы для поверхностного монтажа - постоянные резисторы РН-12 и конденсаторы (1С1-4С1) - типоразмера 0805. Полевой транзистор IRF740 заменим на IRFZ44, IRL2505 и аналогичные. Под-строечный резистор - СП5-2, но подойдет и СПЗ-19, постоянные резисторы 1R4, 2R4, 3R4, 4R4 (МЛТ, С2-23) и полевые транзисторы установлены на стороне платы, свободной от печатных проводников.

Рис. 3
Элементы цифрового узла и ЖК индикатор смонтированы на печатной плате из двусторонние фольгированно-го стеклотекстолита толщиной 1,5... 2 мм, чертеж которой показан на рис. 3. Здесь также применены резисторы для поверхностного монтажа типоразмера 0805, кварцевый резонатор ZQ1 - HC-49S, ZQ2 - "часовой". Микроконтроллер устанавливают в панель. Внешний вид собранной платы показан на рис. 4.

Рис. 4
На третьей плате (с такими же размерами, как первая и вторая)закреплены держатели для аккумуляторов. Эта плата может быть изготовлена из нефольги рованного стеклотекстолита. Если же применить фольгированный, то на ней вырезают контактные площадки, к которым припаивают соединительные проводники. Все три платы с помощью винтов с гайками и металлических (или пластмассовых) стоек собраны в единую конструкцию (рис. 5). Соединения между ними выполнены изолированным монтажным проводом.

Рис. 5
Ток разрядки можно изменять подборкой резистора 1R4 (2R4, 3R4, 4R4), но его не следует увеличивать более 0,5 А. Если не требуется световая индикация режимов работы, то свето-диод 1HL1 и резистор 1R2 (и аналогичные в узлах А2-А4) можно не устанавливать, а светодиод HL1 установить на плате. Для питания устройства можно использовать стабилизированный блок питания с выходным напряжением 5 В и током до 150 мА при использовании светодиодов 1HL1-4HL1 или 40 мА без них. Подойдет, например, стабилизированное ЗУ от сотового телефона.
Программа микроконтроллера находится здесь
Автор: Н. Нистратов, г. Ростов-на-Дону
