Чтобы убедиться в исправности транзистора, зачастую бывает недостаточно проверить его p-n переходы с помощью мультиметра. Измерение коэффициента передачи тока базы с помощью мультиметра тоже не даёт однозначного ответа, исправен транзистор или нет. Поэтому радиолюбители часто используют для проверки транзисторов специализированные пробники. Наиболее просто сделать такое устройство на основе генератора.

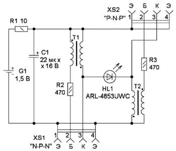
Рис. 1. Схема одного из вариантов пробника транзисторов
Схема одного из вариантов пробника транзисторов показана на рис. 1. Пробник содержит источник питания - гальванический элемент типоразмера ААА, резистор R1, который ограничивает ток при возможном КЗ между элементами устройства, резисторы R2 и R3 - токоограничивающие в цепях баз проверяемых транзисторов. Трансформаторы Т1 и Т2 совместно с подключёнными транзисторами образуют блокинг-генератор. Для упрощения конструкции и уменьшения её размеров в пробнике отсутствуют выключатель питания и переключатель структуры (p-n-p или n-p-n) транзисторов. Поэтому напряжение питания постоянно поступает на светодиод и конденсатор С1, однако ток утечки через них мал.

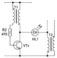
Рис. 2. Схема блокинг-генератора
При подключении транзистора структуры n-p-n получается блокинг-генератор, схема которого показана на рис. 2 (нумерация элементов сохранена). Если транзистор VTx исправен и подключён правильно, генератор начинает работать и на коллекторе транзистора возникают импульсы повышенного напряжения, поступающие на светодиод HL1, который станет светить. Поскольку в приставке светодиод будет подключён к минусовой линии питания не напрямую, а через обмотку другого трансформатора Т2, яркость его свечения будет немного меньше, чем без этого трансформатора. Таким образом, индикатором исправности транзистора VTx будет светящийся светодиод. При подключении транзистора структуры p-n-p получается аналогичный генератор.
Все элементы, кроме элемента питания, размещены на односторонней печатной плате из фольгированного стеклотекстолита толщиной 1 мм. Её чертёж показан на рис. 3. Применены резисторы МЯТ, С2-23 и другие общегоприменения.

Рис. 3. Печатная плата и размещение элементов на ней
Конденсатор - К50-35 или импортный, его ёмкость некритична и может быть в интервале 10...100 мкФ. Светодиод желательно применить синего или белого свечения повышенной яркости, поэтому он не станет светить при напряжении 1,5 В и, кроме того, при таком напряжении прямой ток через него мал. Диаметр корпуса светодиода -3...5 мм.
Трансформаторы намотаны на кольцевых магнитопрово-дах диаметром 8 мм и высотой 3,2 мм от КЛЛ. Намотка каждого из них - 20 витков вдвое сложенным проводом диаметром 0,18...0,2 мм. После намотки выводы соединяют с соответствии со схемой. На плате трансформаторы закреплены с помощью термоклея. Кстати, одиночные выводы трансформатора можно менять местами. Гнёзда XS1, XS2 - PBS-4 с прямыми выводами, их можно также отрезать от линейки разъёма серии PBS-40.
Плата размещена в пластмассовом корпусе подходящего размера, она приклеена к его верхней части. После высыхания клея в плате и корпусе сверлят отверстия для гнёзд XS1 и XS2. В эти отверстия со стороны корпуса вставляют гнёзда и припаивают их к плате. Чтобы это получилось, толщина корпуса должна быть не более 1...1,5 мм. Удобно применить корпус, в котором можно разместить элемент питания. Подходящим оказался корпус размерами 55x45x15 мм от батарейного отсека на три элемента ААА от неизвестного устройства. Для подключения гальванического элемента использованы контакты (один из которых с пружиной)от батарейного отсека малогабаритного светодиодного газонного светильника. Затем проводят монтаж элементов и проверяют работоспособность устройства. Внешний вид платы в корпусе показан на рис. 4.

Рис. 4. Внешний вид платы в корпусе
На корпусе размещают шильдики, указывающие как вставлять транзисторы в гнёзда. Шильдики можно распечатать на принтере и "заламинировать" клейкой лентой. Внешний вид собранного устройства показан на рис. 5.

Рис. 5. Внешний вид собранного устройства
Если при подключении и отключении транзистора светодиод кратковременно вспыхивает, это свидетельствует о броске тока через трансформатор. Этот эффект означает, что транзистор подключён неверно или он неисправен. Кстати, так можно проверить исправность диодов и назначение его выводов, подключая его к контактам "Э" и "К" любого из гнёзд. Однако проверять диоды лучше традиционным способом с помощью мультиметра.
Следует отметить, что такой блокинг-генератор может работать и с некоторыми транзисторами, включёнными в инверсном режиме, т. е. когда функцию эмиттера выполняет коллектор и наоборот. В таком включении коэффициент передачи тока базы близок к единице, но и этого оказывается достаточно. Например, генератор работал с транзисторами (в инверсном включении) КТ361Г, КТ502Б, КТ342Б, КТ645А, КТ3102Б, МП42Б, ГТ310Б, PN2907, но яркость свечения светодиода была существенно меньше. Транзисторы КТ503Г,ГТ404А,МП25А, PN2222 и некоторые другие работать в инверсном включении "отказались". Впрочем, это свойство могут иметь отдельные экземпляры. СВЧ-транзисторы проверять не рекомендуется. Дело в том, что может возникнуть самовозбуждение на высокой частоте, но светодиод при этом светить не будет.
пробником можно проверять и транзисторы средней мощности (но не составные), однако не все из них могут работать в таком блокинг-генераторе. Что касает-ся мощных и высоковольтных транзисторов, из-за малого напряжения питания и больших токов утечки блокинг-генератор может также не заработать.
Чертёж печатной платы в формате Sprint LayOut имеется здесь.
Автор: И. Нечаев, г. Москва
