Статья написана как инструкция для самостоятельного изготовления одной из разновидностей измерительных щупов - пинцета для измерения номиналов поверхностно монтируемых радиоэлементов. Применены материалы и инструменты, которые есть у каждого радиолюбителя. Если не брать в расчёт краску, то финансовые затраты на создание этого востребованного в радиолаборатории инструмента крайне малы.
В обиход радиолюбителей давно и прочно вошли компоненты для поверхностного монтажа (SMD-компоненты). Если в начале истории их использования габаритные размеры позволяли наносить на них маркировку, то, по мере прогресса в миниатюризации, она исчезла даже с резисторов.
Наибольшую же сложность вызывает определение ёмкости керамических конденсаторов. Они первыми потеряли обозначение номинала. Но на помощь пришло изобретение измерительных щупов-тестеров в виде пинцета. Однако изделия именитых фирм, по меркам радиолюбителей, стоят довольно дорого, а качество и ремонтопригодность недорогих пинцетов вызывают определённые сомнения.
На рис. 1 показан пример того, как развивается инженерная мысль по созданию измерительных пинцетов-тестеров [1]. Можно, конечно, приобрести простой пинцет [2] как приставку к тестеру, но у него ограниченные функциональные возможности. Возможно ли своими руками сделать нечто подобное по крайней мере не хуже промышленных аналогов? Конечно, можно!

Рис. 1. Пинцет-тестер
Проблемы с выбором материала нет. Пластмассу сразу лучше отставить в сторону; термопластичные - избыточно гибкие, а термореактивные - избыточно хрупкие. В решении этого вопроса нам поможет высококачественный композитный материал, которого у радиолюбителей в избытке. Это - обычный стеклотекстолит. О его эксплуатационной надёжности и исключительных прочностных характеристиках свидетельствует факт использования, например, при строительстве корпусов морских яхт, домов на колёсах, лопастей ветроэлектрогенераторов. Долговечный, лёгкий, прочный, химически стойкий и при этом доступный.
По понятным причинам нет и проблемы выбора клея. Стеклотекстолит представляет собой стеклоткань, пропитанную эпоксидным клеем. Применив его, мы, по сути, получим монолитное армированное изделие. Но для достижения максимальных прочностных характеристик клеевого соединения обязательно нужно удалить паяльную маску и фольгу с поверхности заготовок из б/у стеклотекстолита. Можно использовать и новый, но это расточительно. Вполне подойдёт старый с отверстиями. После финальной покраски отверстия закроются, и вид будет нормальный. При этом главное - не использовать многослойные печатные платы! Нередко во внутренних слоях сформированы обширные полигоны сплошной фольги. А современные печатные платы имеют несколько слоёв с металлизацией каждого. С проходящим вдоль них измерительным проводом и пальцами руки они образуют довольно ощутимую паразитную ёмкость с нестабильными значениями. Именно в этой связи и нецелесообразно использование относительно новых, утончённых во всех смыслах материнских плат, которые к тому же даже после небольшого нагрева разворачивает как вертолётную лопасть. Лучше взять старые качественные стеклотекстолитовые платы.
Чтобы читателям не пришлось придумывать, как распечатать шаблоны частей будущего пинцета, они разработаны в программе Sprint Layout 5 (далее SP5) и имеются в свободном доступе на сервере журнала. Ниже поделюсь несколькими нюансами изготовления пинцета, основанными наличном опыте.
Для более простого понимания дальнейшего процесса приведу определение этого инструмента. Пинцет - два рычага второго рода, соединённых вместе в одном закреплённом конце, с браншами на другой стороне. Итак, приступаем к изготовлению.
Перед началом работы внимательно изучите чертёж в программе SP5, который иллюстрирует рис. 2, чтобы понять все нюансы и этапы фактического воплощения в металл этого проекта. Заготовки деталей 1, 2 и 3 до обработки одинаковы, их длина - 55 мм, ширина - 10 мм.

Рис. 2. Чертёж конструкции прибора в программе SP5
На чертеже показаны только контрольные размеры (более точно их можно увидеть в программе SP5 c помощью инструмента "Измеритель"). Кроме того, вы вправе отказаться от вилкообразного выступа крепления выходящих проводов на детали 3, увеличить или уменьшить размеры полости, образуемой деталями 2 и 3. И всё же, по собственному опыту пользования пинцетом, рекомендую выступ на детали 3 даже увеличить до длины не менее 1,5 см. Так провода можно легче и прочнее закрепить.
Чёрные многоугольники внутри деталей 2 и 3 (в программе SP5) - это части, которые необходимо удалить, например выпиливанием, для формирования пустого отсека ещё до склейки.
В детали 1 отверстия 4 для штифта поворотной крышки 5 сделаны на двух деталях зеркально! Это необходимо для правильной наклейки шаблонов и сверления сквозных отверстий в уже склеенном блоке закреплённого конца.
Обратите внимание! Прямоугольники 7 на детали 2 - будущие упорные выступы, чтобы при закрывании крышка не проваливалась внутрь.
Прямоугольник 6, примыкающий снизу к крышке отсека - накладка для штифта. Именно по границе стыковки детали крышки и прямоугольной заготовки накладки будет сверлиться отверстие оси вращения!!!
Увеличьте масштаб изображения деталей 2 и 3 в программе SP5. Там, где находится упорный выступ 7, вы увидите, что концевая плоскость крышки имеет скос, а ответная часть деталей 2 и 3 - обратный скос. Это - будущая защёлка крышки.
В деталях 2 и 3, в районе примыкания противоположного конца крышки, запланировано сделать выборку по огибающей. Это необходимо, чтобы прямоугольный конец крышки свободно заходил внутрь отсека, не цепляя его стенки. Нижний край крышки 6, примыкающий к выборке можно сточить под углом 65 градусов, верхняя сторона должна остаться изначальной длины. Все зазоры снаружи сохранятся прежними, а нижняя скошенная часть торца крышки будет ложиться на дно полости не углом, а всей своей плоскостью.
При показанных на чертеже размерах крышка будет открываться на угол 65 градусов. Это результат компромисса между общей высотой пинцета и необходимостью сделать достаточную площадку для пальца от оси поворота крышки до ответной стенки отсека. Можно было бы переместить ось вращения дальше от защёлки замка и крышка открывалась бы на угол больше 90 градусов (не упираясь краем в дно полости), но тогда рычаг открывания уменьшится настолько, что крышку невозможно будет открывать или приходилось бы применять чрезмерные усилия. Увеличивать высоту пинцета до габаритов, позволяющих с текущими размерами крышки открывать её на больший угол, но в ущерб эргономике - тоже не лучший выход. Опыт эксплуатации пинцета показал, что и угла открывания в 65 градусов, длины и ширины крышки, а также внутреннего объёма хранилища образцового конденсатора (о нём сказано далее) достаточно для комфортного пользования внутренним отсеком.
И последнее. После склейки всех элементов пинцета завершающим этапом будет высверливание отверстия в закрепленном конце до диаметра, который бы вписался в расстояние между рычагами. Общая толщина склеенной детали закреплённого конца будет около 10 мм. Одна пластина стеклотекстолита имеет толщину 1,5 мм. В пакете шесть пластин суммарно дадут 9 мм, плюс немного клея - итого почти 10 мм. После чистовой обработки надфилем места сверления должна получиться полукруглая выемка. Операцию по её изготовлению в принципе можно и не выполнять. Но, она позволит сделать пинцет красивее, легче, а прочностные характеристики при этом сохранятся, как если бы отверстия не было. Тем более операция эта крайне проста и не вызовет сложностей. Помните, правильно отверстия большого диаметра в пластичных материалах высверливаются минимум в два этапа. Сначала направляющее отверстие тонким сверлом, а затем со всё большим диаметром до получения требуемого диаметра.
Как выглядит пинцет с полуотверстием, видно на рис. 3.

Рис. 3. Пинцет с полуотверстием
Обратите внимание, что две заготовки детали 3 закрепленного конца имеют наружный выступ с прорезью посередине. В финале он будет выполнять роль фиксатора выходящих проводов и закроется для красоты термоусаживаемой трубкой. Совокупность принятых конструктивных мер уменьшит изгиб проводов и увеличит срок их службы.
При выводе чертежа на печать проделайте в программе SP5 следующие операции. Снимите галочки со всех слоёв, кроме М2. Именно на этом слое находится чертёж деталей пинцета и только он должен быть напечатан. Остальные слои содержат вспомогательную информацию. Цвет слоя М2 установите чёрным. Тогда полученные шаблоны будут максимально контрастными.
Под двумя чертами находится рисунок промежуточного результата склейки закреплённого конца, а в самом низу -каким должен получиться пинцет к этапу окрашивания. Все отверстия для штифта на чертеже также являются шаблонными и выводились с точностью до 0,1 мм. Смело используйте их при сверлении (для большей точности на слой М2 перенесено только внутреннее кольцо меньшего диаметра). Внешнее кольцо большего диаметра использовано для облегчения прочтения чертежа и находится на слое М1. На слое К1 показаны габаритные размеры деталей. На слое Ф - нумерация деталей согласно описанию в данной статье.
Вот, в общем-то все нюансы и закончились. Шаблоны печатаем на обычной бумаге и вырезаем. Наклеиваем их на стеклотекстолит и выпиливаем с небольшим припуском. Шаблоны, ранее приклеенные клеем ПВА, без затруднений смываются водой и не оставляют на деталях следов.
В дальнейшем, после склейки всего пакета, излишки материала и выступившего эпоксидного клея будут удалены при обработке краёв.
Самый эффективный и качественный способ выровнять боковые грани заготовки - это наклеить на деревянный брусок полосу наждачной бумаги и с небольшим усилием линейными движениями шлифовать деталь до требуемого результата. Перед склейкой и покраской деталей рекомендуется обезжирить их, предназначенными для этого средствами. Работая с эпоксидным клеем, обезжиривателем и аэрозольной краской, соблюдайте необходимые меры безопасности, описанные в инструкции по применению вышеперечисленных химических составов!
Пришло время открыть секрет пинцета. Для чего же нужен отсек в закреплённом конце? Функций три. Первая - уменьшение массы пинцета (масса авторского экземпляра - 26 грамм). Вторая - ввод и распайка проводов. Третья - место хранения образцового конденсатора ёмкостью 1000 пФ.
Для измерения конденсаторов небольшой ёмкости с помощью распространённых непрецизионных приборов лучший вариант - добавление конденсатора с известной ёмкостью к измеряемому конденсатору с последующим вычитанием её из полученного результата. При параллельном подключении конденсаторов суммарная ёмкость увеличивается. Это нужно для попадания в середину интервала измерений, где точность будет выше. Чуть позже, после склейки пакета заготовок закреплённого конца, мы добавим цанговые контакты, в которые конденсатор будет устанавливаться при необходимости.
Однако это не все секреты пинцета. О последнем из них будет информация ближе к концу статьи.
Как уже было сказано выше, склейка осуществляется поэтапно. Сначала заготовки закреплённого конца, а затем к получившемуся пакету приклеивают два рычага. Для лучшего результата пакеты зажимают в тиски. Ведь, как известно, чем тоньше слой клея, тем прочнее соединение.
Первыми склеивают четыре заготовки закреплённого конца, в которых будет формироваться полость. Последовательность такая - детали 2, 3, 3 и 2. После отверждения клея получившийся пакет обрабатывают механически. Тем читателям, кто решит повторить вариант с цанговой колодкой, лучше ещё до начала склейки в детале 3 выпилить паз под неё.
Затем изготавливают крышку. Склеивают её наружную часть и внутренний прямоугольник фиксации штифта. Сверлят отверстие и вставляют штифт, который приклеивать не надо ни на каких этапах работы! Сборка продумана так, что он автоматически зафиксируется там, где должен, без лишних манипуляций. Далее к пакету с наружных сторон приклеиваем заготовки детали 1. Как можно точнее сверлим сквозное отверстие для штифта.
Важно именно на этом этапе просверлить отверстия для пропуска проводов, идущих к браншам от цанговой колодки. Если склеить пинцет полностью, то нормального доступа для сверления таких отверстий уже не будет!
Устанавливают крышку и штифт на свои места, подгоняют края и выступ защёлки для правильной работы. У крышки аккуратно подтачивают внутренний зуб, чтобы открывание было с небольшим усилием, но при этом крышка не открывалась сама по себе. Открывание производят нажатием пальца на верхнюю часть крышки, что над штифтом. Такая конструкция позволила сделать крышку потайной без выступающих частей, а пинцету лежать устойчиво на любой из четырёх сторон.
Затем приклеивают два рычага. Больше штифт крышки никогда никуда не денется. В качестве штифта можно использовать хвостовик сверла диаметром 1...1,5 мм. Края штифта не должны выступать наружу пакета, иначе они помешают приклеиванию рычагов. При необходимости можно аккуратно обточить его концы до требуемой длины. Окончательно обрабатывают заготовку пинцета (напильником, наждачной бумагой, с полировкой или без, на ваше усмотрение) до получения желаемого эстетического результата.
В качестве браншей можно взять контакты из любого подходящего металла. В своей конструкции я использовал позолоченные контактные пластины с платы старого жёсткого диска, которые подводили питающее напряжение к двигателю. Они прочные, из пружинящей бронзы.
Способ крепления их не привожу. Это зависит от выбранных мастером-изготовителем контактов. Окончательно они закреплены на своих местах каплями эпоксидного клея.
Для некоторых ситуаций окажутся лучшими не пружинящие контакты, а жесткие и остро заточенные. Например, при ремонте старых плат с окислившимися паяными контактами. Можно взять позолоченные штыри от контактных колодок материнских плат компьютеров, к которым подключались шлейфы дисководов. Далее распаивают провода.
Несколько слов о подключении трёхконтактного отрезка цанговой колодки. В отсеке свободное пространство ограничено, поэтому после припайки проводов и установки колодки на место, провода войдут внутрь отсека. Опытным путём установлено, что длину проводов надо сделать такой, чтобы концы выступали над торцом пинцета не более чем на 10 мм. Этого достаточно для удобной пайки, а после посадки колодки в паз провода заполнят лишь пустое пространство под упорными выступами для крышки. Впрочем, это нельзя считать значимой потерей. Ведь основной функциональный объём отсека сохранится!
После этого можно каплей термоклея зафиксировать провода внутри отсека и отформовать затвердевающий клей так, чтобы он с выступами стал как единое целое.
Выходящие из отсека к браншам отрезки проводов припаивают к щупам и приклеивают к внутренней поверхности рычагов. Закрывают пружинные контакты браншей малярным скотчем или ПВХ-трубками и красят пинцет в желаемый цвет.
Не стоит волноваться, что краска зальёт крышку и её уже невозможно будет открыть. Слой краски из аэрозольного баллончика получается небольшим, а после высыхания можно лезвием канцелярского ножа аккуратно пройтись по канавкам и разблокировать крышку. Рука, удерживающая пинцет, обязательно должна находиться позади направления реза ножа! Тогда, даже если нож соскользнёт, травмы не будет!
После полного высыхания краски на наружные боковые части рычагов можно наклеить полоски резины для меньшего скольжения пальцев и дополнительной электрической изоляции.
И в финале фиксируют нитками или термоклеем отходящие провода к фиксирующему выступу на детали 2 и прикрывают термоусаживаемой трубкой. Прогреваем феном до усадки.
Пинцет готов.
Перечень материалов и инструментов для изготовления пинцета:
- стеклотекстолитовая плата толщиной 1,5 мм;
- отрезок USB-кабеля длиной 30...40 см;
- изолированный гибкий провод с внешним диаметром 1 мм и длиной 25 см;
- отрезок цанговой колодки (три гнезда-контакта можно выпилить и из цанговой панели для микросхемы);
- два позолоченных щупа (например, от устаревших IDE-разъёмов, к которым подключались жёсткие диски, DVD-приводы);
- термоусаживаемая трубка;
- отрезок велосипедной камеры;
- ножницы;
- свёрла диаметром 1 мм и 1,5 мм;
- ножовка по металлу;
- дрель;
- надфили;
- клей ПВА для бумаги (клеить шаблоны на стеклотекстолит), эпоксидный клей для основных работ и клей БФ-2 для подклейки проводов от цанговой колодки к щупам (быстро схватывается и отлично растекается под проводами);
- баллончик с краской (лучше акриловой, прочной и стойкой к царапинам).
И, наконец, последний секрет именно авторского варианта изделия.
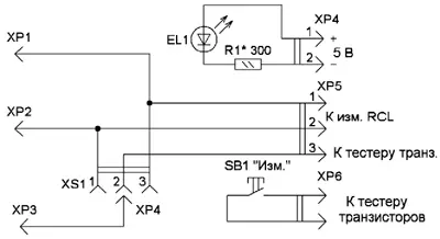
Пинцет планировалось использовать также с популярным у радиолюбителей прибором - тестером транзисторов и других полупроводниковых приборов. Подключают пинцет к прибору по трёхпроводной схеме (рис. 4). Третий провод подведён к средней цанге. Это позволило быстро, не отключая пинцета от транзистор-тестера, проверять обычные транзисторы в корпусах ТО-92, ТО-220. Достаточно всеми выводами транзистора коснуться ответных контактов цанговой колодки.

Рис. 4. Схема подключения пинцета к прибору
Если изготовить дополнительный щуп, один конец которого будет выполнен в виде иглы, вставляющейся в среднюю цангу разъёма, с помощью пинцета станет возможным легко измерять параметры и SMD-транзисторов! Более того, фактически были успешно протестированы транзисторы и диоды (пары с общим катодом или анодом), установленные на платах, без их предварительного выпаивания. Лишь в одном случае прибор не смог определить наличие диода, встроенного в полевом транзисторе. Исправность же самого транзистора и его параметров была показана правильно.
Вот так изначально простой инструмент обрёл функциональность, превышающую таковую у промышленных аналогов, и очень облегчил жизнь.
В принципе, пинцет можно ещё усовершенствовать, добавив осветительный светодиод белого свечения, разместив его в высверленной выборке между рычагами. К пинцету подвести обрезок USB-кабеля, имеющего четыре провода и экранирующую оплётку, которую подключают к минусу источника питания (можно и самого прибора, а один из свободных проводов к плюсу питания). В итоге получится эстетически красивый вид конечного продукта (с одним кабелем, а не тремя раздельными проводами), а также подсветка места проведения измерений. Токоограничивающий резистор R1 подбирают под конкретный экземпляр светодиода, чтобы не превысить предельно допустимый для него ток.
Если планируется использовать пинцет только совместно с транзистор-тестером, вмзамен светодиода можно установить кнопку и подключить её параллельно контактам кнопки (или энкодера в зависимости от модели) прибора, отвечающей за старт процедуры измерения. Особенно это будет удобно при измерении параметров SMD-транзисторов. Внешний вид готового пинцета показан на рис. 5.

Рис. 5. Внешний вид готового пинцета
Перед первым применением пинцета по назначению не забудьте провести калибровку вашего измерительного прибора (LC-метра, тестера, транзистор-тестера), чтобы он учёл новые паразитные ёмкости. А они появятся. Ведь как бы мы ни старались, сделать измерительные проводники короче 20...30 см не получится. Измеренная ёмкость у авторского экземпляра пинцета составила 38 пФ.
Соотношение гибкость-жёсткость рычагов у стеклотекстолитового пинцета получилась примерно сопоставимой с медицинскими аналогами, выполненными из специальных нержавеющих сталей. И соответственно позволяет деликатно и точно проводить измерения.
На создание пинцета у меня ушло около двух недель, а у читателей это займёт значительно меньше времени, поскольку чертежи и схемы есть в наличии. Уточнять ничего не требуется. Немного старания, терпения - и вы счастливый обладатель очень удобного дополнения к вашим измерительным приборам.
Литература
1. Miniware DT71 Mini Digital Tweezers тестер-пинцет SMD. - URL: https://www. chipdip.ru/product0/8004494720 (14.03.21).
2. Щупы-пинцет для SMD Cleqee P1510. - URL:https://supereyes.ru/catalog/ aksessuary_k_generatoram_i_multimetram/ p1510/ (14.03.21).
Автор: Д. Захаров, г. Оренбург
