Для сравнения задержки распространения ультразвука в проверяемом бензине с эталонными для четырёх его марок (см. статью "Ультразвуковой измеритель октанового числа бензина") в нём был применён цифровой компаратор. Выяснилось, что весь этот узел (цифровой компаратор с буферными элементами - шесть микросхем) можно заменить одной микросхемой программируемого постоянного запоминающего устройства (ППЗУ), что значительно упрощает прибор.
Так как расстояние между приёмником и излучателем ультразвука не превышает 2 м, высокая чувствительность ультразвукового приёмника не требуется. Поэтому его входной усилитель на ОУ удалось заменить более дешёвым и простым усилителем на одном транзисторе.
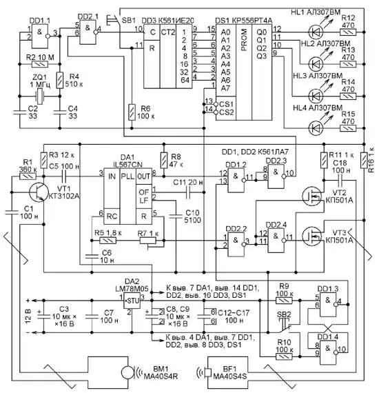
Схема упрощённого ультразвукового измерителя октанового числа бензина изображена на рис. 1. Алгоритм работы устройства не изме нился и подробно описан в предыдущей статье. Только теперь код с выходов счётчика DD3, соответствующий измеренной задержке распространения ультразвукового импульса в бензине, поступает не на компаратор, а на адресные входы ППЗУ Ds 1 (КР556РТ4А).

Рис. 1. Схема упрощённого ультразвукового измерителя октанового числа бензина
Микросхемы этого типа поставляют потребителям с записанными во всех ячейках памяти логическими нулями. Чтобы использовать в приборе ППЗУ, его нужно запрограммировать, заменив в нужных ячейках логические нули логическими единицами. Адреса ячеек ППЗУ и коды, которые нужно в них записать, приведены в таблице. Во все остальные ячейки, отсутствующие в таблице, следует записать код 1111.
Бензин | Δt, мкс | int(Δt) mod 128 | Адрес, hex | Код, bin |
Лучше АИ-95 | 828...836 | 60-68 | ЗС - 44 | 0111 |
АИ-95 | 837...842 | 69-74 | 45 - 4А | 1011 |
АИ-92 | 843...848 | 75-80 | 4В - 50 | 1101 |
АИ-80 | 849...876 | 81-108 | 51 - 6C | 1110 |
Хуже АИ-80 | 877...883 | 109-115 | 6D - 73 | 0000 |
С запрограммированным таким образом ППЗУ светодиод HL1 прибора включится при проверке бензина марки АИ-80, HL2 - AИ92, HL3 - AИ95. Бензину с большим, чем у АИ-95, октановым числом соответствует свечение светодиода HL4, а если бензин хуже, чем АИ-80, будут включены все светодиоды.
Налаживание прибора сводится к установке частоты 40 кГц на выходе генератора микросхемы DA1 (выв. 5) с помощью подстроечного резистора R7 и программирования ППЗУ. Запрограммировать микросхему КР556РТ4А вручную можно с помощью программатора, схема которого изображена на рис. 2. Программируют её, подавая одиночные программирующие импульсы на выход программируемого разряда и на вывод питания. Адрес ячейки набирают кодирующими переключателями SA1 и SA2, переключателем SA3 выбирают разряд, подлежащий программированию. Импульс пережигает плавкую перемычку внутри микросхемы, что эквивалентно записи логической единицы в этот разряд.

Рис. 2. Схема программатора
При нажатии на кнопку SB1 генератор одиночного импульса на одновибраторе DD1.1 выдаёт импульс длительностью около 100 мс, открывающий ключ на транзисторах VT1 и VT2. Во время импульса на программируемый разряд и вывод питания ППЗУ поступает напряжение +12 В. Если единица записана, светодиод HL1 должен включиться. В противном случае следует повторить операцию записи. Длительность импульса программирования зависит от номиналов резистора R10 и конденсатора C1.
Микросхема КР556РТ4А давно снята с производства, но в продаже их ещё довольно много. При необходимости можно применить и другие микросхемы ППЗУ, например, К155РТ4, К541РТ1 или импортные.
Автор: А. Корнев, г. Одесса, Украина
