Существует большое число различных вариантов измерителей ёмкости конденсаторов, однако большинство из них работают в определённой части интервала [1, 2]. В то же время разработаны устройства, позволяющие измерять значения ёмкости в интервале от десятков пикофарад до тысяч микрофарад [3-5]. В статье предлагается ещё один вариант широкодиапазонного измерителя, особенностью которого является относительная простота реализации. Кроме того, устройство может работать как приставка к цифровому мультиметру, так и самостоятельным измерителем. К недостаткам устройства следует отнести заметное колебание стрелки прибора на пределе измерения "2,5 мкФ" и повышенное потребление тока на пределе "25 мФ".
Основные технические характеристики
Нижний предел измерения, пФ ...............100
Верхний предел измерения, мФ ...............25
Погрешность измерения, %, не более ...............5
Напряжение питания, В ...............7...15
Ток потребления, мА, не более
на пределах "100 пФ" и "250 пФ" ...............35
на пределах от "2,5 нФ" до "2,5 мФ" ...............30
на пределе "25 мФ" ...............80
Время измерения, с, не более
на пределах от "100 пФ" до "2,5 мкФ" ...............0,5
на пределах от "25 мкФ" до "25 мФ" ...............2,5
Упрощение схемы достигнуто за счёт объединения двух методов измерения. Метода [1], который используется для измерения ёмкости в интервале 100 пФ...2,5 мкФ (режим малой ёмкости), и метода [2] - для измерения ёмкости конденсаторов в интервале 25 мкФ...25000 мкФ (режим большой ёмкости). Переключение между этими режимами производится переключателем.

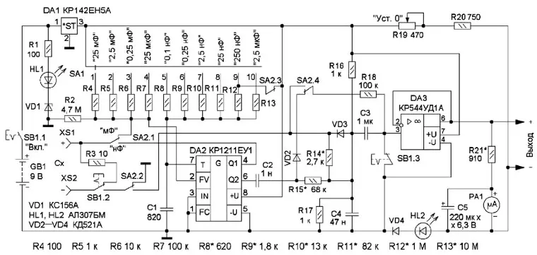
Рис. 1. Схема измерителя ёмкости конденсаторов
Схема устройства представлена на рис. 1. Узел питания со стабилизированным выходным напряжением 5 В собран на элементах GB1, DA1. Сигнализатор работы и разрядки батареи построен на элементах R1, HL1 и VD1. Элементы R8-R13, C1, DA2 образуют генератор прямоугольных импульсов с двумя выходами, частоты которых на пределах "2,5 мкФ", "250 нФ", "25 нФ", "2,5 нФ", "250 пФ" и "100 пФ" составляют соответственно около 10 Гц, 100 Гц, 1 кГц, 10 кГц, 80 кГц и 200 кГц. Для режима измерения большой ёмкости используется частота 100 Гц. Среднюю точку для измерения формируют элементы R16, R17, C4. Конденсатор C3 запоминает измеряемое напряжение, а повторитель на ОУ DA3 исключает влияние сопротивления микроамперметра PA1 или внешнего цифрового мультиметра, для подключения минусовой линии которых создана ещё одна средняя точка на элементах R19, R20, VD4, HL2. Диод VD4 и светодиод HL2 образуют аналог стабилитрона на напряжение 2,5 В. Переменным резистором R19 устанавливают нулевое положение стрелки микроамперметра PA1, что необходимо для компенсации дрейфа напряжения смещения DA3 и устранения влияния ёмкости монтажа на пределах "250 пФ" и "100 пФ". Конденсатор C5 уменьшает колебания стрелки на пределе "2,5 мкФ", а резистор R3 нужен для разрядки измеряемого конденсатора. Аналогичную функцию выполняет резистор R17 для конденсатора C3.
На схеме переключатель SA2 показан в положении режима большой ёмкости. После подключения измеряемого конденсатора Сх и включения питания кнопкой SB1 измеряемый конденсатор начинает заряжаться через один из резисторов R4-R7 в соответствии с выбранным пределом измерения. Одновременно с этим импульсами частотой 100 Гц по переднему фронту через цепь C2, VD2, SA2.4, R18 начинает заряжаться конденсатор C3. Каждый импульс заряжает его примерно на 1 мВ. Таким образом, полное отклонение стрелки наступает через 2,5 с. Как только напряжение на измеряемом конденсаторе достигнет около половины напряжения питания, генератор на микросхеме DA2 отключится, а на запоминающем конденсаторе C3 установится напряжение, соответствующее ёмкости измеряемого конденсатора Cx. Высокое входное сопротивление ОY DA3 позволяет удерживать уровень напряжения на время, необходимое для считывания показаний. У автора стрелка микроамперметра PA1 возвращалась к нулевому значению со скоростью 10 мВ в секунду, что вполне удовлетворительно. Такая реализация преобразователя длительности импульсов в напряжение позволила упростить схему и отказаться от многоразрядного счётчика импульсов с ЦАП, как в [2].
Рассмотрим работу измерителя в режиме малой ёмкости. В этом случае конденсатор Cx включается последовательно с выходом генератора DA2 и параллельной цепи R14VD3. В результате действующее значение напряжения на резисторе R14 будет прямо пропорционально ёмкости конденсатора Cx. Через несколько периодов до этого напряжения через резистор R18 заряжается конденсатор C3.
Микросхема КР142ЕН5А может быть заменена любым интегральным стабилизатором напряжения, обеспечивающим 5 В при токе не менее 100 мА. Вместо ОУ КР544УД1А можно использовать ОУ с повышенным входным сопротивлением и без частотной коррекции. Диоды VD2, VD3 - маломощные кремниевые с предельной частотой не менее 200 кГц, диод VD4 - кремниевый малой или средней мощности. Постоянные резисторы - МЛТ, переменный - малогабаритный импортный RK1233N1 (можно использовать резистор сопротивлением 1 кОм с включённым параллельно постоянным резистором сопротивлением 1 кОм). Конденсаторы C1 - C4 - керамические или плёночные, C5 - оксидный. Номинальные напряжения стабилитрона VD1 и светодиода HL1 в сумме должны быть 7.7,5 В, чтобы при снижении напряжения питания менее 7 В светодиод HL1 не светился. Напряжение на диоде VD4 и светодиоде HL2 должно быть 2,4...2,6 В при токе 2...3 мА. Микроамперметр PA1 - с током полного отклонения 100...200 мкА. Измерительные провода должны быть как можно короче и снабжены зажимами крокодил.
Для налаживания измерителя потребуются цифровой вольтметр постоянного тока с ценой деления 1 мВ, частотомер для измерения частоты 100 Гц и образцовые конденсаторы ёмкостью 100 пФ, 1 нФ, 10 нФ, 0,1 мкФ, 1 мкФ и 10 мкФ. Начинать настройку необходимо с режима малой ёмкости, переключив SA2 в соответствующее положение.
На первом этапе налаживания нужно отключить микроамперметр и установить переключатель пределов в положение "250 нФ", подключить к выводу 4 или 6 микросхемы DA2 частотомер. Подбирая резистор R12, надо как можно точнее установить частоту 100 Гц. Затем, подключив к выводу устройства цифровой вольтметр, резистором R19 надо установить нулевые показания. Далее, заменив постоянный резистор R14 переменным с сопротивлением 4,7 кОм и включив в качестве измеряемого образцовый конденсатор ёмкостью 0,1 мкФ, установить перемен ным резистором показания вольтметра, соответствующие фактической ёмкости образцового конденсатора. Например, если фактическая ёмкость 105 нФ, вольтметр должен показывать 105 мВ. После этого переменный резистор необходимо заменить постоянным (или несколькими) с соответствующим сопротивлением.
Затем нужно перевести переключатель SA1 в положение "2,5 мкФ", подключить в качестве измеряемого образцовый конденсатор ёмкостью 1 мкФ и подборкой резистора R13 добиться показания вольтметра, соответствующего фактической ёмкости образцового конденсатора. В случае, если в результате подбора сопротивление резистора R13 окажется значительно больше 10 МОм, необходимо увеличить на 5...10 % ёмкость конденсатора C1, а затем повторно подобрать резистор R12, как описано выше. Настройку на пределах "25 нФ", "2,5 нФ", "250 пФ" и "100 пФ" нужно производить аналогично, изменяя положение переключателя SA1 и подбирая соответствующие резисторы R8-R11.
В связи с тем что на пределах "250 пФ" и "100 пФ" частота генератора сравнительно большая, на показания измерителя оказывает влияние паразитная ёмкость, в основном обусловленная монтажом. У автора она получилась около 10 пФ. Поэтому на этих пределах нужно перед подборкой резисторов R8, R9 показания вольтметра установить на ноль резистором R19.
В режиме измерения большой ёмкости устройство налаживают следующим образом. Переключатель SA1 нужно перевести в положение "25 мкФ", резистор R15 заменить переменным сопротивлением 100 кОм и в качестве измеряемого конденсатора подключить образцовый ёмкостью 10 мкФ. При измерении движок переменного резистора необходимо установить таким образом, чтобы показания вольтметра соответствовали фактической ёмкости образцового конденсатора. Затем переменный резистор следует заменить постоянным соответствующего сопротивления. Фактическое сопротивление резисторов R6, R5 и R4 должно быть меньше сопротивления резистора R7 в 10, 100 и 1000 раз соответственно. Например, если сопротивление резистора R7 102 кОм, то сопротивления резисторов R6, R5 и R4 должны быть 10,2 кОм, 1,02 кОм и 102 Ом соответственно. В противном случае для настройки необходимы образцовые конденсаторы соответствующих номиналов.
На заключительном этапе необходимо восстановить разорванную цепь микроамперметра PA1 и подобрать резистор R21 так, чтобы показания стрелочного прибора соответствовали показаниям цифрового. После этого желательно ещё раз измерить все образцовые конденсаторы и при необходимости подобрать соответствующие резисторы.
Устройство размещено в корпусе от небольшого стрелочного мультиметра, от которого использован микроамперметр с разметкой шкалы на 25 и 10 делений, а также галетный переключатель (рис. 2). Элементы R1, VD1, DA1, R3 - R13 расположены на штатной плате мультиметра, а HL1, SB1, SA1, SA2, R19 - на корпусе. Остальные элементы смонтированы с применением печатного монтажа на второй плате, которая крепится к первой винтами (рис. 3).

Рис. 2. Внешний вид измерителя ёмкости конденсаторов

Рис. 3. Смонтированные элементы на плате устроства
Литература
1.Нечаев И. Приставка к мультиметру для измерения ёмкости конденсаторов. - Радио, 1999, № 8, с. 42, 43.
2.Глибин С. Фарадометр - приставка к мультиметру. - Радио, 2018, № 5, с. 22- 24.
3.Певницкий С. Цифровой измеритель ёмкости. - Радио, 1984, № 10, с. 46-48.
4.Нечаев И. Приставка к вольтметру для измерения ёмкости конденсаторов. - Радио, 1995, №6, с. 25-27.
5.Васильев В. Измеритель ёмкости конденсаторов. - Радио, 1998, № 4, с. 36, 37.
Автор: А. Староверов, г. Вологда
