Данная статья является результатом многолетнего опыта ремонта и обслуживания редкого типа электромеханических приборов, применяемых в медицине. Насколько известно автору, они ни разу не упоминались в специализированной прессе за последние 30 лет.
Для начала разберемся с терминологией. Существует несколько фирм из различных стран (Великобритания, Германия, Греция, Италия), выпускающих специализированные электромеханические приборы для длительных (многочасовых) инъекций медицинских препаратов. Так, аппараты британской фирмы GRASEBY MEDICAL называются syringe driver, т.е. привод для шприца. Изделия итальянской фирмы INFUZA именуются medical infusion system (медицинская система для инъекций). Изделиям же греческой фирмы MICREL дано название micropump (микронасос).
Не вдаваясь глубоко в лингвистику, назовем все приборы этого класса микронасосами (далее по тексту - МН). По мнению автора, этот термин наиболее краток и достаточно информативен.
Теперь кратко об применении МН. Существует целый ряд болезней человека, при которых необходимо постоянное, непрерывное и длительное введение препарата в кровь больного. В частности, к таким заболеваниям относится талассемия. При этом заболевании костный мозг больного не вырабатывает некоторые составляющие части крови, что отрицательно сказывается на здоровье человека и даже угрожает его жизни. Таким больным необходимо постоянное введение препарата, содержащего эти вещества. Поступление в кровь лекарства должно протекать равномерно и малыми дозами, как это происходит в здоровом организме. Однократная инъекция может не решить проблему, а создать массу других. Очень нежелательна перегрузка организма ударной дозой. В то же время давать малые дозы через короткие промежутки затруднительно и болезненно для больного. К тому же с этой болезнью живут всю жизнь, и больные не могут все время находиться в больнице.
Для решения этих проблем и были разработаны МН. Они представляют собой электромеханический узел в виде микромотора с понижающим редуктором, ходовым винтом и кареткой, передающей усилие на поршень одноразового шприца. Через определенные промежутки времени включается двигатель, и на небольшой угол поворачивает ходовой винт. Каретка, соединенная гайкой с ходовым винтом, продвигает поршень шприца. В кровь пациента поступает ограниченная доза препарата. Самое замечательное, что МН можно закрепить на теле пациента и тот может спокойно передвигаться. Например, ребенок с таким МН может посещать школу и даже проявлять свойственную этому возрасту двигательную активность. Шприц соединен с иглой гибкой трубкой. Игла вводится подкожно и крепится лейкопластырем. Изменяя размер шприца, можно в определенных пределах регулировать дозу вводимого препарата. Кроме того, некоторые МН позволяют с помощью переключателей задавать несколько скоростей перемещения каретки, изменяя длительность паузы между рабочими ходами.
Рассмотрение МН начнем с изделий греческой фирмы MICREL. Их внешний вид показан на рис. 1 (первый и второй спереди). Все они обозначаются как модель MP но автору известны четыре версии данной модели. Особенностью модели (МР-11, v3.1), показанной на переднем плане рис. 2, является использование аккумуляторной батареи из пяти Ni-Cd аккумуляторов.

Рис. 1. МН фирмы MICREL

Рис. 2. МН с питанием от Ni-Cd аккумуляторов
Принципиальная электрическая схема изделий данной модели приведена на рис. 3. Схема составлена автором по топологии печатной платы. Попытки найти ее в сети Интернет и связаться с фирмой-изготовителем результатов не дали.

Рис. 3. Принципиальная электрическая схема МН, модели МР-11, v3.1
Вторая разновидность модели MP-11 (версия v.5) собрана в корпусе, увеличенном по высоте за счет добавления батарейного отсека для шести элементов типоразмера ААА. Принципиальная схема версии v5 идентична предыдущей версии.
Конструктивной особенностью этой модели является использование гибкой печатной платы (ПП), сложенной пополам внутри корпуса. Проводники выполнены методом электролитического наращивания меди в углублениях ПП с последующим вжиганием. Этим объясняется очень высокая адгезия проводников. Они не отслаиваются даже при неудачном демонтаже деталей.
При ремонте МН, как ни странно, главным инструментом является кисточка. За более чем восемь лет работы с МН заменять неисправные микросхемы и транзисторы пришлось 5-6 раз при общем числе ремонтов, исчисляемом сотнями. Основными причинами отказов МН являются микротрещины и загрязнения. Но данное обстоятельство отнюдь не способствует облегчению поиска причин неработоспособности МН. Тем, кто занимается ремонтом электронной техники, хорошо известно, как тяжело найти микротрещину, особенно на ПП с шириной проводников 0,1...0,3 мм. Собственно принципиальные схемы чаще нужны для прозвонки печатных проводников.
В изделиях этого класса на долю микротрещин приходится до 50% отказов. Основной их причиной, на взгляд автора, является использование гибкой ПП. Очень много микротрещин возникает именно возле ее изгиба на 180 градусов. Прочность выводов деталей в корпусах типа DIP превышает прочность печатных проводников, что приводит к частым обрывам последних возле контактных площадок. Особенно часто рвутся проводники, соединенные с транзистором Q1, причем со стороны самого транзистора. Их дублирование с помощью навесных перемычек из тонкого эмалированного провода (ПЭВ-2 0,1...0,2 мм.) обычно приводит к восстановлению работоспособности МН.
Вторым не менее редким дефектом является затекание содержимого шприца внутрь прибора. Так как препарат является электропроводным (раствор солей железа, калия, натрия и т.д.), то его попадание между проводниками приводит к полной неработоспособности изделия. Ведь все узлы собраны с использованием КМОП-микро-схем. Основным инструментом при ремонте таких дефектов является набор щеток и кисточек.
Очень удобно использовать зубную щетку с синтетической щетиной. Для промывки печатной платы настоятельно рекомендуется использовать ацетон, а не спирт. Последний всегда содержит влагу, создающую утечки в схеме. Найти их практически невозможно. Поэтому после промывки платы необходимо использовать фен. Если этого не сделать, то схема остается неработоспособной, пока влага не будет удалена. Кроме того, ацетон лучше растворяет компоненты препаратов и обладает лучшими бактерицидными свойствами, чем спирт. Правда, он и более ядовит поэтому промывку лучше делать на открытом воздухе и подальше от открытого огня.
Особое внимание хочется уделить вопросам техники безопасности при ремонте МН. Прочтение следующих строчек может отпугнуть многих, но те, кто решится заниматься этим, должны знать то, что им необходимо.
При ремонте МН на первый план выходит не безопасность при работе с электрическим током, а гигиена - личная и рабочего места.
Основное, что надо помнить при работе с МН - это то, что талассемия хоть и не заразна (оно относится к числу генетических заболеваний), но с ней часто связаны заболевания, которые могут передаваться через кровь (например, гепатиты). Поэтому крайне важно выполнять следующие правила:
- никогда не используйте бывшие в употреблении шприцы и иглы, а для проверки работоспособности используйте только новые, благо, что сейчас они стоят копейки. Не экономьте на собственной безопасности;
- разобрав МН, извлеките из него ПП (иногда для этого необходимо удалить одну пустотелую заклепку), редуктор, каретку с ходовым винтом и упорным подшипником, а также пружинный контакт батарейного отсека. Все пластмассовые детали и ходовой винт вымойте горячей водой с детер-гентным (искусственным) мылом, используя жесткую щетку. Особенно тщательно следует промывать тканевую застежку-липучку для крепления шприца;
- независимо от состояния поверхности ПП ее также рекомендуется промыть ацетоном;
- никогда не делайте ремонт МН, если у вас имеются повреждения кожного покрова на кистях рук, особенно на пальцах. Через них в вашу кровь может попасть инфекция;
- при ремонте не трогайте руками лицо (особенно нос, рот и глаза), так как слизистые оболочки более восприимчивы к инфекции. Не забывайте, что от соблюдения этих правил зависит не только ваше здоровье, но и ваших близких. Ремонт подобных изделий недопустимо проводить, например, на обеденном столе. Используйте бумажную или пленочную подложку, которую после работы необходимо выбросить.
Перед первым включением проверьте напряжение батарей. Оно должно быть в пределах 6...10 В. При более низком напряжении встроенный монитор питания включает аварийную сигнализацию. Не рекомендуется сетевой блок питания. Из-за большого входного сопротивления схемы и емкостной связи между первичной и вторичной обмотками существует вероятность пробоя переходов КМОП-микросхем и МОП транзисторов.
Исправный МН, модель MP-11 v.3 (с гибкой ПП), работает следующим образом. При включении прибора первая вспышка индикаторного двухцветного светодиода должна быть оранжевого цвета, т. к. конденсатор, к которому подключен монитор питания, не успевает зарядиться до полного напряжения батареи. Следующие вспышки светодиода должны быть зелеными. После 32-й вспышки запускается двигатель и через редуктор поворачивает ходовой винт на 60 градусов. Датчиком угла поворота является кольцевой магнит с тремя парами полюсов, закрепленный на выходном валу редуктора. В непосредственной близости от него находится датчик Холла со встроенным формирователем - триггером Шмитта. При каждой смене полярности магнитного поля он вырабатывает сигнал, сбрасывающий таймер. Отсчет времени начинается снова. Если же в течение нескольких секунд после 32-ой вспышки светодиода поворота ходового винта не произойдет, то также включается аварийная сигнализация, свидетельствующая о том, что шприц закончился и его надо заменить. Для ее отключения необходимо выключить питание прибора. После возобновления подачи питания отсчет начинается сначала.
Скорость перемещения каретки фиксированна - 5 мм/час. При необходимости ее регулируют подстроечным резистором R1.
С помощью подстроечного резистора R4 регулируют ток через двигатель. Он должен быть достаточно большим для движения шприца, но не выше некоторого значения. Это объясняется тем, что при определенном токе через двигатель его якорь приобретает достаточную инерцию, чтобы провернуть выходной вал редуктора более чем на 60 градусов. Это приводит к увеличению дозы препарата, вводимого за один рабочий ход МН.
Из механических дефектов МН MP-11 самым частым является поломка резьбовой части кнопки каретки (рис. 4). Сама кнопка выполнена из термопластичной пластмассы и в нижней своей части имеет ходовую гайку с резьбой М4. Для обеспечения возможности установки каретки в любое положение резьба выполнена только на нижней половине гайки и имеет окно шире, чем диаметр ходового винта. Сама кнопка в каретке подпружинена, что обеспечивает прижим нарезанной части гайки к ходовому винту. При нажатии на кнопку происходит их расцепление. Каретка при этом получает возможность беспрепятственно перемещаться вдоль ходового винта. Это позволяет сопрягать шприц с МН. В самых узких местах гайки сечение пластмассы не превышает 1...2 мм2, что и обуславливает ее малую прочность. Для ремонта кнопки рекомендуется изготовить деталь (рис. 5) из листового дюралюминия и вплавить ее горячим паяльником в кнопку, вид которой после такого ремонта показан на рис. 6. Предварительно в ней необходимо просверлить 3-4 отверстия диаметром 2 мм и глубиной 5 мм. Перегородки между отверстиями можно не удалять. Они все равно расплавятся, и лишняя пластмасса будет выдавлена. После остывания ее необходимо срезать и проверить перпендикулярность гайки и ходового винта.

Рис. 4. Ремонт кнопки каретки

Рис. 5. Чертеж детали для ремонта кнопки

Рис. 6. Восстановленная кнопка
Если же возникнет необходимость изготовления новой кнопки, то необходимо обратить особое внимание на небольшой выступ на задней (не касающейся шприца) поверхности кнопки. На первый взгляд этот выступ кажется излишним, только затрудняющим изготовление кнопки. На самом деле он выполняет очень важную функцию. После установки шприца он не позволяет гайке смещаться вниз и ее соединение с ходовым винтом становится неразъемным. Это значительно уменьшает износ гайки и обеспечивает необходимый упор для торможения двигателя при окончании шприца, что, в свою очередь, приводит к срабатыванию аварийной сигнализации. При отсутствии этого выступа происходит отжатие гайки от винта, перескок ее на соседние нитки резьбы и, в конечном счете, отсутствию сигнализации. Аналогичная картина возникает и при слишком большом токе через якорь.
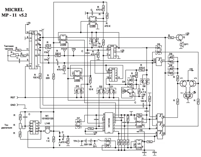
Существует еще одна версия модели MP-11 v5.2. Она имеет идентичные корпус и механизм, а отличается схемой (рис. 7) и ПП. Печатная плата выполнение в гибком исполнении, да и большинство деталей применяется для SMD-монтажа. Но надежнее от этого она, к сожалению, не стала. Для МН с этой платой поистине бичом стали керамические SMD-конденсаторы. Из-за их низкого качества, а, может быть, и отклонений в процессе их пайки, у них постоянно наблюдаются обрывы выводов. А так как они имеют емкость порядка 0,1 мкФ, то проверить их тестером затруднительно и приходится присоединять параллельно малогабаритные навесные керамические конденсаторы.

Рис. 7. Принципиальная электрическая схема модели МР-11, v5.2
Еще одним серийным дефектом данной разновидности МН стал массовый выход из строя интегральных стабилизаторов напряжения в корпусе SOIC-8. По аналогии с вышеописанными схемами можно предположить, что это те же LP-2951 (100 мА Low-Dropout Voltage Regulator), только в SMD-корпусе.
Работа приборов данной версии отличается от описанной выше только тем, что при включении происходит самотестирование, следуют три красные вспышки светодиода, сопровождаемые звуковыми сигналами, причем третий сигнал длиннее двух предыдущих. Следующие вспышки становятся зелеными, что свидетельствует о нормальной работе. Запуск двигателя происходит также после 32-й вспышки светодиода.
Четвертая версия этой модели также собрана на жесткой печатной плате и характеризуется более рациональным монтажом. Ее выпускает, видимо по лицензии, иранская фирма FARAFAN. Схему ее составить не удалось, т.к. в ремонт она попала только один раз.
Изделия итальянской фирмы MEDIS (Medical Infusion Systems) модели INFUSA TS (рис. 8) характеризуются гораздо более высокой надежностью, но и меньшим временем работы с одной батареей. Последнее обусловлено использованием в качестве источника питания батареи 6F22 (аналог КРОНА или КОРУНД). В целом же устроены они по тому же принципу, что и рассмотренные ранее. Схема МН этой модели приведена на рис. 9. Отличается лишь датчик угла поворота. Он реализован на муфте с тремя выступами, на которых закреплены магниты. В непосредственной близости от них находится геркон. Сигнал с него при повороте муфты сбрасывает таймер и отсчет времени начинается сначала.

Рис. 8. МН фирмы MEDIS, модель INFUSATS

Рис. 9. Принципиальная электрическая схема модели INFUSA TS
Время паузы между запусками двигателя можно регулировать с помощью переключателя SW3, шлиц которого выведен на боковую панель МН. Для этого в комплект входит специальная пластмассовая отвертка, утопленная в корпусе МН. Прибор имеет четыре скорости - 50 мм за 6, 8, 10 и 12 часов.
При отсутствии вращения ходового винта в течение нескольких секунд включается аварийная сигнализация.
К основным дефектам данного типа приборов можно отнести попадание содержимого шприца внутрь МН и образование утечек между проводниками ПП. Для их удаления необходимо разобрать устройство, промыть пластмассовые детали ходового винта горячей водой с мылом и высушить феном. ПП промывают ацетоном с помощью щетки 2-3 раза и тоже сушат феном. Ацетон, используемый для этого, не должен содержать примесей и давать осадок или разводы после высыхания.
Для промывки ацетоном и водой необходимо использовать разные щетки.
После сборки механизма ходовой винт можно смазать небольшим количеством медицинского вазелина. При сборке следует уделить особое внимание герметизации прибора. Ее проводят с помощью силиконового герметика (желательно белого цвета), расфасованного в тюбики по 25...100 г. Его наносят по всему периметру стыков половин корпуса. После затяжки винтов излишки герметика удаляют. Если же герметизацию не проводить, то первые же несколько капель препарата, попавшие внутрь, приведут МН в неработоспособное состояние.
Особое внимание необходимо уделять состоянию контактов батарейного отсека. Очень часто из-за электрохимической коррозии образуется очень прочная пленка окислов, полностью изолирующая выводы батареи. Контакты следует зачистить мелкой шкуркой или надфилем. После этого их полезно облудить, но без использования активных флюсов. Последние только ускоряют коррозию контактов.
Из модельного ряда МН английской фирмы GRASEBY MEDICAL можно отметить две - MS-18 и MS-26. Их внешний вид показан на рис. 10. Внешне модель MS-18 отличается лишь отсутствием переключателя скорости. Ее схема приведена на рис. 11. Позиционные обозначения конденсаторов и диодов дано условно и может не совпадать с заводской. На микросхеме IC1 собран RS-триггер включения-выключения прибора, на IS2 - тактовый генератор и делитель частоты таймера, а на IS3 - усилитель-формирователь импульсов для индикаторного светодиода. Последний включен через конденсатор, что обеспечивает кратковременную (несколько миллисекунд) поочередную вспышку двух его красных кристаллов, включенных встречно-параллельно. Это повышает экономичность узла индикации. На транзисторе TR4 собран генератор тока, стабилизирующий ток через двигатель и уменьшающий зависимость числа его оборотов от степени разряженности батареи питания.

Рис. 10. МН компании GRASEBY MEDICAL

Рис. 11. Принципиальная электрическая схема модели GRASEBY MS-18
Хочется отметить, что во всех описанных МН использованы микроэлектродвигатели 1516E012S L148 производства Германии. Напряжение, при котором их якорь начинает вращаться, составляет 1...1,5 В, поэтому без стабилизатора тока скорость их вращения сильно зависела бы от напряжения питания. "Силовыми" ключевыми элементами здесь являются n-канальные МОП транзисторы VN10KM. Из-за большого запаса по коммутируемому току выходов их из строя не наблюдалось, чего, к сожалению, нельзя сказать о микропереключателях. Особенностью датчика поворота этих МН является использование микропереключателей с подпружиненным рычагом и муфты с тремя выступами. Муфта закреплена на выходном валу редуктора так, что при вращении выступы нажимают на рычаг, связанный с микропереключателем SW2. Его срабатывание останавливает двигатель и перезапускает таймер. Несмотря на применение высококачественных микропереключателей с позолоченными контактами, их долговечность невысока. Найти подходящие для замены очень непросто. Поэтому выходом из ситуации может послужить перестановка. Благо, что в качестве SW1 и SW3 использованы аналогичные изделия. Так как они коммутируют малые токи, нагрузка у них активная и используются они гораздо реже, чем SW2, поэтому их ресурс расходуется не так быстро. Подпружиненный рычаг переставляют очень аккуратно, стараясь не повредить очень хрупкие пластмассовые выступы на корпусах микропереключателей. При их пайке нежелательно использовать жидкий флюс. При попадании внутрь их корпусов удалить его будет очень трудно. Пайку следует проводить с минимальным количеством припоя и канифоли.
Схемной особенностью этих МН является использование защитного германиевого диода в минусовой цепи питания. Помимо защиты от неправильной полярности питающего напряжения, он также служит слаботочным предохранителем. Так как максимальный ток точечных германиевых диодов мал, подобные диоды при выходе из строя разрывают цепь питания МН. Подобный диод вполне можно заменить на Д9, который подходит по размерам и характеристикам. Использовать кремниевые диоды нежелательно, т.к. у них больше прямое падение напряжения на открытом переходе. Это приводит к менее полному использованию батареи, емкость которой и так невысока. Заменять диод перемычкой также нежелательно, т.к. конструкция батарейного отсека позволяет устанавливать батарею двумя способами - с правильной и обратной полярностью. При неправильной установке устройство может выйти из строя.
Включение питания прибора производится нажатием и удержанием в течение пяти секунд кнопки на боковой поверхности корпуса. При этом срабатывают два микропереключателя (SW1 и SW3) и включается микроэлектродвигатель. В течение пяти секунд он вращает ходовой винт. Это необходимо для плотного контакта каретки с поршнем шприца. После этого начинается отсчет выдержки, что индицируется периодическими вспышками светодиода. Скорость перемещения каретки одна - 5 мм/час и устанавливается с помощью резистора R4.
К недостаткам данной модели можно отнести то, что у нее отсутствует звуковая сигнализация окончания инъекции, пониженного напряжения питания и безостановочного вращения двигателя. Любая из этих неисправностей приводит лишь к "тихому" выключению прибора. Поэтому при эксплуатации нужен постоянный контроль за его работой.
Вышеуказанные недостатки были устранены разработчиками в модели MS-26 (рис. 12). "Сердцем" устройства является микропроцессор ETL9421N со встроенным ПЗУ (1К х 8) и ОЗУ (64 х 4).

Рис. 12. Принципиальная электрическая схема модели GRASEBY MS-26
Это позволило ввести такие сервисные удобства, как регулировка скорости перемещения каретки, звуковая индикация окончания инъекции и контроль напряжения батареи. Для регулировки скорости используются переключатели-шифраторы двоичного кода 1-2-48. Они задают старший и младший разряды значения скорости перемещения каретки в миллиметрах за сутки. Их шлицы выведены на боковую поверхность прибора. Там же выполнены окна, в которых можно прочитать установленное значение скорости.
Частота тактового генератора устанавливается подстроечным резистором R9, а ток двигателя - с помощью R5.
Датчиком угла поворота ходового винта является микропереключатель SW3. Его конструкция аналогична примененной в предыдущей модели.
На транзисторе TR5 собран ключ для желтого индикаторного светодиода. На транзисторе TR9 собрано реле времени, необходимое для самотестирования прибора при его включении. При установке батареи в батарейный отсек включается звуковой генератор, собранный на TR8 и пьезокерамическом излучателе В1. Он выдает непрерывный звуковой сигнал в течение 15...20 секунд и затем плавно затихает. После этого, установив шприц, нажимают на кнопку на лицевой поверхности прибора и удерживают ее до тех пор, пока каретка не упрется в поршень шприца. После этого кнопку отпускают и убеждаются в мигании светодиода с периодом: одна вспышка за 16 секунд (при установленной скорости 90 мм/24 ч). После четвертой вспышки запускается двигатель и поворачивает ходовой винт на 60 градусов. Далее процесс повторяется.
Выключить данную модель можно двумя способами:
- извлечь батарею из батарейного отсека (самый надежный способ);
- нажать на правую половину кнопки на передней панели МН так, чтобы сработал только правый микропереключатель и удерживать ее до появления непрерывного звукового сигнала. После этого кнопку отпускают. Но звуковой сигнал продолжает звучать еще в течение 15...20 секунд с плавным понижением громкости до нуля. Если же звук оборвался одновременно с отпусканием кнопки, то повторяют процедуру выключения, стараясь не нажимать на левую половину кнопки.
Основные дефекты этой модели - затекание препарата на поверхность ПП и недостаточная упругость пружинного рычага датчика поворота SW3. Во втором случае при вращении ходового винта не происходит переключения SW3.
Промывка ПП облегчается тем, что микропроцессор установлен на панельке, но при обращении с ним необходимо помнить, что он является МОП прибором и беречь его от воздействия статического электричества. Весьма полезным может быть копирование его "прошивки".
В заключение хочется дать несколько рекомендаций по проверке работоспособности МН после ремонта. Как показала многолетняя практика, простой проверки по миганию светодиода и периодическому вращению двигателя оказывается совершенно недостаточно.
Проверку необходимо выполнять путем длительного непрерывного прогона МН в течение 12...48 часов в условиях, близких к реальным. В проверяемый МН устанавливают штатный источник питания - батарею (а не сетевой адаптер), закрепляют одноразовый шприц емкостью 5...10 мл, заполненный жидким машинным маслом (или, в крайнем случае, водой). На шприц устанавливается штатная игла наименьшего диаметра. Иглу втыкают в резиновую пробку пустого и чистого пузырька из-под пенициллина. Такой импровизированный стенд имитирует гидравлическое сопротивление, оказываемое человеческим телом инъекции. Если есть возможность, проверяют работу МН и под воздействием вибрации, например в машине.
МН можно считать отремонтированным с высокой степенью уверенности, если он безупречно проработал в таких условиях не менее 12 часов.
Заключительным этапом проверки является момент полного окончания раствора в шприце. При этом обязательно должна сработать звуковая сигнализация во всех МН, кроме MS-18 фирмы GRASEBY MEDICAL. Последняя должна просто "тихо" отключиться.
Самым частым дефектом на этом этапе является проскакивание гайки при вращении ходового винта. Из-за этого не включается звуковая сигнализация.
Если дефект не удается устранить небольшим растяжением пружин, прижимающих гайку к ходовому винту, можно порекомендовать немного уменьшить ток через двигатель. Но не следует этим злоупотреблять. При слишком малом токе двигателя МН впоследствии может не "справиться" с полным шприцом. В таком случае лучше изготовить новую гайку, как было описано выше.
Подойдите к ремонту МН со всей ответственностью, так как от них зависит здоровье и благополучие людей.
Напоследок хочется вкратце упомянуть МН немецкой фирмы BROWN. Они сильно отличаются от приборов, описанных выше. Конструктивно они представляют собой часовые механизмы с пружиной, заводимые вручную и сжимающие шприц. Механизм этих приборов очень сложен и ремонт их доступен скорее часовщикам, чем радиолюбителям. Без достаточного опыта в этой области ремонт этих изделий практически невозможен. Но у этих приборов есть неисправности, устранить которые могут и радиолюбители. Дело в том, что в этих МН установлено устройство звуковой сигнализации окончания инъекции. Оно собрано на небольшой печатной плате и питается от пальчиковой литиевой батареи типоразмера АА напряжением 3 В. Она обеспечивает работоспособность устройства в течение нескольких лет. Но заменить батарею обычный пользователь не может, так как она припаяна к плате, а батарейного отсека просто не существует. Для замены батареи необходимо разобрать корпус МН. Для этого надо острой иглой или лучше вакуумной присоской извлечь четыре декоративные пробки, маскирующие стяжные винты. Эти пробки прогнаны столь тщательно, что на первый взгляд кажутся следами от толкателей пресс-формы. Таким образом обеспечена герметичность МН наряду с использованием герметика для уплотнения стыков половинок корпуса.
После выкручивания винтов корпус открывается беспрепятственно.
К сожалению, литиевую батарею с напряжением 3 В нельзя заменить одной солевой, щелочной или алкалиновой с напряжением 1,5 В. А свободного места для установки еще одной батареи внутри корпуса нет. Поэтому в качестве выхода можно порекомендовать использовать два элемента типоразмера AG13, используемых, например, в лазерных указках. Все соединения выполняются пайкой. После этого элементы закрепляют с помощью клея или двухсторонней липкой ленты. Разумеется, срок службы этих батарей меньше, чем у штатной литиевой, но этот недостаток компенсируется их низкой ценой и доступностью.
Автор: Сергей Луста (г. Баку)
Источник: Ремонт и сервис
