В последнее время в жилых домах довольно часто случаются аварийные отключения электроэнергии. В результате искажаются показания электронных часов, не имеющих энергонезависимого режима работы. Это приводит к путанице и утомляет необходимостью частой установки правильного времени. Особые неудобства это доставляет, если сбой происходит ночью, поскольку в этом случае нельзя надеяться на своевременный сигнал будильника. Чтобы избавиться от подобных неудобств, автор предлагает изготовить разработанное им устройство автоматического восстановления правильных показаний часов.
Автомат предназначен для отслеживания временных отключений электроэнергии и восстановления после них правильных показаний любых электронных часов, имеющих кнопки ручной установки времени. Он содержит микроконтроллер и микросхему энергонезависимых часов реального времени. После восстановления энергоснабжения автомат имитирует нажатия на кнопки, необходимые для восстановления правильных показаний внешних часов, к которым он подключен.
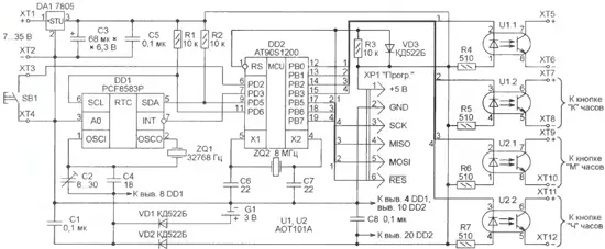
Схема автомата показана на рис. 1. Для его питания можно использовать любое, имеющееся в обслуживаемых часах напряжение, значение которого находится в пределах 7...35 В. Интегральный стабилизатор DA1 понижает его до 5 В. Если такое напряжение (5 В) удастся найти в часах, стабилизатор можно исключить. Конденсаторы С1, СЗ, С5, С8 обеспечивают дополнительную фильтрацию напряжения питания.

Рис. 1
Частота тактового генератора микросхемы часов реального времени DD1 стабилизирована кварцевым резонатором ZQ1 на 32768 Гц. Точное значение тактовой частоты устанавливают под-строечным конденсатором С2. Питание микросхемы часов при исправной электросети происходит через диод VD2, а при неисправной — от литиевого элемента CR2032 (G1) напряжением ЗВ через диод VD1. Такой элемент применяется в компьютерах и имеется в широкой продаже. Диоды обеспечивают защиту элемента G1 от разрядки через остальные узлы устройства при отсутствии сетевого питания. Поскольку ток, потребляемый от элемента, не превышает нескольких микроампер, срок его службы достигает нескольких лет.

Рис. 2
Вместо литиевого элемента для резервного питания микросхемы DD1 можно применить аккумуляторную батарею на 3,6 В, например, из трех NiCd аккумуляторов типоразмера ААА. В этом случае параллельно диоду VD1 рекомендуется подключить, как показано на рис. 2, соединенные последовательно диод VD4 и резистор R8. Они обеспечат постоянную (при наличии напряжения в сети) подзарядку батареи небольшим током, что продлит срок ее службы.
Резисторы R1 и R2 — нагрузочные для линий SCL и SDA интерфейса I2C. По этим линиям происходит двусторонний обмен информацией между микросхемой часов и микроконтроллером.
Микроконтроллер DD2 работает под управлением программы, занесенной в его FLASH-память. Разъем ХР1 дает возможность подключить программатор к микроконтроллеру, уже установленному в устройство. Это позволяет, в частности, применить микроконтроллер в корпусе любого типа, а не только того, панель для которого предусмотрена в программаторе. Кварцевый резонатор ZQ2 и конденсаторы С6, С7 — частото-задающая цепь тактового генератора микроконтроллера. Резистор R3 и диод VD3 — цепь установки микроконтроллера в исходное состояние. Кнопка SB1 предназначена для управления установкой точного времени в часах микросхемы DD1.
Управление внешними электронными часами производится через сдвоенные оптроны U1 и U2, обеспечивающие гальваническую развязку. Это позволяет подключать автомат практически к любым электронным часам, имеющим кнопки установки часов ("Ч"), минут ("М") и кнопку установки в исходное состояние ("К"). Резисторы R4—R7 ограничивают ток, текущий через излучающие диоды оптронов.
Автомат можно собрать на небольшой макетной плате и разместить ее внутри корпуса электронных часов. Но прежде чем подключать фототранзисторы оптронов к кнопкам, необходимо включить часы и вольтметром (например, мультиметром в режиме измерения постоянного напряжения) определить полярность напряжения между контактами их кнопок. Коллекторы фототранзисторов соединяют с плюсовыми контактами соответствующих кнопок, а эмиттеры — с минусовыми. Оптрон U1.1 в данном случае резервный, его фототранзистор оставляют неподключенным.
Еще до программирования микроконтроллера можно измерить частотомером с высокоомным входом частоту сигнала на выводе 2 микросхемы DD1. Подстроечным конденсатором С2 необходимо установить ее равной 32768 Гц. Далее следует запрограммировать микроконтроллер (или установить уже запрограммированный), после чего плату автомата можно закрепить в выбранном для нее месте.
При включении электронных часов напряжение питания поступит и на автомат. Микроконтроллер, стартовав, прежде всего, определит состояние кнопки SB1. Если она не нажата, то из микросхемы DD1, работавшей от резервной батареи и в отсутствие внешнего питания, считывается текущее время. Затем микроконтроллер формирует сигналы, имитирующие нажатия на кнопки "К", "Ч" и "М", устанавливая этим показания электронных часов равными показаниям энергонезависимых часов автомата. Выполнив это, микроконтроллер переходит в "спящий" режим с током потребления менее миллиампера и остается в нем до выключения и нового включения питания.
Если кнопка SB1 в момент включения питания нажата, то первым будет сформирован сигнал "нажатия" на кнопку "К" длительностью 1,5 с, что установит электронные часы в исходное состояние и подготовит их к установке времени. Затем будет "нажата" кнопка "Ч", в результате чего значения соответствующих разрядов на табло электронных часов станут увеличиваться с частотой 2 Гц. По достижении нужного значения кнопку SB1 следует отпустить, а через 0,5...2,5 с вновь нажать. В результате будет "нажата" кнопка "М" и на табло часов станет увеличиваться значение минут. Когда точное время установлено, кнопку SB1 отпускают окончательно. Поскольку в данном случае, управляя внешними часами, микроконтроллер подает команды установки времени и внутренним энергонезависимым часам (микросхеме DD1), по окончании операции показания внутренних и внешних часов будут одинаковыми. Далее, как и при включении с ненажатой кнопкой SB1, микроконтроллер перейдет в "спящий" режим.
Описанную выше операцию необходимо произвести при первом включении автомата. Повторять ее придется лишь при обнаружении значительного (более минуты) ухода внутренних часов автомата. При необходимости их ход можно отрегулировать подстроечным конденсатором С2.
Этот автомат подключен автором к электронным часам трехпрограммного приемника "АЯН-301". В качестве питающего использовано имеющееся в этих часах напряжение 25 В, его плюс подан на контакт ХТ1 автомата, а минус — на ХТ2. Контакты ХТ11 и ХТ12 соединены соответственно с контактами 5 и 3 кнопки SA1.2 электронных часов, ХТ9 и ХТ10 — с контактами 5 и 3 кнопки SA1.1, ХТ7 и ХТ8 — с контактами 5 и 3 кнопки SA1.3. Кнопка SB1 автомата закреплена на задней стенке корпуса приемника.
Замечу, что в большинстве современных телевизоров и видеомагнитофонов встроенные часы энергозависи-мы и по этой причине часто сбиваются. Возможно, у прочитавших эту статью радиолюбителей появятся идеи, как устранить этот недостаток с помощью, например, автоматизированного пульта дистанционного управления.
Автор: О. Вальпа, г. Миасс Челябинской обл.
