Эпоха компакт-дисков уходит в прошлое. Очевидно, что будущее за другими носителями информации. Компакт-диск просуществовал чуть более 40 лет, с начала 70-х годов и по настоящее время. Но у любителей музыки накопилось огромное количество музыки на этом носителе, и можно не сомневаться, что многие будут продолжать слушать любимую музыку именно с компакт-дисков, как продолжают любители слушать музыку с виниловых пластинок. У многих радиолюбителей остались вполне исправные дисководы с IDE-интерфейсом, которые были заменены более передовыми CD- и DVD-приводами с интерфейсом SATA. Вот на базе такого "древнего" дисковода авторы решили разработать проигрыватель в стиле "ретро".

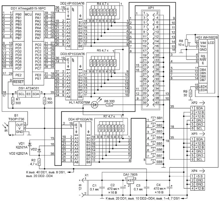
Рис. 1. Схема платы управления проигрывателя компакт-дисков
При проектировании устройства было решено использовать минимум компонентов, чтобы максимально упростить конструкцию. Схема платы управления показана на рис. 1. Основа узла управления проигрывателем - микроконтроллер фирмы ATMEL ATmega8515-16PC (DD1). Микроконтроллер принимает команды от управляющих кнопок, формирует команды интерфейса IDE для дисковода, выводит сервисную информацию на ЖКИ, принимает и обрабатывает команды от пульта дистанционного управления. Кроме того, на него возложена функция управления стерео-темброблоком на базе широко известной микросхемы фирмы PHILIPS TDA8425. Связь контроллера с тембро-блоком осуществляется по протоколу I2C через шестиконтактные разъёмы ХР2, ХР3. На сигнальные цепи SDA и SCL через резисторы R1 и R3 подано напряжение +5 В. Порты микроконтроллера ATmega8515-16PC подключены к внешним устройствам через дополнительные буферные элементы микросхем DD2-DD4 (КР1533АП6). Это была вынужденная мера, поскольку некоторые виды CD-приводов требовали более чёткой фиксации уровней управления для реализации протокола IDE. С этой же целью на выходы буферных элементов были установлены резисторные сборки R4, R5, R7, через которые подано напряжение +5 В.
Настройки проигрывателя сохраняются во внешней памяти в микросхеме DS1 (AT24C01). Управление проигрывателем осуществляется восемью кнопками (SB1-SB8) или с пульта дистанционного управления по протоколу RC5. Связь контроллера с дисководом осуществляется через стандартный 40-вы-водный шлейф. Индикация связи контроллера с дисководом (помимо сервисной информации на ЖКИ) дублируется дополнительно светодиодом HL1.
Питание платы управления (вместе с дисководом и темброблоком) осуществляется от любого стабилизированного источника питания напряжением +12 В с допустимым током нагрузки не менее 2 А. Необходимое для работы микроконтроллера напряжение +5 В формирует стабилизатор DA1 и фильтруют конденсаторы С1-С4. Дисковод получает питание от платы управления через разъём ХР4.
При первом включении необходимо подстроечным резистором R8 выставить необходимую контрастность изображения на ЖКИ HG1.
Назначение кнопок на плате контроллера:
SB1 - громкость больше (при нажатии на эту кнопку громкость увеличивается);
SB2 - выключение звука (MUTE);
SB3 - громкость меньше (при нажатии на эту кнопку громкость уменьшается);
SB4 - выбор регулируемого параметра;
SB5 - воспроизведение/предыдущая дорожка;
SB6 - воспроизведение/пауза;
SB7 - воспроизведение/следующая дорожка;
SB8 - стоп/загрузка/выгрузка диска.
Кнопки на пульте PHILIPS или LG:
TV - стоп/загрузка/выгрузка диска;
MUTE - выключение звука (MUTE);
SLEEP - выбор регулируемого параметра;
VOL+ - громкость больше (при нажатии на эту кнопку громкость увеличивается);
VOL- - громкость меньше (при нажатии на эту кнопку громкость уменьшается);
CH+ - воспроизведение/следующая дорожка;
CH- - воспроизведение/предыдущая дорожка.
Кнопки на пульте RC5:
1-9 - в режиме воспроизведения можно сразу выбрать дорожку с 1 по 9;
TV - стоп/загрузка/выгрузка диска;
MUTE - выключение звука (MUTE);
MENU - выбор регулируемого параметра;
TXT - воспроизведение/пауза;
VOL+ - громкость больше (при нажатии на эту кнопку громкость увеличивается);
VOL- - громкость меньше (при нажатии на эту кнопку громкость уменьшается);
CH+ - воспроизведение/следующая дорожка;
CH- - воспроизведение/предыдущая дорожка.
При нажатии на кнопку MUTE в конце второй строки ЖКИ появляется значок динамической головки. В этом случае кнопки регулировки громкости больше/меньше блокируются.
Если в режиме воспроизведения нажать на кнопку регулировки больше/меньше или MENU, после изменения соответствующего параметра переход назад в режим отображения времени произойдёт автоматически.
При загрузке диска, если диск определился нормально, кнопка выгрузки/загрузки на дисководе блокируется (на совсем старых приводах функция может не поддерживаться, поэтому нежелательно пользоваться кнопкой на самом дисководе).

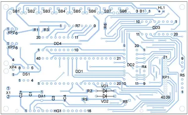
Рис. 2. Печатная плата устройства управления проигрывателем

Рис. 3. Расположение элементов на плате
Устройство управления проигрывателем собрано на печатной плате из фольгированного с двух сторон стеклотекстолита толщиной 1,5 мм. Чертёж печатной платы показан на рис. 2, а расположение элементов - на рис. 3. В устройстве применены резисторы и керамические конденсаторы С1, С3 для поверхностного монтажа типоразмера 1206, но можно использовать и элементы типоразмера 0805. Оксидные конденсаторы С2, С4 - импортные аналоги К50-35. Диоды КД521А заменимы любыми диодами этой серии, а также серии КД522. Вместо микросхем КР1533АП6 можно применить их импортный аналог - 74LS245. В устройстве управления применены разъёмы: Х1 - Ds-201, XP1 - DS1013-40S, XP2, XP3 - DS1013-06S, XP4 - THP-4MR. Светодиод - любой малогабаритный.
Файл прошивки микроконтроллера находится здесь.
Авторы: А. Баширов, С. Баширов, г. Москва
