Радиоприёмники рижского завода ВЭФ были очень популярны. Носимые модели "ВЭФ-12", "ВЭФ-201", "ВЭФ-202" и их экспортные аналоги модели "VEF-204" и "VEF-206" выпущены в большом количестве. Их популярность обеспечили высокие технические параметры, проработанная конструкция, привлекательный дизайн и хорошее качество изготовления. В настоящее время много таких радиоприёмников ещё находятся в эксплуатации. В статье приводится описание комбинированного блока питания для радиоприёмника "ВЭФ-202" и аналогичного.
Штатный встроенный источник питания радиоприёмника "ВЭФ-202" - батарея из шести гальванических элементов типоразмера 373. Полноценному использованию таких радиоприёмников препятствует отсутствие встроенного сетевого блока питания (БП). На заводе-изготовителе был разработан блок питания для установки в отсек взамен батареи гальванических элементов. Этот блок питания выпускался небольшой серией, поэтому они были ещё дефицитнее радиоприёмников. Многие радиолюбители изготавливали сетевые блоки самостоятельно, но тоже в аналогичном заводскому варианте, для установки в батарейный отсек. В последующих разработках - "ВЭФ-214" и "ВЭФ-317" выпрямители для питания от электросети уже встраивали в приёмник.
Батарея элементов типоразмера 373 имела большую ёмкость и обеспечивала автономную работу приёмника в течение не менее 150 ч (с. 31 в [1]) при потребляемой мощности 0,5 Вт [2]. В то же время некоторые модели аналогичных радиоприёмников, сходные по схеме, комплектовались элементами меньшего типоразмера, например 316. Это, например, близкий схемный аналог "ВЭФ-202" - радиоприёмник "Банга", а также некоторые другие. Соответственно продолжительность их работы от одного комплекта гальванических элементов была меньше.
В настоящее время для автономного питания электро- и радиоприборов массовое распространение получили элементы типоразмера R6 (АА). Их типоразмер соответствует элементам 316, но энергетические параметры лучших из них значительно превосходят параметры элементов 316 выпусков 60-80-х годов [3] и приближаются к параметрам элементов 373 выпуска этих годов. Батарею из современных качественных элементов типоразмера АА вполне можно применить в радиоприёмнике "ВЭФ-202" и аналогичных, при этом они обеспечат длительную работу приёмника в автономном режиме. Кроме того, для питания можно применить и Ni-Mh аккумуляторы такого же типоразмера ёмкостью до 2,8 А·ч, если, конечно, изменить конструкцию батарейного отсека.
Разработанный БП по своим размерам соответствует отсеку для батареи питания в радиоприёмниках "ВЭФ-12", "ВЭФ-201", "ВЭФ-202", "VEF-204" и "VEF-206" и устанавливается взамен батареи из шести элементов 373 (R20). В нём установлены шесть элементов типоразмера АА (R6, LR6). В табл. 2 в [3] указана ёмкость элементов, для LR6 она в пределах 1...3,7 А·ч, что близко к ёмкости элементов 373 3...4 А·ч. Поэтому с качественными элементами LR6 радиоприёмник отработает те же самые 150 ч, что и с элементами 373 выпуска 1985 г.
При разработке сетевого БП появился вопрос: нужно ли делать его стабилизированным? Практика показала, что это не обязательно, к тому же применение стабилизатора напряжения усложняет, удорожает конструкцию и увеличивает расход электроэнергии.
Из разрядных кривых (рис. 1 в [4]) видно, что начальное напряжение на элементе 373 "Орион М" - 1,65 В. Соответственно на батарее из шести элементов будет 9,9 В. Конечное напряжение элемента - 0,8 В, поэтому напряжение батареи будет 4,8 В.
Для питания приёмника от сети использован трансформатор от зарядного устройства (ЗУ) АСР-7Е. Такими ЗУ комплектовались мобильные телефоны Nokia более 15 лет назад до широкого внедрения импульсных стабилизированных ЗУ с выходным напряжением 5 В. Выходное напряжение ЗУ АСР-7Е на холостом ходу - 10,2 В. Ток, потребляемый от сети 230 В в этом режиме, - 8,5мА. Он возрастает до 14 мА при токе нагрузки 60 мА. Эти данные получены в результате проведённых измерений. Выходные данные ЗУ, которые указаны на его корпусе, - 3,7 В, 0,35 А, т. е. выходная мощность - 1,3 Вт. Этого более чем достаточно для питания радиоприёмника. Кроме трансформатора, в ЗУ есть мостовой выпрямитель на кремниевых диодах и конденсатор фильтра ёмкостью 1500 мкФ на напряжение 16 В. Трансформатор намотан на броневом магнитопроводе Ш10х13. Информация о числе витков в обмотках и диаметре провода отсутствует.
При испытании этого БП под нагрузкой оказалось, что при токе 60 мА выходное напряжение снижается до 7,5 В.
После замены кремниевых диодов германиевыми и установки конденсатора фильтра ёмкостью 2200 мкФ напряжение ненагруженного выпрямителя возросло до 11 В, а при токе в 60 мА - до 8,5 В. При токе нагрузки 12 мА выходное напряжение - 10,5 В.

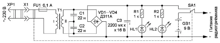
Рис. 1. Схема БП
Схема БП приведена на рис. 1. Кроме собственно выпрямителя, установлены конденсаторы С1 и С2 для подавления импульсных помех, которые могут проникать из питающей сети. Светодиоды HL1 и HL2 сигнализируют о подключении аппарата к электросети. Они установлены в радиоприёмнике рядом с лампами подсветки шкалы и постоянно освещают её при подключённой сети переменного тока и сигнализируют о том, что прибор включён. Вместе с тем и напряжение на выходе при подключённых светодиодах уменьшилось до 10,5 В.
Разъём X1, совмещённый с переключателем питания SA1 и предохранителем FU1,применён от радиоприёмника "ВЭФ-317". Возможно применение и других аналогичных устройств от других радиоприёмников, например, "Альпинист-318" или импортных. Наличие переключателя батарея-сеть обязательно. О трансформаторе сказано выше. Возможно применение и другого маломощного трансформатора от других приборов или самодельного, лишь бы обеспечивали на вторичной обмотке переменное напряжение 7,5 В при токе 100 мА. Диоды VD1-VD4 - германиевые Д310, Д311А. Возможно применение диодов Шоттки с допустимым током не менее 100 мА и обратным напряжением более 15 В. Конденсаторы С1 и С2 - керамические или плёночные К73-17 или аналогичные импортные. Конденсатор С3 - К50-35 или импортный.
БП собран в коробке, изготовленной из фольгированного стеклотекстолита и нефольгированного стеклотекстолита толщиной 1,5 мм. Основная плата - двухсторонняя (рис. 2), на внутренней стороне которой размещено большинство элементов, а на внешней стороне сделаны фольгированные площадки для подключения к контактам батарейного отсека радиоприёмника. Изготовлена она из фольгированного с двух сторон стеклотекстолита толщиной 1,5мм. Изолирующие промежутки между токоведущими площадками можно протравить или прорезать.

Рис. 2. Чертеж основной печатной платы БП
Внешняя сторона основной платы соединена с внутренней стороной с помощью отрезков лужёного провода, проходящего через три сквозных отверстия (пронумерованы на рис. 2). В результате БП через провод в отверстии 3 будет контактировать с плюсовой линией питания (общий провод), через провод в отверстии 1 - с контактом, к которому подключён выключатель питания. Провод через отверстие 2 соединяет минус конденсатора С3 с площадкой на второй стороне платы, которая соединяется с пружинным контактом батарейного отсека. Этот контакт в батарейном отсеке ни к чему не подключён. К нему подключены резисторы R1 и R2 (верхние по схеме выводы). В этом случае одновременно с включением БП в сеть светодиоды Н_1 и Н_2 станут светить. Если их установить рядом с лампами освещения шкалы приёмника, они также будут освещать её и предупреждать о том, что прибор подключён к сети.
По форме плата - равнобедренная трапеция. Это вызвано тем, что расстояние между выступами в батарейном отсеке - 88 мм. Для шести элементов АА, установленных в ряд, требуется расстояние 14 х 6 = 84 мм, а для создания минимального зазора между ними требуется длина отсека не менее 85 мм. В батарейном отсеке должен быть зазор между ним и БП для его свободной установки. Поэтому со стороны установки гальванических элементов длина платы - 85 мм, а с другой стороны - 83 мм. С боковыми крышками размеры БП будут на 3 мм больше, а посредине, в самом узком месте отсека в шасси радиоприёмника, будет 84 мм. Что и обеспечит необходимый зазор между БП и шасси.
Соединение гальванических элементов обеспечивается с помощью второй печатной платы, чертёж которой показан на рис. 3. Она изготовлена из фольгированного стеклотекстолита толщиной 1,5 мм.

Рис. 3. Чертеж печатной платы

Рис. 4. Конструкция БП
Детали конструкции соединены с помощью цианоакрилатного клея. Такие клеи продают под разными торговыми названиями в трёхграммовых тюбиках - суперклей, секундный клей и т. д. Схватываются очень быстро, держат прочно. Конструкцию БП поясняет рис. 4. Кромки деталей надо отшлифовать на наждачной бумаге зернистостью 350...400. Её надо положить на плоскую ровную поверхность для получения ровной кромки. Это необходимо для получения прочного клеевого шва. Боковые стенки 2 размерами 55х62 мм изготовлены из стеклотекстолита толщиной 1,5мм. Перегородка 3 размерами 84,5х60,5 мм изготовлена из такого же материала. Вырезают заготовку длиной 85 мм, т. е. на 0,5 мм больше, и подгоняют точно в размер по месту на наждачной бумаге. Все детали надо очистить от пыли и протереть тампоном, смоченным смесью равных частей бензина и этилового спирта.
Для сборки подготовленную основную плату 1 надо уложить внешней стороной на стол, покрытый полиэтиленовой плёнкой, приставить боковые стенки 2 и зафиксировать небольшими грузами. Вставляют перегородку 3 на расстоянии 14 мм от большей стороны основной платы параллельно ей и, придерживая перегородку и боковые стенки, наносят капли клея на стыкуемые поверхности. Далее следует сжать детали 2 снаружи и держать 10...15 с.
Верхнюю панель 5 отсека гальванических элементов надо подогнать по месту так же, как и перегородку 3. Припаивают пружинящие контакты толщиной 0,2...0,3 мм шириной 10 мм на основной и второй платах в тех местах, на которые будут опираться минусовые контакты гальванических элементов. Места на фольге, в которые будут упираться плюсовые контакты гальванических элементов, следует залудить. После этого панель 5 надо установить на место на расстоянии 51 мм от края основной платы и зафиксировать клеем.
Для точной установки можно поставить два элемента питания по краям, но только в тех местах, к которым припаяны упругие контакты. Крышка 4 отсека гальванических элементов вставляется в направляющие 6, изготовленные из стали толщиной 0,3 мм. Проклеивают все соединения ещё раз, приклеивают трансформатор и оставляют конструкцию на несколько часов для отверждения клея.
Сетевой разъём X1 устанавливают по месту. Устанавливают перемычки на основной плате и проводят монтаж деталей. Их припаивают выводами к токоведущим дорожкам, выводам трансформатора и сетевого разъёма. Внешний вид собранного БП показан на рис. 5.

Рис. 5. Внешний вид собранного БП
Устанавливают готовый БП в батарейный отсек радиоприёмника. Прикладывают к нему крышку батарейного отсека радиоприёмника и отмечают места, на которых нужно удалить выступающие элементы, которые вырезают. Смазывают клеем верхние кромки деталей 2 и 3, устанавливают на место крышку и закрепляют винтами до отверждения клея.
Чертёж печатной платы находится здесь.
Литература
1.Белов И., Дрызго Е. Справочник по транзисторным радиоприёмникам, радиолам и электрофонам. Часть первая. Переносные приёмники и радиолы. - М.: Советское радио, 1977, 368 с.
2.Новосёлов Л. Транзисторные приёмники "Спидола", "ВЭФ", "Океан" (Справочное пособие). Массовая радиобиблиотека. Вып. 779. - Энергия, Ленинградское отд., 1972, 120 с.
3.Михайлов М. Элементы питания для бытовой аппаратуры. - Радио, 2000, № 9, с. 32-34.
4.Давтян Г., Есаян Л., Пилюс Н., Си-манженкова Л., Юппец В. Гальванические элементы "Орион М", "Юпитер М", "Уран М". - Радио, 1983, с. 46-48.
Автор: В. Степанов, г. Егорьевск Московской обл.
