Прибор позволяет измерять температуру воздуха в помещении с помощью встроенного датчика или температуру тела человека с помощью внешнего датчика. Особенностью устройства является то, что в качестве датчика температуры применён малогабаритный терморезистор, обладающий малой инерционностью, что сокращает время измерения и позволяет также измерять температуру корпуса малоразмерных электронных компонентов. Из-за малого потребляемого тока термометр не имеет выключателя питания. Устройство доступно для повторения и может заинтересовать тех, кто увлекается конструированием электронных устройств на микросхемах структуры КМОП без применения микроконтроллеров.
Тема измерения температуры электронным прибором хотя и не нова, но, по мнению автора, заслуживает внимания у любителей электроники. Ранее она не раз поднималась на страницах журнала "Радио". Так, в своё время меня заинтересовал электронный термометр, опубликованный в [1]. В статье давалась ссылка на оригинал из чешского журнала "Amaterske Radio". На основе этих схемных решений был собран прибор, с удовлетворительной точностью измерявший температуру тела, но продолжительность работы от батареи питания 9 В оставляла желать лучшего. Последнее, со временем, привело к решению разработать термометры, способные работать длительное время без отключения автономного источника питания.

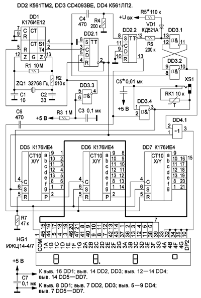
Рис. 1. Схема термометра
Схема термометра приведена на рис. 1. По методу измерения он аналогичен комнатному термометру, опубликованному ранее в [2], но отличается следующим:
- повышено разрешение измерения температуры до 0,1 оС;
- применён тактовый генератор, собранный на инверторе, входящем в состав "часовой" микросхемы DD1, и кварцевом резонаторе с частотой 32768 Гц (ZQ1);
- введён узел контроля напряжения и индикации разрядки автономного источника питания;
- измерение проводится каждую секунду;
- погрешность измерений температуры тела в интервале от +36,6 до +40 оС не более 0,2 оС.
Максимальная измеряемая температура - +99,9 оС. При температуре менее +15 и более +60 оС погрешность измерения возрастает до 1...2 оС. Впрочем, для оценки нагрева, например, корпусов мощных транзисторов или теплоотводов, это вполне приемлемо.
При подаче питания узел, собранный на элементе DD3.3 (триггере Шмитта) и интегрирующей цепи R3C3, формирует импульс обнуления длительностью около 0,1 с для начальной установки всех из числа задействованных счётчиков в микросхеме DD1 и счётчика-делителя на два, собранного на D-триггере DD2.1. По окончании импульса, а затем через каждую секунду на выходе S1 микросхемы DD1 уровень лог. 0 сменяется уровнем лог. 1.
Рассмотрим работу термометра при появлении уровня лог. 1 на выходе S1 микросхемы DD1. Через дифференцирующую цепь C4R4 этот уровень поступает на вход S D-триггера DD2.2 и устанавливает на его прямом выходе уровень лог. 1. Через дифференцирующую цепь C6R7 он поступает на входы R трёхдекадного счётчика на микросхемах DD5-DD7 и обнуляет его. Одновременно начинает работу генератор, собранный на элементе DD3.4 (триггере Шмитта), конденсаторе С5 и терморезисторе RK1 с отрицательным ТКС (или NTC-терморезисторе). Поскольку частота генератора зависит от температуры терморезистора (далее датчик), подсчитав трёхдекадным счётчиком импульсы, поступившие с генератора на его вход за определённый временной измерительный интервал, можно измерить температуру в зоне контакта корпуса датчика с окружающей средой. Так, при температуре +36,6 оС число импульсов должно быть 366. Это реализовано как выбором длительности интервала измерения, так и подборкой ёмкости конденсатора С5.
Длительность интервала измерения - 13,67 мс - задаёт счётчик-делитель на триггере DD2.1. На его счётный вход С с выхода Т4 микросхемы DD1 поступает непрерывная импульсная последовательность частотой 128 Гц. Первый импульс на выходе Т4 появляется через 5,86 мс после начала секундного импульса и переключает инверсный выход счётчика-делителя из состояния лог. 1 в лог. 0, а через 7,81 мс (1/128 с) следующий импульс с выхода T4 возвращает его в исходное состояние. Это приводит к переключению триггера DD2.2 в состояние лог 0 и завершению интервала измерения. Работа генератора на элементе DD3.4 от уровня лог. 0, поступившего на один из его входов (вывод 2), приостанавливается. Далее состояние триггера DD2.2 не изменяется до появления следующего, продифференцированного цепью С4R4, секундного импульса на его входе S. ЖКИ HG1, подключённый к соответствующим выходам трёхдекадного счётчика DD5-DD7, индицирует измеренную температуру в виде числа импульсов, поступивших на его вход с генератора. Через каждую секунду процесс измерения температуры повторяется. Работа счётчика-делителя на D-триггере DD2.1 не прерывается. Он постоянно вырабатывает на выходе импульсы с частотой 64 Гц (меандр), поступающие на ЖКИ.
Следует отметить, что ток, потребляемый термометром, довольно мал - 15...20 мкА, поэтому его источник питания может быть практически любым с выходным стабилизированным напряжением +5 В. Автор применил Li-Ion аккумулятор напряжением +3,7 В от сотового телефона. Стабильное напряжение +5 В получено от микромощного повышающего преобразователя напряжения [3, 4]. В преобразователе установлен дроссель L1 серии EC24, его индуктивность может быть в пределах от 390 до 1000 мкГн.
Применение Li-ion аккумулятора (или батареи из двух гальванических элементов) требует контроля степени его разрядки, поэтому в термометр введён узел контроля напряжения аккумулятора и индикации разрядки. Он собран на элементах DD3.1 и DD3.2, включённых асинхронным RS-триггером, и на элементе DD4.1 "исключающее ИЛИ". К инверсному выходу триггера DD2.2 и плюсовому выводу аккумулятора +ивх [3] подключён делитель R5VD1R6. Диод VD1 исключает протекание тока в аккумулятор при уровне лог. 1 на инверсном выходе триггера. Контроль напряжения происходит в каждом интервале измерения. В это время на инверсном выходе триггера всегда присутствует лог. 0, а значит, на резисторе R6 - часть напряжения аккумулятора, заданная соотношением сопротивлений R5 и R6. Пока эта часть напряжения выше нижнего порога переключения элемента DD3.1 (триггера Шмитта), на инверсном выходе RS-триггера (вывод 10 DD3.1) присутствует лог. 1. Такое состояние RS-триггера принудительно задают уровни лог 0 во время пауз секундных импульсов, поступающих на него с выхода S1 счётчика DD1. Элемент DD4.1 при лог 1 на одном из входов (выводе 2), соединённом с выходом RS-триггера, инвертирует напряжение возбуждения, поступающее на другой вход (вывод 1), поэтому сегменты A4, B4, F4, G4ЖКИ, отображающие знак температуры "о", и знак DP2 ЖКИ (десятичная точка) индицируются постоянно.
Как только напряжение на аккумуляторе снизится до +3,3 В, напряжение на резисторе R6 делителя при уровнях лог. 0 на инверсном выходе триггера DD2.2 станет равным нижнему порогу переключения элемента DD3.1. RS-триггер переключится в противоположное состояние, и напряжение возбуждения через элемент DD4.1 начнёт проходить без инверсии. Знаки температуры и десятичной точки сначала погаснут, но через 0,5 с вновь высветятся, поскольку RS-триггер с началом паузы секундного импульса вернётся в прежнее состояние. Процесс высвечивания и гашения чередуется с частотой 1 Гц. На экране ЖКИ будет наблюдаться мигание знаков температуры и десятичной точки, указывающее на необходимость зарядки аккумулятора или смены элементов питания. При использовании батареи из двух гальванических элементов порог включения следует изменить подборкой резистора R5.
Чертёж печатной платы и расположение элементов с монтажом в отверстия приведены на рис. 2, а на рис. 3 - расположение элементов для поверхностного монтажа. Чертёж печатной платы и расположение элементов преобразователя приведены в [4].

Рис. 2. Чертёж печатной платы и расположение элементов с монтажом в отверстия

Рис. 3. Расположение элементов для поверхностного монтажа
ЖКИ ИЖЦ14-4/7 можно заменить любым четырёхразрядным, отображающим цифры в семисегментном формате, конечно, с учётом назначения выводов. Кварцевый резонатор - CFS-145 фирмы Citizen (маркировка на корпусе - S (логотип), далее следуют три цифры); ёмкость нагрузки - 8 пФ. Все конденсаторы и резисторы (кроме R6) - для поверхностного монтажа. С1, С2, С6, С7, R1, R2, R7 - типоразмера 1206; С3, С4, R3, R5 - 0603; R4 - 0803. Поскольку ёмкость конденсатора С5 подбирают при налаживании, он может быть составлен из нескольких, соединённых параллельно, для этого установочное место для него увеличено. ТКЕ конденсатора С5 должен быть группы МП0 (NP0). Для уменьшения времени измерения температуры датчик должен иметь как можно меньшую постоянную времени термического охлаждения τc (англ. thermal cooling time constant). Подойдут терморезисторы (термисторы), например, серии NXFT15 фирмы muRata (τс = 4 с) или B57871S (τс = 7,5 с), B57560G фирмы TDK (τс = 15 с) в миниатюрном каплеобразном корпусе.
Фотографии, иллюстрирующие конструкцию прибора, показаны на рис. 4 - рис. 6. У автора он собран на двух платах, скреплённых через две втулки высотой 3 мм двумя винтами М2 и гайками. На второй плате установлены аккумулятор, преобразователь напряжения [3, 4] и два гнезда: DS-212 - для зарядки аккумулятора от зарядного устройства через штекер NP-130 (MP-332) и DS-313 - для подключения датчика температуры через штекер NP-116 (MP-331). Диаметры центральных штырей в гнёздах различны - 1 и 1,3 мм соответственно. Были задействованы два датчика температуры - внешний и встроенный, который постоянно контролирует температуру в помещении, а при вставке штекера от внешнего датчика автоматически отключается.

Рис. 4. Конструкция прибора

Рис. 5. Конструкция прибора

Рис. 6. Конструкция прибора
Конструктивно внешний датчик выполнен в виде щупа. Корпус щупа позаимствован от простейшей шариковой авторучки, без выталкивающего пишущий стержень механизма и укорочен до 110 мм. К выводам терморезистора припаивают тонкий экранированный провод длиной около 0,5 м марки МСЭО. Провод продевают через корпус так, чтобы терморезистор оказался со стороны "пера", и крепят в отверстии с помощью клея. Центральную жилу провода припаивают к штырю штекера NP-116 (MP-331), а оплётку - к его корпусу. Не следует укорачивать штатные выводы терморезистора, это может привести к более длительной установке показаний прибора из-за отвода тепла соединительными проводами. Для внешнего датчика желательно применить терморезисторы с коэффициентом температурной чувствительности около 4000.
При использовании двух датчиков встроенный припаивают непосредственно к выводам гнезда XS1. Если в устройстве планируется применить только один, это гнездо можно исключить.
При налаживании внешний датчик ставят в подмышечную впадину здорового человека и подбором ёмкости конденсатора С5 (или нескольких включённых параллельно) добиваются показания на индикаторе 36,6 оС. Оно может изменяться в зависимости от качества теплового контакта с телом, поэтому следует ориентироваться по максимальному значению на ЖКИ. Если приобретены терморезисторы с допуском 1 %, погрешность при работе с внутренним датчиком может возрасти на 1 %.
Литература
1. Суетин В. Бытовой цифровой термометр. - Радио, 1991, № 10, с. 28-31.
2. Глибин С. Комнатный термометр с автономным питанием. - Радио, 2012, № 9, с. 53, 54.
3. Глибин С. Микромощный преобразователь напряжения с высоким КПД. - Радио, 2017, №5, с. 23.
4. Глибин С. Микромощный преобразователь напряжения с высоким КПД. Наша консультация. Печатная плата. - Радио, 2017, №9, с. 48.
Автор: С. Глибин, г. Москва
