Широкое распространение Li-Ion аккумуляторов, их доступность и лёгкость применения дали возможность замены устаревших батарей аккумуляторов. Но при этом возникла проблема их соединения в батареи, чтобы получить нужное напряжение. В промышленности аккумуляторы, как правило, соединяют в батареи никелевой лентой с помощью контактной сварки, но для этого надо иметь соответствующий аппарат. Можно аккумуляторы соединить и с помощью пайки, но это небезопасно - можно повредить их или устроить пожар. Можно, конечно, приобрести готовый аппарат для контактной сварки, но он стоит дорого, и это своего рода лотерея. Эксплуатация такого аппарата, приобретённого моим знакомым в Интернете, показала, что ведёт он себя не всегда адекватно, иногда сваривает нормально, а в большинстве случаев - только удовлетворительно.
В Интернете много информации о том, как самостоятельно изготовить аппарат для контактной сварки, но то, что предлагается, меня не устроило, а то, что было интересно, оказалось коммерческим предложением по принципу: купи готовую плату с программой и будет тебе счастье. Это мало отличается от лотереи, и не устраивает то, что от меня ничего не зависит.
Для изготовления аппарата для контактной сварки можно использовать несколько способов. Во-первых, на базе батареи суперконденсаторов. Я собрал такой аппарат на конденсаторах суммарной ёмкостью 3000 Ф, но возникли проблемы с коммутирующими транзисторами. В результате экспериментов большое их число вышло из строя. Дело в том, что приобрести настоящий полевой транзистор оказалось не просто, предлагаемые в Интернете транзисторы очень часто оказывались фальсификатом. При покупке транзисторов в отечественных магазинах аппарат становился золотым. Во-вторых, аппарат можно сделать на основе автомобильной аккумуляторной батареи, но после получения готовой платы оказалось, что она работает неустойчиво. Но осталась проблема с аккумуляторной батареей, поскольку покупать её специально для сварочного аппарата слишком накладно, особенно для редких работ, к тому же она требует ухода. Поэтому аппарат был сделан на основе мощного трансформатора от СВЧ-печи мощностью 500...600 Вт. Этот вариант меня устроил больше всего, поскольку в этом случае всё зависит от меня.
Этот трансформатор потребовалось переделать. Как это сделать, можно с подробностями узнать в Интернете. Но коротко доработку проводят в следующей последовательности. Аккуратно спиливают вторичную обмотку с одного бока и остальную часть выбивают молотком. Обмотка оказалась намотана алюминиевым проводом - китайцы экономят на всём. Затем выбивают металлические перемычки и наматывают свою вторичную обмотку. Для неё был использован автомобильный провод АХ637 [1] с площадью сечения 16 мм2 с наконечниками и длиной около 1 м, купленный в автомобильном магазине. Обычно наматывают два витка этого провода, но у меня вошло три витка и осталось немного для подключения проводов к сварочной рукоятке (рис. 1), приобретённой в Интернете [2]. Внешний вид трансформатора с перемотанной вторичной обмоткой показан на рис. 2. Сварочная рукоятка подключена двойным проводом сечением по 8 мм2 и длиной 500 мм с напрессованными наконечниками, который также приобретён в том же автомагазине. Снаружи этот провод медный, а внутри - алюминиевый. Можно подключить проводом сечением 16 мм2, но он слишком жёсткий, плохо гнётся, и им неудобно работать, а один провод сечением 8 мм2 не обеспечивает требуемый ток при сварке. Для запуска процесса сварки была использована педаль (рис. 3), приобретённая в Интернете [3].

Рис. 1.

Рис. 2.

Рис. 3.

Рис. 4.
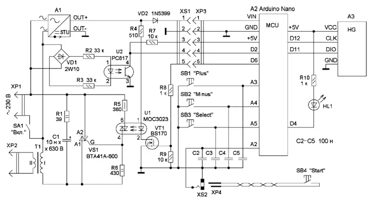
Схема аппарата показана на рис. 4. Он собран на популярном и дешёвом модуле Arduino Nano (A2) с индикацией на четырёхразрядном светодиодном дисплее - модуль А3 (рис. 5) [4]. Питается устройство от модуля А1, который преобразует переменное напряжение 230 В в постоянное стабилизированное напряжение 9 В. На диодном мосте VD1 и оптроне U2 собран датчик перехода переменного напряжения через ноль, резисторы R2 и R3 - токоограничивающие. На коллекторе фототранзистора оптрона U2 формируются короткие положительные импульсы при переходе сетевого напряжения через ноль, дваимпульсанаодин период. Осциллограмма этих сигналов показана на рис. 6. Датчик обнаружения перехода переменного напряжения через ноль нужен для синхронизации включения симистора VS1. Чтобы он включался на пике полуволны, в программе Arduino Nano сделана регулируемая задержка от 1 до 5 мс для изменения времени задержки его включения. Включается симистор VS1 симисторным оптроном U1 MOC3023 без узла детектора ноля. Обратите внимание, что оптрон MOC3063 и аналогичный, в котором присутствует детектор ноля, использовать нельзя.

Рис. 5.

Рис. 6.
При включении устройства происходит инициализация микроконтроллера и дисплея на модуле А3, после этого микроконтроллер читает данные из EEPROM, выводит данные на дисплей и переходит в режим ожидания действий оператора. Устройство управляется тремя кнопками SB1-SB3 "Plus", "Minus" и "Select" и педалью SB4 включения режима сварки "Start". Опрос кнопок и педали производится каждые 50 мс по прерыванию от таймера 1 микроконтроллера, также по прерыванию таймера 1 производится обновление информации на дисплее. При включении по умолчанию на дисплей выводится в первый разряд информация о числе импульсов сварки, второй разряд погашен (не используется), в третий и четвёртый разряды выводится информация о времени включения симистора в миллисекундах. Кнопкой "Select" можно переключать изменяемый параметр по кольцу, при первом нажатии можно изменить время прожига 1…99 мс, при втором нажатии число импульсов прожига - 1 или 2, при третьем нажатии - время задержки включения прожига от 1 до 5 мс. Следующее нажатие выводит на дисплей изменённые значения числа импульсов и времени прожига. Изменяют выбранный параметр нажатием на кнопки SB1 "Plus" или SB2 "Minus". Для сохранения этих параметров надо нажать на кнопку SB3 "Select" на 5 с. О сохранении в EEPROM информирует светодиод HL1, который включается на 1 с.
Продолжени следует
Автор: В. Киба, г. Волжский Волгоградской обл.
