Устройство предназначено для управления мощностью сетевой нагрузки 230 В с возможностью автоматического его увеличения на нагрузке до максимальной за установленное время и индикацией завершения процесса регулировки с помощью светодиода и транзисторного оптрона для внешних устройств. При отсутствии внешней команды включение нагрузки и регулировка выходной мощности осуществляются кнопками. В процессе выхода на максимальный режим мощность можно изменять в обе стороны с помощью кнопок. Во время ручной регулировки автоматическая останавливается, но при отключении ручного управления автоматическая продолжится со ступени, установленной в ручном режиме. Крайние положения интервала регулирования индицируются светодиодом.

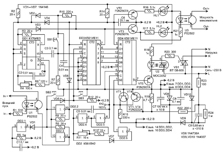
Рис. 1. Схема регулятора
Схема регулятора показана на рис. 1. При подаче напряжения 3...5 В на входы In+ и In- от внешнего устройства транзисторный оптрон U1 разрешает работу счётчика DD1 с RC-генератором на элементах C2, R4 и R6, частота которого делится на 32768, и на выходе 15 (вывод 5) периодически появляются импульсы, которые через конденсатор C3 поступают на счётный вход (вывод 15) двоичного реверсивного счётчика DD3. Одновременно на входах R счётчиков DD3 и DD4 через диод VD4 устанавливается уровень лог. 0, разрешающий их работу, открывается транзистор VT2 и включается светодиод HL1 зелёного свечения, сигнализирующий о включении нагрузки. На входе +/-(вывод 10) счётчика DD3 первоначально присутствует сигнал с уровнем лог. 1, обеспечивающий суммирование импульсов с выхода счётчика DD1. Полученный четырёхразрядный двоичный код, который задаёт мощность на нагрузке, поступает на входы предвари тельной установки двоичного реверсивного счётчика DD4. С узла формирования сигнала перехода сетевой полуволны через ноль, реализованного на элементах VT1, VT4, R15, R19, R22, короткий импульс поступает на вход SE (вывод 1) счётчика DD4, обеспечивая запись параллельного кода каждые 10 мс. Одновременно с помощью инвертора DD2.6 синхронизируется работа генератора заполняющих импульсов с частотой следования 1600 Гц, реализованного на элементах DD2.4, DD2.5, C5, R11 и R13, выход которого подключён к счётному входу счётчика DD4.
В каждом полупериоде сетевого напряжения на выходе Р (вывод 7) этого счётчика появляется импульс, фазовая задержка которого определяется предварительно записанным в счётчик DD4 кодом и частотой генератора заполняющих импульсов. В этот момент с помощью транзистора VT5 и симисторного оптрона U2 формируется импульс управления симистором VS1, обеспечивая подачу в нагрузку части полуволны сетевого напряжения. В результате действующее напряжение на нагрузке меняется от нулевого значения при нулевом коде (0000) на выходе счётчика DD3 до максимального, когда код 1111. По окончании заполнения счётчика DD3 на его выходе Р (вывод 7) появляется сигнал с уровнем лог. 0, который через диод VD3 прекращает работу счётчика DD1, чтобы предотвратить повторный цикл ступенчатого регулирования мощности в нагрузке. С помощью транзистора VT3 включается светодиод HL2 синего свечения, и транзисторный оптрон U3 выдаёт сигнал во внешнюю цепь о достижении максимальной мощности.
В случае необходимости изменения мощности во время действия внешней команды надо использовать кнопки SB1 и SB3. Для перехода в режим кнопочного управления необходимо кратковременно нажать на кнопку SB3. Триггер на инверторах DD2.2 и DD2.3 переключится в противоположное состояние, отключит выход транзисторного оптрона U1 и, соответственно, режим внешнего управления, чтобы предотвратить влияние внешней команды на процесс ручного регулирования. Через диод VD6 в на входах R сброса счётчиков DD3, DD4 удержится сигнал с уровнем лог. 0. Для ступенчатого увеличения мощности необходимо кратковременно нажимать на кнопку SB1 до достижения требуемого уровня мощности. Резистор R10 и конденсатор C4 предназначены для устранения дребезга контактов кнопки SB1, при нажатии на которую на счётный вход С счётчика DD3 поступает очень короткий импульс за счёт заряда конденсатора C4. При достижении двоичного кода на выходах счётчика DD3, равного 1111, на его выходе Р (вывод 7) появляется сигнал лог. 0, включается светодиод HL2, сигнализирующий о максимальной мощности, и отключается питание кнопки SB1.
Для уменьшения мощности надо нажать на кнопку SB3 и, удерживая её, нажать на кнопку SB1. С установленным вручную уровнем мощности регулятор может стабильно находиться сколь угодно долго. Для перехода устройства в режим внешнего управления необходимо нажать на кнопку SB2, триггер на инверторах DD2.2 и DD2.3 возвратится в исходное нулевое состояние. При включении устройства в сеть первоначальная установка этого триггера в исходное состояние производится элементами DD2.1, C1, R5, VD1. Для исключения возможного сброса счётчиков DD3 и DD4 в момент перехода на другой режим служит конденсатор C6. Если в это время исполнялась внешняя команда, то она продолжится до достижения максимального уровня выходной мощности. При отсутствии внешней команды нажатием на кнопку SB2 нагрузка будет отключена. Таким образом, кнопка SB3 включает режим кнопочного управления и обеспечивает уменьшение выходной мощности, кнопка SB1 предназначена для ступенчатого увеличения или уменьшения мощности, а кнопка SB2 отключает этот режим.

Рис. 2. Чертеж печатной платы регулятора и схема размещения элементов на ней
Все элементы регулятора размещены на печатной плате (рис. 2) из одностороннего фольгированного стеклотекстолита толщиной 1,5 мм. Вместо микросхемы К561ИЕ11 можно использовать импортную микросхему CD4510B, КП6НЕ5 не имеет полных импортных аналогов, и без коррекции печатной платы замена невозможна. Транзисторные оптроны U1, U3 заменимы оптронами 249КП1, PC817, TLP521-1, а симисторный оптрон U2 - оптроном MOC3023. Транзисторы VT1, VT4 могут быть серий MPSA05, КТ3117А1 или КТ3102 с любым буквенным индексом, а VT2, VT3, VT5 - любые серий КТ209, КТ502 или импортные MPSA06, BC636. Оксидный конденсатор C7 - К50-35 или импортный аналог, конденсаторы C2 и C5 - плёночные К73-17 или импортные аналоги, конденсатор C9 - импортный полипропиленовый MPX-X2, KNB1530 или аналогичный ёмкостью 0,47...0,68 мкФ, допускающий работу при переменном напряжении не менее 275 В. Остальные конденсаторы - любого типа, например, КМ, К10-17 или импортные. Стабилитрон VD8 - 1N4739A, BZV85-C8V2, BZV85-C9V1 или отечественный КС482А. Нежелательно использовать маломощные стабилитроны КС181Ж, КС208Ж или подобные, так как они имеют небольшой максимально допустимый ток и могут быть повреждены при импульсных помехах в сети. Кнопки SB1-SB3 могут быть любыми тактовыми. В авторском варианте использованы мембранные кнопки KLS7-TS6601-13.0-180, размещённые на корпусе устройства. Толкатели этих кнопок должны иметь надёжную изоляцию. Светодиоды HL1 и HL2 - импортные диаметром 3 мм. Постоянные резисторы - МЛТ, С2-23 или импортные металлоплёночные. Резистор R19 типоразмера 1206 установлен со стороны печатных проводников. Подстроечные резисторы R4 и R11 - RM063, RM065, СП3-19А или аналогичные. Тип применяемого симистора VS1 зависит от мощности планируемой нагрузки. Если ток нагрузки превышает 2 А, симистор необходимо установить на теплоотвод.
Резистором R4 устанавливают время выхода на максимальный режим при наличии внешней команды. С указанными на схеме номиналами частоту генератора с помощью этого резистора можно регулировать в диапазоне 273...546 Гц, которая затем в счётчике DD1 делится на 32768 раз. В результате на его выходе 15 (вывод 5) импульсы перехода на следующую ступень появляются каждые 1...2 мин. Режим выхода на максимальную мощность состоит из 15 ступеней, поэтому время его исполнения составляет 15...30 мин.
Налаживание сводится к установлению расчётной частоты генератора DD1 и частоты 1600 Гц в контрольной точке Кт2 с помощью подстроечного резистора R11. Если требуются другие параметры выхода на максимальный режим, рассчитывается соответствующая частота генератора, равная числу 8192, поделённому на время исполнения программы, выраженное в минутах, затем подбирают конденсатор C2. Частоту генератора измеряют в контрольной точке Кт1.
Следует иметь в виду, что регулятор гальванически связан с электрической сетью 230 В, поэтому, во избежание выхода из строя заземлённых измерительных приборов, элементов платы и поражения электрическим током, все измерения следует проводить с большой осторожностью, подключив устройство к сети через разделительный трансформатор мощностью 50...70 Вт.

Рис. 3. Внешний вид смонтированной печатной платы
Внешний вид смонтированной печатной платы показан на рис. 3. Этот регулятор мощности первоначально предназначался для системы "световой будильник", включающей в себя большой напольный торшер с абажуром и электронные часы со светящимся индикатором и встроенным MPS-проигрывателем с USB-портом, которые четырёхпроводным кабелем от компьютерной мышки подключались к плате, размещённой в небольшом корпусе рядом с торшером. Часы были доработаны с целью получения сигнала включения будильника, который подавался на входы In+ и In- платы регулятора, а в цепь управления MP3-проигрывателем с подключённой флешкой с записью пения птиц подключался выход Out+ и Out-регулятора. В настоящее время этот регулятор вошёл в систему "умный дом" с несколькими светильниками, размещёнными в разных местах помещения для имитации рассвета в течение 30 мин, с последующим включением МРЗ-проигрывателя. Регулятор можно использовать и без внешнего управления.
Чертёж печатной платы находится здесь.
Автор: В. Кравцов, г. Новороссийск Краснодарского края
