Многие радиолюбители используют при изготовлении печатных плат микродрели. Предлагаемая разработка позволяет создать на основе микродрели станок для сверления печатных плат. Для изготовления станка требуются навыки работы с металлом и минимальный набор инструментов: ручная электродрель, ножовка по металлу, напильники, тиски и ножницы для резки металла. Из материалов - листовая сталь, алюминий, пластик, крепёж. В общем, всё то, что есть практически у каждого радиолюбителя. Микродрель закрепляют на кронштейне неподвижно, для подачи обрабатываемого материала служит подвижный столик.
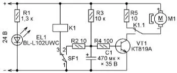
Электрическая схема станка показана на рис. 1. Для управления электродвигателем служит конечный выключатель SF1, механически связанный с рычагом подъёма столика. В исходном состоянии станка под действием рычага подъёма контакты 1 и 2 конечного выключателя замкнуты, что соответствует остановленному двигателю M1. При нажатии на рычаг контакты 1-2 разомкнутся, а контакты 1-3 замкнутся. Реле K1 сработает и соединит минусовый вывод двигателя M1 с коллектором транзистора VT1, но транзистор пока останется закрытым, поскольку конденсатор C1 разряжен. Через резистор R3 конденсатор медленно зарядится, и транзистор постепенно откроется, что обеспечит плавный пуск двигателя. По окончании сверления и отпускании рычага конечный выключатель SF1 возвратится в состояние с замкнутыми контактами 1-2 и разомкнутыми 1-3. Конденсатор C1 разрядится через резистор R2, а параллельно двигателю, отключённому от коллектора транзистора VT1, будет подключён резистор R5, обеспечивающий эффективное торможение вала двигателя.

Рис. 1. Электрическая схема станка
На схеме указаны ориентировочные значения ёмкости конденсатора C1 и сопротивления резистора R5, они зависят от желаемых темпов разгона и торможения конкретного электродвигателя. Увеличение ёмкости увеличит длительность разгона, а уменьшение сопротивления резистора R5 ускорит остановку вращающегося сверла. Светодиод EL1 белого свечения освещает место сверления.
Реле K1 следует выбирать с номинальным рабочим напряжением обмотки 12 или 24 В и допустимым коммутируемым током 1...2 А. Это может быть, например, SRD-12VDC-SL-C (сопротивление обмотки - 320 Ом) или SRD-24VDC-SL-C (сопротивление обмотки - 1280 Ом). При использовании реле на 12 В последовательно с его обмоткой включите резистор с сопротивлением, равным её сопротивлению постоянному току.
Для питания станка подойдёт любой источник постоянного напряжения 24...30 В при токе нагрузки 1 A. Если имеется готовая микродрель с узлом управления и питания, её можно с успехом использовать в предлагаемой конструкции.
Изготовление механической части станка я начал с закрепления электродвигателя на алюминиевой пластине размерами 110x55x2,5 мм (рис. 2). Скоба крепления вырезана из металлического листа толщиной 0,5 мм. Между корпусом двигателя и пластиной установлена пластмассовая подкладка (крышка пенала для графитовых стержней). Винты крепления подкладки предотвращают осевое перемещение двигателя.

Рис. 2. Крепление электродвигателя станка на алюминиевой пластине
Эскиз конструкции столика для обрабатываемой платы и механизма его вращения и подъёма показан на рис. 3. Применены детали лентопротяжного механизма кассетного магнитофона - маховик 2 с тонвалом 4 и его подшипником 8. При отсутствии кассетного магнитофона, который не жалко разобрать на запчасти, для изготовления подвижного столика можно воспользоваться, например, подходящими деталями от видеоплейера.

Рис. 3. Эскиз конструкции столика
Подшипник 8 прикреплён к верхней стенке основания 11 станка, маховик служит основанием столика 1, а тонвал - осью вращения столика и направляющей для его перемещения по высоте. На тонвал надета пружина 3 от шариковой авторучки, которая упирается в подпятник 6, закреплённый стопорным винтом 5. Такая конструкция практически не имеет радиального люфта и обеспечивает перпендикулярность сверла плоскости сверления в любом положении столика.
Сам столик 1 изготовлен из листа пластмассы толщиной 4 мм и прикреплён к маховику 2 тремя винтами с потайными головками.
Рычаг подъёма столика 7 изготовлен из металлического стержня сечением 8x4 мм. Как уже было сказано, в исходном положении (при опущенном столике) он нажимает на конечный выключатель 10 (SF1 - согласно схеме на рис. 1), что удерживает электродвигатель в выключенном состоянии. При нажатии на вынесенную за пределы основания 11 рукоятку рычаг 7 поворачивается вокруг оси 9, отпускает конечный выключатель 10 и поднимает столик. Ход столика - 5...10 мм.
В качестве основания станка я использовал прямоугольный алюминиевый корпус G0247 (URL: http://www. gainta.com/pdf/g0247.pdf (14.11.16)) размерами 187x118x56,5 мм из числа продаваемых в магазинах радиодеталей. Конечно, при наличии листового алюминия основание можно изготовить и самостоятельно.
Сначала соберите на основании описанный выше узел подвижного столика и измерьте необходимую высоту расположения узла электродвигателя. После этого столик можно снять, чтобы он не мешал изготовлению кронштейна, на котором предстоит закрепить узел электродвигателя.
Кронштейн, обозначенный на рис. 4 цифрой 5, сделайте из металлического П-образного профиля (швеллера). Он должен обеспечить перпендикулярность зажатого в установленный на валу электродвигателя патрон сверла к поверхности столика и удобное расстояние между этой поверхностью в опущенном состоянии и концом сверла. Заготовку кронштейна 5 установите на боковой стенке основания 1 строго напротив столика и закрепите её винтами. Затем, сделав пропилы в боковинах профиля, изогните заготовку под углом приблизительно 60о к плоскости основания и закрепите отогнутую часть в этом положении опорой 6.

Рис. 4. Внешний вид устройства
С помощью слесарного угольника отметьте на кронштейне 5 место второго изгиба с таким расчётом, чтобы зажатое в патрон сверло оказалось на линии, проходящей через центр столика. Изогните кронштейн в этом месте, зафиксируйте изгиб накладками 3 и отрежьте излишек заготовки. Прикрепите к кронштейну узел электродвигателя 2, атакже осветительный плафон 4 со светодиодом EL1. Плату узла управления можно установить на кронштейне или в любом свободном месте "подвала" основания станка.
Изготовленный мной станок позволяет сверлить платы с максимальным размером до 200 мм. К моменту написания статьи на нём была просверлена плата узла управления и ещё несколько печатных плат, в том числе с печатными проводниками, расположенными с двух сторон.
В чём я вижу преимущества станка над ручной микродрелью? Просверленные отверстия получаются строго перпендикулярными поверхности платы. Намного удобнее позиционировать сверло в центре будущего отверстия. Свёрла малого (менее 1 мм) диаметра значительно реже ломаются, поскольку в процессе сверления к ним не прикладываются изгибающие усилия.
Автор: Н. Салимов, г. Ревда Свердловской обл.
