Исходной причиной этой разработки стало желание иметь автономное, малогабаритное устройство, способное длительное время работать от батареи. Первой проблемой стал выбор индикатора для отображения измеренных значений температуры Светодиодные индикаторы не подошли по причине значительного потребления тока. Обычный многоразрядный семиэлементный ЖКИ потребляет значительно меньший ток, но на него приходится подавать слишком много управляющих сигналов, что требует применения многовыводного микроконтроллера Лучше всего подошел ЖКИ со встроенным контроллером, управляемый всего несколькими сигналами После долгих поисков я остановился на ЖКИ от сотового телефона Nokia 3310. В него встроен управляемый по интерфейсу SPI контроллер LPH7779 или PCD8544, протокол управления которым известен.
Технические характеристики индикатора
Размер экрана, мм ............30x22
Разрешение, пкс..............84x48
Напряжение питания, В ......2,7...3,3
Рабочая температура, °С .. .-25...+70 Ток потребления, мкА . ........300
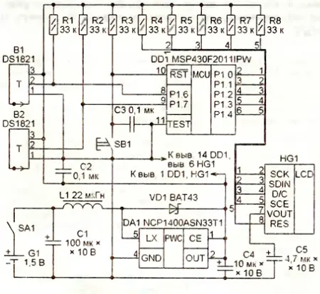
Использовать в приборе микроконтроллер семейства PICmicro или AVR не хотелось по причине относительно большого тока потребления Выбор пал на семейство микроконтроллеров MSP430 фирмы Texas Instruments. В него входят 16-разрядные микроконтроллеры с развитой периферией. Что в данном случае самое важное, они специально предназначены для работы от батарей и имеют сверхнизкое энергопотребление. Ток, потребляемый примененным микроконтроллером MSP430F2011IPW при напряжении питания 3 В и тактовой частоте ядра 8 МГц, не превышает 2 мА. Схема термометра показана на рис. 1.

Рис. 1
Для питания узлов прибора напряжение гальванического элемента G1 нужно повысить до 3,3 В. Это делает повышающий преобразователь на специализированной микросхеме NCP1400ASN33T1 (DA1). При собственном токе потребления 60 мкА она поддерживает выходное напряжение неизменным при снижении напряжения элемента вплоть до 0,8 В.
Датчики DS1821 (ВК1, ВК2) измеряют температуру в интервале от -55 до + 125 °С с погрешностью не более 1 °С. Они могут работать и в режиме термостата, подавая сигналы включения и выключения нагревателя или охладителя при достижении заданных значений температуры, но в рассматриваемом приборе этот режим не используется.
Связь датчиков с микроконтроллером происходит по известному интерфейсу 1-Wire Но в отличие от других микросхем с таким интерфейсом эти датчики не имеют индивидуальных номеров, поэтому для связи с каждой из них требуется отдельная линия. Использованы линии Р1.6 и Р1.7 микроконтроллера DD1. Опрос датчиков производится периодически, его результаты выводятся на индикатор HG1.

Рис. 2
Печатная плата термометра и расположение деталей на двух ее сторонах показаны на рис. 2. В налаживании устройство не нуждается и начинает работать сразу, но до установки микроконтроллера на плату и подключения к ней индикатора желательно проверить работу преобразователя напряжения на микросхеме DA1 и убедиться, что напряжение на его выходе равно 3,3 В во всем интервале возможных значений напряжения гальванического элемента G1.
Программа микроконтроллера (файл termometr. txt) и файл печатной платы термометра в формате Sprint Layout можно скачать здесь
Автор: А. Николаев, г. Боготол Красноярского края
