В процессе дистанционного управления авиа-, авто- или судомоделями, помимо пропорциональных команд, которыми задают угловое положение качалки исполнительных механизмов - сервоприводов, связанных с соответствующими органами управления моделью, изменяющими траекторию её движения или число оборотов двигателя силовой установки, часто возникает необходимость в дискретных командах. Например, при пилотировании авиамодели дискретные команды могут понадобиться для уборки и выпуска шасси, включения бортовой аппаратуры телеметрии или аэрофотосъёмки, сбрасывания грузов, а при управлении авто- и судомоделями - для реверсирования направления движения ("вперёд-назад"), включения ходовых огней, гудка или сирены, имитации звуков выстрелов орудийных башен и т. п. Поэтому в шифраторах и дешифраторах команд многоканальных систем дистанционного управления моделями желательно совмещать функции как пропорционального, так и дискретного управления.
В шифраторах многоканальных систем дистанционного пропорционального управления моделями [1-4] сигналы, содержащие информацию о значении передаваемой команды, формируются, как правило, изменением ширины канальных импульсов, длительность которых в зависимости от положения рукояток управления передатчика может изменяться в интервале 1...2 мс. Для передачи информации по каналу связи эти импульсы преобразуются в синхроимпульсы фиксированной длительности 0,1...0,5 мс, образующие канальные посылки, разделённые синхропаузой и следующие с частотой 50...60 Гц. Информация о значении передаваемой команды в соответствующем канале содержится во временном интервале между синхроимпульсами канальных посылок, а число импульсов в них зависит от числа каналов управления. Дешифратор приёмника распределяет синхроимпульсы канальных посылок по каналам, восстанавливает ширину канальных импульсов и передаёт их на соответствующие исполнительные механизмы модели.
В шифраторах многоканальных систем дистанционного дискретного управления моделями [1-4] каждая команда обычно формируется путём генерации низкочастотного колебания определённой частоты - поднесущей. Сигналы поднесущих частот всех каналов подаются на сумматор, а затем - на вход передатчика, в котором происходит модуляция суммарным сигналом несущей частоты. Дешифратор приёмника выделяет сигналы поднесущих частот и распределяет их по соответствующим каналам посредством M параллельно соединённых входами полосовых фильтров, где M - число каналов системы дистанционного управления, и формирует сигналы, которыми приводятся в действие соответствующие исполнительные механизмы модели, при этом по номеру полосового фильтра, на выходе которого появился командный сигнал, судят о назначении принятой команды.
В шифраторах и дешифраторах систем дистанционного управления моделями, совмещающих в себе функции пропорционального и дискретного управления, применяется как широтноимпульсное, так и частотное кодирование-декодирование команд. Например, в аппаратуре дистанционного управления моделями "Диспроп" [5] изменяемая длительность пауз между командными импульсами используется для пропорционального управления, а их внутренняя часть заполняется импульсами, следующими с частотами дискретных команд. Недостатки шифратора и дешифратора этой аппаратуры - наличие только одного канала пропорционального управления ("влево-вправо") и невозможность одновременного исполнения нескольких дискретных команд.
Предлагаю свободные от указанных недостатков свои варианты шифратора и дешифратора пропорционально-дискретных команд для многоканальной системы дистанционного управления моделями. Шифратор и дешифратор пропорционально-дискретных команд выполнены на доступной элементной базе, просты в налаживании и стабильны в работе. В их основе лежат функциональные узлы, описанные в [6-11].
Основные технические характеристики
Число каналов пропорционального управления . . . . . . . . . . 4
Длительность канальных импульсов пропорциональных команд, мс . . . . . . . . . . 1...2
Длительность синхроимпульсов канальных посылок пропорциональных команд, мс . . . . . . . . . . 0,3
Длительность синхропаузы канальных посылок пропорциональных команд, мс, не менее . . . . . . . . . . 10
Число дискретных команд . . . . . . . . . . 3
Число дискретных команд, исполняемых одновременно . . . . . . . . . . 3
Частоты поднесущих дискретных команд, Гц . . . . . . . . . . 3000, 4000
Длительность канальных посылок дискретных команд, мс . . . . . . . . . . 3
Период повторения канальных посылок пропорциональных и дискретных команд, мс . . . . . . . . . . 20
Напряжение питания шифратора, В . . . . . . . . . . 12
Напряжение питания дешифратора, В . . . . . . . . . . 12
Ток потребления шифратора, мА, не более . . . . . . . . . . 90
Ток потребления дешифратора, мА, не более . . . . . . . . . . 30
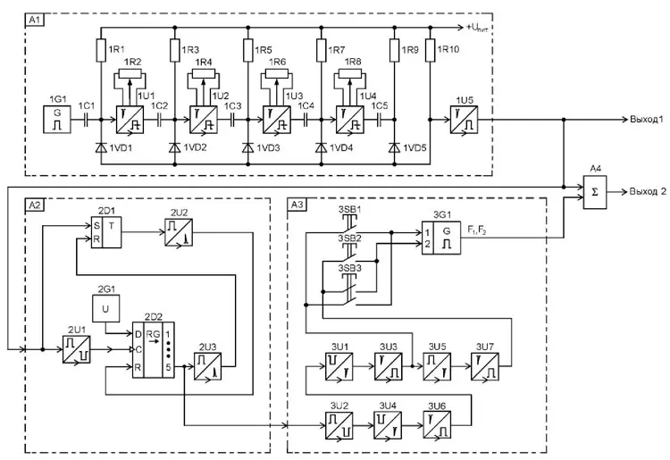
Функциональная схема шифратора пропорционально-дискретных команд приведена на рис. 1, где A1 - шифратор пропорциональных команд, A2 - узел выделения синхропаузы, A3 - шифратор дискретных команд, A4 - сумматор.

Рис. 1. Функциональная схема шифратора пропорционально-дискретных команд
Шифратор пропорциональных команд A1 включает в себя генератор прямоугольных импульсов 1G1; формирователи коротких импульсов - дифференцирующие цепи 1R1-1C1, 1R3-1C2, 1R5-1C3, 1R7-1C4, 1R9-1C5; формирователи канальных импульсов - одновибраторы 1U1 - 1U4, длительность выходных импульсов которых регулируется соответствующими переменными резисторами 1R2, 1R4, 1R6, 1R8, попарно сопряжёнными посредством специальных механизмов [1-4] с двумя рукоятками управления передатчика, задающими угловое положение вала этих резисторов относительно его оси вращения; формирователь синхроимпульсов канальных посылок пропорциональных команд - одновибратор 1U5; цепь формирования импульсов запуска одновибратора 1U5 - диоды 1VD1 - 1VD5, резистор 1R10 и дифференцирующие цепи 1R1-1C1, 1R3-1C2, 1R5-1C3, 1R7-1C4, 1R9-1C5.
Узел выделения синхропаузы A2 включает в себя инвертор 2U1; RS-триггер2D1; формирователь напряжения высокого логического уровня 2G1; сдвиговый регистр 2D2; формирователи коротких импульсов 2U2, 2U3.
Шифратор дискретных команд A3 включает в себя формирователь коротких импульсов 3U1; инвертор 3U2; одновибратор 3U3; формирователи коротких импульсов 3U4, 3U5; одновибраторы 3U6, 3U7; командные кнопки 3SB1-3SB3; управляемый по частоте цифровым кодом генератор прямоугольных импульсов 3G1.
Шифратор пропорционально-дискретных команд имеет два выхода: на первом выходе формируется сигнал пропорционального управления, на втором выходе - сигнал пропорционально-дискретного управления.

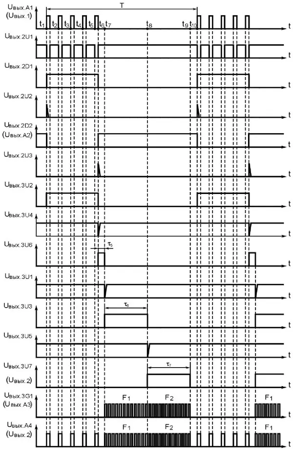
Рис. 2. Временная диаграмма напряжений шифратора пропорционально-дискретных команд

Рис. 3. Временная диаграмма напряжений шифратора пропорционально-дискретных команд
На рис. 2, рис. 3 представлены временные диаграммы напряжений в характерных точках шифратора пропорционально-дискретных команд, поясняющие его работу. Для наглядности масштаб по осям абсцисс и ординат не соблюдён, а форма импульсных напряжений изображена упрощённо.
Шифратор пропорционально-дискретных команд работает так. Генератор 1G1 вырабатывает последовательность прямоугольных импульсов напряжения Uвых.1G1, период следования которых равен T, а длительность - т, причём в момент t0 формируется их фронт, а в момент t1 - спад (см. рис. 2). С выхода генератора 1G1 эти импульсы поступают на вход дифференцирующей цепи 1R1-1C1. В момент t1 на входе одновибратора 1U1, соединённого с выходом дифференцирующей цепи 1R1-1C1, появляется кратковременный перепад напряжения Uвх.1U1 c высокого на низкий логический уровень. Этот перепад напряжения запускает одновибратор 1U1, формирующий на своём выходе прямоугольный импульс напряжения Uвых.1U1 длительностью т1, которая задаётся угловым положением вала переменного резистора 1R2.
Аналогичным образом в моменты t2, t3, t4 кратковременными перепадами напряжений Uвх.1U2, Uвх.1U3, Uвх.1U1 c высокого на низкий логический уровень, поступающими на входы одновибраторов 1U2, 1U3, 1U4c выходов соответствующих дифференцирующих цепей 1R3-1C2, 1R5-1C3, 1R7-1C4, запускаются одновибраторы 1U2, 1U3, 1U4, формирующие на своих выходах прямоугольные импульсы напряжения Uвых.1U2, Uвых.1U3, Uвых.1U4 длительностью т2, т3, т4, которые задаются угловым положением вала переменных резисторов 1R4, 1R6, 1R8 соответственно.
В момент t5 формируется спад импульса напряжения Uвых.1U4, при этом на выходе дифференцирующей цепи 1R9-1C5 образуется кратковременный перепад напряжения Uвых.1R9-1C5 с высокого на низкий логический уровень.
В моменты t1-t5, когда на выходе генератора 1G1 и на выходах соответствующих одновибраторов 1U1-1U4 присутствует напряжение низкого логического уровня, от источника напряжения питания +Uпит через резистор 1R10 и одну из цепей 1VD1-1C1 - 1VD5-1C5 протекает импульс тока, создающий падение напряжения на резисторе 1R10. В результате этого на входе одновибратора 1U5 образуется последовательность коротких импульсов - перепадов напряжения Uвx.1U5 с высокого на низкий логический уровень. Каждый из этих импульсов запускает одновибратор 1U5, в результате чего в моменты t1-t5 на его выходе формируются прямоугольные импульсы напряжения Uвых.1U5 фиксированной длительности т0 - синхроимпульсы канальной посылки пропорциональных команд, при этом временные интервалы т1, т2, т3, т4 между синхроимпульсами канальной посылки содержат информацию о величине команды в соответствующем канале.
Далее процесс формирования синхроимпульсов канальных посылок пропорциональных команд повторяется с периодом T, а интервал тсп между канальными посылками образует синхропаузу. С выхода шифратора пропорциональных команд Al эти импульсы поступают на выход 1 шифратора пропорционально-дискретных команд, образуя импульсное напряжение Uвых.1.
В момент t1 (см. рис. 3) на вход S RS-триггера 2D1 с выхода 1 шифратора пропорционально-дискретных команд поступает первый синхроимпульс напряжения Uвых.1, в результате чего на выходе триггера 2D1 появляется напряжение Uвых.2D1 высокого логического уровня, которое поступает на вход формирователя коротких импульсов 2U2. В момент t1 на выходе формирователя коротких импульсов 2U2 формируется кратковременный перепад напряжения Uвых.2U2 с низкого на высокий логический уровень. Этот перепад напряжения поступает на вход R сдвигового регистра 2D2 и устанавливает во всех его разрядах напряжение низкого логического уровня.
На тактовый вход C сдвигового регистра 2D2 с выхода инвертора 2U1 поступает последовательность прямоугольных импульсов напряжения Uвых.2U1, представляющая собой инверсию импульсов напряжения Uвых.1. Поскольку на информационный вход D сдвигового регистра 2D2 с выхода функционального узла 2G1 подано напряжение высокого логического уровня, сдвиговый регистр 2D2 с приходом каждого импульса напряжения Uвых.2U1 осуществляет сдвиг напряжения высокого логического уровня от младшего к старшему разряду.
В момент t6 формируется спад последнего синхроимпульса канальной посылки пропорциональных команд, в результате чего на выходе инвертора 2U1 появляется импульс напряжения Uвых.2U1 высокого логического уровня, при этом на выходе старшего разряда сдвигового регистра 2D2 появляется напряжение ивых.т2 высокого логического уровня, которое поступает на вход формирователя коротких импульсов 2U3. В момент t6 на выходе формирователя коротких импульсов 2U3 появляется кратковременный перепад напряжения Uвых.2U3 с низкого на высокий логический уровень. Этот перепад напряжения поступает на вход R RS-триггера 2D1, вследствие чего на его выходе формируется напряжение Uвых.2D1 низкого логического уровня.
В момент t10 на вход узла выделения синхропаузы A2 поступает последовательность синхроимпульсов напряжения Uвых.1 следующей канальной посылки пропорциональных команд, в результате чего вышеописанные процессы вновь повторяются, при этом на интервале времени от t6 до t10 на выходе узла выделения синхропаузы A2 формируется прямоугольный импульс напряжения Uвых.2D2, длительность которого равна длительности синхропаузы тсп канальных посылок пропорциональных команд. Далее процесс выделения синхропаузы канальных посылок пропорциональных команд повторяется с периодом T.
С выхода узла выделения синхропаузы A2 последовательность прямоугольных импульсов напряжения Uвых.2D2 поступает на вход шифратора дискретных команд A3. Инвертор 3U2 формирует из этих импульсов противофазную последовательность прямоугольных импульсов напряжения Uвых.3U2, которая подаётся на вход формирователя коротких импульсов 3U4.
В момент t6 на выходе формирователя коротких импульсов 3U4 появляется кратковременный перепад напряжения Uвых.3U4 с высокого на низкий логический уровень, который поступает на вход одновибратора 3U6. Этот перепад напряжения запускает одновибратор 3U6, в результате чего на интервале времени от t6 до t7 на выходе одновибратора 3U6 формируется прямоугольный импульс напряжения Uвых.3U6 фиксированной длительности т5, который предназначен для создания защитного временного интервала между канальными посылками пропорциональных и дискретных команд.
Импульс напряжения Uвых.3U6 поступает на вход формирователя коротких импульсов 3U1. В момент t7 на выходе формирователя коротких импульсов 3U1 появляется кратковременный перепад напряжения Uвых.3U1 с высокого на низкий логический уровень, который поступает на вход одновибратора 3U3 и запускает его, в результате чего на интервале времени от t7 до t8 на выходе одновибратора 3U3 формируется прямоугольный импульс напряжения Uвых.3U3 фиксированной длительности т6, который поступает на вход формирователя коротких импульсов 3U5.
В момент t8 на выходе формирователя коротких импульсов 3U5 появляется кратковременный перепад напряжения Uвых.3U5 с высокого на низкий логический уровень, который поступает на вход одновибратора 3U7. Этот перепад напряжения запускает одновибратор 3U7, в результате чего на интервале времени от t8 до t9 на выходе одновибратора 3U7 формируется прямоугольный импульс напряжения Uвых.3U7 фиксированной длительности т7.
При замкнутых контактах нажатой командной кнопки 3SB1 и разомкнутых контактах отжатых командных кнопок 3SB2, 3SB3 на вход 1 генератора прямоугольных импульсов 3G1 с выхода одновибратора 3U3 поступает напряжение Uвых.3U3 высокого логического уровня, при этом генератор 3G1 на интервале времени от t7 до t8 формирует на своём выходе пачку прямоугольных импульсов напряжения Uвых.3G1 частотой F1 и длительностью т6.
При замкнутых контактах нажатой командной кнопки 3SB2 и разомкнутых контактах отжатых командных кнопок 3SB1, 3SB3 на вход 2 генератора прямоугольных импульсов 3G1 с выхода одновибратора 3U7 поступает импульс напряжения Uвых.3U7 высокого логического уровня, при этом генератор 3G1 на интервале времени от t8 до t9 формирует на своём выходе пачку прямоугольных импульсов напряжения Uвых.3G1 частотой F2 и длительностью т7.
Продоление следует
Автор: О. Ильин, г. Казань
