После публикации статьи [1] от читателей поступила просьба предусмотреть в таймере измерение метеопараметров подобно тому, как это сделано в приборе того же автора, описанном в статье [2]. О такой доработке, выполненной им, и рассказывает предлагаемая статья.
Чтобы измерять метеопараметры, к микроконтроллеру прибора, описанного в [1], необходимо подключить соответствующие датчики и модифицировать его программное обеспечение. Как и в статье [2], для измерения температуры выбраны цифровые датчики DS18B20, а атмосферного давления - BMP180. Устройство получилось весьма универсальным, к нему можно подключить один датчик давления и до шестнадцати датчиков температуры.
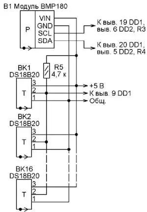
Принципиальная схема подключения датчиков приведена на рис. 1. Точки их соединения с прибором указаны согласно его схеме, изображённой на рис. 1 в [1]. Модифицированная программа микроконтроллера обеспечивает возможность прибора работать не только с подключёнными датчиками, но и в их отсутствие без каких-либо доработок и перенастройки.

Рис. 1. Принципиальная схема подключения датчиков
Ввиду чрезвычайно малых размеров датчика давления BMP180 использован изображённый на рис. 2 готовый модуль GY-68, в котором установлены этот датчик и стабилизатор напряжения питания для него. Модуль желательно расположить внутри устройства, приклеив или привинтив его к корпусулибо укрепив на свободном месте основной платы, соединив его с ней отрезками монтажного провода. Датчики температуры подключают через не показанный на схеме разъём. Резистор R5 лучше смонтировать непосредственно на контактах этого разъёма, соединение которого с основной платой выполнить проводом МГТФ-0,12.

Рис. 2. Модуль GY-68
После доработки прибора необходимо загрузить в память микроконтроллера DD1 новую программу, установив его конфигурацию такой же, какв [1]. Позавершении программирования устройство начинает работать без какой-либо дополнительной настройки и регулировки.
Наличие подключённого датчика давления программа проверяет при каждом обращении к нему. Поэтому в случае "горячего" подключения информация о давлении появится в первом же после этого цикле измерения.
Проверку наличия датчиков температуры программа выполняет лишь один раз при включении устройства. Поэтому после "горячего" подключения новых датчиков их информация останется недоступной до установки микроконтроллера в исходное состояние, например, выключением и повторным включением питания. Однако при "горячем" отключении и повторном подключении одного и того же датчика температуры информация от него будет получена в ближайшем цикле измерения приблизительно через секунду.
При отключённом датчике на табло перестаёт отображаться соответствующий параметр. А из WEB-интерфейса (рис. 3) при очередном обновлении страницы исключается строка с параметром, который измерял отключённый датчик. С подключением датчика обратно всё возобновляется.

Рис. 3. WEB-интерфейс
Необходимо отметить, что на табло индикатора выведена информация только от первого датчика температуры, а в WEB-интерфейсе - от всех. На странице настроек (рис. 4) дополнительно имеется подробная информация о каждом датчике температуры - его порядковый номер, уникальный номер, хранящийся в его ПЗУ, измеренная температура и код ошибки. Коды ошибок расшифрованы в файле ds18х20.h, код 0 соответствует отсутствию ошибок.

Рис. 4. Страница настроек
Установка времени, параметров TCP/IP, яркости индикатора, периода смены показаний и установка таймера возможны только через WEB-интерфейс, так как установка всего этого кнопками признана слишком трудоёмкой, а в WEB-интерфейсе она интуитивно понятна.
Переработанная программа микроконтроллера находится здесь.
Литература
1. Гнитиёв В. Недельный восьмиканальный таймер с WEB-интерфейсом. - Радио, 2016, №6, с. 42-44.
2. Гнитиёв В. Часы с измерением метеопараметров и интерфейсом Ethernet. - Радио, 2015, № 1, с. 37-39; № 2, с. 33-37.
Автор: В. Гнитев, г. Железногорск Красноярского края
