Асинхронный двигатель (машина) – это электрический двигатель, частота вращения которого не совпадает с частотой тока (ЭДС), прикладываемого к статору.

Рис. 1. Асинхронный двигатель
К преимуществам таких двигателей можно отнести их низкую стоимость, простоту изготовления и эксплуатации, а также возможность прямого включения (без регулирования или преобразования питающего тока). Есть у них и недостатки: высокие требования к пусковому току, сложная регулировка оборотов, низкий коэффициент мощности и др.
Здесь стоит отметить, что асинхронные двигатели рассчитаны на работу только с трехфазным напряжением, только в этом случае не требуются никакие преобразователи.
Однако, в быту часто требуется запитать асинхронный двигатель от обычной сети переменного тока с одной фазой, и именно здесь кроется основная проблема.
Необходимость использования частотного преобразователя
Есть несколько способов управления асинхронным двигателем, и один из них – регулировка частоты.
Изменяя частоту питающего тока, вы меняете частоту вращения двигателя, можете запустить его или наоборот – остановить.
В качестве преобразователя напряжения наибольшее распространение нашли инверторные схемы. Они обеспечивают широкий диапазон регулировки частот, обладают высоким КПД и другими отличными техническими характеристиками.
Схему работы инверторов можно изобразить следующим образом.

Рис. 2. Схема работы инверторов
Однофазное переменное напряжение преобразуется в постоянное, подается в блок с импульсным инвертором, который формирует три независимых переменных напряжения (одинакового уровня, но со смещенной фазой) - ключа.
Схема инверторного преобразователя для асинхронного двигателя
Преобразователи можно приобрести в готовом виде, а можно изготовить своими руками.
Сложность проектирования и создания таких схем заключается в логике их работы. В настоящее время с приходом программируемых контроллеров Arduino и т.п. имеется возможность создавать сложные схемы с широким диапазоном регулировки частот всех трех питающих напряжений. Однако, для начала рассмотрим простые варианты.
Двигатель ДИД-0.5ТА (напряжение питания около 27 В, частота вращения – до 400 Гц) имеет небольшую мощность и широко применяется в системах автоматики. Чтобы привести его в движение и отрегулировать частоту вращения вала можно использовать следующую схему.

Рис. 3. Схема двигателя
По сути она представляет собой три разделенных генератора частоты (ключа) на базе логических элементов.
За регулировку отвечает резистор R2. Такая схема не подойдет для запуска асинхронных двигателей, работающих от трехфазного напряжения 380 В.
Для этих целей можно использовать адаптированную схему.

Рис. 4. Адаптированная схема
Здесь блоки выходных ключей A2 и А3 изображены схематично, так как полностью дублируют блок А1.
Программировать здесь ничего не нужно.
Более сложные реализации
Многие производители предлагают специальные контроллеры, на базе которых управление асинхронными двигателями существенно упрощается.
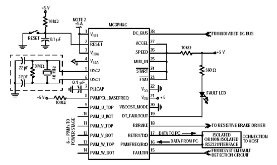
Один из таких вариантов – контроллер MC3PHAC.
Рекомендуемая производителем схема подключения.

Рис. 5. Схема подключения
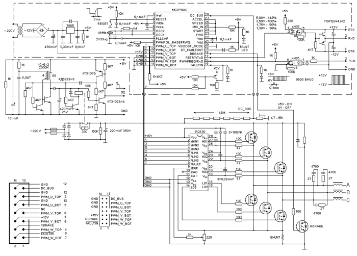
Реализация платы частотного преобразователя может быть, например, такой.
Рис. 6. Реализация платы частотного преобразователя
Обмен данными по последовательному интерфейсу RS232 с персональным компьютером не обязателен. Схема может работать автономно.
Управляющие сигналы и процедуры инициализации можно уточнить в даташите производителя.
Еще один вариант с готовой прошивкой для микроконтроллера
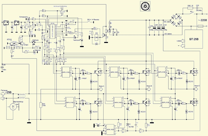
Схема использовалась для питания трехфазного двигателя на пилораме (наверное, самый популярный способ использования трехфазных двигателей).
Рис. 7. Схема для питания трехфазного двигателя
Блок питания к ней.

Рис. 8. Схема блока питания
Вариант печатной платы.

Рис. 9. Печатная плата
Частота может регулироваться в диапазоне 2,5-50 Гц с шагом 1,25. ШИМ – 1700 – 3300 Гц. Мощность двигателя – не более 4 кВт.
После одиночного короткого нажатия на кнопку "пуск" подается пусковая частота – 10 Гц. А удерживание инициирует дальнейший разгон до 50 Гц (в течении приблизительно 2 секунд).
Прошивка для контроллера PIC16F628(A) здесь.
Автор: RadioRadar


