При проведении ремонтно-строительных работ в бытовых и в производственных помещениях часто требуется определить скрыто проложенные в стенах кабели или металлические трубы. Промышленные приборы, позволяющие это сделать, достаточно дороги и недоступны рядовому потребителю. В Интернете можно найти множество схем искателей скрытой проводки, принцип работы большинства которых основан на обнаружении наводки с помощью ёмкостного датчика (приёмной антенны), нагруженного на усилитель с большим входным сопротивлением. Из-за наличия небольшой проводимости бетонных стен и растекания зарядов по их поверхности точно локализовать место расположения проводника внутри стены бывает затруднительно. В дорогих промышленных приборах используется принцип обнаружения по электромагнитному полю, который позволяет более точно определить скрытые проводники в любых стенах (кроме сплошных стальных) и на большой глубине.
Принцип работы искателя основан на обнаружении электромагнитного поля вокруг проводника с током, что позволяет определить его месторасположение с точностью до 5 мм на небольшой глубине или с меньшей точностью на большей глубине. Он содержит генератор сигнала прерывистой частоты 2,5 кГц и приёмник с датчиком электромагнитного поля. Для поиска скрыто проложенной проводки или металлических труб, арматуры и т. д. необходимо иметь доступ к их концам. Сигнальный выход генератора подключают к одному из проводников кабеля или арматуры, а общий провод - отдельным проводником, проложенным в стороне, к дальнему концу. Приёмником производят поиск по появлению в головных телефонах прерывистого звукового сигнала частотой 2,5 кГц. Регулируя чувствительность (усиление) приёмника, добиваются точной локализации проводника.

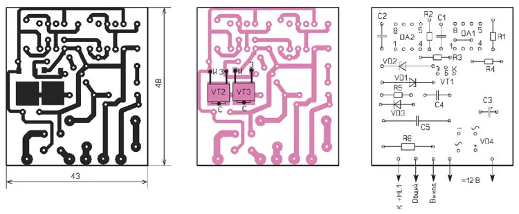
Рис. 1. Схема генератора искателя скрытой проводки
На рис. 1 показана схема генератора искателя скрытой проводки. Для формирования необходимого сигнала используются таймеры DA1 и DA2. На первом из них собран генератор прямоугольных импульсов с частотой следования 2,5 Гц. На втором таймере собран генератор импульсов с частотой 2,5 кГц. Сигнал первого генератора модулирует сигнал второго, так формируется прерывистый сигнал звуковой частоты, который усиливается транзисторами VT1-VT3. Элементы VD1, VD2, C5 предназначены для защиты элементов генератора при случайном попадании на выход сетевого напряжения. Если такая ситуация, в принципе, невозможна, эти элементы можно исключить. Светодиод HL1 предназначен для индикации нормальной работы генератора.
Питание генератора осуществляется от любого подходящего источника питания с выходным постоянным напряжением 12 В и током до 1 А, например, сетевого адаптера или аккумуляторной батареи. Можно применить сетевой адаптер с выходным переменным напряжением 9 В и током до 1 А.

Рис. 2. Чертёж печатной платы и схема размещения элементов генератора
Чертёж печатной платы и схема размещения элементов генератора показаны на рис. 2. Плата изготовлена из одностороннего фольгированного стеклотекстолита толщиной 1...1,5 мм. Можно применить таймеры КР1006ВИ1, транзистор VT1 - любой маломощный, например, серий КТ3102, КТ315 (цоколёвка другая). Полевые транзисторы VT2, VT3 использованы от неисправной материнской платы компьютера. Резисторы - МЛТ, С2-3, оксидный конденсатор - К50-35, конденсатор С5 - серии К73-17, остальные - К10-17. Светодиод может быть любого свечения, диод VD3 - любой маломощный импульсный или выпрямительный, стабилитроны - на напряжение 12...15 В. В качестве корпуса использована пластмассовая коробка размерами 55x50x25 мм.

Рис. 3. Схема приёмника электромагнитного поля
Схема приёмника электромагнитного поля показана на рис. 3. В качестве датчика электромагнитного поля L1 используется герконовое реле РГК15, точнее его обмотка, которая не имеет стального экрана. Здесь подойдёт реле с обмоткой на номинальное напряжение 24 В или 27 В (измеренное сопротивление обмотки - 2520 Ом, индуктивность - 760 мГн). Конденсатор C1 предназначен для настройки этой катушки в резонанс на частоте 2,5 кГц. Усилитель сигнала выполнен на ОУ DA1.1, чувствительность (усиление) которого можно регулировать с помощью переменного резистора R1. Усиленный сигнал поступает на узкополосный полосовой фильтр на ОУ DA1.2, имеющий центральную полосу пропускания 2,5 кГц. С выхода фильтра сигнал поступает на усилитель для головных телефонов (наушников). Транзистор VT3 предназначен для автоматического включения приёмника при подключении головных телефонов. Когда они подключены, постоянный ток через резистор R14 поступает в базу транзистора VT3, он открывается и подаёт питающее напряжение на остальные узлы приёмника. Питается приёмник от батареи 6F22 "Крона" напряжением 9 В, потребляемый ток в режиме поиска не превышает 3 мА.

Рис. 4. Чертёж печатной платы приёмника и размещение элементов на ней

Рис. 5.

Рис. 6.
Чертёж печатной платы приёмника показан на рис. 4. Можно применить подходящие маломощные сдвоенные ОУ общего назначения с малым потребляемым током, например серии КР1446УД11. Постоянные резисторы - МЛТ, С2-23, переменный - СП3-16Б или СПО-0,15, оксидные конденсаторы - К50-35 или импортные, остальные - К10-17. Светодиод может быть любого цвета свечения, гнездо XS1 - аудиостереоразъём ST-214N или аналогичный. В качестве датчика электромагнитного поля можно использовать подходящие катушки от других малогабаритных реле с незамкнутым магнитопроводом, имеющих большую индуктивность. В этом случае требуется подобрать ёмкость конденсатора C1, чтобы колебательный контур L1C1 имел резонанс на частоте 2,5 кГц.
В авторском варианте плата приёмника и батарея питания размещены в корпусе от старого пульта телевизора. При поиске скрытого проводника корпус располагают продольно по направлению трассы. Наиболее сильный сигнал прослушивается при расположении проводника перпендикулярно оси и по центру приёмной катушки, поэтому на корпусе можно сделать соответствующую риску. Очень важно общий провод от генератора к дальнему концу проводника разместить в стороне от места поиска, так как при близком их расположении полезный сигнал может быть потерян из-за компенсации взаимно противоположных полей. Не допускается подключать генератор к двум жилам определяемого кабеля с соединением их на дальнем конце, поскольку полезного сигнала практически не будет. При наличии заземлённых металлоконструкций и длинной поисковой трассе жилу на дальнем конце и общий провод генератора соединяют с контуром заземления. При обрыве контролируемого проводника или недоступности дальнего конца общий провод генератора подключают к заземлению, а на приёмнике устанавливают высокую чувствительность. Катушка приёмника при этом начинает работать как антенна для ёмкостной наводки, и проводник может быть обнаружен, правда, с гораздо меньшей точностью расположения. Прослушивание звукового сигнала при поиске производится посредством накладных или внутриканальных проводных наушников от мобильного телефона, подключаемых к гнезду XS1.
Чертежи печатных плат устройства находятся здесь.
Автор: В. Кравцов, г. Новороссийск Краснодарского края
