Если к одному спутниковому ресиверу (видеомагнитофону или DVD-проигрывателю) подключено несколько телевизоров, размещенных в разных комнатах, то возникает проблема управления, поскольку применение ИК ПДУ возможно только в комнате, где установлен этот аппарат. В этой ситуации поможет "радиоудлинитель ".
В большинстве случаев вся информация о режиме работы спутникового тюнера, видеомагнитофона или DVD-плейера выводится на экран телевизора, поэтому для того, чтобы управлять ими из удаленного помещения на расстоянии нескольких десятков метров, можно использовать "радиоудлинитель". Для его построения использованы схемотехнические решения, примененные в радиочастотных модулях радиоприемника и радиопередатчика, описание которых можно найти в журнале Радио (С. Петрусь. Радиочастотные модули. - Радио, 2007, № 2, с. 46, 47).

Рис. 1
Устройство состоит из двух узлов: первый - это приемник ИК сигналов с радиопередатчиком, преобразующий сигналы ИК ПДУ в радиосигнал, и второй - приемник радиосигнала с ИК излучателем, который осуществляет обратное преобразование. Первый узел устанавливают рядом с телевизором, а второй - рядом с управляемым аппаратом.
Схема первого узла показана на рис. 1. Приемник ИК сигналов собран на специализированном модуле TSOP1736 (В1), на его выходе формируются прямоугольные импульсы с логическими уровнями, по длительности соответствующие принимаемым пачкам импульсов ИК излучения от ПДУ. Эти импульсы поступают на базу транзистора VT1, который работает в ключевом режиме и управляет работой задающего генератора на транзисторе VT2 и выходного каскада на транзисторе VT3.
Задающий генератор собран по схеме емкостной трехточки, его частота (433,92 МГц) стабилизирована ПАВ-ре-зонатором ZQ1.

Рис. 2
При нажатии на кнопки ИК ПДУ сигналы принимаются модулем В1 и на его выходе появляются сигналы прямоугольной формы. При низком уровне на выходе модуля В1 транзистор VT1 откроется и импульс открывающего напряжения через ФНЧ R2C2R5 поступает на базу транзистора VT2 - задающий генератор начнет работать. Одновременно этот импульс через диод VD1 и ФНЧ R4C3R6 поступает на базу транзистора VT3, и ток коллектора возрастет, что увеличивает его коэффициент усиления. Усиленный сигнал через согласующий контур C8L3C10 поступает в антенну. При высоком уровне на выходе модуля В1 транзисторы VT1, VT2 закрываются, задающий генератор прекращает работу и ВЧ сигнал в антенну не поступает. Так формируется импульсный ВЧ сигнал, который по временным параметрам аналогичен пачкам импульсов, излучаемых И К ПДУ. Через резисторы R3, R4, R6 напряжение смещения поступает на базу транзистора VT3, и он постоянно находится в открытом состоянии при токе коллектора 7... 10 мА, это уменьшает искажения усиливаемого сигнала. Напряжение питания всех каскадов стабилизировано интегральным стабилизатором напряжения на микросхеме DA1.
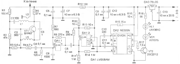
Схема второго узла показана на рис. 2. Он состоит из сверхрегенеративного каскада на транзисторе VT1, усилителя на ОУ DA1.1, компаратора на ОУ DA1.2, генератора прямоугольных импульсов на микросхеме DA2 и ключевого каскада на транзисторе VT2. Связь сверхрегенеративного каскада с антенной - индуктивная. Принятый и продетектирован-ный импульсный сигнал с эмиттера транзистора VT1 через ФНЧ R4C6 поступает на вход усилителя и после усиления - на вход компаратора. Выходной сигнал компаратора управляет работой генератора импульсов. Напряжение питания стабилизировано стабилизатором напряжения DA3.

Рис. 3
Когда на вход сверхрегенеративного каскада поступит сигнал передатчика, на выходе компаратора появится высокий уровень и генератор импульсов на микросхеме начнет работать. Импульсы с частотой следования около 36 кГц через резистор R17 поступают на базу транзистора VT2, импульсный ток протекает через излучающий диод ИК диапазона VD1 и светодиод HL1, который светит. Если на входе сверхрегенеративного каскада сигнала нет, на выходе компаратора низкий уровень, генератор импульсов не работает и транзистор VT2 закрыт. Так формируются импульсы ИК излучения, по своей структуре аналогичные импульсам ИК ПДУ. Они поступают на ИК приемник управляемой аппаратуры (тюнер, видеомагнитофон и т. д.).
В устройстве применены в основном детали для поверхностного монтажа: резисторы Р1-12 типоразмера 0805 или 1206, конденсаторы - К10-17в или аналогичные импортные. Все катушки бескаркасные и намотаны на оправке диаметром 3 мм. В радиопередатчике они содержат по 5 витков провода ПЭВ-2 0,35, причем L1 и L2 намотаны виток к витку, a L3 - с шагом 0,7... 1 мм. В сверхрегенеративном каскаде катушки L1, L2 намотаны проводом ПЭВ-2 0,67 и содержат 10 и 2,5 витка соответственно, на плате их размещают вплотную друг к другу, катушка L3 намотана проводом ПЭВ-2 0,2, содержит 30 витков и для прочности залита небольшим количеством термоклея. Антенной служит отрезок провода ПЭВ-2 0,67 длиной около 16 см.
Все детали монтируют с одной стороны печатных плат из двух сторонне фольгированного стеклотекстолита толщиной 1 мм. Чертеж платы ИК приемника с радиопередатчиком показан на рис. 3, а платы радиоприемника с И К излучателем - на рис. 4. Фольга с одной стороны оставлена полностью (кроме площадок вокруг отверстий для выводов ИК модуля TSOP1736, микросхем 78L05, NE555N, транзистора 2SC2712) и используется в качестве общего провода. Через остальные отверстия металлизированные поверхности сторон соединены отрезками луженого провода. Платы помещают в корпусы подходящего размера, в которых делают отверстия для ИК модуля, излучающего диода и антенн. Для питания узлов можно применить сетевые блоки питания с выходным напряжением 7...9 В и током до 100 мА.
Налаживание узла передатчика с ИК приемником заключается в настройке антенного контура путем сжатия или растяжения витков катушки L3 по максимуму излучаемого сигнала. Его можно контролировать с помощью простейшего индикатора напряженности поля или применить узел радиоприемника, удалив его на некоторое расстояние. В процессе налаживания ИК модуль нужно облучать импульсами от ПДУ.

Рис. 4
Настройка узла радиоприемника с ИК излучателем на частоту передатчика производится сжатием или раздвиганием витков контурной катушки L1 до получения максимальной чувствительности. В процессе настройки принимаемый сигнал удобно контролировать на выходе ОУ DA1.1, подключив к нему УЗЧ с наушниками или громкоговорителем. Если наблюдается свечение контрольного светодиода HL1 после прекращения работы радиопередатчика, следует подобрать резистор R11 так, чтобы светодиод погасал сразу же по окончании работы радиопередатчика.
Для управления одним аппаратом из нескольких комнат в каждой из них следует установить узел ИК приемника с радиопередатчиком или сделать такой узел мобильным и носить его с собой. Причем располагают его в пределах действия ИК ПДУ. Радиоприемник с ИК излучателем помещают рядом с управляемым аппаратом так, чтобы излучающий диод ИК диапазона "облучал" переднюю панель этого аппарата.
Автор: С. Петрусь, г. Кременчуг, Украина
