Практически все электро- и электронные приборы, питающиеся от электросети напряжением 230 В, оснащают световыми индикаторами включённого состояния. Нередки случаи, когда оставленные без присмотра включённые электроприборы становились причиной пожара. Наличие световых индикаторов включения позволяет контролировать их состояние и в большинстве случаев предотвратить неприятные последствия забывчивости. Тем не менее есть целый класс электронагревательных приборов, которые такими индикаторами не оснащаются. Это - один из основных инструментов радиолюбителя - электропаяльники. В предлагаемой вниманию читателей статье автор рассказывает, как самому встроить световой индикатор включённого состояния в паяльники, рассчитанные на питание напряжением от нескольких единиц до 230 В.
При сборке электронных конструкций или демонтаже радиодеталей с печатных плат иногда приходится пользоваться несколькими электропаяльниками разной мощности, поддерживая одни из них включёнными постоянно, другие включать время от времени по необходимости. Чтобы в каждый момент знать, в каком состоянии находится тот или иной паяльник, их можно оснастить несложными световыми индикаторами.
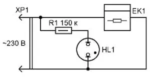
Основная проблема при этом состоит в том, куда поместить индикатор. На рис. 1 показана схема индикатора, в котором применена лампа тлеющего разряда. Это устройство предназначено для электропаяльников, работающих от сети переменного тока напряжением 230 В. Индикаторная лампа HL1 и токоограничивающий резистор R1 установ-лены внутри корпуса разборной ручки "китайского" паяльника мощностью 40 Вт (реальная - 30 Вт), совмещённого с вакуумным отсосом припоя (рис. 2). Лампа HL1 - миниатюрная (диаметром 3 и длиной 8 мм) газоразрядная, применяемая в импортных рокерных (клавишных) выключателях (напряжение - около 60 В, цвет свечения - оранжевый). На её стеклянный баллон надет и приклеен цианакрилатным клеем резиновый оранжевый светофильтр от ламп накаливания 12 В 40 мА, применявшихся в импортных автомагнитолах. Лампа со светофильтром частично выведена наружу, для чего в корпусе ручки просверлено отверстие диаметром 4,5 мм. Внутри ручки лампа и резистор приклеены сначала цианакрилатным клеем, затем, через несколько часов, синтетическим клеем "Квинтол-люкс". Свечение этой лампы хорошо заметно даже на фоне очень яркого освещения рабочего места.

Рис. 1. Схема индикатора, в котором применена лампа тлеющего разряда

Рис. 2. Индикаторная лампа HL1 и токоограничивающий резистор R1
На рис. 3 показана схема индикатора для электропаяльников с рабочим напряжением 36, 40 или 42 В. Функцию собственно индикатора выполняет малогабаритная (длина без латунных контактов - 32 мм) сигнальная лампа накаливания на номинальное напряжение 60 В и ток 50 мА. Такую лампу затруднительно смонтировать в ручке электропаяльника, поэтому она помещена в отрезок полупрозрачного пластмассового корпуса от фломастера, надетый на шнур питания в нескольких сантиметрах от ручки паяльника (рис. 4). Вместо указанной лампы можно использовать любую другую с близкими значениями рабочих напряжения и тока (например, 48 В и 60 мА). Особенность такого индикатора в том, что его свечение хорошо видно с любого угла обзора.

Рис. 3. Схема индикатора для электропаяльников с рабочим напряжением 36, 40 или 42 В

Рис. 4. Сигнальная лампа накаливания на номинальное напряжение 60 В и ток 50 мА
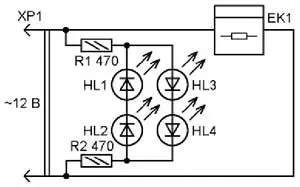
На рис. 5 показана схема светодиодного индикатора, рассчитанного на рабочее напряжение 12 В. Устройство может работать при питании паяльника напряжением как постоянного, так и переменного тока. Светодиоды HL1 - HL4 - SMD-исполнения, зелёного цвета свечения, включены попарно встречно-параллельно. Вместе с токоограничивающими резисторами R1 и R2 они смонтированы на печатной плате размерами 22х3 мм (рис. 6) из двухсторонне фольгированного стеклотекстолита толщиной 1 мм (светодиоды попарно установлены на её разных сторонах). Индикатор смонтирован в отрезке длиной 29 мм прозрачного пластмассового корпуса от "школьной" шариковой авторучки диаметром 9 мм (рис. 7).

Рис. 5. Схема светодиодного индикатора

Рис. 6. Светодиоды HL1 - HL4 - SMD-исполнения на печатной плате

Рис. 7. Монтаж индикатора
Установив токоограничивающие резисторы пропорционально меньшего или большего сопротивления, такой индикатор можно применить в электропаяльниках, рассчитанных на рабочее напряжение 6 или 24 В. Для более равномерного распределения выделяющегося тепла внутри корпуса индикатора установлены два одинаковых токоограничивающих резистора вместо одного большего сопротивления.
Схема светодиодного индикатора включения паяльника, рассчитанного на работу от сети переменного тока напряжением 230 В, показана на рис. 8. Светодиоды HL1, HL2 включены встречно-параллельно, ток через них ограничивают резисторы R1, R2. Устройство смонтировано в тонкой сетевой вилке (рис. 9). Чтобы не было её заметного нагрева, применены сверхъяркие SMD-светодиоды жёлтого цвета свечения (использовались в автомобильной магнитоле для подсветки кнопок). Средний ток через светодиоды - около 640 мкА при напряжении сети 230 В. Суммарное сопротивление резисторов R1, R2 выбрано с таким расчётом, чтобы избежать повреждения их и корпуса вилки при напряжении до 420 В.

Рис. 8. Схема светодиодного индикатора включения паяльника

Рис. 9. Монтаж светодиодов HL1, HL2
Перед монтажом к светодиодам аккуратно припаяны отрезки тонкого многожильного монтажного провода в фторопластовой изоляции (без специального приспособления сделать это будет непросто). Резисторы припаяны к латунным контактам сетевой вилки, светодиоды установлены в просверленные с разных сторон вилки отверстия. Изнутри они приклеены клеем "Квинтол-люкс", снаружи - цианакри-латным или прозрачным эпоксидным клеем. Выводы резисторов с припаянными к ним проводами приклеены к корпусу вилки клеем БФ. Свечение кристаллов этих светодиодов также хорошо заметно даже при очень ярком освещении рабочего места.
На всех фотографиях индикаторы показаны в рабочем состоянии. Для фиксации положения индикаторов на шнурах питания паяльников использован белый или прозрачный этиленвини-лацетатный клей. Для изоляции соединений и дополнительной фиксации индикаторных узлов использованы термоусаживаемые трубки соответствующего диаметра. При оснащении паяльников описанными индикаторами также желательно надеть на шнур питания два-три отрезка термоусаживаемой трубки чуть большего диаметра, но не подвергать их термообработке. Это позволит при необходимости легко отремонтировать повреждённый шнур питания, что при эксплуатации электропаяльников случается нередко. В заключение следует отметить, что для сигнализации о включении паяльников вместо самодельных индикаторов можно использовать светящиеся провода с встроенной светодиодной подсветкой, если заменить ими провода питания.
Автор: А. Бутов, с. Курба Ярославской обл.
