Относительную влажность воздуха в теплице контролируют с помощью установленного в ней датчика, по показаниям которого включают и выключают подающее воду исполнительное устройство (насос или электроклапан). По принципу действия датчики влажности бывают ёмкостными и резис-тивными. Первые обладают практически линейной зависимостью влажность-ёмкость и более точны. Для вторых характерна логарифмическая зависимость электрического сопротивления от влажности. Если относительная влажность воздуха изменяется в широком интервале от 0 до 100%, предпочтительнее измерять её с помощью ёмкостного датчика. Его чувствительный элемент представляет собой многослойную структуру, образованную плоскими платиновыми обкладками и заполняющим пространство между ними термореактивным полимером [1, 2].

Рис. 1
Для использования в приборе выбран датчик 808H5V6 [3] с коэффициентом преобразования около 30 мВ на процент относительной влажности. Типовая зависимость выходного напряжения (между выводами 2 и 1 датчика) от относительной влажности окружающего воздуха при напряжении питания 3,3 В (между выводами 3 и 1) показана на рис. 1 синей линией. Там же тонкой красной линией показана для сравнения идеальная прямо пропорциональная зависимость.

Рис. 2
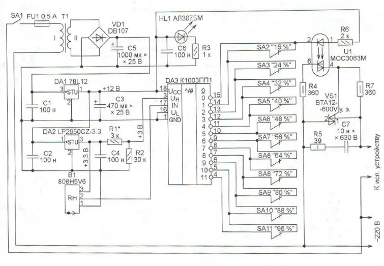
Схема автомата управления орошением изображена на рис. 2. Выходное напряжение датчика влажности В1 поступает на вход микросхемы К1003ПП1 (DA3), описание которой можно найти в [4]. Она представляет собой простой аналого-цифровой преобразователь, содержащий резистивный делитель образцового напряжения (разности потенциалов входов UH и UL) на 12 равных частей и 12 компараторов, сравнивающих напряжение, поданное на вход IN, с соответствующей долей образцового. Число сработавших компараторов и выходов микросхемы, на которых установлен низкий уровень напряжения, последовательно увеличивается по мере изменения входного напряжения от нижнего предела UL до верхнего предела Uн.
Выходы микросхемы DA3 выполнены по схеме с открытым коллектором и рассчитаны на подключение светодио-дов, образующих линейную шкалу напряжения. В описываемой конструкции эти выходы, объединённые цепочкой соединённых последовательно нормально замкнутых выключателей SA2- SA12 в "монтажный" логический элемент ИЛИ, через симисторный оптрон U1 управляют мощным симистором VS1.
Нижний предел входного напряжения микросхемы DA3 (0 В) задан соединением её входа UL с общим проводом, а верхний (3 В) - её входа UH через резистивный делитель напряжения R1R2 с выходом микросхемы DA2, стабилизирующей напряжение питания датчика В1 (3,3 В). Согласно графику на рис. 1, это соответствует интервалу измеряемой датчиком относительной влажности 0...100 %.
Уровень, на котором стабилизируется относительная влажность, задают с помощью выключателей SA2-SA11. Например, если разомкнут выключатель SA7, а остальные замкнуты, то система орошения теплицы будет выключена по достижении приблизительно 56 % относительной влажности и включена, когда влажность опустится ниже указанного значения. Мощность симистора VS1 должна быть достаточной для управления насосом или электроклапаном системы орошения.
Микросхема DA1 - стандартный линейный стабилизатор напряжения. Он использован для питания всего устройства напряжением 12 В.
Собрав прибор, необходимо, прежде всего, проверить датчик В1, поместив его в среду с относительной влажностью около 100 %, например, завернув во влажную ткань. Выходное напряжение датчика в этих условиях должно быть около 3 В. Затем подборкой резистора R1 устанавливают на выводе 3 (входе UH) микросхемы DA3 точно такое же напряжение. На этом налаживание завершается.
ЛИТЕРАТУРА
1. Берлинер М. А. Измерения влажности. - М.: Энергия, 1973.
2. Виглеб Г. Датчики: Пер. с нем. - М.: Мир, 1989.
3. 808H5V6 Humidity Transmitter. - http://www.sensorelement.com/humidity/808H5V6.pdf
4. Новаченко И. В. и др. Микросхемы для бытовой радиоаппаратуры. Справочник. - М.: Радио и связь, 1989.
Автор: А. Корнев, г. Одесса, Украина
