Автор предлагает вниманию читателей несколько простых устройств выдержки времени из доступных деталей. Эти устройства - аналоговые с времязадающими RC-цепями. В них применены схемные решения, позволяющие увеличить длительность формируемых интервалов времени.
На рис. 1 представлена схема простого реле времени, собранного на микросхеме параллельного стабилизатора напряжения TL431ACLP (DA1). При нажатии на кнопку SB1 на управляющий вход стабилизатора DA1 через резисторы R1 и R3 поступает напряжение, близкое к напряжению питания, вследствие чего стабилизатор замыкает цепь обмотки реле K1. Контакты K1.1 срабо-
тавшего реле блокируют кнопку, которую теперь можно отпустить. Они же отключают резистор R1 от времязадающего конденсатора C1, который начинает заряжаться током, текущим через времязадающий резистор R2. Контакты реле K1.2 включают исполнительное устройство или выключают его.
По мере зарядки конденсатора напряжение на управляющем входе микросхемы DA1 относительно её анода уменьшается. Как только оно опустится ниже 2,5 В, ток через обмотку реле K1 уменьшится настолько, что реле отпустит якорь, возвратив исполнительное устройство в исходное состояние. Резистор R1 вновь будет подключён параллельно конденсатору C1 и разрядит его. Теперь можно ещё раз нажимать на кнопку SB1.
С элементами, типы и номиналы которых указаны на рис. 1, получена выдержка около 45 мин. Её можно изменить, подбирая конденсатор C1 и резистор R2. Но увеличивать сопротивление этого резистора не рекомендуется, так как при этом возрастает доля нестабильного тока управляющего входа микросхемы DA1 в токе зарядки конденсатора C1. Соответственно растёт нестабильность выдержки.

Рис. 1. Схема простого реле времени
Можно увеличить сопротивление резистора R2, одновременно повысив напряжение питания устройства вплоть до 30 В - максимального для микросхемы серии TL431. При этом и конденсатор C1 следует выбирать с номинальным напряжением, не меньшим напряжения питания. В качестве K1 нужно применить реле с рабочим напряжением обмотки, равным напряжению питания, либо включить последовательно с обмоткой реле, рассчитанной на меньшее напряжение, гасящий избыток напряжения стабилитрон. Ток обмотки реле не должен превышать 100 мА, допустимых для микросхемы серии TL431.
На рис. 2 показана ещё одна схема реле задержки включения или выключения исполнительного устройства, построенная на той же микросхеме. После перевода выключателя SA1 в положение "Включено" (верхняя по схеме группа его контактов замкнута, а нижняя разомкнута) начинается зарядка конденсатора C1 через резистор R2. Когда напряжение на конденсаторе превысит сумму напряжения стабилизации стабилитрона VD2 (5,6 В), порогового напряжения стабилизатора DA1 (2,5 В) и падения напряжения на резисторе R3 и диоде VD1, микросхема DA1 замкнёт цепь обмотки реле K1. Сработавшее реле изменит состояние исполнительного устройства. В этом состоянии устройство останется до тех пор, пока выключатель SA1 не будет возвращён в исходное выключенное состояние. При показанных на рис. 2 типах и номиналах элементов получена выдержка около одного часа.

Рис. 2. Схема реле задержки включения или выключения исполнительного устройства
В качестве пороговых элементов в подобных устройствах можно использовать не микросхему серии TL431, а полевой транзистор с изолированным затвором. Такие транзисторы имеют, как известно, предельно малый ток затвора. Это позволяет значительно увеличить выдержку, применяя времязадающие резисторы сопротивлением до нескольких мегаом и даже их десятков.
К тому же применение, например, полевого транзистора 2N7000 позволяет повысить напряжение питания до 60 В и использовать при необходимости электромагнитное реле с рабочим током обмотки до 250 мА. Но следует принять меры, чтобы напряжение между затвором и истоком транзистора не выходило из допустимого интервала от -20 В до +20 В.
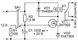
Пример схемы реле задержки включения на полевом транзисторе 2N7000 показан на рис. 3. Реле K1 - импортное серии BT с обмоткой сопротивлением 62,5 Ом. При указанных на схеме номиналах элементов получена выдержка около шести часов. Большую часть интервала выдержки устройство практически не потребляет ток от источника питания. Но в последней трети этого интервала ток плавно нарастает до тока срабатывания реле K1. В этом промежутке времени транзистор VT1 находится в активном режиме и на нём рассеивается довольно значительная мощность, достигающая максимума (в рассматриваемом случае около 150 мВт) примерно в середине промежутка, а затем спадающая.

Рис. 3. Схема реле задержки включения на полевом транзисторе 2N7000
После срабатывания реле K1 ток продолжает нарастать до значения, равного разности напряжения питания устройства и напряжения стабилизации стабилитрона, делённой на сопротивление обмотки реле. Достигнув его, он остаётся таким до выключения реле времени выключателем SA1.
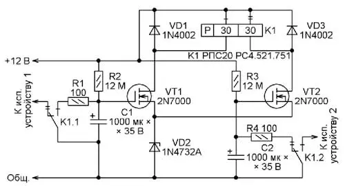
В устройстве, схема которого изображена на рис. 4, использована та же идея, что и в предыдущем, но для уменьшения тока, потребляемого после срабатывания, применено поляризованное реле с двумя устойчивыми состояниями РПС20 исполнения РС4.521.751. Оно имеет две группы контактов на переключение.

Рис. 4. Схема реле
После нажатия на кнопку SB1 напряжение, поступающее через резистор R1 и делитель напряжения R2R3 на затвор полевого транзистора VT1, открывает этот транзистор. Напряжение, поданное на левую по схеме обмотку реле K1, переводит его подвижные контакты в нижнее по схеме положение, чем блокирует кнопку SB1 и разрешает зарядку конденсаторов C1 и C2.
Спустя некоторое время, требующееся для зарядки конденсатора C1, транзистор VT1 будет закрыт, а ток через левую обмотку реле прекратится, что не изменит состояние его контактов. После зарядки конденсатора C2 и достижения током стока транзистора VT2 значения, достаточного для перевода правой обмоткой реле его контактов в исходное (верхнее по схеме) положение, к времязадающим конденсаторам будут подключены разрядные резисторы R1 и R5, а питание от устройства будет отключено. Теперь оно не потребляет тока и после разрядки конденсаторов готово к следующему нажатию на кнопку SB1.
Очевидно, предельная выдержка времени устройствами, собранными по схемам, изображённым на рис. 3 и рис. 4, одинакова. Резисторы R2 и R3 в последнем выбирают такими, чтобы напряжение затвор-исток транзистора VT1 не превысило допустимого. Поскольку большая выдержка от узла на этом транзисторе не требуется, он может быть и биполярным. В этом случае резисторы R2 и R3 должны обеспечить, чтобы от зарядного тока конденсатора C1 транзистор VT1 находился в режиме насыщения.
На рис. 5 представлена схема генератора импульсов большой длительности, который можно использовать для периодического включения и выключения каких-либо приборов. По существу, это два устройства по рассмотренной ранее схеме рис. 3, образующие благодаря использованию поляризованного реле с двумя устойчивыми состояниями своеобразный мультивибратор. Длительность каждого из двух повторяющихся интервалов времени можно устанавливать независимо, подбирая элементы цепей R2C1 и R3C2.

Рис. 5. Схема генератора импульсов большой длительности
Следует отметить, что все описанные устройства для получения стабильной выдержки следует питать стабилизированным напряжением. Установка в них оксидных конденсаторов равных номиналов, но выпущенных в разное время разными производителями, даёт значительный разброс значений выдержки. Заметно влияют на выдержку токи утечки времязадающих конденсаторов и изменения температуры окружающей среды. Поэтому все указанные на схемах номиналы времязадающих элементов - ориентировочные. Их придётся подбирать при налаживании устройства.
Чтобы при проверке работы описанных устройств не ждать часами их срабатывания, рекомендуется временно заменить в них времязадающие резисторы другими, имеющими сопротивление в 100...1000 раз меньше указанного на схеме или расчётного. Лишь убедившись в работе устройства и замерив даваемую им выдержку, замените временные резисторы постоянными, увеличив их сопротивление во столько раз, во сколько требуемая выдержка больше измеренной. Но учтите, что при большом сопротивлении времязадающего резистора пропорциональность выдержки его сопротивлению может быть нарушена. Причина этого - влияние тока утечки конденсатора и входного тока микросхемы или биполярного транзистора.
Чтобы не пропустить момент окончания выдержки, в процессе налаживания удобно подключить к выходу реле времени пьезоизлучатель звука со встроенным генератором. В этом случае до его сигнала можно спокойно заниматься другими делами.
Автор: М. Муратов, г. Уфа
