Известно, что для регулирования переменного напряжения при различных экспериментах необходим лабораторный автотрансформатор. Однако если его нет, можно использовать трансформатор, описанный в [1]. Для повышения оперативности и удобства работы с таким трансформатором в своё время был разработан и описан в [2] блок управления. К сожалению, он довольно сложен, поскольку построен на логических микросхемах малой и средней степени интеграции. Автор предлагает аналогичный блок управления на микроконтроллере.
Принцип работы блока остался прежним - каждому из возможных значений выходного напряжения соответствует двоичный код, коммутирующий нужным образом вторичные обмотки трансформатора. Также, как в прототипе, блок не измеряет выходное напряжение, а только показывает его расчётное значение. Благодаря микроконтроллеру удалось значительно уменьшить число деталей в блоке, что резко упростило проектирование и изготовление печатной платы, а также налаживание устройства.
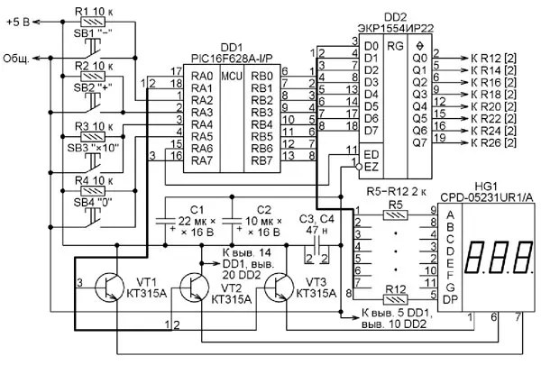
На рис. 1 представлена схема блока управления, построенного на микроконтроллере PIC16F628A-I/P (DD1) и регистре хранения ЭКР1554ИР22(РР2). Можно было бы реализовать его и на более дешёвом микроконтроллере PIC12F629 и двух сдвиговых регистрах-преобразователях последовательного кода в параллельный. Но такое устройство получилось бы менее стойким к воздействию импульсных помех, неизбежных при коммутации обладающих большой индуктивностью обмоток электромагнитных реле и трансформатора.

Рис. 1. Схема блока управления, построенного на микроконтроллере PIC16F628A-I/P (DD1) и регистре хранения ЭКР1554ИР22(РР2)
Для узлов динамической индикации помехи не опасны, посколькупоказания индикатора постоянно обновляются, и помеха приведёт, в худшем случае, к кратковременному искажению показаний. Однако искажённый код, поданный на ключи, управляющие переключающими обмотки трансформатора реле, может привести к неожиданной подаче на нагрузку опасного для неё повышенного напряжения. Поэтому выбран микроконтроллер, число выводов которого достаточно для непосредственного формирования на них параллельного кода управления реле.
Поскольку в микроконтроллерах серии PIC16F628 внутренние резисторы, соединяющие входы с плюсом источника питания, установлены только на линиях порта В, резисторы R1-R4 выполняют ту же функцию на линиях порта А. Транзисторы VT1-VT3 коммутируют общие аноды разрядов светодиодного индикатора HG1. На транзисторные ключи, коммутирующие с помощью реле вторичные обмотки трансформатора, сигналы управления поступают с выходов регистра хранения
DD2.
После включения питания программа микроконтроллера записывает нулевой код в один из его внутренних регистров и в регистр DD2. Это нужно для того, чтобы работа трансформатора всегда начиналась с нулевого напряжения на выходе, что предохранит от случайного повреждения подключённую к нему низковольтную нагрузку.
Далее программа переводитрегистр DD2 в режим вывода записанного в него кода, установив на его входе ED низкий уровень. С выходов регистра двоичный код напряжения поступает на транзисторные ключи, управляющие реле, коммутирующими обмотки трансформатора. Эти ключи аналогичны обведённым штрихпунктирными линиями на схеме, изображённой на рис. 2 в [2]. Адреса подключения выходов регистра DD2 рассматриваемого устройства обозначены в соответствии с той же схемой.

Рис. 2. Печатная плата устройства
Затем программа преобразует двоичный код напряжения в семиэлементные коды цифр для трёх разрядов светодиодного индикатора HG1, гася при этом незначащие нули. Она поочерёдно выводит эти коды в порт B, одновременно включая нужный разряд индикатора установкой высокого уровня на линиях RA0, RA1 или RA7. Цикл вывода трёх цифр занимает около 360 мс. Такая длительность цикла индикации, от которой зависит и скорость изменения напряжения на выходе трансформатора, выбрана не случайно. С одной стороны, напряжение на выходе трансформатора изменяется достаточно быстро и плавно, а с другой - интервалы времени между переключениями электромагнитных реле достаточны для завершения переходных процессов в трансформаторе, что уменьшает искрение контактов реле.
По завершении каждого цикла индикации программа проверяет состояние кнопок SB1-SB4 и, если ни одна из них не нажата, снова записывает двоичное число из регистра памяти микроконтроллера в регистр DD2, после чего процесс повторяется. Это основной режим работы, в котором устройство находится до тех пор, пока не будет нажата какая-либо из кнопок SB1-SB4.
При нажатии на кнопку SB2 и её удержании двоичный код напряжения увеличивается на единицу с каждым циклом индикации, что соответствует увеличению напряжения на один вольт. Если при нажатой кнопке SB2 нажать и на кнопку SB3, то напряжение станет расти с шагом 10 В. По достижении максимума (255 В) дальнейшее увеличение напряжения прекращается независимо от состояния кнопок.
Следует заметить, что при нажатой кнопке SB3 рост напряжения может прекратиться раньше, чем будет достигнуто значение 255 В. Дело в том, что попытка прибавить 10 к числу, превышающему 245, приведёт к переполнению восьмиразрядного регистра и установке на выходе трансформатора напряжения в интервале от 0 до 9 В. Поэтому такие действия программно запрещены. Достигнутое напряжение можно довести до максимума, оставив нажатой только кнопку SB2.
Аналогично кнопке SB2 работает и кнопка SB1, но она уменьшает напряжение. Если случайно нажать на кнопки SB1 и SB2 одновременно, то приоритет будет отдан кнопке SB1, и напряжение на выходе трансформатора станет уменьшаться.
Когда нужно установить требуемое напряжение, не расходуя напрасно ресурс реле на многочисленные пере-ключения, можно воспользоваться режимом быстрой установки. Для входа в него нажмите на кнопку SB3 и удерживайте её, пока не будет включена десятичная запятая в младшем разряде индикатора HG1.
В этом режиме длительность цикла индикации уменьшена приблизительно до 200 мс, а напряжение на выходе трансформатора остаётся неизменным и не зависящим от показаний индикатора, пока блок управления не будет возвращён в основной режим. Кнопками SB1-SB3 следует установить на индикаторе требуемое напряжение, как было описано выше, а затем нажать или удерживать, если она была нажата, кнопку SB3, пока устройство не вернётся в основной режим и на выходе не будет установлено вновь заданное напряжение.
Если нужно возвратиться в основной режим, не принимая новое значение, следует удерживать нажатой кнопку SB4. То же самое произойдёт, если в течение приблизительно 5 с не будет нажата ни одна из кнопок. В основном режиме кнопка SB4 служит для выключения выходного напряжения. При нажатии на неё будут установлены нулевое значение на индикаторе и нулевое напряжение на выходе трансформатора.
Поскольку опрос состояния кнопок происходит в конце каждого цикла индикации, устройство реагирует на нажатия кнопок не мгновенно, а с задержкой не более одного цикла индикации. По этой причине нажатые кнопки следует удерживать до изменения показаний индикатора.
Устройство смонтировано на двух печатных платах, показанных на рис. 2 и рис. 3. Такой вариант оказался проще, чем разводка печатных проводников на одной плате. Платы рассчитаны на установку импортных постоянных резисторов мощностью 0,05 Вт. Сопротивление резисторов R5-R12 может находиться в пределах от 330 Ом до 3,3 кОм в зависимости от требуемой яркости свечения индикатора и его типа. Конденсаторы С3 и С4 припаяны непосредственно к выводам питания микросхем. Микросхему ЭКР1554ИР22 можно заменить на 74АС373Ы или 74НС37311.

Рис. 3. Печатная плата устройства
Платы механически соединены между собой сторонами печатных проводников внутрь с помощью четырёх резьбовых стоек высотой 10 мм. К корпусу блока эта сборка прикреплена кронштейнами из оцинкованной стали толщиной 0,6 мм. На фотоснимке рис. 4 показан внешний вид блока управления без корпуса. Контактные площадки обеих плат с одинаковыми номерами красного цвета соединены изолированными проводами. Аналогичный применённому в [2] узел электронных ключей может быть собран на печатной плате, изображённой в [2] на рис. 4.

Рис. 4. Внешний вид блока управления без корпуса
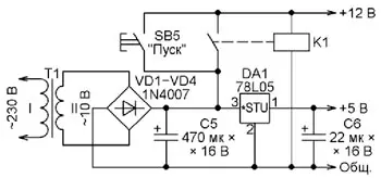
Питание описываемого блока управления обеспечивает отдельный сетевой трансформатор с выходным напряжением 10 В и мощностью не менее 5 В-А. Этот вариант предпочтительнее питания от дополнительной обмотки основного трансформатора. Дело в том, что при замыканиях в нагрузке лабораторного трансформатора, вполне вероятных в практике радиолюбителя, напряжение на его вторичных обмотках, в том числе на питающей узел управления, падает. Это может вызвать самопроизвольное переключение реле, и даже выгорание их контактов. При питании от отдельного трансформатора такой проблемы не возникает. К томуже меньше наводок на микроконтроллер от силовых цепей.
Узел питания блока собран по схеме, изображённой на рис. 5. Нумерация элементов на ней продолжает начатую на рис. 1. По цепи +12 В этот узел должен обеспечивать ток, больший суммарного, протекающего через обмотки всехреле, в 1,2...1,5 раза.

Рис. 5. Схема узла питания блока
Напряжение +12 В поступает на обмотки реле K1-K8 [2] не сразу после подачи на трансформатор T1 сетевого напряжения, а только после нажатия на кнопку SB5 и срабатывания дополнительного реле K1. До этого момента обмотки всех реле обесточены, поэтому напряжение на выходе лабораторного трансформатора остаётся равным нулю независимо от состояния блока управления. Иначе случайный код, самопроизвольно устанавливающийся в регистре DD2 в момент подачи питания и сохраняющийся до первой записи в него правильного кода микроконтроллером, будет приводить к кратковременному появлению на выходе трансформатора произвольного напряжения, даже максимального. Нажимать на кнопку SB5 следует только после появления нуля на индикаторе HG1.
Плата узла питания использована готовая от источника питания антенного усилителя. Реле K1 - RAS-1215 с сопротивлением обмотки 400 Ом, аналогичное применённым в [2].
Программа микроконтроллера написана в среде MPLAB IDE v8.92 на языке ассемблера MPASM. Для получения семиэлементных кодов цифр использована программа, описанная в [3]. При правильном монтаже налаживания устройство не требует и начинает работать сразу.
Программа микроконтроллера имеется здесь.
Литература
1. Терсков В. С шагом в один вольт. - Радио, 1993, № 9, с. 24, 25.
2. Герасимов Е. Блокуправления лабораторным трансформатором. - Радио, 2016, № 9, с. 27-29.
3. Кожухин П. Программа - справочник кодов для вывода на индикаторы. - Радио, 2010, № 6, с. 34. - URL: ftp://ftp.radio.ru/ pub/2010/06/convertor.zip (15.11.16).
Автор: Е. Герасимов, станица Выселки Краснодарского края
