Идея создания миниатюрной сверлилки для печатных плат на основе микроскопа далеко не нова. В Интернете можно встретить несколько описаний таких устройств (например, "Сверлильный станок для печатных плат". - URL: https://hardlock.org.ua/ viewtopic. php?t=24). Отличие предлагаемого мной варианта от описанных - обратимость вносимых изменений, не затрагивающих конструкцию микроскопа, что позволяет быстро вернуться к его использованию по прямому назначению.
Для такой модификации пригодны микроскопы серии МБУ (микроскоп биологический упрощённый, их было несколько модификаций: МБУ-1, МБУ-4, МБУ-4А и т. д.). Ими массово оснащались школьные кабинеты биологии, приборы выпускались несколькими заводами СССР, поэтому парк весьма велик, и на вторичном рынке можно приобрести вполне рабочий экземпляр по демократичной цене. Микроскоп имеет прямой тубус, передвигаемый по высоте с помощью кремальерного механизма. Тубус состоит из центральной части, верхнего держателя окуляра и нижней муфты для крепления одного объектива, заменяющей в этих упрощённых микроскопах револьверную турель с объективами. Это позволяет обойтись минимальной (и обратимой) модификацией микроскопа.

Рис. 1.

Рис. 2.
Для модификации вместо нижней муфты нужно изготовить ввёртыш для крепления электродвигателя. Электродвигатель подойдёт типа ДП-25-1,6-3-27 (рис. 1). Таких двигателей также было выпущено много, и они не дефицитны. Двигатель без проблем помещается внутри тубуса микроскопа. Напряжение питания - постоянное 27 В, рабочий ток - около 200 мА. Ввёртыш (рис. 2) имеет резьбу, стандартную для объективов, и отверстия для крепления к фланцу двигателя четырьмя винтами. В случае необходимости под головки винтов можно сделать небольшие выборки во ввёртыше либо уменьшить диаметр головок винтов. При модификации микроскопа откручивают верхнюю трубку (держатель окуляра), двигатель вставляют сверху в тубус, снизу вместо муфты заворачивают ввёртыш, который затем соединяют с фланцем двигателя с помощью винтов. Провода питания двигателя выводят вверх.
Для крепления свёрл лучше всего использовать мини-патроны от ручных гравёров Dremel, Proxxon и их многочисленных клонов. Для достижения наилучшего результата лучше использовать оригинальные патроны. Их многочисленные дешёвые подобия, в изобилии представленные на Aliexpress, лучше не использовать, так как их качество значительно ниже - отсюда люфты, биения и прочие "радости". Вдобавок, в отличие от оригинальных, их корпусы изготовлены из алюминия, а не из стали, что ведёт к скорейшему износу при частом использовании.
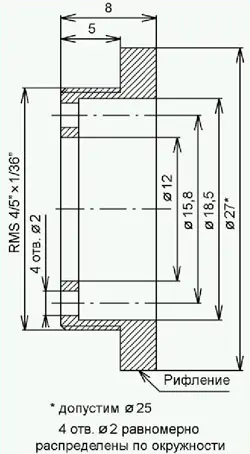
Для патрона от Dremel нужно изготовить переходник на вал двигателя. Чертёж такого переходника есть в вышеуказанной статье на сайте, я повторяю его на рис. 3. Внимание! Для иных патронов (Proxxon и др.) переходник будет иметь другой тип резьбы.

Рис. 3.
На чертеже указан диаметр отверстия под другой двигатель. Лучше всего точно измерить диаметр вала вашего двигателя и просверлить отверстие с таким расчётом, чтобы туго (но не слишком) "посадить" нагретый переходник на вал. Очень важно обеспечить соосность отверстия и наружной резьбы, здесь требуется максимальная точность, поэтому точить и сверлить нужно за один установ. На рис. 1 сфотографирован двигатель с установленным на вал переходником. Шестигранник на переходнике нужен для удержания его от проворачивания при зажиме свёрл. Если изготовление переходника слишком сложно и заказать негде, можно попробовать приобрести на том же Aliexpress патрон с уже готовым переходником для посадки на вал, выбрав из предлагаемых такой, у которого диа-метр отверстия такой же или меньше, чем у вала двигателя. Если меньше, можно аккуратно рассверлить, приняв меры к максимальной соосности отверстия и наружной резьбы. Предложений там много, но, как уже говорилось, патроны эти могут иметь проблемы с люфтами и биением сверла - как кому повезёт.

Рис. 4.
Внешний вид модифицированного микроскопа показан на рис. 4. Использовать его для сверления плат весьма удобно, мощности двигателя вполне хватает для небольших (приблизительно до 1,5 мм) диаметров отверстий. А главное, полностью исчезает проблема, связанная с хрупкостью твердосплавных свёрл. Именно она и послужила в своё время основным мотивом создания этого мини-станочка.
Автор: А. Гурский, г. Минск, Беларусь
