При проведении электромонтажных и пусконаладочных работ часто используют простейшие пробники, аналогичные по схеме, показанной на рис. 1. При отпущенной кнопке SB1 им можно определить наличие переменного напряжения 100...400 В частотой 50 Гц (в основном при поиске фазного провода), при этом светится неоновая лампа HL1. При нажатой кнопке пробником можно ориентировочно оценить сопротивление проверяемой цепи постоянному току ("прозвонка"). Если оно в пределах десяти ом, то горит лампа накаливания HL2. К сожалению, очень часто при нажатой кнопке SB1 пробник ошибочно подключают к цепям, находящимся под напряжением сети, в результате чего лампа HL2 мгновенно перегорает...

Рис. 1. Схема простейшего пробника
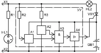
Предлагаемый пробник (его структурная схема изображена на рис. 2) свободен от этого недостатка. Функцию кнопки SB1 в нём выполняет тринистор VS1, снабжённый устройством управления (УУ). Как и в простейшем пробнике, лампа HL1 индицирует наличие переменного напряжения, лампа HL2 горит при малом сопротивлении контролируемой цепи.

Рис. 2. Схема предлагаемого пробника
УУ работает следующим образом. Если на щупах пробника X1 и X2 присутствует переменное или постоянное напряжение любой полярности, то блок А2 выдаёт сигнал блокировки на блок А3, выполняющий функцию логического элемента 2И, и сигнал на открывание тринистора VS1 не поступает. При этом светятся неоновая лампа HL1 и один (при постоянном напряжении) или два (при напряжении промышленной частоты 50 Гц) светодиода в блоке А2 (они также указывают полярность приложенного напряжения).
При отсутствии напряжения на щупах X1 и X2 блок А2 выдаёт разрешающий сигнал на блок А3, и если между щупами присутствует активное сопротивление измеряемой цепи, то срабатывает блок А1 и с выдержкой времени t = 0,5 с выдаёт сигнал разрешения на второй вход блока А3. В результате на выходе последнего появляется сигнал, который усиливается блоком А4, и с его выхода выдаётся сигнал на управляющий электрод тринистора VS1. Тринистор открывается, и если сопротивление между щупами X1 и X2 достаточно мало (не более десятка ом), то загорается лампа накаливания HL2. По степени её накала можно приблизительно судить о величине сопротивления цепи (напомню, что пробник в основном ориентирован на применение в электромонтажных работах на разветвлённых электроосветительных сетях). По яркости свечения светодиодов в блоке А2 также можно оценить величину приложенного к щупам напряжения.
Работу пробника рассмотрим по его принципиальной схеме, изображённой на рис. 3. Блок А1 выполнен на транзисторе VT1. При подключении щупов X1 и X2 к проверяемой цепи с сопротивлением менее 10 Ом, напряжение на которой отсутствует, открывается транзистор VT1 по цепи плюс батареи питания GB1 - щуп X2 - измеряемое Rx - щуп X1 - плавкая вставка FU1 - резистор R2 - эмиттерный переход транзистора VTI - минус батареи GB1. Через выдержку времени t = 0,5 с, определяемую элементами R5, C1, открывающий сигнал подаётся на базу транзистора VT5, выполняющего функцию усилителя мощности. Если при этом транзисторы VT2, VT4 закрыты, то транзистор VT5 открывается и на управляющий электрод тринистора VS1 подаётся открывающий сигнал. Последний открывается, и если сопротивление проверяемой цепи Rx не превышает десятка ом, лампа HL4 начинает светиться.

Рис. 3. Принципиальная схема пробника
Пусть теперь на входе пробника действует напряжение, минус которого приложен к щупу X1, а плюс - к X2. При этом светится светодиод HL3, индицируя полярность приложенного напряжения.
Если же полярность напряжения на входе обратная (минус - на щупе X2, а плюс - на щупе X1), светится светодиод HL2, индицируя полярность приложенного напряжения, и открывается транзистор VT3. Его коллекторным током открывается транзистор VT4, который своим участком коллектор-эмиттер шунтирует эмиттерный переход транзистора VT5, запрещая прохождение сигнала на открывание тринистора VS1.
Для того чтобы транзисторы VT2 и VT4 открывались при примерно одинаковом напряжении на щупах независимо от его полярности, в цепь базы первого из них включён стабилитрон VD2, падение напряжения на котором примерно равно напряжению батареи GB1. При подаче на щупы X1 и X2 переменного напряжения светятся оба светодиода, транзисторы VT2 и VT4 попеременно открываются, поддерживая транзистор VT5 в закрытом состоянии.
Так как потребляемый пробником ток в дежурном режиме всего около 2 мкА, выключатель питания не предусмотрен.
Пробник не содержит дефицитных деталей. Резисторы - любые соответствующей мощности рассеяния, конденсатор С1 - оксидный импортный, С2 - керамический КМ или подобный, транзисторы - КТ315, КТ312, КТ3102 и КТ3107, КТ361 с любым буквенным индексом (с учётом структуры и цоколёвки). Повышенные требования лишь к транзистору VT1: его статический коэффициент передачи тока базы h21Э должен быть не менее 90 (желательно больше). Тринистор VS1 - КУ202Н или другой, с более высоким значением допустимого напряжения.
Все детали смонтированы на печатной плате из фольгированного с одной стороны стеклотекстолита толщиной 1,5 мм (рис. 4). Тринистор VS1 и составляющие батарею GB1 элементы типоразмера АА закреплены на ней скобами из одножильного монтажного провода диаметром 0,6...0,8 мм, впаянными в соответствующие площадки фольги.

Рис. 4. Печатная плата устройства
Корпус пробника изготовлен из отрезка пластмассового кабельного канала сечением 40x25 мм. Щуп X1 выполнен в виде заострённого с одной стороны отрезка жёсткого провода длиной 50...100 мм, X2 - в виде гибкого провода с зажимом "крокодил" на конце. Расположение деталей в корпусе пробника показано на рис. 5, а его внешний вид - на рис. 6.

Рис. 5. Расположение деталей в корпусе пробника

Рис. 6. Внешний вид пробника
Правильно собранный из исправных деталей пробник не требует налаживания. При замыкании щупов X1 и X2 должна светиться лампа накаливания HL4, при необходимости лишь требуется подобрать резистор R11 для надёжного открывания тринистора VS1.
Затем проверяют работу пробника на пониженном напряжении 24 В постоянного или переменного тока. При постоянном токе должен светиться светодиод HL2 или HL3 (в зависимости от полярности приложенного напряжения), при переменном - оба светодиода одновременно. Если пробник работает нормально, то можно перейти к проверке на сетевом напряжении 230 В. При этом должны светиться оба светодиода одновременно, а также неоновая лампа HL1. Тринистор должен быть закрыт, лампа HL4 погашена. На этом проверку можно считать законченной - пробник готов к работе.
Примечание.С батареей напряжением 3 В лампа HL4 (6,3 В, 0,2 А) будет светить слабо. Для увеличения яркости следует применить лампу на меньшее напряжение и такой же ток.
Автор: Ю. Нигматулин, с. Новопетропавловское Курганской обл.
