Выходные сигналы предлагаемого генератора (рис.1) имеют форму прямоугольных импульсов с постоянным сдвигом фаз 180°. Длительность одного из полупериодов каждой фазы можно изменять (уменьшать). При этом между "укороченными" фазными импульсами появляется промежуток (пауза) tn, в котором фаза сигналов обоих выходов одинакова (рис.2). Подобные сигналы применяются, например, в задающих генераторах импульсных блоков питания, шаговых электродвигателей и т.п.

Рис.1. Принципиальная схема генератора
Генератор состоит из тактового генератора на DD1.1, DD1.2, повторителя DD2.1, формирователя противофазных импульсов DD2.2 и элементов совпадения DD1.3, DD1.4.

Рис.2. Диаграммы выходных напряжений генератора
Минимальное сопротивление ограничительного резистора R2 подбирают по исключению самовозбуждения в крайних положениях движка переменного резистора R1. Переменный резистор R1 вместе с диодами VD1 и VD2 обеспечивают цепь зарядки и разрядки частотозадающего конденсатора С1 [1]. При перемещении движка резистора к крайним выводам изменяется или время зарядки, или время разрядки конденсатора, что приводит к изменению длительности полупериодов формируемых импульсов. Частота импульсов при этом изменяется в небольших пределах. Она зависит от напряжения переключения DD1.1, общего сопротивления цепи зарядки и разрядки конденсатора С1, его емкости и емкости монтажа. Изменяя любой параметр, можно устанавливать необходимую частоту на выходе генератора. Поскольку тактовый генератор собран на двухвходовых элементах, второй вход, например, первого элемента DD1.1 удобно использовать для блокировки работы генератора. Для этого нижний по схеме вход DD1.1 соединяется с общим проводом через резистор. Чтобы заблокировать работу генератора, на него нужно подать высокий логический уровень. При этом на выходе DD1.2 появится логическая "1".
К выходу тактового генератора подключен повторитель, выполненный на D-триггере DD2.1, который улучшает форму поступающих на него импульсов, что особенно важно для четкой работы счетного триггера DD2.2. На выходах триггера DD2.2 образуются противофазные импульсы вида меандр (со скважностью 2). К прямому и инверсному выходам DD2.2 подключены входы элементов совпадения DD1.3 и DD1.4. На другие входы этих элементов поступает сигнал с выхода тактового генератора.
Для элементов ИЛИ-НЕ активный уровень - высокий, поэтому во время логической "1" на выходах триггера, на выходах А и В бифазного генератора устанавливается низкий уровень. Он не зависит от состояния вторых входов элементов совпадения.
При низком уровне на одном из выходов триггера DD2.2 длительность полупериода импульса тактового генератора с высоким уровнем определяет паузу на выходе А или В, длительность которой можно изменять, изменяя скважность тактового генератора. При этом частота выходных сигналов в 2 раза меньше частоты тактового генератора.
В устройствах, для управления которыми требуются импульсы низкого уровня с регулируемой паузой, элементы ИЛИ-НЕ заменяются элементами И-НЕ (К561ЛА7). В этом случае для блокировки работы тактового генератора и установления на выходах А и В высокого уровня необходимо на нижний по схеме вход DD1.1 подать напряжение логического "0".
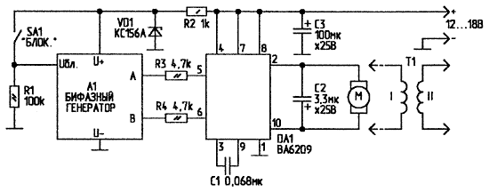
На рис.3 приведена схема автомата для инкубатора. В этой схеме выходные сигналы бифазного генератора А1 управляют работой коллекторного электродвигателя через микросхему сервоусилителя DA1. Эта микросхема - драйвер заправки кассеты видеомагнитофона - включена по стандартной схеме. Работа автомата проста - высокий уровень на выходе А приводит к вращению вала электродвигателя в одну сторону, а "1" на выходе В - в противоположную (рис.2, диаграмма 3). Во время паузы (tn) двигатель заторможен. Временное отключение автомата осуществляется выключателем SA1 "Блокировка". При этом на обоих выходах бифазного генератора - низкий логический уровень.

Рис.3. Схема автомата для инкубатора
Если в приведенной схеме автомата частоту тактового генератора увеличить (до нескольких десятков или сотен герц), а вместо электродвигателя включить обмотку трансформатора, получим схему простого преобразователя постоянного напряжения в переменное. Форма напряжения на вторичной обмотке трансформатора показана на рис.2, диаграмма 4 (при минимальной паузе). Изменяя длительность паузы, можно регулировать выходную мощность преобразователя. Для примененной микросхемы максимальный ток не должен превышать 1,6 А, а максимальное напряжение-18 В [2].
В генераторе применимы следующие детали: R1 - любой переменный (подстроечный) группы A; R2 - типа МЛТ-0,125; С1 - К73П-3 (лучший результат по стабильности частоты и длительности импульсов) или другие из серии К73, ПМ, ФТ. С2 - блокировочный в цепи питания, любой керамический, емкость не критична. Диоды VD1 и VD2 - любые кремниевые, малогабаритные (КД522, КД503, КД102 и т.д.). Микросхемы заменяются аналогами из серий К176, 564, К1561, К1554 при соответствующем напряжении питания.
Источники
- В. Агеев. Генератор с регулируемой скважностью. - Радио, 1989, N3, С.32.
- Справочное пособие. Интегральные микросхемы зарубежной бытовой видеоаппаратуры. - Санкт-Петербург: ЛАНЬ ВИКТОРИЯ, 1996, С.149.
Автор: А.РОМАНЧУК, п.Новиково
