В целях безопасности, бывает, необходимо воспрепятствовать радиообмену вблизи или внутри какого-либо объекта. Для этой цели подходит простое устройство, схема которого показана на рисунке 1.

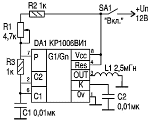
Рис.1. Схема принципиальная генератора радиочастотных шумов
В основе электронного узла - интегральная микросхема КР1006ВИ1, которая по своим функциональным возможностям способна функционировать в качестве генератора колебаний в диапазоне от долей герц до радиочастот. Такой генератор шума может "закрыть" определенный спектр радиочастот, в том числе и гражданский диапазон 27 МГц. Антенной передатчика служит дроссель L1, который эффективен как излучатель только в полосе радиочастот. По мере снижения частоты дроссель начинает действовать просто как электрический проводник, закорачивая выходной сигнал на общий провод. Установка требуемой выходной частоты генератора производится с помощью переменного резистора R1 (он должен иметь линейную характеристику).
Мощность передатчика очень мала. Он способен заглушить эфир в широкой полосе радиочастот лишь в пределах 3...5 м, что вполне подходит, например, для безопасности одного офиса. Если к выводу 3 DA1 в месте соединения с дросселем подключить кусок многожильного неэкранированного провода длиной 100...120 мм в качестве антенны, дальность действия передатчика увеличится до 10...15 м, что уже вполне достаточно для блокировки всевозможных "жучков", установленных рядом с входной дверью помещения.
Включатель питания S1 удобно совместить с переменным резистором R1. Все постоянные резисторы типа МЛТ-0,25. Неполярные конденсаторы любые. Дроссель типа ДМ-0,4. Напряжение питания узла может быть от 5 до 12В (при более высоком напряжении генерация срывается). Ток потребления незначительно колеблется в зависимости от положения резистора R1 (частоты передатчика) в пределах 12...18 мА. Выходная частота определяется элементами R1 и R2 и емкостью конденсатора С2.
Настраивать схему на заданную частоту удобнее с помощью переменного резистора R1. После того как нужная частота будет установлена, необходимо отключить питание узла и переменный резистор заменить постоянным соответствующего сопротивления.
Увеличение сопротивления резистора R1 вызывает уменьшение частоты выходного сигнала, а уменьшение сопротивления ведет к увеличению рабочей частоты передатчика.
Даже незначительное уменьшение емкости конденсатора С2 вызывает значительный рост выходной частоты. Как и в любой высокочастотной схеме, выводы у всех компонентов должны быть максимально укорочены.
Дроссель L1 должен быть установлен на некотором удалении от микросхемы DA1 и других компонентов. Корпус устройства необходимо изготовить из оргстекла или другого диэлектрического материала.
Перед первым испытанием узла вблизи него включают радиоприемник (радиостанцию гражданского диапазона 27 МГц в режиме приема) и по звуку из динамика контролируют работу генератора. Налаживание устройства заключается в установке выходной частоты генератора. При первом включении и приближении рук человека к элементам устройства и дросселю выходная частота будет изменяться под внешним воздействием емкости рук человека. Убедившись в работоспособности узла и настроив выходную частоту, необходимо каждый элемент зафиксировать (приклеить непроводящим ток быстросохнущим клеем или эпоксидной смолой) к плате для придания механической устойчивости. По прошествии 10...12 ч после высыхания клея можно приступать к эксплуатации генератора шума.
Автор: А.П. Кашкаров, г. Санкт-Петербург
