Принёс мне приятель две звуковые колонки от музыкального центра, замолчавшие одновременно, когда он наращивал кабель и замкнул выход на АС. Исследование показало, что микросхема УНЧ раскололась в "клочья". Видимо, приятель припаивал провода паяльником, на котором присутствовало напряжение сети, когда активная колонка не была выключена (вторая - пассивная, там установлена только динамическая головка). Другой причины я не вижу, поскольку в микросхеме усилителя есть защита от замыкания выхода.
Каково же было моё удивление этим чудом техники, когда я увидел, что колонки работали в режиме "Моно". Один усилитель оказался работоспособен и стоял на месте, а обе колонки были подключены внутри перемычкой параллельно на один вышедший из строя усилитель. Тут же у меня возник любопытный вопрос: в радиомастерской просто переключили бы колонки на уцелевший усилитель или известили о необходимой доработке колонок?

Рис. 1. Схема включения штатных микросхем
Я приобрёл две микросхемы TDA2030A и заменил установленные в АС. Штатно они прикреплены к задней алюминиевой пластине на активной колонке. Создалось впечатление, что усилители перегревались из-за самовозбуждения на какой-то высокой частоте, тем более, что в микросхеме есть защита от перегрева. Изучать эту проблему я не стал и сразу в Интернете попытался узнать, как устранить эту проблему.
Схема включения штатных микросхем приведена на рис. 1. Коэффициент усиления приблизительно равен 20. Подобная проблема с микросхемой широко обсуждаема на форумах, там рекомендовали поставить параллельно резистору обратной связи R3 последовательную RC-цепь из резистора сопротивлением 2,4 кОм и конденсатора ёмкостью 3300 пФ, но я не стал проводить такие эксперименты. Я кардинально изменил схему подключения усилителей, переведя их в режим инвертирования сигнала. Генерация пропала несмотря на то, что керамические конденсаторы по питанию были припаяны далеко от выводов микросхемы. Результат был достигнут "малой кровью".

Рис. 2. Доработанная схема
На рис. 2 показана доработанная схема. Добавлены защитные диоды VD1, VD2, ёмкость конденсаторов фильтра увеличена до 6800 мкФ, параллельно им установлены керамические конденсаторы. Добавлены два штыревых теплоотвода, к которым прикреплены микросхемы (рис. 3). Некоторое охлаждение теплоотводов про-исходит через отверстие фазоинвертора колонки. Светодиод с задней стенки перемещён на лицевую панель активной колонки на рис. 4, а на точках его бывшего крепления установлен разъём. Диоды выпрямителя заменены на диоды Шоттки 1N5817.

Рис. 3.

Рис. 4.
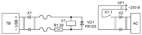
И теперь самое главное. Подключил я колонки к своему 3D-телевизору, имеющему слабенькую, хотя и стереоакустику. Колонки приходилось включать вручную, а телевизор - с пульта. Это вызывало раздражение, особенно когда в телевизоре использовался режим выключения по таймеру сна, колонки оставались включёнными до утра. И родилось прекрасное решение запитать колонки через реле, включающее их от USB-порта телевизора по схеме на рис. 5. В дополнительную переходную сетевую розетку установлены реле (рис. 6) и защитный диод параллельно обмотке реле. Было приобретено реле NRP05-A05D, срабатывающее от напряжения 5 В и коммутирующее своими контактами напряжение 230 В. Реле имеет сопротивление обмотки 50 Ом. Оно нагревалось, и пришлось последовательно с ним включить резистор сопротивлением 20 Ом. Без резистора реле уверенно включалось от 3 В. Другие реле с номинальным напряжением 5 В я не проверял. Применённый защитный диод можно заменить на КД102А.

Рис. 5.

Рис. 6.
Предлагаемую розетку можно применить для включения других устройств, например DVВ-T2-конвертера для телевизора.
Автор: А. Степанов, г. Санкт-Петербург
