На страницах журнала "Радио” и в другой радиолюбительской литературе описано немало различных конструкций регуляторов мощности, от простых на одном тиристоре до довольно сложных, с микроконтроллерным управлением. Однако в подавляющем большинстве конструкций этих регуляторов используется фазовый метод управления выходными тиристорами, поэтому такие регуляторы неизбежно создают импульсные помехи, интенсивность которых возрастает с увеличением мощности нагрузки.
Для управления нагрузкой, обладающей значительной инерционностью, например электронагревателями, больше подходит другой метод регулирования мощности - изменение числа проходящих через нагрузку полных периодов сетевого напряжения. Такой метод, в отличие от фазового, позволяет открывать выходные тиристоры в самом начале каждого полупериода сетевого напряжения, что значительно снижает уровень помех, создаваемых регулятором мощности.
Дополнительным преимуществом этого метода является возможность использования в качестве выходного коммутирующего элемента симисторного твердотельного оптоэлектронного реле, содержащего в своём составе детектор перехода сетевого напряжения через ноль. Такие реле управляются постоянным напряжением и позволяют коммутировать ток в десятки и сотни ампер, поэтому выходной узел, построенный с применением твёрдотельного реле, получается сравнительно простым.
По принципу изменения числа проходящих через нагрузку полупериодов сетевого напряжения работает регулятор мощности, описанный в [1], а доработанный вариант этой конструкции, описание которого приведено в [2], позволяет управлять мощностью путём изменения числа проходящих через нагрузку полных периодов сетевого напряжения, что исключает появление постоянной составляющей протекающего через нагрузку тока. Обе конструкции регуляторов построены с применением двух микросхем структуры КМОП, а регулирование мощности осуществляется десятью ступенями путём изменения коэффициента деления счётчика, на вход которого поступают импульсы с частотой сети.
Когда автору потребовался регулятор для электронагревателя мощностью 4 кВт, выбор пал на конструкцию, описанную в [2], но схема устройства была переработана с учётом имевшихся в наличии деталей. В итоге получился регулятор, построенный на одной микросхеме и имеющий шестнадцать ступеней регулирования мощности. В качестве элемента, коммутирующего цепь питания нагрузки, использовано симисторное твердотельное реле, а элементы устройства управления регулятором не имеют гальванической связи с сетью 230 В.

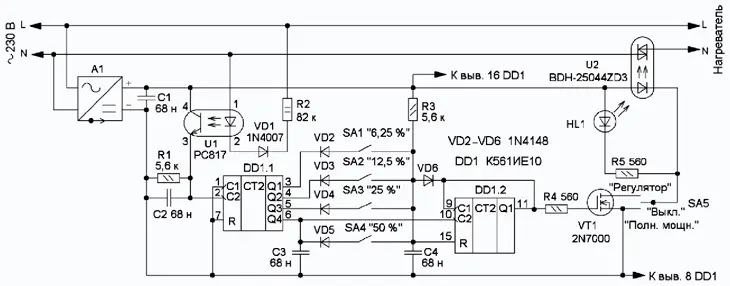
Рис. Схема регулятора
Схема регулятора приведена на рисунке. В течение каждого положительного (относительно нулевого провода) полупериода сетевого напряжения через излучающий диод оптопары U1 протекаетток, поэтомуфототранзи-стор оптопары открывается в начале и закрывается в конце каждого положительного полупериода, формируя на входе С2 (выводе 2) счётчика DD1.1 практически прямоугольные импульсы, следующие с частотой 50 Гц. По спаду каждого импульса счётчик DD1.1 увеличивает своё состояние на единицу, и на его выходах формируется двоичный код, соответствующий числу подсчитанных полных периодов сетевого напряжения. После поступления на вход 16-го импульса счётчик переполняется, и счёт импульсов начинается сначала.
Счётчик DD1.2 работает как RS-триггер и обеспечивает пропуск в нагрузку требуемого для установленного уровня мощности числа полных периодов сетевого напряжения. После каждого переполнения счётчика DD1.1 на входе С2 (выводе 10) счётчика DD1.2 формируется спад напряжения, в результате чего счётчик DD1.2 увеличивает своё
состояние на единицу и самоблокиру-ется путём подачи на вход С1 (вывод 9) высокого логического уровня с выхода Q1. Напряжение на этом выходе открывает полевой транзистор VT1, в цепь стока которого включён излучающий диод симисторного твердотельного реле U2, подающего сетевое напряжение на нагрузку. При появлении на входе R (выводе 15) счётчика DD1.2 высокого логического уровня он возвращается в исходное состояние, полевой транзистор закрывается и нагрузка отключается от сети.
Выключатели SA1-SA4 служат для установки мощности, выделяемой на нагревателе. Каждый из выключателей, подключённых через развязывающий диод к соответствующему выводу счётчика DD1.1, имеет свой вес, соответствующий числу подаваемых в нагрузку полных периодов сетевого напряжения в процентах от полной мощности. Если замкнут только выключатель SA1, в нагрузку поступит только один из шестнадцати периодов сетевого напряжения, что соответствует 100/16 или 6,25 % полной мощности нагрузки. При замкнутом выключателе SA2 в нагрузку будут поступать два из шестнадцати периода, т. е. 12,5 % мощности, а при одновременном включении нескольких выключателей мощность будет определяться суммарным весом этих выключателей. Таким образом, устройство обеспечивает 16 ступеней регулирования мощности нагрузки, начиная от 0 (все выключатели разомкнуты) и до 93,75 % (все выключатели замкнуты) с шагом 6,25 %.
Работает регулятор следующим образом. При каждом переполнении счётчика DD1.1 счётчик DD1.2 переходит в единичное состояние на выходе Q1 и включает твердотельное реле U2, которое остаётся включённым в течение заданного выключателями SA1 - SA4 числа полных периодов сетевого напряжения. По достижении на выходах счётчика DD1.1 двоичного числа, соответствующего заданному выключателями SA1-SA4 уровню мощности, на выводе 15 счётчика DD1.2 появляется высокий логический уровень и триггер, построенный на этом счётчике, возвращается в исходное состояние, отключая твёрдотельное реле. При следующем переполнении счётчика DD1.1 триггер снова переключается в единичное состояние, и процесс повторяется.
Диод VD6 служит для обеспечения правильной работы регулятора при установленной мощности 50 %. Дело в том, что в случае включения только выключателя SA4 спад высокого логического уровня на выводе 10 счётчика DD1.2 будет совпадать со спадом высокого логического уровня на его входе сброса, поэтому счётчик DD1.2 не сможет переключаться и мощность на нагрузке будет равна нулю. Наличие диода VD6 обеспечивает появление на входе R счётчика DD1.2 низкого логического уровня сразу после прохождения сигнала сброса, обеспечивая тем самым корректную работу счётчика при установленной мощности 50 %.
Переключатель SA5 служит для управления режимом работы. В положении "Регулятор" минусовый вывод твердотельного реле U2 подключается к выходу регулятора мощности, в положении "Выкл." нагрузка отключена, а в положении "Полная мощность" на нагрузку поступает всё напряжение сети и регулятор не работает. По частоте вспышек индикаторного светодиода HL1 можно ориентировочно судить о величине мощности, поступающей в нагрузку. Конденсаторы С2-С4 подавляют помехи на соответствующих входах микросхемы DD1, конденсатор С1 - блокировочный в цепи питания этой микросхемы.
Устройство питается стабилизированным напряжением 5 В, поступающим с выхода импульсного источника питания А1 (использовано зарядное устройство для сотового телефона модели WTCS2 с током нагрузки до 700 мА). Для питания устройства также можно использовать любой подходящий стабилизированный источник с выходным напряжением 5...14 В и током нагрузки не менее 50 мА, увеличив сопротивление резисторов R1, R3, R5 пропорционально величине питающего напряжения. В том случае, когда источник питания находится на некотором удалении от платы регулятора, параллельно конденсатору С1 следует подключить оксидный конденсатор ёмкостью 220 мкФ на номинальное напряжение 16 В.
В устройстве можно применить резисторы любого типа, при этом мощность резистора R2 должна быть не менее 1 Вт. Неполярные конденсаторы - К10-7В или К10-17, диод VD1 - с допустимым обратным напряжением не менее 400 В, остальные диоды - любые маломощные выпрямительные или импульсные, например, серии КД521 или КД522. Вместо микросхемы К561ИЕ10 можно использовать импортную микросхему МС14520, полевой транзистор 2N7000 можно заменить транзисторами BS170, КП501 или использовать биполярный транзистор структуры n-p-n, например КТ315 или КТ3102, увеличив сопротивление резистора R4 до 5,6 кОм. Транзисторная оптопара U1 - любая с напряжением изоляции не менее 1000 В, переключатели SA1-SA5 - любые, подходящие по габаритам.
Применённое автором твердотельное реле BDH-25044.ZD3 управляется постоянным напряжением 3.32 В и способно коммутировать ток до 250 А при активной нагрузке. При токе нагрузки до 5 А это реле можно использовать без теплоотвода, а при большем токе реле следует установить на теплоотвод с использованием теплопроводной пасты. На месте U2 также можно использовать любое твердотельное реле с нуль-детектором и требуемым током нагрузки или применить узел на симисторном оптроне и двух тиристорах, как это сделано в [2]. В случае применения регулятора для управления индуктивной нагрузкой следует руководствоваться рекомендациями, приведёнными в технической документации используемого твердотельного реле, а в случае необходимости применять элементы защиты от импульсных перенапряжений (демпфирующие RC-цепи или варисторы).
В авторском варианте устройство было изготовлено "на скорую руку", а в качестве корпуса блока управления использована картонная коробка. Устройство показало надёжную работу. Собранный правильно и из исправных деталей регулятор мощности начинает работать сразу и в налаживании не нуждается. В том случае, если на выходе регулятора отсутствуют импульсы (светодиод HL1 не светит или светит постоянно), следует уменьшить сопротивление резистора R2, добиваясь устойчивого открывания фототранзистора оптопары U1. При необходимости яркость свечения светодиода HL1 мож-
но изменить путём подборки резистора R5, а если в индикации нет необходимости, светодиод и этот резистор можно исключить.
С помощью описанного регулятора можно управлять мощностью не только однофазной, но и трёхфазной нагрузки, установив на месте оптореле U2 трёхфазное твердотельное реле (обязательно с нуль-детектором). Автор проводил эксперименты с трёхфазным нагревателем мощностью 15 кВт (нагревательные элементы соединены звездой с выводом средней точки), применив твердотельное реле HT-12044.ZD3. Однако при использовании такого способа регулирования следует помнить, что целое число периодов сетевого напряжения проходит только через ту фазу, к которой подключена цепь контроля сетевого напряжения (оптопара U1), поэтому в двух других фазах неизбежно появление постоянной составляющей тока, которая негативно влияет на режим работы сети.
При налаживании и эксплуатации регулятора мощности следует учитывать, что часть его элементов находится под напряжением сети, поэтому надо соблюдать правила техники безопасности. Для защиты регулятора от короткого замыкания в цепь его питания (в фазный провод) следует установить автоматический выключатель или плавкий предохранитель с номинальным током, равным или немного превышающим ток, потребляемый нагрузкой.
Литература
1. Лукашенко С. Регулятор мощности, не создающий помех. - Радио, 1987, № 12, с. 22, 23.
2. Мороз К. Усовершенствование регулятора мощности. - Радио, 2014, № 5, с. 30, 31.
Автор: А. Мельников, г. Барнаул
