Современные бытовые мощные электроприборы (электрочайники, микроволновые печи, стиральные машины, калориферы, пылесосы), особенно импортные, отличаются большим потреблением тока. В результате одновременного включения нескольких подобных устройств может произойти перегрузка электропроводки с неприятными последствиями.
Предлагаемое устройство исключает возможность подключения двух наиболее мощных выбранных пользователем потребителей электроэнергии (или двух их групп). Один из них более приоритетный - ведущий, другой - ведомый. Ведущий потребитель может быть включён в любое время, а ведомый - только тогда, когда ведущий отключён. Например, электрочайник - ведущий потребитель, а микроволновая печь - ведомый. В этом случае нельзя включить микроволновую печь в то время, пока электрочайник нагревает воду.

Рис. 1
Принцип действия устройства основан на подаче радиосигнала на отключение цепи питания ведомого потребителя, пока ток потребления ведущего превышает некоторый пороговый уровень. Основа устройства - широко распространённый дистанционный дверной радиозвонок диапазона 433 МГц. В настоящее время такие звонки широко применяются в радиолюбительских конструкциях [1-3], в том числе для управления электропитанием [4]. Радиозвонок доработан и снабжён узлом управления. Для существенного уменьшения "загрязнения" эфира использовано импульсное излучение. Дальность действия радиозвонка - несколько десятков метров в зависимости от конкретной модели и условий размещения, что достаточно для указанных целей. Автор применил радиозвонок "CONSTA NS-9688C".
Предлагаемое устройство состоит из радиопередающей и радиоприёмной частей. Первая используется на стороне ведущей нагрузки, вторая - на стороне ведомой. На рис. 1 показана схема блока управления передатчиком звонка. Трансформатор тока Т1 - датчик тока в цепи питания ведущей нагрузки. Использование этого трансформатора позволяет просто реализовать гальваническую развязку датчика [5-8].
Напряжение с вторичной обмотки трансформатора тока (около 50 мВ при токе нагрузки 10 А) проходит через разделительный конденсатор С1 на первый усилительный каскад на элементе DD1.1. Конденсатор С2 подавляет высокочастотные наводки и импульсные помехи на входе (вывод 1) элемента DD1.1. Применение логического элемента в качестве линейного усилителя вызвано стремлением наиболее полно задействовать элементы микросхемы DD1 [9].
Элемент "Исключающее ИЛИ" микросхемы К564ЛП2 аналогично элементам других микросхем структуры КМОП способен работать в линейном режиме как усилитель. Но для этого необходимо подать высокий уровень на один из его входов, превратив, тем самым, его в инвертор, а второй вход включить в цепь ООС. Коэффициент усиления элементов этого типа без обратной связи невелик - всего 25...30 на частоте 50 Гц. Однако этого достаточно.
Усиленный элементом DD1.1 сигнал через конденсатор СЗ поступает на элемент DD1.2. Оба элемента охвачены цепями местных ООС и на частоте 50 Гц имеют коэффициент усиления 10...12 каждый. Сигнал с выхода элемента DD1.2 через конденсатор С4 поступает на формирователь прямоугольных импульсов, собранный на элементе DD1.3. Внутренний диод, соединённый катодом с выводом 8, а анодом - с общим проводом микросхемы DD1, открывается во время импульсов отрицательной полярности и закрывается во время импульсов положительной полярности, тем самым детектирует усиленный сигнал.
Если сигнал на входе (вывод 8) элемента DD1.3 ниже порога переключения, на выходе этого элемента - высокий уровень, транзистор VT1 закрыт, в противном случае транзистор VT1 открывается с частотой сети 50 Гц. Резистор R8 ограничивает импульсный ток коллектора транзистора VT1 на безопасном уровне. Конденсатор С5 заряжается, в результате чего на нём формируется постоянное напряжение высокого уровня в течение времени, пока включена ведущая нагрузка.
Это напряжение поступает на одно-вибратор на элементе DD1.4, на выходе которого формируется импульс высокого уровня длительностью 0,7R10C6 (около 1 с), что вполне достаточно для устойчивого срабатывания коммутационной части. Второй импульс той же длительности формируется при выключении ведущей нагрузки. Транзистор VT2 открывается на время этих импульсов, в результате чего напряжение питания подаётся на передатчик звонка, потребляющий ток несколько миллиампер. Диод VD1 ограничивает на безопасном уровне обратное напряжение на эмиттерном переходе транзистора VT2.
Блок управления передатчиком получает питание от батареи GB1 типоразмера 23А напряжением 12 В передающего блока радиозвонка. Вместо батареи лучше применить сетевой блок питания с выходным стабилизированным напряжением 12 В.
Выход блока управления подключают к цепям питания радиопередатчика звонка, который доработке не подвергался. SB1 - кнопка звонка - оставлена для возможности ручного дистанционного управления ведомым потребителем электроэнергии. Конденсаторы С7 и С8 установлены в передающем блоке радиозвонка. Они сглаживают импульсы тока, потребляемого передатчиком, предотвращая их воздействие на блок управления.
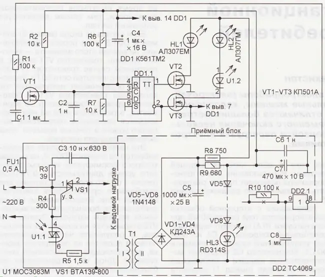
Приёмная часть устройства состоит из доработанного приёмника радиозвонка и коммутационного блока, схема которого показана на рис. 2. Блок состоит из формирователя импульсов на транзисторе VT1, D-триггера DD1.1, переключательных транзисторов VT2 и VT3, оптоэлектронного ключа переменного тока на симисторном оптроне U1, мощном симисторе VS1, резисторах

Рис. 2
R3-R5 и конденсаторе СЗ. Радиоприёмник дорабатывают так. С его печатной платы удаляют элементы бестрансформаторного блока питания, кроме VD5-VD8, HL3, С6, С7. На освободившееся место устанавливают новый блок питания: трансформатор Т1, диодный мост VD1-VD4, сглаживающий конденсатор С5, резисторы R8 и R9. Затем разрезают печатный проводник, подходящий к выводу 9 микросхемы ТС4069, между этим выводом и общим проводом устанавливают конденсатор С8, а в разрез проводника (показанный знаком "х") впаивают резистор R10. Выход радиоприёмника - вывод 8 микросхемы ТС4069 соединяют с входом коммутационного блока. Несмотря на то что микросхему ТС4069 выпускают в разных корпусах, число выводов и их нумерация одинаковые.
Выходное напряжение нового блока питания 12...15 В подаётся на свето-диоды HL1 и HL2 через токоограничи-вающий резистор R8. Микросхема DD1 и транзистор VT1 получают питание от параметрического стабилизатора напряжения, состоящего из резистора R9 и элементов VD5-VD8HL3, оставшихся от демонтированного бестрансформаторного сетевого блока питания радиозвонка. Светодиод HL3 использован ещё и как индикатор наличия напряжения сети и исправности блока питания. В использованном автором радиозвонке применён светодиод RD314S (HL3 на рис. 2), а цепь VD5-VD8 содержит четыре диода. В некоторых других радиозвонках может быть цепь из двух или трёх последовательно соединённых диодов, в таком случае напряжение параметрического стабилизатора может находиться в пределах 3,3...4,5 В. Это напряжение питает транзистор VT1 и микросхему DD1. Её неиспользуемые входы подключены к общему проводу.
После подачи напряжения питания элементы С4, R6, R7 формируют импульс, устанавливающий триггер DD1.1 в состояние с низким уровнем на выводе 1. Транзистор VT2 закрыт, светодиод HL1 погашен. Транзистор VT3 открыт, ток его стока протекает через излучающий диод оптрона U1.2, в результате чего оптосимистор U1.1 и симистор VS1 открыты. Ведомая нагрузка, подключённая к выходу устройства, может быть подключена к сети, о чём сигнализирует горящий светодиод HL2.
При включении ведущей нагрузки импульс низкого уровня с выхода радиоприёмника через цепь R1C1 поступает на затвор транзистора VT1, в результате чего этот транзистор закрывается. Цепь R1C1 и аналогичная цепь, добавленная в приёмник, о которой сказано выше, предотвращают ложные срабатывания устройства от помех. Импульс высокого уровня со стока VT1 поступает на вход С триггера DD1.1 и переключает его. Транзистор VT2 открывается, a VT3 закрывается. Светодиод HL2 гаснет. Оптосимистор U1.1 и симистор VS1 закрываются. При этом ведомая нагрузка обесточена, о чём сигнализирует включённый светодиод HL1. При необходимости состояние устройства можно изменить на обратное, вручную нажимая на кнопку радиозвонка SB1.
Трансформатор тока Т1 (см. рис. 1) изготовлен на основе катушки реле РЭС10 (исполнение РС4.529.031 -05), которая использована как вторичная обмотка (II). Можно также использовать реле исполнений РС4.529.031-12 и РС4.529.031-20. Размер катушки позволяет поместить её непосредственно в розетке питания мощного потребителя электроэнергии. Обмотка содержит 1100 витков, её сопротивление - 45 Ом. На неё наматывают первичную обмотку (I) из двух витков изолированного провода сечением 2,5 мм2. Такой трансформатор тока обеспечивает напряжение 50 мВ на сопротивлении 47 Ом при токе нагрузки 10 А. Если ток нагрузки превышает 25 А, можно уменьшить число витков первичной обмотки до одного.
В устройстве можно использовать трансформаторы на ферромагнитных кольцевых магнитопроводах, конструкции которых описаны в [5-7]. При изготовлении следует принять коэффициент трансформации тока в пределах 1:300...1:1000. Также можно применить трансформаторы тока промышленного изготовления, например, для счётчиков электроэнергии [8].

Рис. 3
Трансформаторный датчик тока можно заменить резисторным, как показано на схеме рис. 3. Оптрон U1 обеспечивает гальваническую развязку блока управления передатчиком звонка от напряжения сети. В разрыв фазного провода нагрузки включён датчик тока - мощный резистор R1, напряжение с которого, пропорциональное току нагрузки, через токоограничивающий резистор R2 подведено к излучающему диоду отпрона U1. Диод VD1 ограничивает обратное напряжение на излучающем диоде оптрона. Фототранзистор оптрона U1 включают вместо транзистора VT1 (см. рис. 1) с учётом того, что эти транзисторы разной структуры. Коллектор фототранзистора оптрона U1 подключают к плюсу источника питания, а эмиттер - к верхнему (по схеме) выводу резистора R8. Транзистор VT1, резистор R7 и все компоненты, расположенные на рис. 1 левее, не используют. Преимущество резисторного датчика тока - меньшее число деталей и отсутствие намоточных элементов, недостаток - наличие мощного тепловыделяющего резистора.

Рис. 4
Узел управления размещён в корпусе передатчика звонка над его печатной платой, как показано на рис. 4. Транзистор VT1 может быть с любым буквенным индексом из серии КТ361 или КТ3107. Транзисторы VT2 - любые из серии КТ3102. Диод VD1 - любой из серий КД509, КД510, КД521, КД522. Конденсаторы С2, С4, С8 - любые плёночные или керамические, остальные - оксидные импортные.

Рис. 5
Приёмно-коммутационный узел устройства (см. рис. 2) размещён в унифицированном пластмассовом корпусе для силовых устройств с внешними размерами 120x120x75 мм, как показано на рис. 5. Платы радиоприёмника и коммутационного узла прикреплены в корпусе винтами МЗ и соединены между собой проводами. Для светодиодов HL1-HL3 просверлены отверстия. Мощный симистор VS1 установлен на теплоотвод от процессора Pentium I.
В приёмно-коммутационном узле (см. рис. 2) микросхему К561ТМ2 (DD1) можно заменить на КР1561ТМ2, все транзисторы из серии КП501 с любым буквенным индексом. Симисторный оптрон МОС3083М (U1) может быть заменён на МОС3081М, МОС3082М, МОС3051, МОС3052. Симистор ВТА139-800 (VS1) с максимальным током нагрузки 16 А можно заменить на ВТА139-600, а если ток нагрузки больше 16 А, но меньше 25 А, - на ВТА140-800 или ВТА140-600. Конденсатор СЗ - К73-17 с номинальным напряжением 630 В. Светодиод АЛ307ЕМ (HL1) жёлтого цвета свечения можно заменить на АЛ307ЖМ. Этот светодиод сигнализирует о запрете включения ведомой нагрузки, поэтому он может быть красного цвета свечения АЛ307БМ или АЛ307КМ. Светодиод АЛ307ГМ (HL2) зелёного цвета свечения сигнализирует о возможности включения ведомой нагрузки, его можно заменить на АЛ307ВМ. Цепь VD5-VD8HL3 можно заменить стабилитроном из серий КС133-КС147 с любым буквенным индексом, катод которого включают к правому (по схеме) выводу резистора R9, а анод - к минусовому проводу питания.
Сетевой трансформатор блока питания Т1 - любой с номинальной мощностью 3...4 Вт и напряжением вторичной обмотки 9...11 В. Такие трансформаторы часто используются в бытовой радиоаппаратуре. Самодельный блок питания T1VD1-VD4C5 можно заменить готовым сетевым адаптером с выходным напряжением 12...15 В и током не менее 30 мА.
Налаживание устройства сводится к установке порога срабатывания блока управления передатчиком (см. рис. 1) от тока, потребляемого ведущей нагрузкой. В процессе налаживания подбирают число витков первичной обмотки (I) трансформатора тока Т1, а также устанавливают необходимое усиление элементов DD1.1 и DD1.2 подборкой резисторов R3 и R5 в пределах 300...1000 кОм. Коммутационный блок (см. рис. 2) налаживания не требует .
Литература
1. Нечаев И. Охранное устройство на базе беспроводного звонка. - Радио, 2011, № 9, с. 53, 54.
2. Нечаев И. Сигнализатор протечки на базе радиозвонка. - Радио, 2011, №3, с. 53, 54.
3. Нечаев И. Охранное устройство на базе радиозвонка. - Радио, 2007, № 9, с. 59, 60.
4. Нечаев И. Дистанционный выключатель питания. - Радио, 2011, № 7 , с. 42, 43.
5. Нечаев И. Индикатор потребляемой мощности. - Радио, 1986, № 2, с. 49, 50.
6. Нечаев И. Индикатор потребляемой мощности. - Радио, 2000, № 11, с. 59.
7. Евсеев А. Применение преобразователя мощность - частота серии КР1095ПП1 в электронных устройствах. - Радио, 2008, № 10, с. 28-31.
8. КосенкоС. Измеритель активной мощности на микросхеме ADE7755. - Радио, 2010, № 8, с. 19, 20.
9. Воскобойников М. Цифровые микросхемы в устройствах НЧ. - Радио, 1981, № 7/8, с. 37.
Автор: Д. Панкратьев, г. Ташкент, Узбекистан
