При установке нового музыкального (мелодичного) дверного звонка взамен старого, как правило, электромагнитного, зачастую возникает проблема его подключения. Обусловлено это тем, что питание электромагнитных звонков осуществляется от сети 220 В и кнопка установлена в один из питающих проводов, а значительная часть музыкальных звонков имеет батарейное питание. Поэтому для того чтобы использовать старую кнопку для включения нового звонка, может потребоваться проведение электромонтажных работ, что делать самостоятельно не рекомендуется. Кроме того, для установки новой кнопки придется проводить "строительные" работы, что нежелательно или даже невозможно.
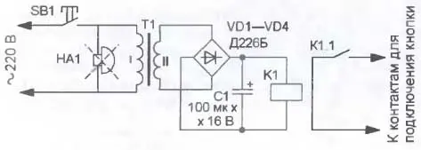
Выходом из такой ситуации может быть применение устройства, которое обеспечивает включение звонка с батарейным питанием от кнопки звонка с сетевым питанием. Схема устройства показана на рисунке. Электромагнитный звонок удаляют, а взамен него подключают устройство, содержащее понижающий трансформатор T1, выпрямитель на диодном мосте VD1—VD4 и сглаживающем конденсаторе, к выходу которого подключено реле К1, его контакты К1.1 и будут выполнять функцию кнопки включения нового звонка.

В устройстве можно применить оксидный конденсатор К50-35 или импортный, выпрямительные диоды — КД103А, КД105Б, КД106А или мосты серий КЦ402, КЦ405 с любым буквенным индексом. Реле К1 — любое малогабаритное с номинальным напряжением срабатывания 12...14 В и хотя бы одной парой контактов, работающих на замыкание. Трансформатор Т1 — понижающий малогабаритный, он должен обеспечивать на вторичной обмотке переменное напряжение 10...12 В и ток, достаточный для срабатывания реле К1. Подойдут трансформаторы от зарядных устройств сотовых телефонов или от старого лампового телевизора, например ТВК- 11 ОЛМ.
Все детали размещают в пластмассовом корпусе подходящих размеров, используя навесной монтаж. Устройство соединяют со звонком изолированными проводами минимально возможной длины.
Автор: Д. Петрянин, г. Ртищево Саратовской обл.
