Хочу поделиться своим опытом по изготовлению пускового реле для асинхронных электродвигателей, в том числе трёхфазных, питаемых от однофазной сети. Надеюсь, это кому-нибудь пригодится.
Чтобы обеспечить работу такого двигателя, используют фазосдвигающий конденсатор. Причём его ёмкость при пуске двигателя должна быть в четыре раза больше, чем во время работы. Поэтому на время запуска (1...3 с) параллельно рабочему конденсатору подключают пусковой соответствующей ёмкости.
Самый простой способ подключать пусковой конденсатор - применить кнопочный выключатель с дополнительными контактами, которые замкнуты только во время удержания кнопки "Пуск" нажатой. Основные контакты выключателя также замыкаются в момент нажатия на кнопку "Пуск", а чтобы разомкнуть их, требуется нажать на кнопку "Стоп".
Такое решение (оно использовалось в старых стиральных машинах) возможно лишь при ручном управлении двигателем. Но иногда его необходимо запускать дистанционно, лишь подавая питающее напряжение. В таких случаях не обойтись без пускового реле, подключающего дополнительный конденсатор при подаче сетевого напряжения, а через заданное время отключающее его.

Рис. 1
Возможная схема включения двигателя с таким реле показана на рис. 1. При подключении его к сети 220 В на выходе выпрямителя, собранного на диодном мосте VD1, появляется постоянное напряжение. Начинается зарядка конденсатора С4. Его зарядного тока достаточно для срабатывания электромагнитного реле К1. Своими замкнувшимися контактами оно подключает параллельно рабочему фазосдвигающему конденсатору Сраб электродвигателя М1 пусковой конденсатор СпуСк. Конденсатор СЗ - искрогасящий.
По мере зарядки конденсатора С4 ток через обмотку реле К1 уменьшается и через некоторое время достигает тока отпускания. Контакты реле размыкаются и отключают от двигателя пусковой конденсатор. Таким образом, время, на которое подключается пусковой конденсатор, зависит от свойств реле К1 и тем больше, чем больше ёмкость конденсатора С4. Повторный пуск двигателя возможен после отключения устройства от сети на время, достаточное для разрядки конденсаторов С2 и С4 через резистор R2.
Ёмкость конденсатора С1 выбирают исходя из тока срабатывания реле, с некоторым запасом. Ориентировочно - 1 мкФ ёмкости на каждые 50 мА тока. Конденсатор должен быть рассчитан на продолжительную работу при переменном напряжении 220 В, 50 Гц. Подойдёт, например, К73-17 на постоянное напряжение 630 В. Нужную ёмкость можно получить параллельным соединением нескольких конденсаторов.
Реле К1 должно иметь напряжение срабатывания, не превышающее напряжение стабилизации стабилитрона VD2 (27 В для указанного на схеме Д816Б). Его контакты должны быть рассчитаны на коммутацию напряжения не менее 350 В и тока, в два раза превышающего пусковой ток двигателя. Если имеется несколько подходящих реле, выбирайте то, у которого разность значений напряжения (тока) срабатывания и отпускания больше.

Рис. 2
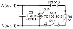
Если контакты имеющегося реле недостаточно мощные, подключать пусковой конденсатор к двигателю можно с помощью симисторного узла, собранного по схеме, изображённой на рис. 2. Его подключают к точкам А и Б исходной схемы вместо показанных там контактов реле и конденсатора СЗ. Симистор VS1 выбирают исходя из коммутируемого напряжения и тока. Контакты К1.1 теперь включены в цепь управляющего электрода симистора, где ток очень мал.

Рис. 3
Чтобы вообще отказаться от электромагнитного реле, его можно заменить симисторным оптроном по схеме, приведённой на рис. 3. Входную цепь оптрона подключают к точкам В и Г (см. рис. 1) вместо обмотки реле К1 с обязательным соблюдением полярности, а выходную - к точкам Д и Е (см. рис. 2) вместо контактов К1.1. Диод VD3 защищает излучающий диод оптрона от обратного напряжения, приложенного к нему при разрядке конденсатора С4.
Можно обойтись и без показанного на рис. 2 симистора, если воспользоваться не маломощным оптроном, а оптосимистором, либо специальным электронным реле достаточной для непосредственной коммутации конденсаторов мощности. К сожалению, такие приборы довольно дороги.
Последовательно с конденсатором С1 целесообразно включить ' резистор сопротивлением 51...82 Ом мощностью 0,5 Вт. Он ограничит импульс тока , через диоды выпрямителя при подключении устройства к сети.
Автор: К. Субботин, г. Кузнецк Пензенской обл.
