Тема ретроприёмников, в частности регенеративных, всеобъемлющая и очень плодотворно развивается на многих сайтах в сети Интернет. В своё время она очень заинтересовала и меня. В результате возникла мысль сделать простой одноламповый регенератор, который в последующем "малой кровью" был преобразован в несложный, но многодиапазонный супергетеродин.
За основу взята замечательная своей простотой и изяществом конструкция однолампового регенеративного приёмника на двойном триоде 6Н9М (6Н9С) [1], который при повторении конструкции был заменён его современным аналогом 6Н2П.
В процессе испытаний прототипа были сделаны некоторые доработки:
- введена ООС во втором каскаде (УНЧ) и увеличена в первом (собственно регенераторе). Это стало возможно благодаря использованию специфической особенности триодов - относительно большой проницаемости или, если угодно, существенному влиянию анодной нагрузки на цепи сетка-катод. Анодные резисторы большого сопротивления создают достаточно большую "внутреннюю" ООС, эквивалентную внесению в катод сопротивления, равного Ra/ц, в нашем случае - это 47 кОм/100=470 Ом, что и обеспечивает высокую стабильность выбранного режима;
- убрано высокое напряжение с головных телефонов (как-то жутковато осознавать, что на голову подаётся 200 В);
- переходные и блокировочные конденсаторы теперь выполняют функции однозвенных фНч и ФВЧ, и их ёмкости подобраны так, чтобы обеспечить частотную полосу 300...3000 Гц тракта НЧ.
В результате приёмник обладает высокой стабильностью (на 80 метрах можно длительно слушать станцию без какой-либо подстройки!) и высокой чувствительностью, хорошей повторяемостью (благодаря ООС его параметры мало зависят от разброса характеристик ламп) и очень простым управлением.
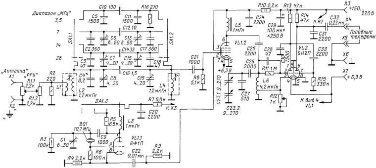
На базе этого регенератора и был построен двухламповый четырёхдиапазонный супергетеродин. Фотографии его конструкции приведены на рис. 1 - рис. 3, а схема - на рис. 4. Радиоприёмник позволяет принимать SSB и CW-сигналы любительских радиостанций на диапазонах 80, 40, 20 и 10 метров. Чувствительность приёмника при приёме в телеграфном (автодинном) режиме и соотношении сигнал/шум, равном 10 дБ, - не хуже 1 мкВ (на 10 метрах), 0,7 мкВ (на 20 и 40 метрах) и 3 мкВ (на 80 метрах).

Рис. 1. Конструкция двухлампового четырёхдиапазонного супергетеродина

Рис. 2. Конструкция двухлампового четырёхдиапазонного супергетеродина

Рис. 3. Конструкция двухлампового четырёхдиапазонного супергетеродина

Рис. 4. Схема двухлампового четырёхдиапазонного супергетеродина
Двухступенчатый входной аттенюатор на переменном резисторе R1 обеспечивает нормальную работу приёмника с любой, в том числе и полноразмерной антенной.
Входной двухконтурный полосовой диапазонный фильтр (ПДФ) - L2L4C2-C8C10-C19 спроектирован по упрощённой схеме так, чтобы обеспечить максимальную чувствительность на диапазоне 10 метров. На диапазоне 80 метров ПДФ имеет повышенное затухание, чем уменьшается и некоторая избыточность усиления на этом диапазоне.
Для диапазона 80 метров - это приёмник прямого усиления 1-V-1 с регенеративным детектором и усилителем НЧ на лампе VL2 (пентод лампы VL1.2 работает как развязывающий УВЧ), а на остальных диапазонах - супергетеродин с переменной ПЧ и гетеродином с кварцевой стабилизацией частоты. Гетеродин выполнен на триоде лампы VL1.1 и кварцевом резонаторе ZQ1 по схеме ёмкостной трёхточки (генератор Колпитца). На диапазонах 40 и 20 метров он работает на основной гармонике резонатора - 10,7 МГц, а на диапазоне 10 метров - на его третьей гармонике (32,1 МГц), для чего на этом диапазоне анодная нагрузка выполнена в виде резонансного контура L3C1, настроенного на частоту 32,1 МГц. На пентоде лампы VL1.2 собран смеситель.
Диапазон перестройки регенеративного приёмника, выполняющего в структуре супергетеродина роль тракта ПЧ, регенеративного детектора и УНЧ, выбран равным 3,3...3,8 МГц (диапазон 80 метров), что обеспечивает достаточное перекрытие и на ВЧ-диапазонах. Соответственно на диапазоне 40 метров перекрытие составит 6,9...7,4 МГц, на 20 метрах - 14...14,5 МГц, на 10 метрах - 28,3...28,8 МГц.
Напряжения питания анодной цепи и накала ламп приёмника должны быть стабилизированы. Вопрос - нужно ли стабилизировать напряжения питания (накальное и анодное) лампового регенератора часто возникает на разных ветках форумов сети, и ответы на него часто дают самые противоречивые - от ничего не надо стабилизировать и выпрямлять (и так всё прекрасно работает) до обязательного применения полностью автономного, аккумуляторного, питания.
И как это ни удивительно, справедливы высказывания и тех и других (!), важно только помнить основные критерии (или, если угодно, требования), которые предъявляют к регенератору и те, и другие авторы. Если основное - это простота конструкции, к чему стабилизация питания? Регенераторы 20-50-х годов (а это сотни разных конструкций), сделанные по такому принципу, прекрасно работали и обеспечивали вполне приличный приём, особенно на радиовещательных диапазонах. Но как только поставим во главу угла чувствительность, а она, как известно, достигает максимума на пороге генерации - точке крайне неустойчивой, на которую влияют многочисленные внешние изменения параметров, причём колебания напряжения питания одни из самых весомых, то и ответ становится очевиден. Хотите получить высокие результаты - напряжение питания надо стабилизировать.
Приёмник смонтирован в корпусе от старого компьютерного БП. Монтаж - навесной, выполнен на плате-шасси из фольгированного с двух сторон стеклотекстолита. Фольга одной из сторон разрезана на прямоугольники, которые служат контактными площадками, фольга противоположной стороны используется как общий провод. Требования к монтажу стандартные - максимальная жёсткость крепления и минимальная длина ВЧ-про-водников.
Приёмник собран из недефицитных деталей. Все блокировочные и переходные конденсаторы должны быть рассчитаны на номинальное напряжение не менее 250 В.
Катушки L2 и L4 намотаны проводом ПЭВ-2 0,17 виток к витку на каркасах диаметром 8,5 мм с подстроечниками (от контуров ПЧ цветных телевизоров). Число витков - 13. Катушка связи L1 содержит 3 витка аналогичного провода и намотана поверх катушки L2 со стороны вывода, соединённого с общим проводом. Дроссели L3, L5 - малогабаритные импортные.
Катушка L6 намотана проводом ПЭВ-2 1 на ребристом керамическом каркасе диаметром 35 мм. Число витков - 11, шаг намотки - 2 мм, отвод от 2-го витка, считая от соединённого с общим проводом вывода.
Несмотря на то что, в принципе, регенератор сможет работать (т. е. полностью регенерировать контур) практически с любой катушкой, желательно, чтобы она обладала максимально возможной конструктивной добротностью. Это позволит при тех же результатах применить меньшее включение лампы в контур и, соответственно, снизить её дестабилизирующее влияние (как её самой, так и всего приёмника и источников питания). Поэтому катушка L6 намотана на каркасе достаточно большого диаметра.
Лучшим вариантом будет намотать катушку регенератора на кольцевом магнитопроводе марки Amidon (например, T50-6, T50-2, T68-6, T68-2). Число витков катушки для получения указанной индуктивности можно посчитать по любой программе. Например, для обычных каркасов удобна программа COIL 32 [2], а для колец Amidon - mini Ring Core calculator [3]. Положение отвода для начала можно взять от 1/5...1/8 (для обычных каркасов) до 1/10...1/20 (для Amidon) числа витков контурной катушки.
Конденсатор настройки С23 - малогабаритный двухсекционный КПЕ с воздушным диэлектриком. Его секции включены последовательно, чтобы исключить шорохи и потрескивания, а ротор и корпус изолированы от шасси (своего рода дифференциальный конденсатор). В зависимости от пределов изменения его ёмкости и индуктивности катушки L6, для получения требуемого диапазона перестройки ёмкости растягивающих конденсаторов, возможно, придётся пересчитать. Это можно сделать с помощью простой программы KONTUR3C_ver. by US5MSQ [4].
Головные телефоны для радиоприёмника должны быть электромагнитные и обязательно высокоомные (с катушками электромагнитов индуктивностью примерно 0,5 Гн и сопротивлением постоянному току 1500...2200 Ом), например, ТОН-1, ТОН-2, ТОН-2м, ТА-4, ТА-56м. По желанию приёмник можно дооснастить усилителем мощности, собрав его по стандартной схеме на лампах 6П14П, 6Ф3П или 6Ф5П.
В этом малоламповом приёмнике большое значение имеет коэффициент усиления (ц) лампы регенератора, ну и малое токопотребление 6Н2П тоже приятно - можно поставить эффективный RC-фильтр по цепи анодного питания без громоздких дросселей или электронных фильтров/стабилизаторов. Именно так сделано у меня - и никакого фона в телефонах. Впрочем, можно применить любые двойные триоды (6Н1П, 6Н3П и т. п.) без корректировки схемы и почти без ущерба (будет меньше раза в два усиление по НЧ). С другой стороны, при большем анодном токе и крутизне ламп можно вместо высокоомных головных телефонов подключить выходной трансформатор и применить более доступные современные низкоомные телефоны с большой чувствительностью.
Настройка приёмника достаточно проста и стандартна. После проверки правильности монтажа подключаем питание приёмника и измеряем режимы ламп по постоянному току. Включаем диапазон 80 метров и настраиваем регенератор. Его настройка заключается в основном в укладке диапазона перестройки от 3300 до 3800 кГц с небольшим (примерно 20...30 кГц) запасом по краям подбором ёмкостей растягивающих конденсаторов С26, С27 и обеспечении плавного подхода к точке регенерации. Для укладки диапазона подаём сигнал с ГСС через разделительный конденсатор на сетку лампы VL1.2 (вывод 2). Возможно, придётся точнее подобрать отвод катушки L6, добиваясь появления генерации на нижней частоте настройки 3300 кГц (ёмкость КПЕ максимальна) в положении движка переменного резистора R12 (регулировки регенерации) ближе к нижнему по схеме выводу. При перестройке вверх по частоте условия генерации улучшатся и понадобится большее шунтирующее действие резистора, т. е. рабочее положение движка сместится ближе к центру в направлении верхнего по схеме вывода.
Проверяем плавность подхода к точке регенерации, т. е. при перемещении движка переменного резистора R12 к нижнему по схеме выводу шум и шорохи должны плавно возрастать до максимума, потом лёгкий щелчок (или просто резкое заметное уменьшение шумов) и их последующее снижение (вместе с чувствительностью) по мере увеличения уровня генерации. При обратном перемещении движка генерация должна пропадать в том же положении, в котором она возникла. Если плавность недостаточна, можно уменьшить анодный ток лампы (увеличив сопротивление анодного резистора R13) и заново подобрать точку подключения отвода, и так до получения требуемого результата.
Затем настраиваем ПДФ диапазона 80 метров, для чего подключаем ГСС на антенный вход приёмника и устанавливаем на генераторе среднюю частоту диапазона - 3,65 МГц. Переводим регенератор в режим генерации (авто-динный режим) и конденсатором С23 "находим" сигнал ГСС. Подстроечниками катушек L2 и L4 настраиваем ПДФ по максимуму сигнала. На этом настройка диапазона 80 метров закончена, и подстроечники этих катушек в дальнейшем не трогаем.
Далее проверяем работу гетеродина. Подключаем к катоду лампы VL1.2 (вывод 7) ламповый вольтметр переменного тока и контролируем уровень напряжения гетеродина. Включаем поочерёдно диапазоны 40 и 20 метров, проверяем наличие переменного напряжения уровнем 1...2 Вэфф. Затем включаем диапазон 10 метров и подстроечным конденсатором С1 устанавливаем максимальное напряжение генерации. Оно должно быть примерно такого же уровня. Если нет промышленного вольтметра, можно применить простейший диодный пробник, подробно описанный в [5], или осциллограф с полосой пропускания не менее 30 МГц и малоёмкостным делителем (высокоомным пробником). В крайнем случае осциллограф можно подключить через конденсатор ёмкостью 3...5 пФ.
Продолжаем настройку ПДФ, начиная с диапазона 10 метров. Для этого подключаем к антенному входу ГСС и выставляем на нём среднюю частоту диапазона - 28,55 МГц. Переводим регенератор в режим генерации и, подстраивая КПЕ, "находим" сигнал ГСС.
Подстроечными конденсаторами С8 и С19 (подстроечники катушек не трогаем!) настраиваем ПДФ по максимуму сигнала. Аналогично настраиваем диапазоны 20 и 40 метров подстроечными конденсаторами С7, С15 и С6, С13, для которых соответственно средние частоты диапазонов будут 14,175 и 7,1 МГц.
Шкала радиоприёмника - дисковая механическая с перекрытием в 500 кГц. На диапазонах 80 и 20 метров она прямая, а на диапазонах 40 и 10 метров - обратная (по аналогии с трансивером UW3DI). Цифровую шкалу я бы вводить в конструкцию приёмника не стал. Во-первых, механическая шкала простая, калибровка стабильная и её достаточно провести только на диапазоне 80 метров. А на остальных диапазонах разметку рисуют с простым пересчётом по измеренной частоте генератора подставки. Во-вторых, сама цифровая шкала при неудачном раскладе может стать источником помех, и надо будет хорошо продумать конструкцию и, вероятно, ввести экранировку как минимум катушки регенератора (чувствительность-то у него - единицы микровольт!), а возможно, ещё и самой шкалы.
Если всё же её вводить, подключение лучше выполнить так:
- сигнал с гетеродина снимать через истоковый повторитель на транзисторе КП303 (КП302, КП307, BF245, J310 и т. п.), подключив затвор транзистора через резистор 1 кОм прямо к выводу 7 лампы VL1;
- регенератор, в зависимости от регулировки ПОС, может иметь очень малое напряжение на контуре (десятки милливольт), поэтому для сигнала регенератора потребуется не только развязка, но и усиление. Лучше всего это сделать на двухзатворном полевом транзисторе КП327 или BF9xx, включённом по стандартной схеме с напряжением смещения на втором затворе +4 В и резистором 1 кОм в цепи стока. Первый затвор транзистора подключают к катоду лампы VL2 (вывод 3) через развязывающий резистор сопротивлением 1 кОм.
Этот радиоприёмник был собран достаточно давно, и тем не менее через пару лет после изготовления достал с дальней полки этот двухламповый супер, сдул пыль и включил.. Работает, это так приятно, что за два вечера ненавязчивых наблюдений на каждом из нижних диапазонов (80 и 40 метров) были приняты сигналы из всех десяти радиолюбительских районов бывшего СССР! Приём вёлся на антенну длиной 42 м.
Конечно, динамический диапазон и селективность по соседнему каналу маловаты, но в первом случае помогает плавный аттенюатор, а во втором - небольшое сужение полосы пропускания (ручкой регенерации). Кардинальным решением был бы переход на менее "заселённую" частоту, и тем не менее даже на "перенаселённых" участках диапазонов удаётся принять как минимум основную информацию. Но главное достоинство приёмника (кроме простоты конструкции) - очень хорошая стабильность частоты. Можно часами слушать станции без подстройки, причём это с равным успехом не только на нижних диапазонах, но и на 10 метрах!
Заново перемерял его чувствительность - при соотношении сигнал/шум 10 дБ всё соответствует приведённым выше данным. А если привязываться к выходному сигналу уровнем 50 мВ (уже достаточно громкий сигнал на телефонах ТОН-2), то результат следующий: на 10 метрах - 1...1,2 мкВ, на 20 метрах - 1,5...2 мкВ, на 40 метрах - 3...4 мкВ, на 80 метрах - 7...8 мкВ.
Литература
1. Егоров В. Простой коротковолновый приёмник. - Радио, 1950, № 3, с. 37-40.
2. COIL 32 - расчёт катушек индуктивности. - URL: http://us5msq.com.ua/category/ raschety-soft/ (07.07.2016).
3. Mini Ring Core calculator. - URL: http:// mini-ring-core-сalculator.software. informer.com/1.2/ (07.07.2016).
4. KONTUR3C - расчёт растягивающих конденсаторов. - URL: http://us5msq.com. ua/category/raschety-soft/ (07.07.2016).
5. Степанов Б. ВЧ головка к цифровому вольтметру. - Радио, 2006, № 8, с. 58, 59.
Автор: Сергей Беленецкий (US5MSQ), г. Киев, Украина
