По истечении 3...5 мин после вклюнения вентилятора это устройство выключает его и отключается само, не потребляя более энергию от сети 220 В За основу разработки взято "Простое реле времени" А Выжанова ("Радио". 2007, № 6, с. 54). Схема прибора показана на рис. 1, а его внешний вид - на рис. 2

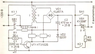
Рис. 1
При нажатии на кнопку SB1 сетевое напряжение поступает на обмотку трансформатора Т1. Вторая группа контактов кнопки замыкает цепь зарядки конденсатора С1 до напряжения на выходе выпрямителя, состоящего из диодного моста и сглаживающего конденсатора С2 В результате открывается транзистор VT1 срабатывают реле К1 и К2

Контакты К 1.1 блокируют "сетевую" группу контактов кнопки, и ее можно отпустить, прибор продолжит работу. Контакты К2.1 замыкают цепь управляющего электрода симистора VS1. Симистор начинает открываться в каждом полупериоде сетевого напряжения. через него на вентилятор поступает переменное напряжение 220 В и вентилятор работает Благодаря сими-стору, выдерживающему ток до 5 А он может быть довольно мощным.
После отпускания кнопки SB1 напряжение на конденсаторе С1 медленно снижается Но транзистор VT1 остается открытым, а вентилятор включенным, пока оно не упадет приблизительно до 1,5 В Затем транзистор закрывается, а реле разрывают цепи, которые они удерживали замкнутыми. Симистор прекращает открываться. Вентилятор и все устройство выключены до следующего нажатия на кнопку SB1. При необходимости можно включить вентилятор на неопределенное время выключателем SA1, не прибегая к "услугам" автомата.
В конструкции использованы реле РЭС49 исполнения РС4.569.421-02 (паспорт РС4.569.425) с сопротивлением обмотки 270 Ом и рабочим напряжением 12 В Их можно заменить другими маломощными реле - ток, коммутируемый их контактами, не превышает нескольких миллиампер.
Трансформатор Т1 следует выбирать с переменным напряжением на обмотке II на 1...2 В больше постоянного напряжения срабатывания реле. А номинальное напряжение конденсаторов С1 и С2 должно быть в 1,5...2 раза больше напряжения на этой обмотке. Резистор R2, ограничивающий до безопасного значения ток зарядки конденсатора С1 можно изготовить из отрезка нихромо-вой проволоки. Точно подбирать его сопротивление нет необходимости
При указанных на схеме номиналах элементов получена задержка выключения вентилятора около 5 мин Подбирая конденсатор С1, ее можно изменить.
Автор: А.Субботин, г. Звенигово, Марий Эл
