Пусть читателей не смущает название "Etherway". Оно созвучно с "Etherwave" - названием терменвокса известной американской фирмы Moog Music Inc. - и выбрано намеренно, чтобы отразить схожесть инструментов. Описание прототипа [1] было сделано самим Р. Мугом, который впоследствии наладил выпуск изделий, практически ничего не изменив в схеме и дав им название "Etherwave". Инструмент оказался настолько удачным, что и по сей день пользуется успехом как среди исполнителей, так и среди радиолюбителей, повторяющих его.
Исполнители отдают должное самому главному качеству инструмента - его пригодности к профессиональному исполнению музыкальных произведений. Это связано, главным образом, с улучшенной линейностью музыкальной шкалы, о чём речь пойдёт ниже. Радиолюбителей же привлекает возможность не мотать катушки индуктивности самостоятельно, а обойтись готовыми намоточными изделиями известных фирм. Предлагаются даже наборы для самостоятельной сборки, включающие полностью собранную и отлаженную печатную плату.
Предлагаемая конструкция представляет собой некоторое отступление от этой идеологии, поскольку в ней использованы катушки, намотанные вручную. Это не так сложно, как кажется на первый взгляд, да и занимает гораздо меньше времени, чем поиск готовых изделий. Впрочем, ничто не мешает подобрать готовые катушки. Также важно знать: для успешного повторения конструкции потребуется осциллограф!
Звуковой сигнал в терменвоксе получают смешиванием высокочастотных сигналов двух генераторов (рис. 1), один из которых (образцовый) работает на фиксированной частоте, а частота другого (перестраиваемого) меняется при приближении к его антенне руки исполнителя. В результате образуются и выделяются биения с разностной частотой, лежащей в звуковом диапазоне. Гениальность изобретения Л. С. Термена состоит в том, что очень незначительные изменения частоты генераторов приводят к ощутимым изменениям высоты тона. Он использовал этот принцип не только в своём музыкальном инструменте - терменвоксе, но и при построении охранных систем.

Рис. 1. Конструкция инструмента
Значения частот на рис. 1 показаны условно. Общее правило здесь одно: с приближением руки к антенне частота перестраиваемого генератора понижается, что должно приводить к увеличению разностной частоты (повышению тона), а значит, образцовый генератор должен быть настроен выше. Пусть этот факт отложится в памяти до того момента, когда придётся налаживать изготовленное устройство.
Канал управления громкостью (рис. 2) построен иначе. Здесь только один генератор, который работает на фиксированной частоте и возбуждает резонансную цепь, в которую входит ещё одна антенна. В исходном состоянии (рука далеко) цепь настроена на частоту генератора, а напряжение на ней максимально. Приближение руки к антенне вызывает расстройку резонансной цепи и снижение напряжения на ней. Это должно приводить к уменьшению громкости, хотя возможна и обратная зависимость. Я думаю, на заре становления инструмента были опробованы оба варианта, и первый вариант сочли лучшим.

Рис. 2. Конструкция инструмента
Концепция "Etherwave" полностью повторяет концепцию первых терменвоксов, построенных на электронных лампах. Возможно, удачность конструкции, описанной в [1], как раз и обусловлена именно тем, что представляет собой, по сути, современную (на транзисторах) реинкарнацию проверенных и хорошо себя зарекомендовавших технических решений прошлых лет.
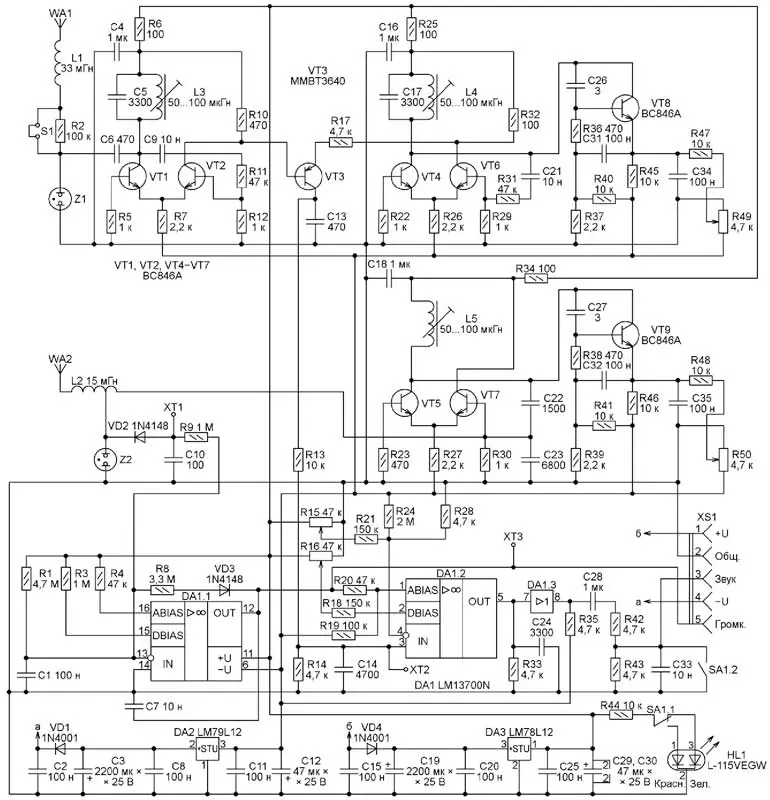
Теперь - об изображённой на рис. 3 схеме терменвокса "Etherway", который я разработал на основе "Etherwave". Все генераторы в нём выполнены по единой дифференциальной двухтранзисторной схеме. Достоинство такого генератора в том, что его трудно заставить не генерировать, чему способствует большой суммарный коэффициент усиления пары транзисторов. Рассмотрим его работу на примере перестраиваемого генератора (транзисторы VT1 и VT2).

Рис. 3. Схема терменвокса "Etherway
В коллекторную цепь транзистора VT1 включён колебательный контур, состоящий из конденсатора C5 и катушки индуктивности L3. Элементы C9, R11 и R12 образуют цепь положительной обратной связи, причём C9 - просто разделительный конденсатор, ёмкость которого некритична, а делитель напряжения R11R12 задаёт коэффициент обратной связи, кроме того, резистор R11 большого сопротивления уменьшает нагрузку на колебательный контур.
В [1] катушка индуктивности, эквивалентная L3, составлена из двух - постоянной и регулируемой, что снижает остроту настройки (тем самым делая её более удобной), но и уменьшает её пределы. Последнее заставляет более строго придерживаться номиналов элементов частотозадающих цепей и геометрии антенны. Я пожертвовал остротой настройки в пользу универсальности и отказался от дополнительного компонента, которого всё равно бы не нашёл в своих "закромах".
Резисторы R5 и R12 задают постоянное напряжение на базах транзисторов VT1 и VT2, близкое к нулю. Резистором R7 задан суммарный ток через транзисторы (около 5 мА).
Основные отличия генератора от оригинала - дополнительная развязка по питанию с помощью фильтра C4R6 и снятие выходного напряжения не с контура C5L3, а с коллектора транзистора VT2. Для этого в коллекторную цепь этого транзистора в качестве нагрузки установлен сравнительно низкоомный резистор R10. Цель такого решения - максимально и с минимумом затрат развязать генераторы.
Дело в том, что при сближении частот генераторов возрастает их взаимное влияние вследствие взаимопроникновения сигналов через выходные цепи, цепи питания, ёмкость монтажа. Каждый стремится навязать партнёру свою частоту. Это явление называют "затягиванием частоты". В схеме из [1] затягивание начинает проявляться при разности частот менее 150 Гц, приводя сначала к искажениям формы звукового сигнала, а затем к полной синхронизации генераторов (захвату частоты) и "молчанию" инструмента. Это делает невозможным получение звуковых частот ниже 50...80 Гц. Но здесь есть свои достоинства и недостатки.
Положительный момент заключается в том, что по мере затягивания частоты звуковой сигнал из близкого к синусоидальному превращается в подобие пилообразного, а затем - пульсирующего, обогащаясь высшими гармониками. Иными словами, появляется зависимость тембра от частоты, что делает исполнение более выразительным и похожим на естественный голос. Невозможность получения низких нот делает инструмент молчащим в отсутствие исполнителя, поскольку частота управляемого генератора должным образом настроенного терменвокса в этом случае попадает в полосу захвата.
Но изменчивость формы сигнала плоха тем, что на очень низких нотах получается не голос, а "тарахтение", теряющее музыкальность из-за того, что биения из периодических становятся случайными - возрастает чувствительность генераторов, находящихся на грани захвата, ко всякого рода помехам.
И наконец, интересное следствие затягивания частоты, считавшееся раньше полезным, которое усиливали с помощью специальных мер, - оно ускоряет сближение частот генераторов, повышая чувствительность инструмента к манипуляциям исполнителя именно там, где требуется, - на удалении от антенны, где изменения вносимой рукой ёмкости малы. Это делает более равномерным распределение нот в области перемещения руки.
Посмотрите на клавиатуру фортепиано - ширина клавиш везде одинакова. Музыканту не нужно напрягаться, чтобы сыграть, например, ту же мелодию октавой выше. Он, руководствуясь мускульной памятью, просто повторит те же движения, немного сдвинув руку. Со струнными инструментами ситуация немного хуже. Лады на грифе гитары расположены неравномерно, поэтому движения приходится масштабировать. У виолончели вообще все плохо. Ладов, как таковых, нет, и малейший промах означает фальшь.
Если у перечисленных выше инструментов есть какая-либо точка опоры для руки, место тактильного контакта, визуальное место, наконец, то у терменвокса нет и этого. Вот почему лозунг "каждый сможет играть на терменвоксе" звучит, мягко говоря, лукаво. Впрочем, если исполнять "авангардную" музыку, которую никто, даже сам автор, повторить не в силах, - это сойдёт. Проблемы начнутся с "Вокализом" С. В. Рахманинова, эдаким "Hello, world!" в мире начинающих терменистов.
Я сказал: "следствие, считавшееся раньше полезным". В последнее время обнаружилось, что "Etherwave" звучит весьма неплохо даже при полностью развязанных генераторах, давая более густой бас (и это ожидаемо) и одну или более лишнюю октаву. Странно, что инженеры Moog Music Inc. до сих пор не воплотили эту возможность в серийных изделиях, дав другим шанс заработать на продажах дополнительных модулей, устанавливаемых в "Etherwave", по цене в десятки евро за плату с двумя транзисторами! А суть метода проста - буферирование сигналов генераторов перед подачей их на смеситель. Ведь именно здесь происходит наиболее сильное взаимное влияние генераторов.
Поначалу я собирался поступить так же, но "спортивный" интерес взял своё - решил найти более элегантное решение. Окончательный вариант - использование транзисторов VT2 и VT6 в качестве буферов и введение смесителя на легко сопрягаемом с ними p-n-p транзисторе VT3.
Чтобы ослабить паразитную связь, требуется уменьшать сопротивление резисторов R10 и R32. Но тогда смешиваемые сигналы оказываются очень слабыми. Хотя диодный смеситель, взятый из оригинала, работает и с ними, но он даёт меньший уровень выходного сигнала. Транзистор VT3 не только смешивает входные сигналы, но и усиливает выходной. Цепь C14R14, как и в оригинале, отсекает высокие частоты, вновь введённая цепь C13R13 делает то же самое, улучшая фильтрацию.
Нужно заметить, что такие цепи встречаются по всему тракту, и в этом есть свой резон. Если подать плохо отфильтрованный сигнал на громкоговоритель, то его высокочастотные составляющие всё равно не будут слышны.
Зато дешёвые звуковые карты компьютеров и различные генераторы спецэффектов легко "слышат" эти составляющие. Дело в том, что находящиеся в них аналого-цифровые преобразователи квантуют входной сигнал по времени. Если он имеет высокочастотные компоненты с частотами выше половины частоты квантования, появляются неприятные призвуки. А дешевизна таких устройств предполагает отсутствие высококачественных фильтров на их входе.
Вернёмся к генераторам. Хотя сигнал на колебательном контуре имеет синусоидальную форму (верхняя осциллограмма на рис. 4), с резисторов R10 и R32 снимают далеко не синусоидальные напряжения - "обрывки" полуволн размахом около 2 В с короткими провалами на вершинах (нижняя осциллограмма на том же рисунке). Это приводит к несколько иной, по сравнению с оригиналом, форме напряжения на выходе смесителя. Если раньше на резисторе R14 выделялся сигнал, состоящий из отрицательных полуволн в форме букв U, то теперь - скруглённый треугольный с небольшими перегибами на подъёме.

Рис. 4. Осциллограммы сигналов
Вдобавок, сигнал переместился в область положительного напряжения, что заставило изменить полярность напряжения питания, приходящего на переменный резистор R15, и поменять местами его неподвижные выводы, чтобы сохранить направление регулировки, а также увеличить номинал резистора R24.
Как видно по осциллограммам сигналов разной частоты на выходе смесителя, изображённым на рис. 5, они сохраняют свою форму вплоть до инфразвуковой частоты, что говорит о хорошей развязке генераторов. Изменчивость тембра предполагается создавать внешними средствами.

Рис. 5. Осциллограммы сигналов разной частоты на выходе смесителя
Теперь об отличиях генераторов. У перестраиваемого генератора к колебательному контуру подключена цепь, состоящая из антенны WA1 и катушки индуктивности L1, а в образцовом генераторе - цепь настройки в виде "реактивного транзистора" (электронного аналога переменного конденсатора).
Принцип действия реактивного транзистора основан на эффекте Миллера - кажущемся увеличении ёмкости конденсатора, включённого в цепь отрицательной обратной связи усилителя. В данном случае - это конденсатор C26 ёмкостью 3 пФ, включённый между коллектором и базой транзистора VT8. В общую ёмкость обратной связи входит также ёмкость перехода база-коллектор этого транзистора, которая у BC846A - около 1,9 пФ. При изменении регулировкой тока его эмиттера с помощью переменного резистора R49 коэффициента усиления Ку транзистора происходит изменение произведения (С26+Сбк)-Ку.
В [1] конденсатор, эквивалентный C26, был номиналом 33 пФ, а эквивалентный R36 резистор - 33 Ом (плюс дополнительный резистор 470 Ом в базовой цепи транзистора, который здесь исключён), что давало такое же перекрытие по частоте - около 2...3 кГц. Это соответствует изменению ёмкости колебательного контура на 50 пФ. Если имеется подходящий конденсатор переменной ёмкости, можно смело заменить им весь узел электронной перестройки, применение которого Р. Муг обосновал отсутствием дешёвых переменных конденсаторов.
На антенной цепи остановимся подробнее. Это - "изюминка" всех терменвоксов подобного рода. Дело в том, что для максимальной чувствительности необходимо, чтобы ёмкость конденсатора колебательного контура состояла, по возможности, только из ёмкости антенны. Это примерно 6...8 пФ, из которых на наведённую от руки ёмкость приходится 0,5 пФ и менее. Но такой контур на частоте в сотни килогерц возбудить сложнее, и, самое главное, "густота" нот с приближением руки к антенне резко возрастает. Это сильно затрудняет игру в верхнем регистре инструмента.
Как же при ёмкости контура 3300 пФ обеспечивают требуемую чувствительность инструмента к манипуляциям рукой? Всё дело в том, что контур, в который входит ёмкость антенны, в рассматриваемом случае образован дополнительной катушкой индуктивности L1 (в [1] это четыре катушки, соединённые последовательно). В первом приближении можно считать, что резонансная частота этого контура равна резонансной частоте контура генератора C5L3. В этом случае влияние ёмкости антенны на генерируемую частоту многократно возрастает.
Трудно сказать, как Л. С. Термен и первые энтузиасты терменвокса пришли к этому решению. Возможно, они стали подключать антенну не напрямую, а через катушку индуктивности, стремясь ограничить чувствительность вблизи антенны и выровнять тем самым мензуру инструмента. Постепенно выяснилось, что её индуктивность должна быть значительной, а наилучшее выравнивание мензуры достигается при большой ёмкости контура генератора.
Позже появилось такое объяснение: при правильной настройке цепи антенны её ёмкость трансформируется в индуктивность, присоединённую параллельно катушке L3. Изменения ёмкости антенны управляют этой индуктивностью по нужному для линеаризации закону. А своеобразие схемы заключается в том, что если оба контура по отдельности настроены на одну и ту же частоту, то соединённые вместе они дают два резонансных пика вместо одного. Поведение генератора при этом сильно зависит от соотношения параметров элементов контуров.
Исчерпывающее объяснение этому явлению можно найти в разделах "Связанные колебательные цепи" в учебниках по теории электрических цепей и даже в учебниках по другим дисциплинам (акустике, математике). Поведение таких цепей описывают биквадратные уравнения, решение которых даёт четыре корня вместо двух для одиночной колебательной цепи. Отсюда и двухгорбая амплитудно-частотная характеристика. Степень её двухгорбости зависит от коэффициента связи между колебательными контурами, а сама связь может быть как магнитной, так и ёмкостной. В данном случае связь - непосредственная, обусловленная способом включения и разным волновым сопротивлением контуров C5L3 и WA1L1.
Продолжение следует...
Литература
1. Moog R. Build the EM Theremin. - Electronic Musician, 1996, February, рр. 86- 100. URL: - http://www.cs.nmsu.edu/~rth/ EMTheremin.pdf (07.07.16).
Автор: И. Мамонтов, г. Электросталь Московской обл.
